GM Service Manual Online
For 1990-2009 cars only
Makes
🢒
Pontiac
🢒
2009
🢒
G6
🢒
Body Systems
🢒
Wipers and Washers
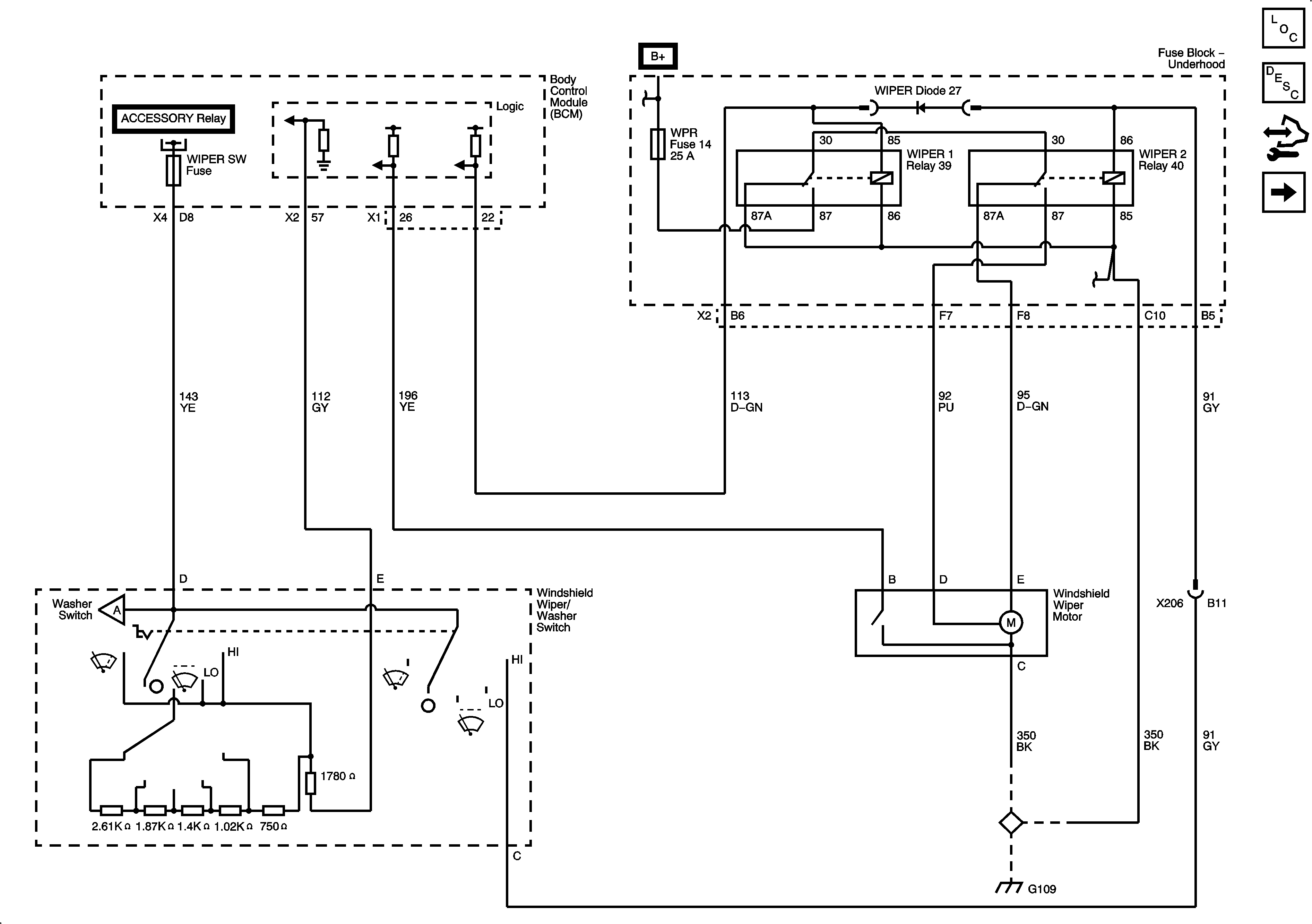
🢒 Wiper/Washer Schematics
Figure
1:
Wiper System
Figure
2:
Washer System