GM Service Manual Online
For 1990-2009 cars only
Figure 1:

Power, Ground, DLC, Indicators, Traction Control Switch, and Brake Pedal Position Sensor


Object Number: 2078748  Size: FS
Figure 2:

Wheel Speed Sensors


Object Number: 2078752  Size: FS
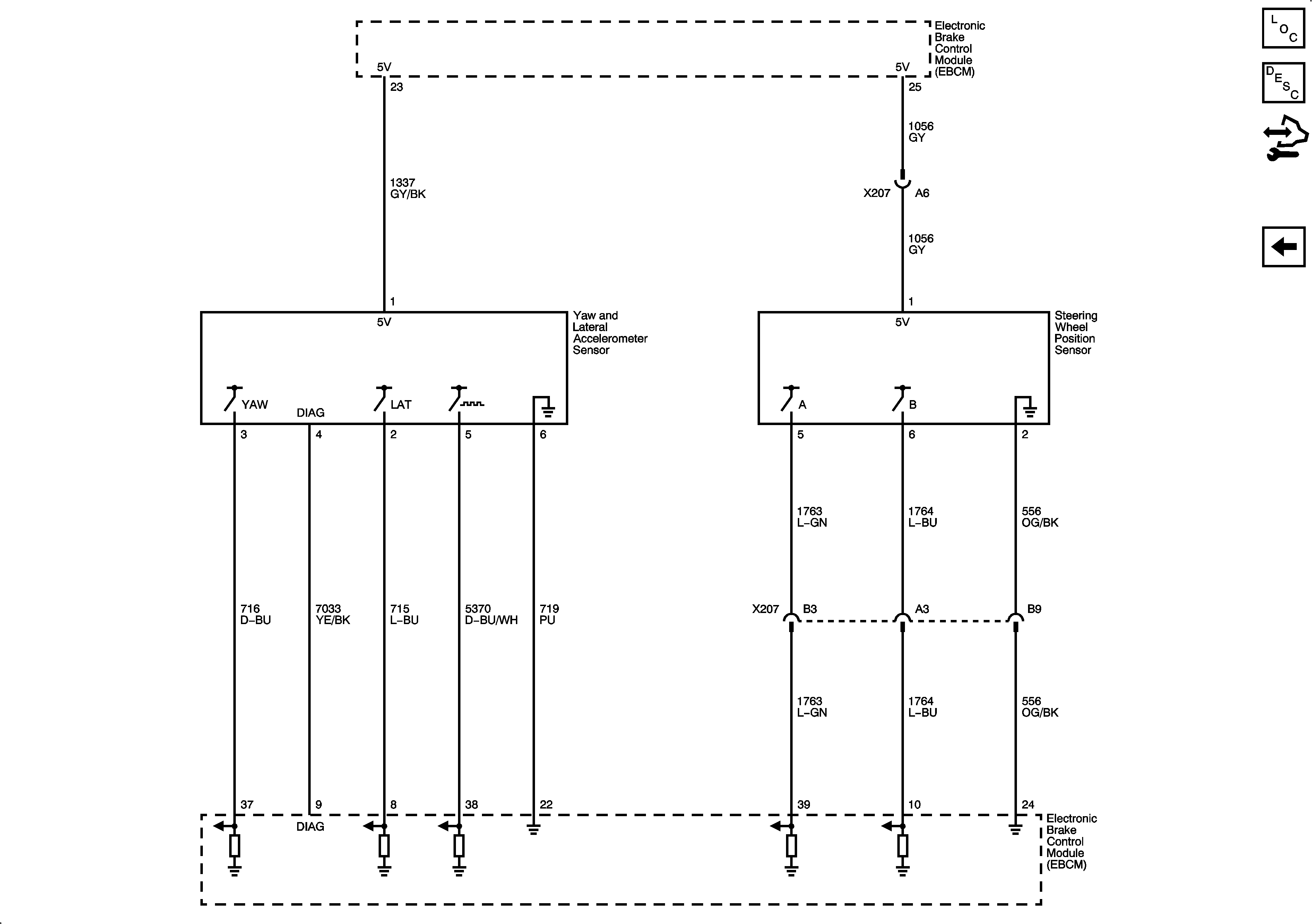
Figure 3:

YAW and Lateral Accelerometer Sensor, and Steering Wheel Position Sensor (FX3)


Object Number: 2078754  Size: FS