GM Service Manual Online
For 1990-2009 cars only
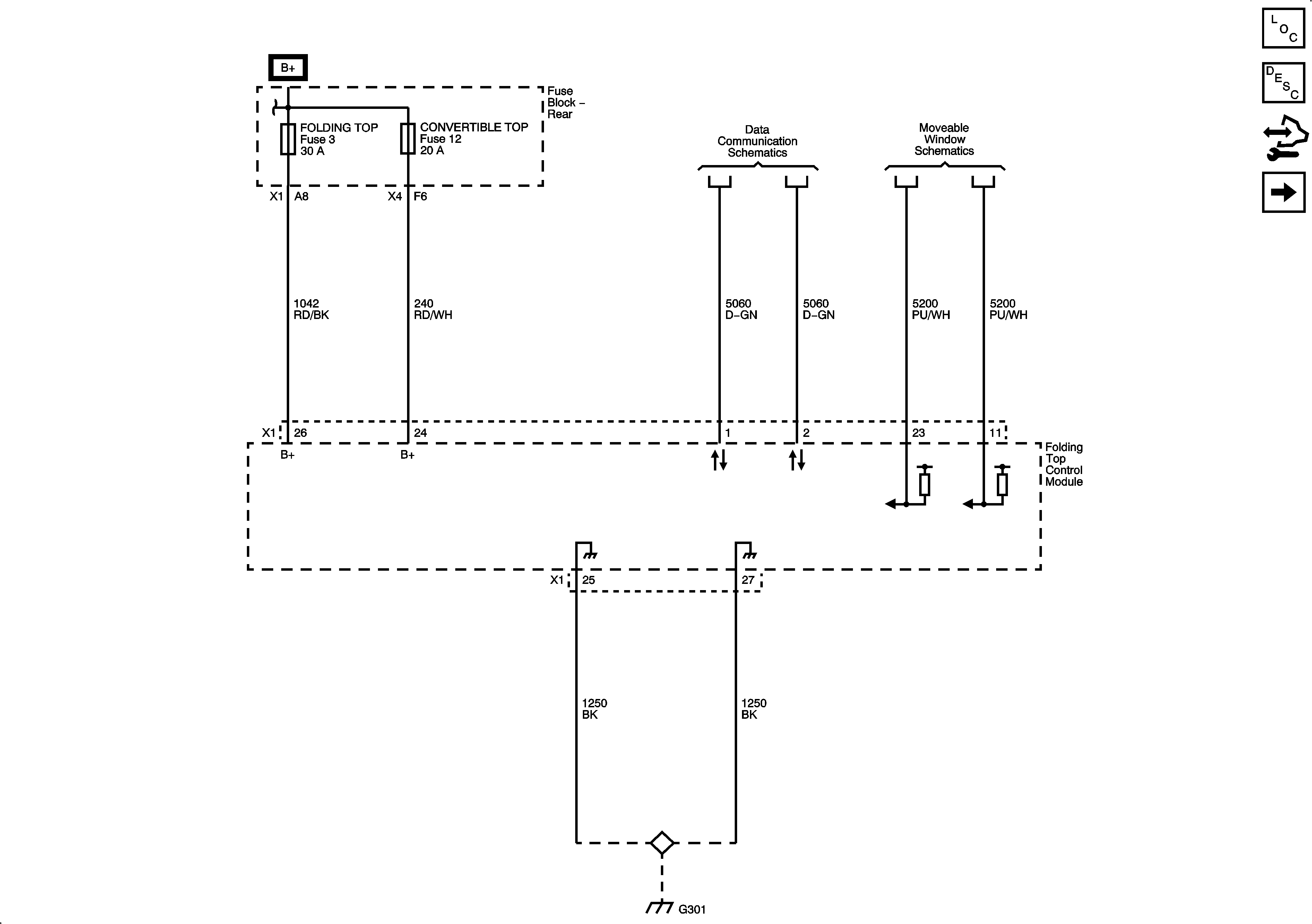
Figure 1:

DLC, Ground, Power and References


Object Number: 2079504  Size: FS
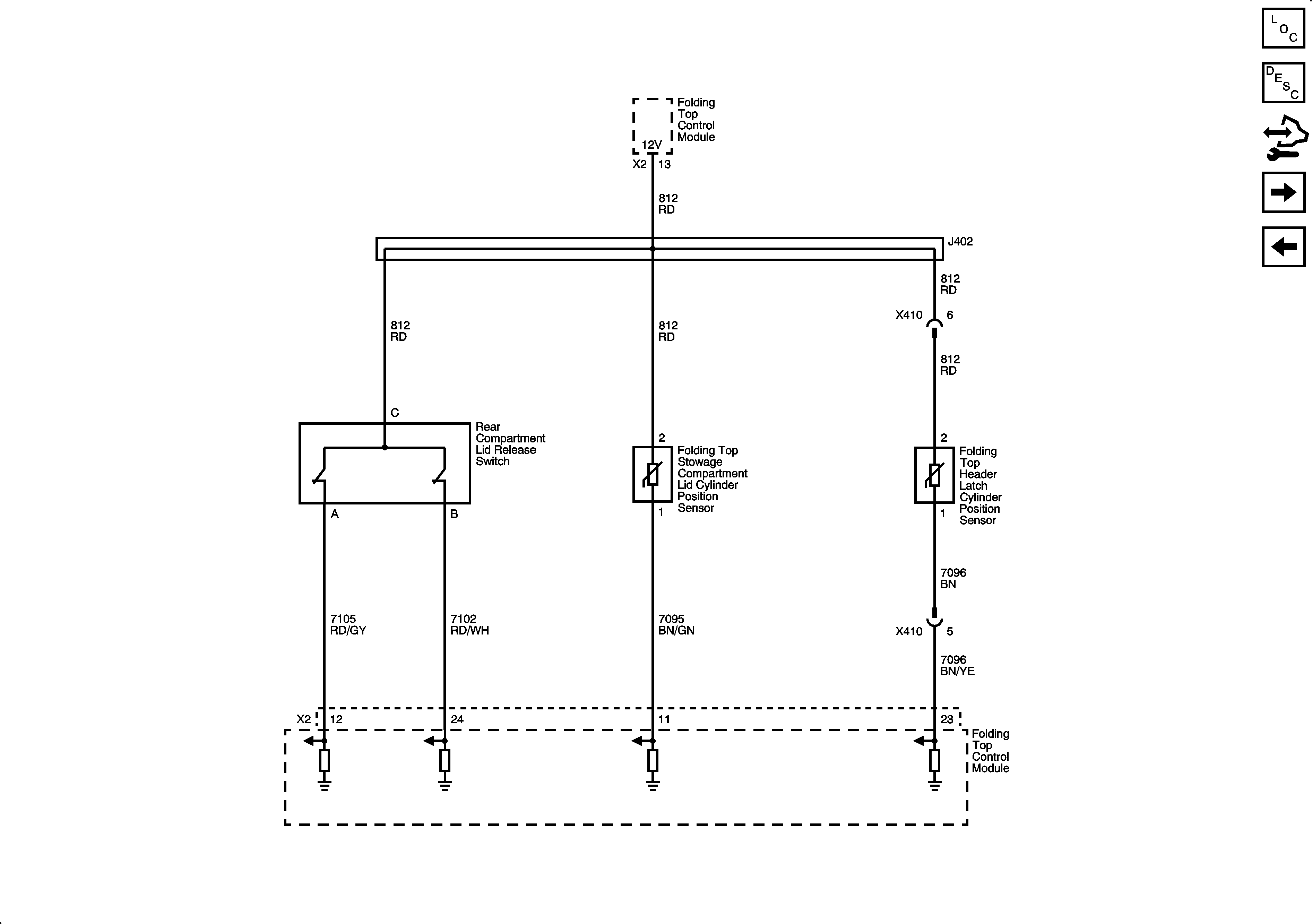
Figure 2:

Sensors


Object Number: 2079510  Size: FS
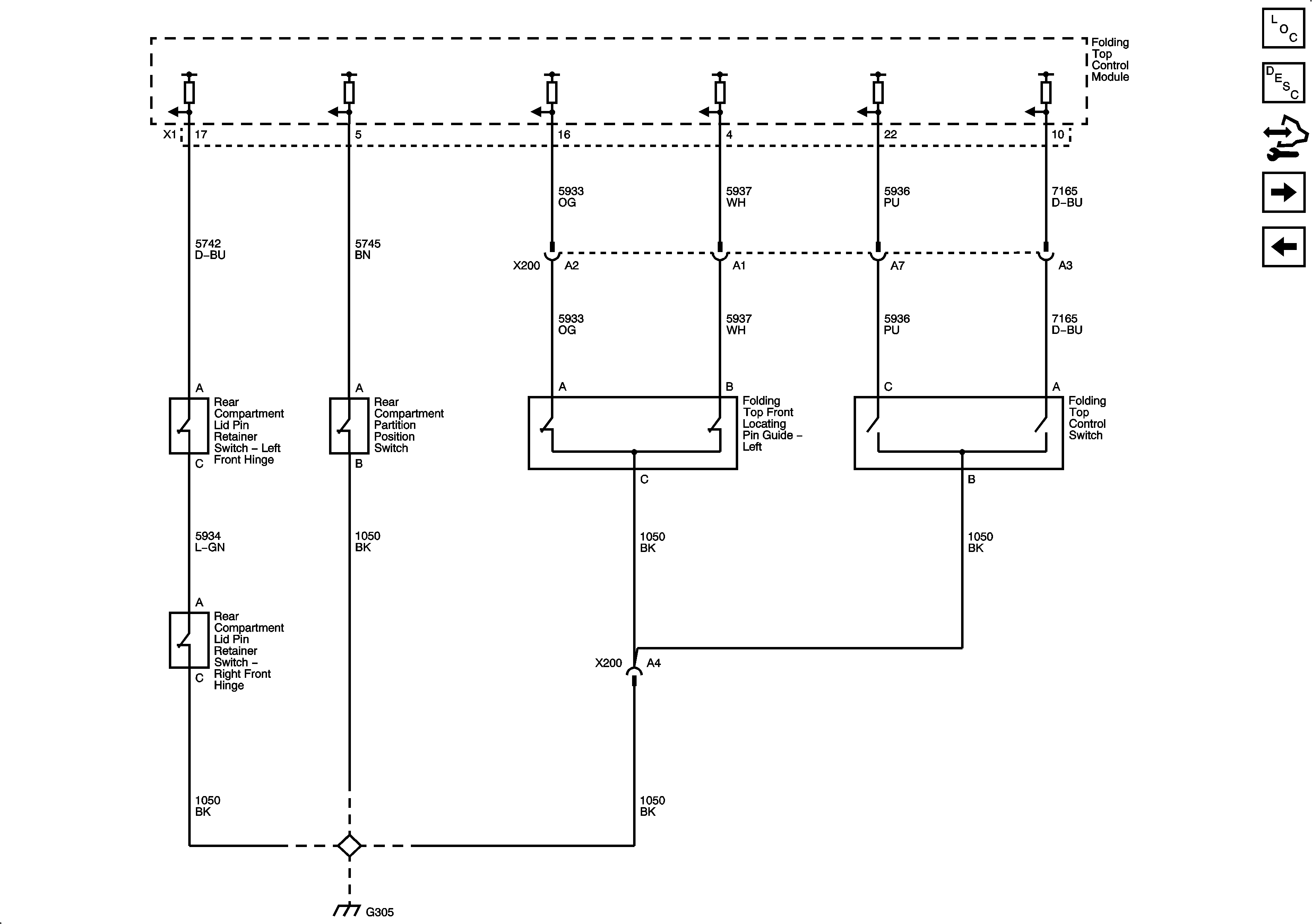
Figure 3:

Switches 1 of 2


Object Number: 2079516  Size: FS
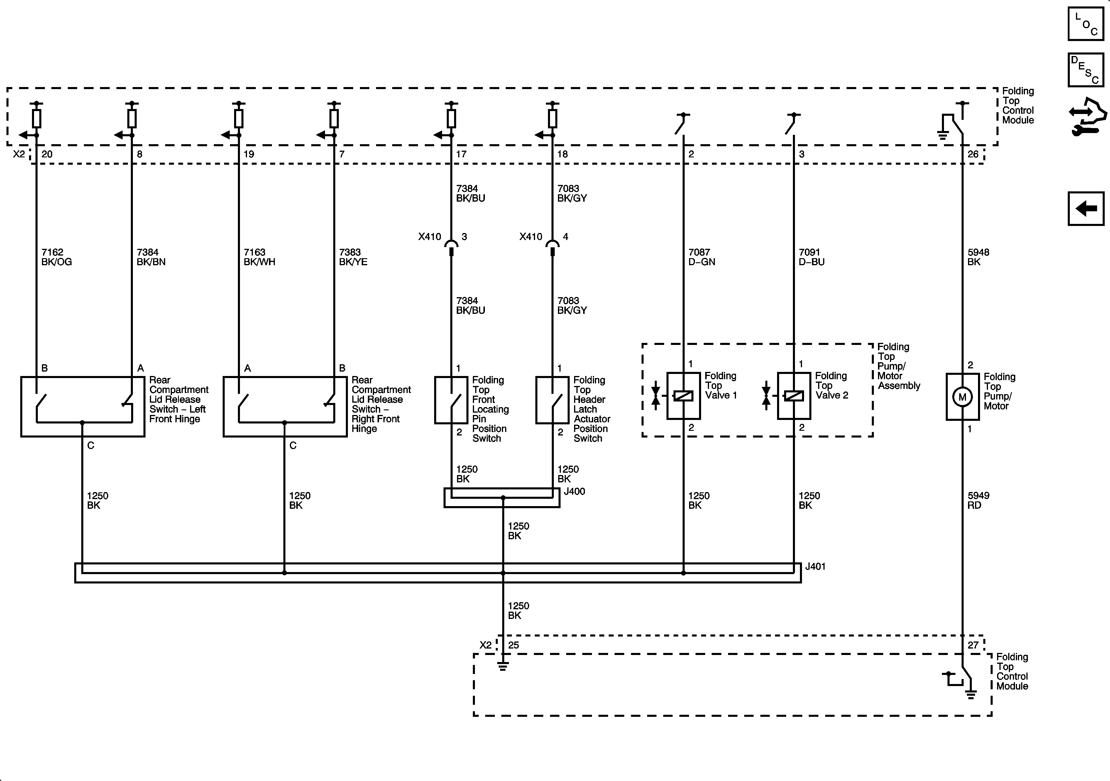
Figure 4:

Switches 2 of 2


Object Number: 2079517  Size: FS