GM Service Manual Online
For 1990-2009 cars only
Makes
🢒
Pontiac
🢒
2009
🢒
G6
🢒
Power and Signal Distribution
🢒
Data Communications
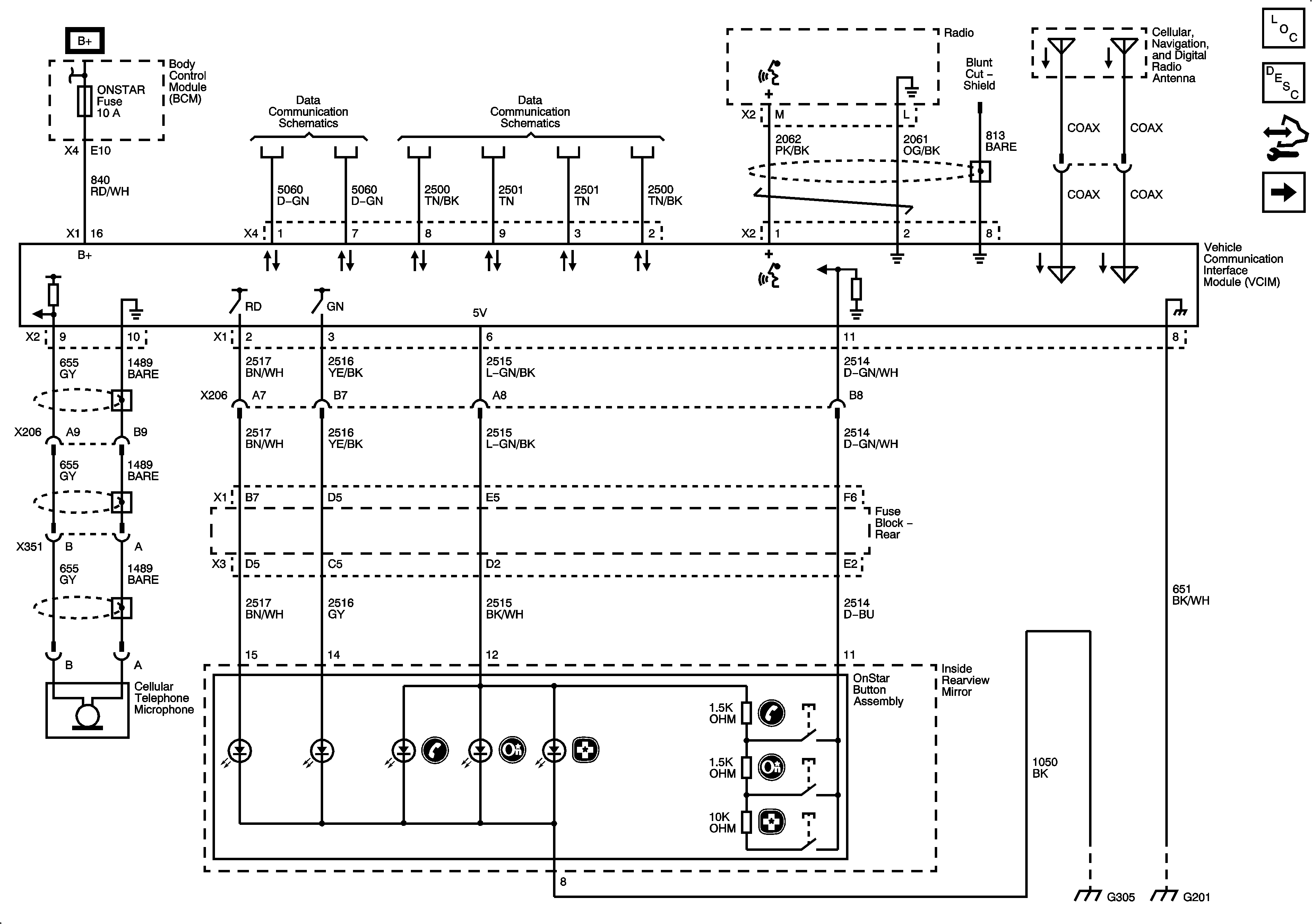
🢒 OnStar Schematics
Figure
1:
Onstar (Coupe/Sedan)
Figure
2:
Onstar (Convertible)