GM Service Manual Online
For 1990-2009 cars only
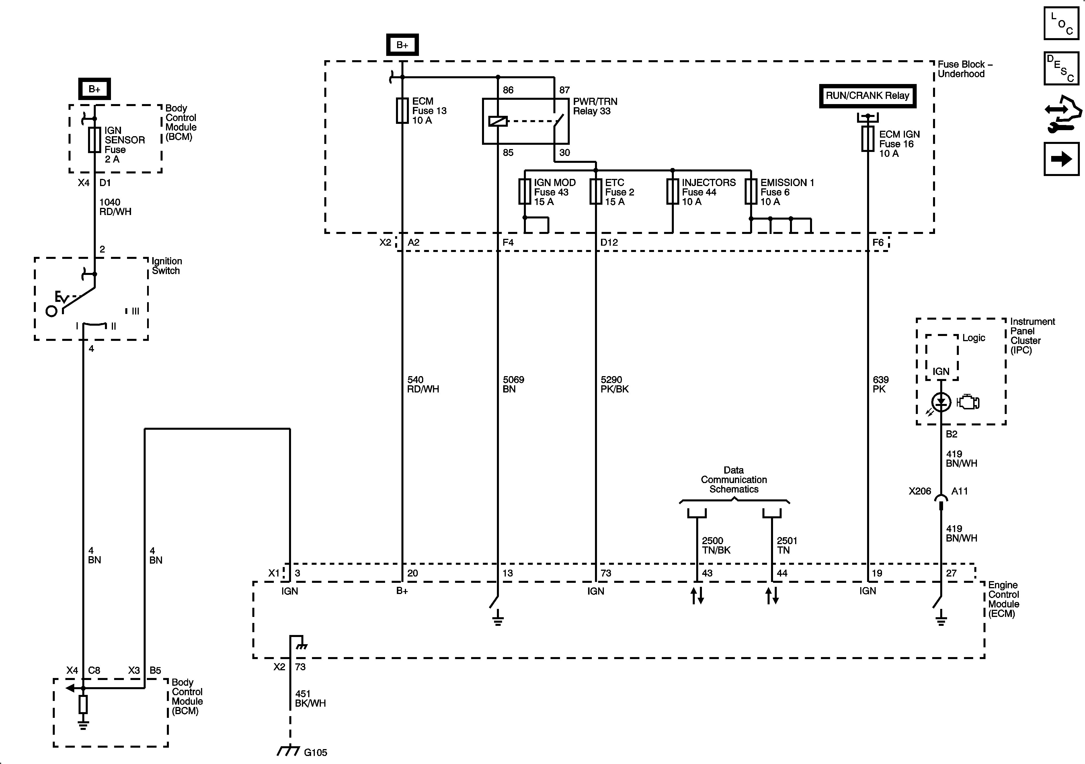
Figure 1:

Module Power, Ground, Serial Data, and MIL


Object Number: 2078883  Size: FS
Figure 2:

5-Volt and Low Reference


Object Number: 2078887  Size: FS
Figure 3:

Engine Data Sensors - Pressure, Temperature, and Throttle Control


Object Number: 2078892  Size: FS
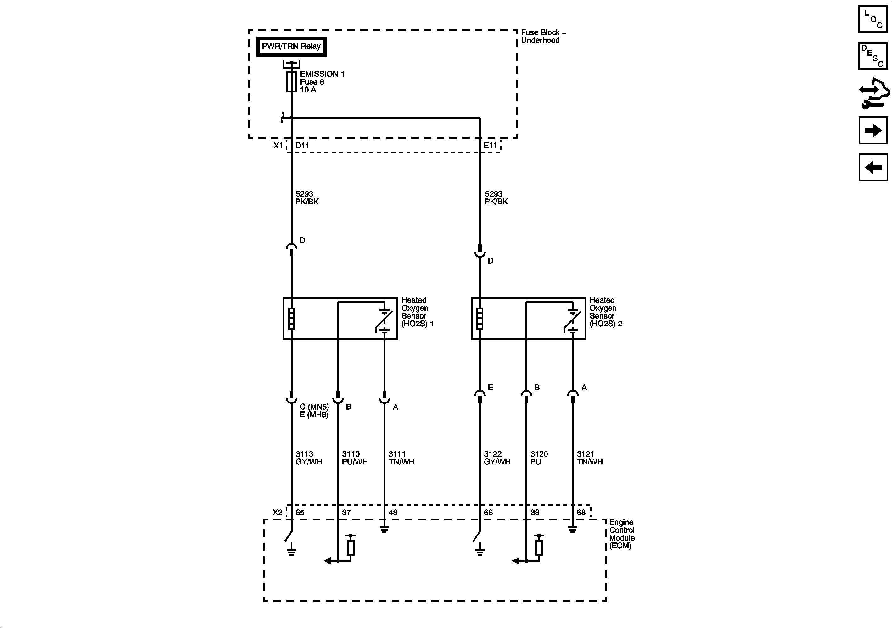
Figure 4:

Engine Data Sensors - HO2S


Object Number: 2078895  Size: FS
Figure 5:

Ignition Controls - Ignition System


Object Number: 2078896  Size: FS
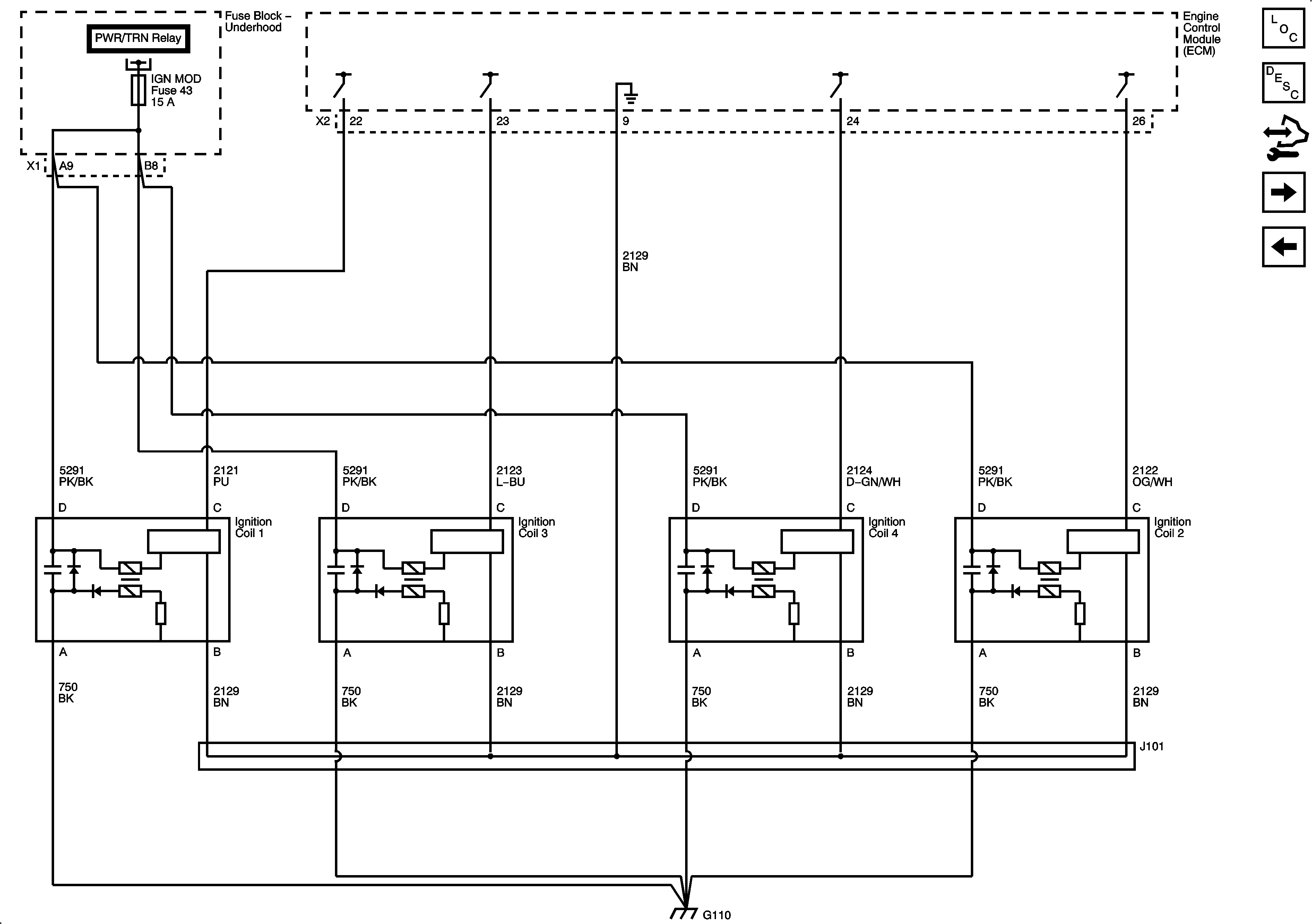
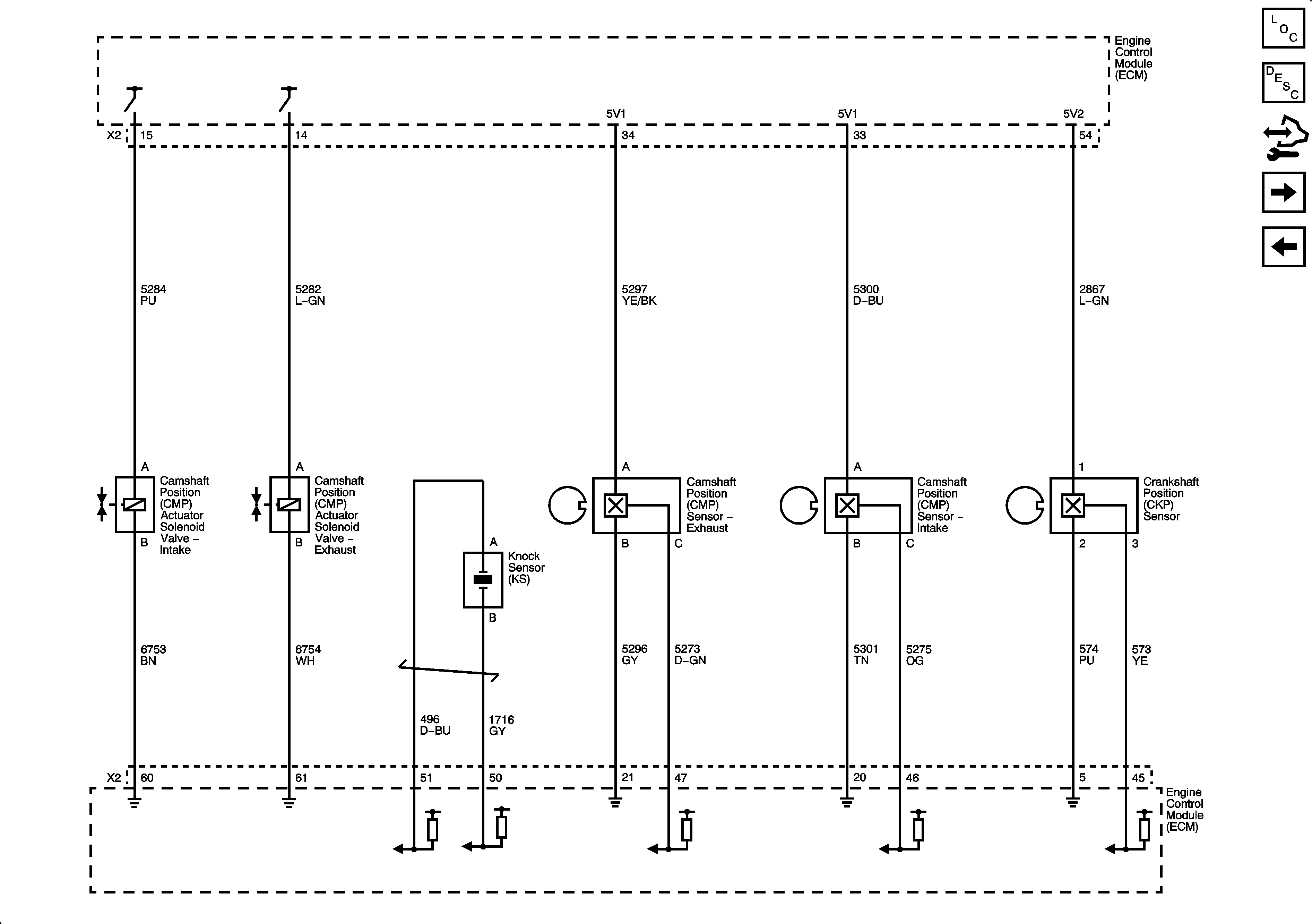
Figure 6:

Ignition Controls - Sensors/Actuators


Object Number: 2078898  Size: FS
Ignition Controls - Ignition System
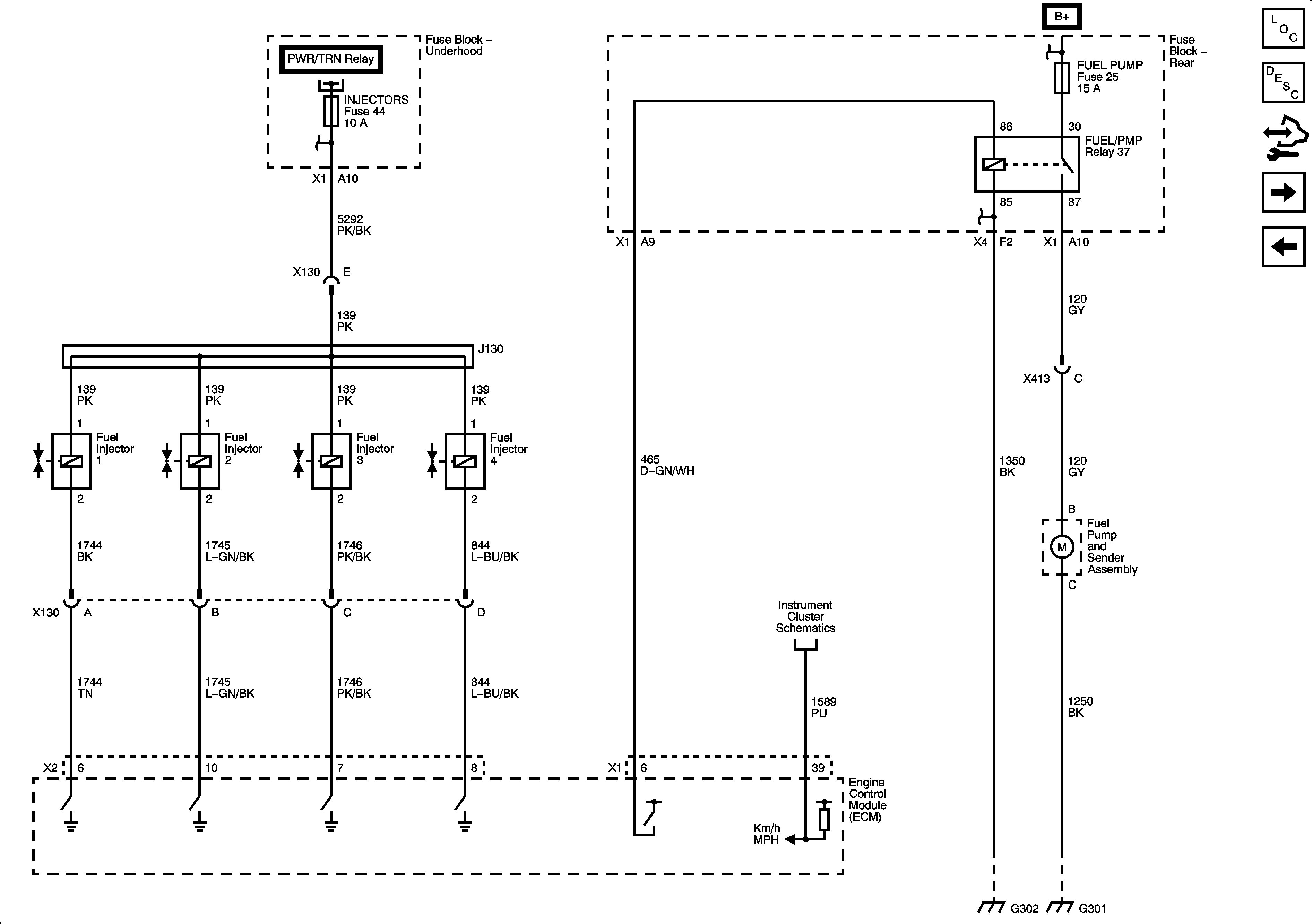
Figure 7:

Fuel Controls - Fuel Injectors and Fuel Pump Controls


Object Number: 2078900  Size: FS
Figure 8:

Fuel Controls - EVAP Controls


Object Number: 2078902  Size: FS
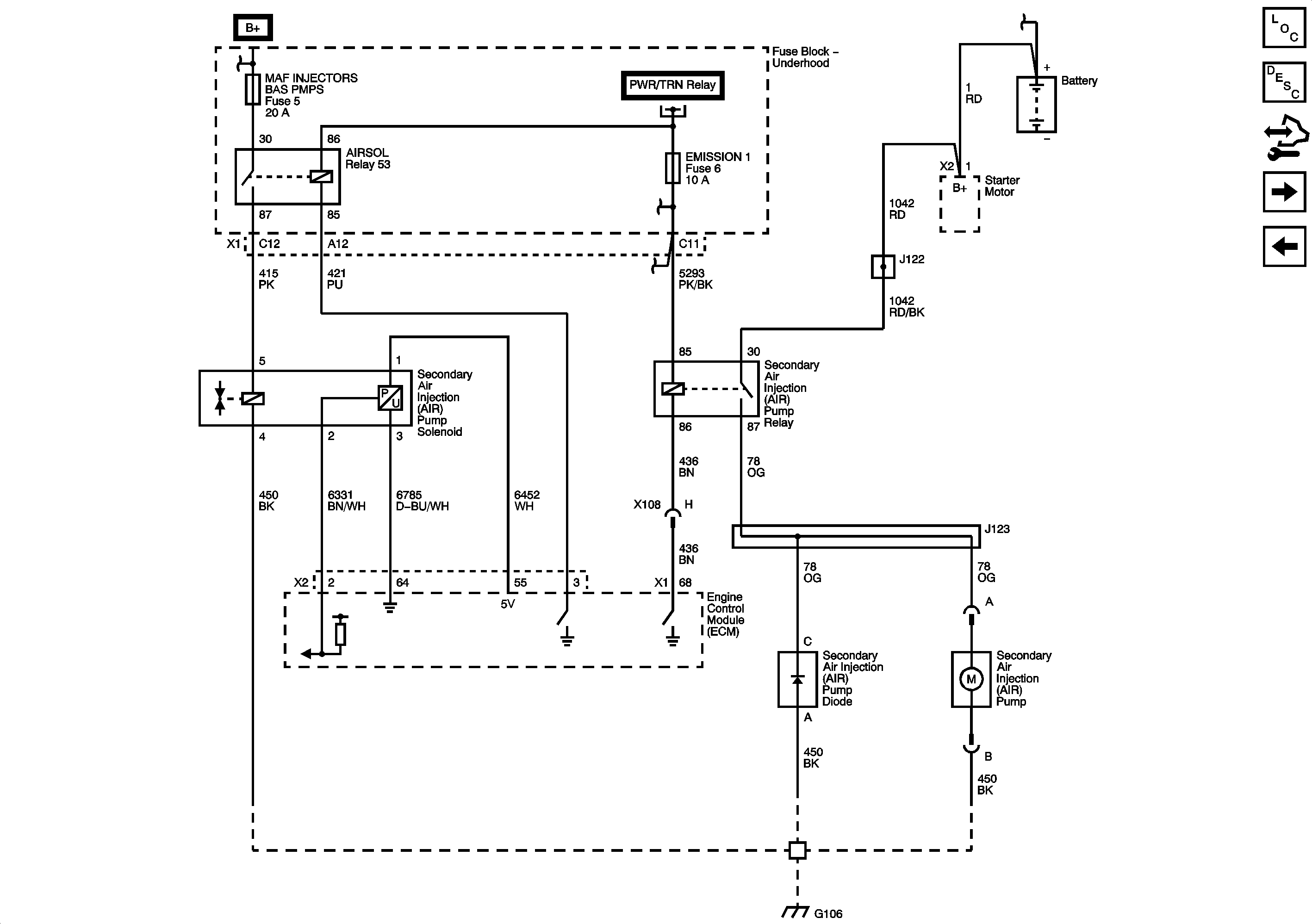
Figure 9:

Secondary Air Injection (AIR) (NU6)


Object Number: 2150129  Size: FS
Figure 10:

Controlled/Monitored Subsystem References


Object Number: 2078904  Size: FS