GM Service Manual Online
For 1990-2009 cars only
Makes
🢒
Pontiac
🢒
2009
🢒
G6
🢒
Seats
🢒
Seat Heating and Cooling
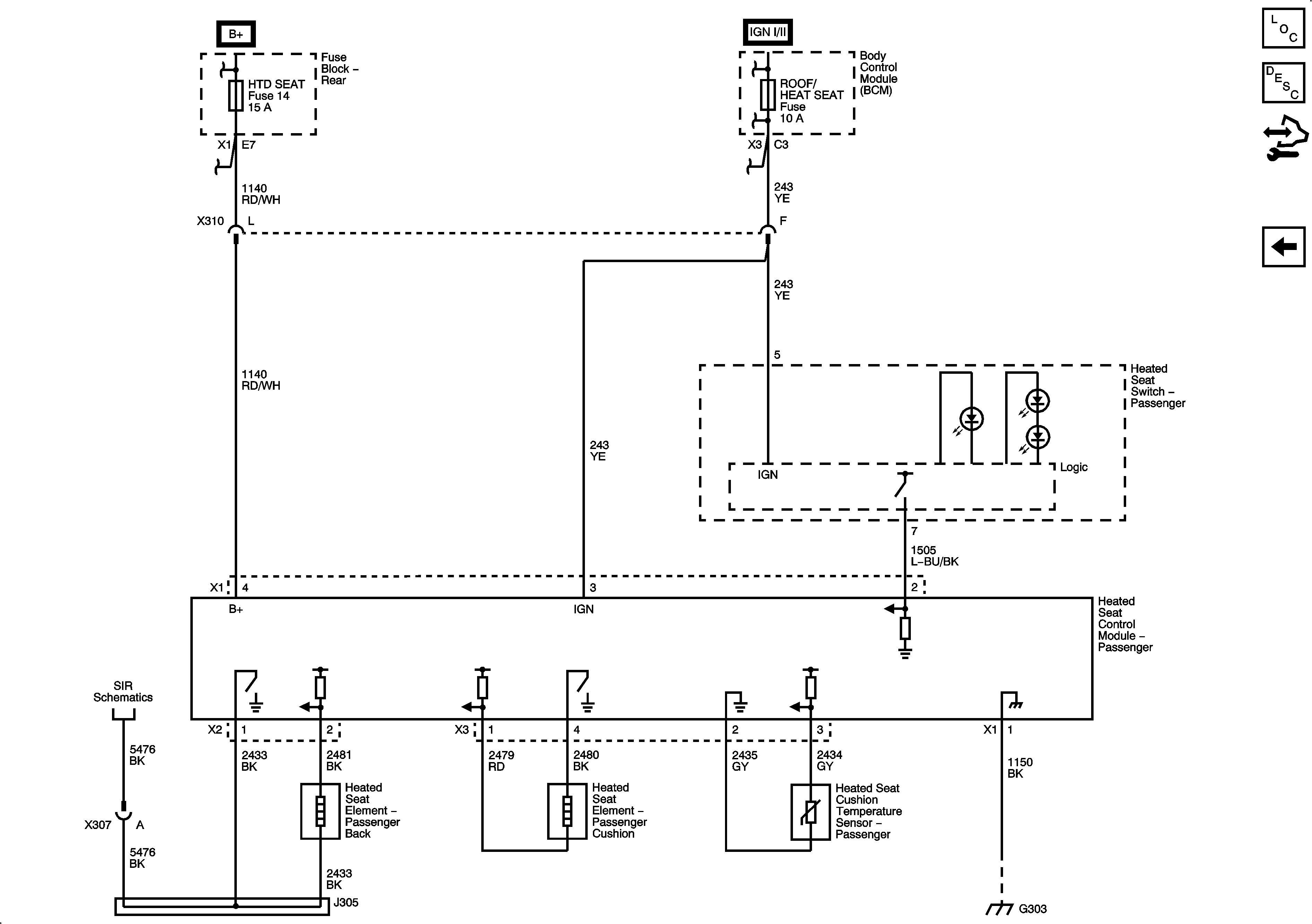
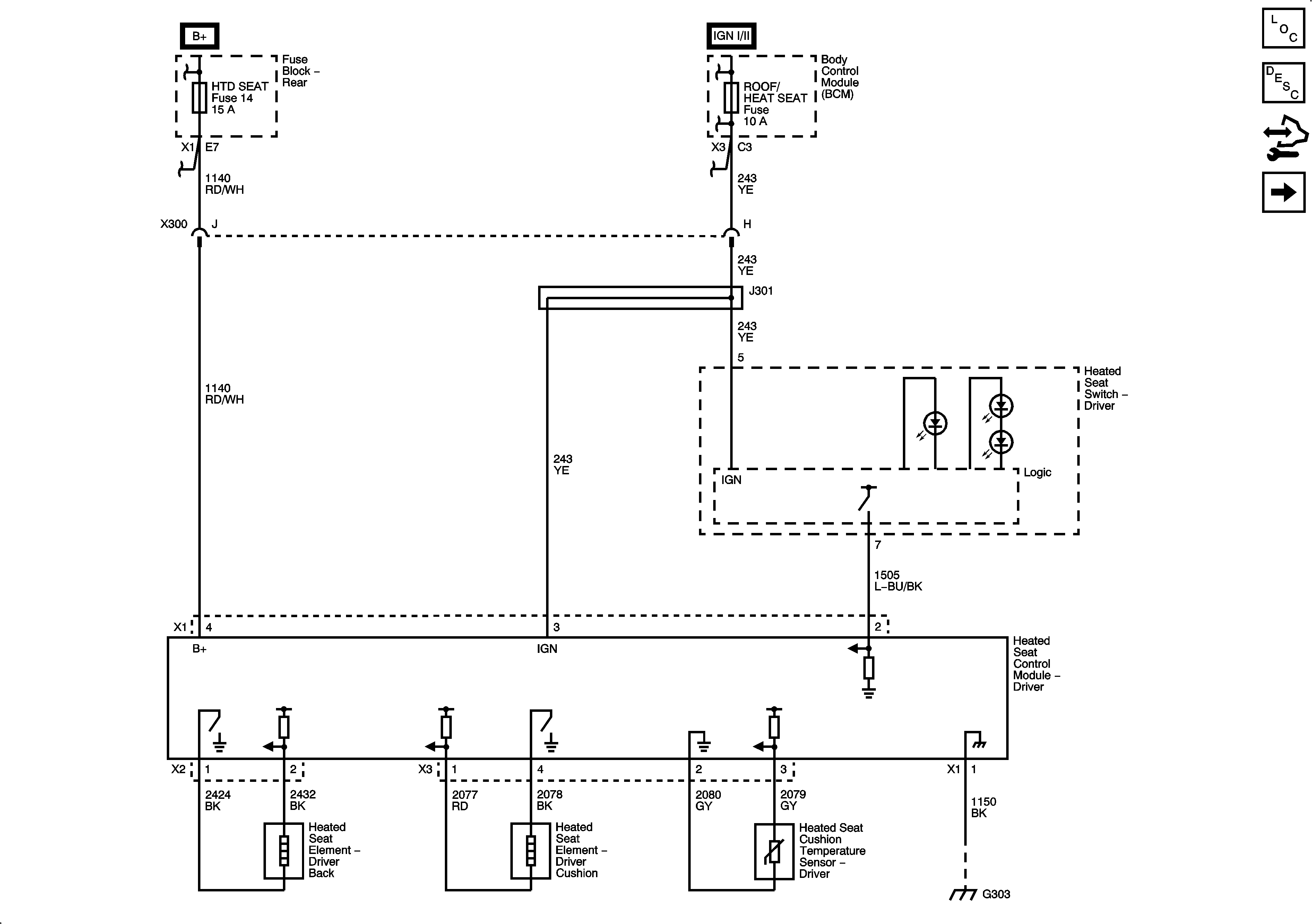
🢒 Heated/Cooled Seat Schematics
Figure
1:
Driver Seat
Figure
2:
Passenger Seat