GM Service Manual Online
For 1990-2009 cars only
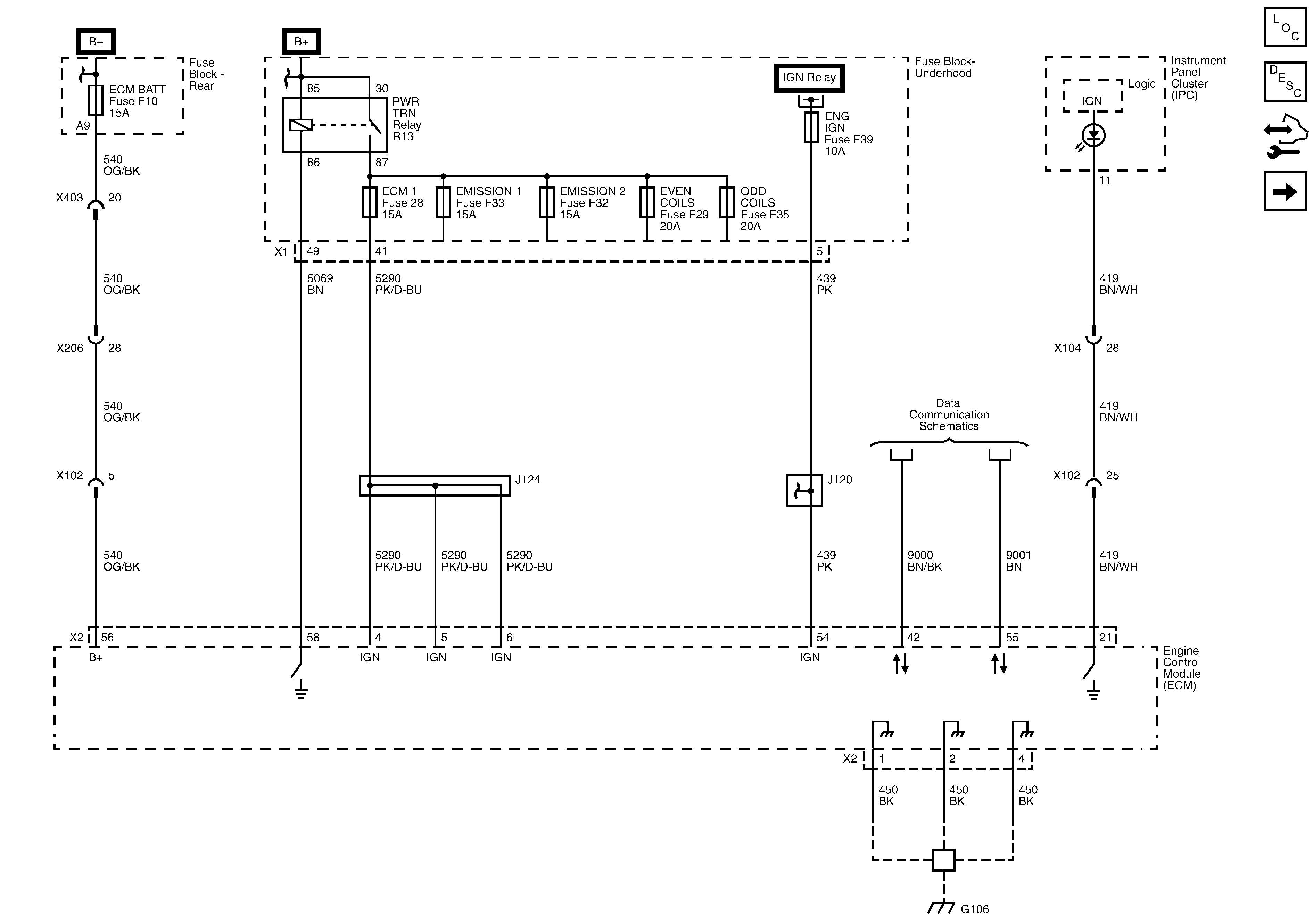
Figure 1:

Module Power, Ground and Serial Data


Object Number: 2034157  Size: FS
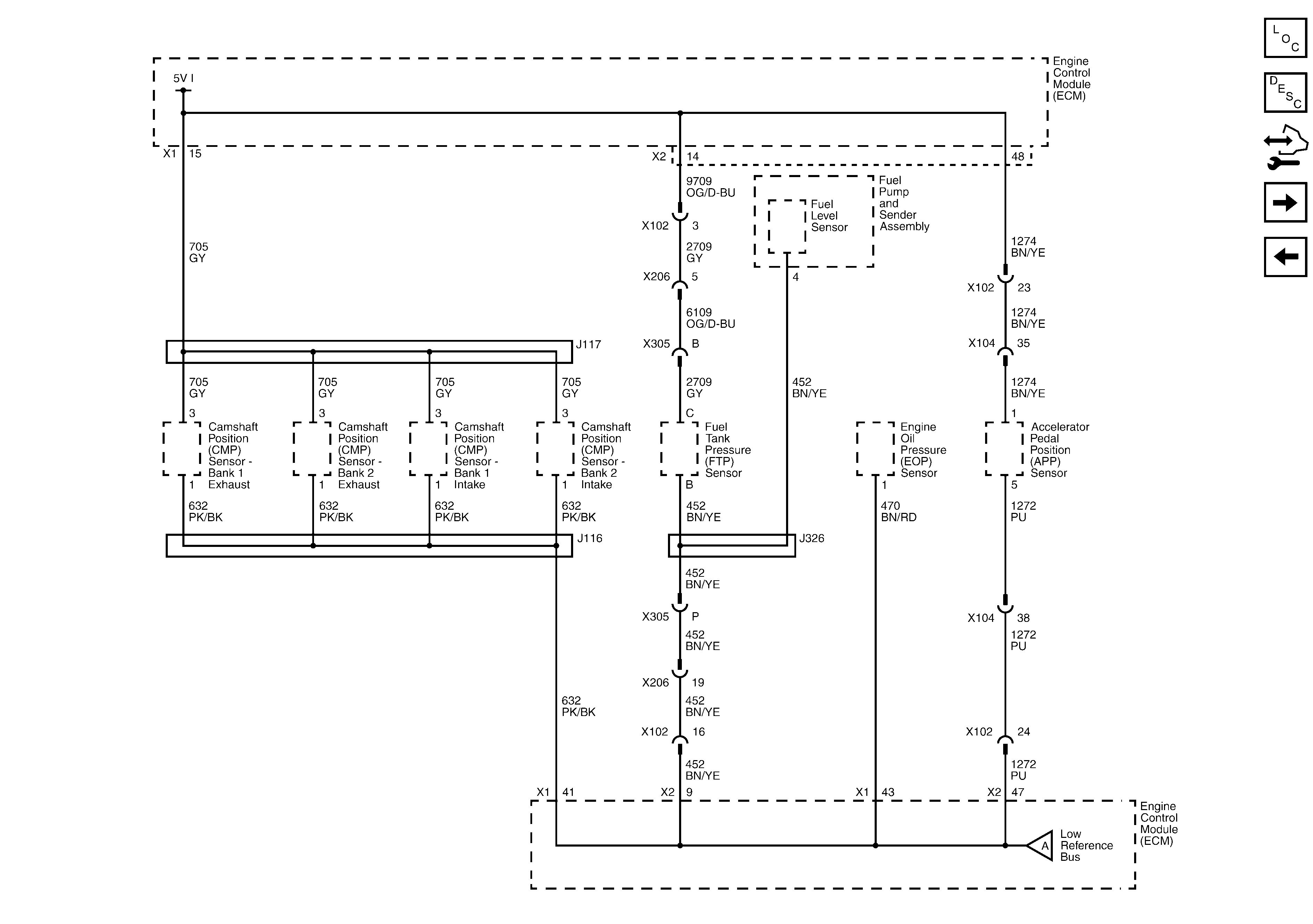
Figure 2:

Engine Data Sensors - 5-Volt and Low Reference 1 of 2


Object Number: 2034156  Size: FS
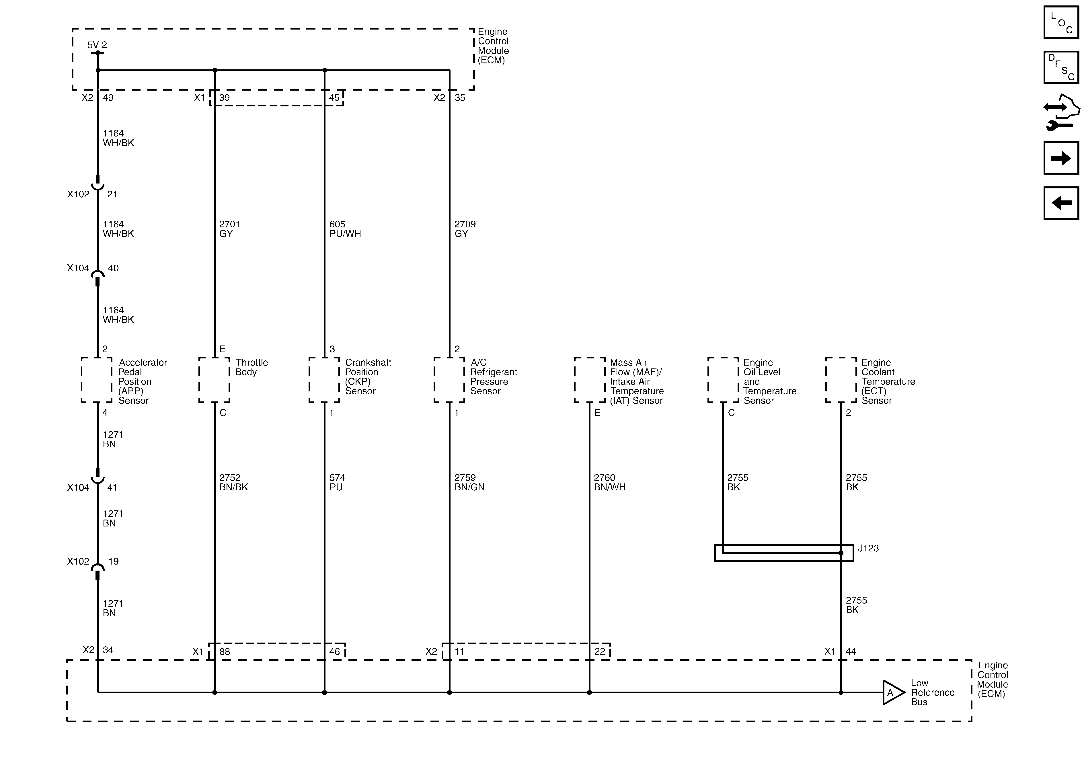
Figure 3:

Engine Data Sensors - 5-Volt and Low Reference 2 of 2


Object Number: 2034165  Size: FS
Figure 4:

Engine Data Sensors - Pressure and Temperature


Object Number: 2034168  Size: FS
Figure 5:

Engine Data Sensors - Oxygen Sensors


Object Number: 2034166  Size: FS
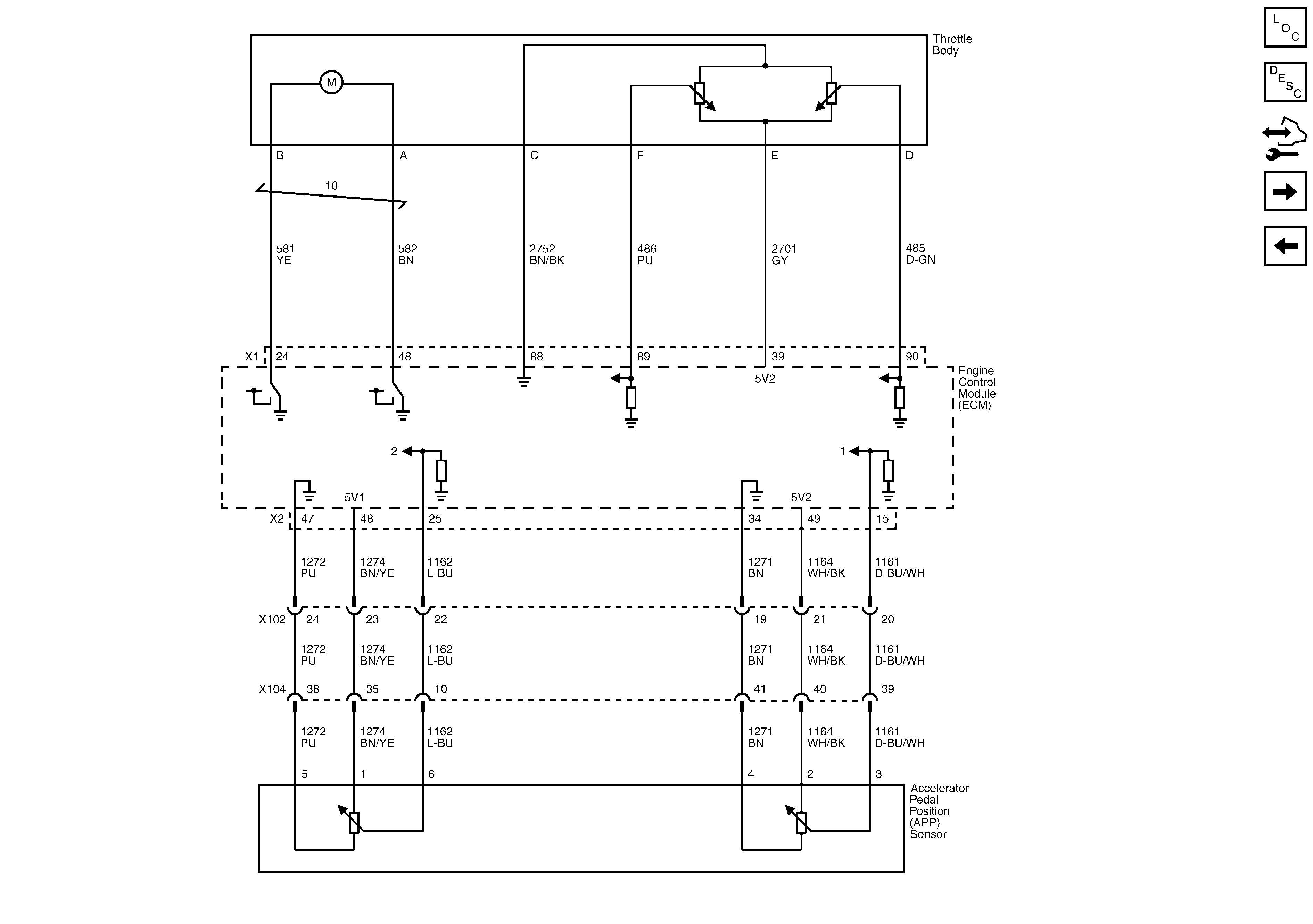
Figure 6:

Engine Data Sensors - Throttle Controls


Object Number: 2034134  Size: FS
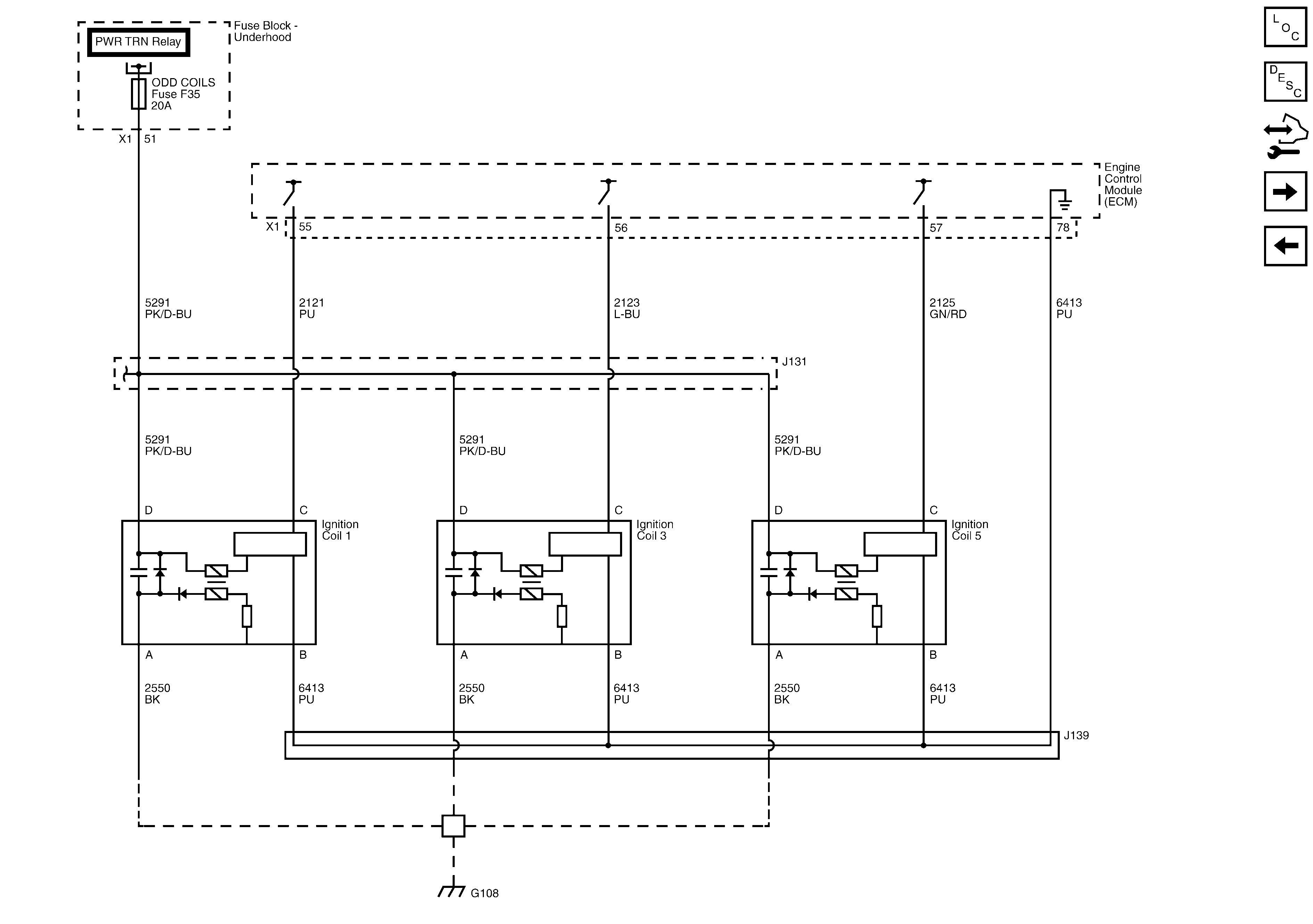
Figure 7:

Ignition Controls - Ignition System Coils 1, 3, and 5


Object Number: 2034158  Size: FS
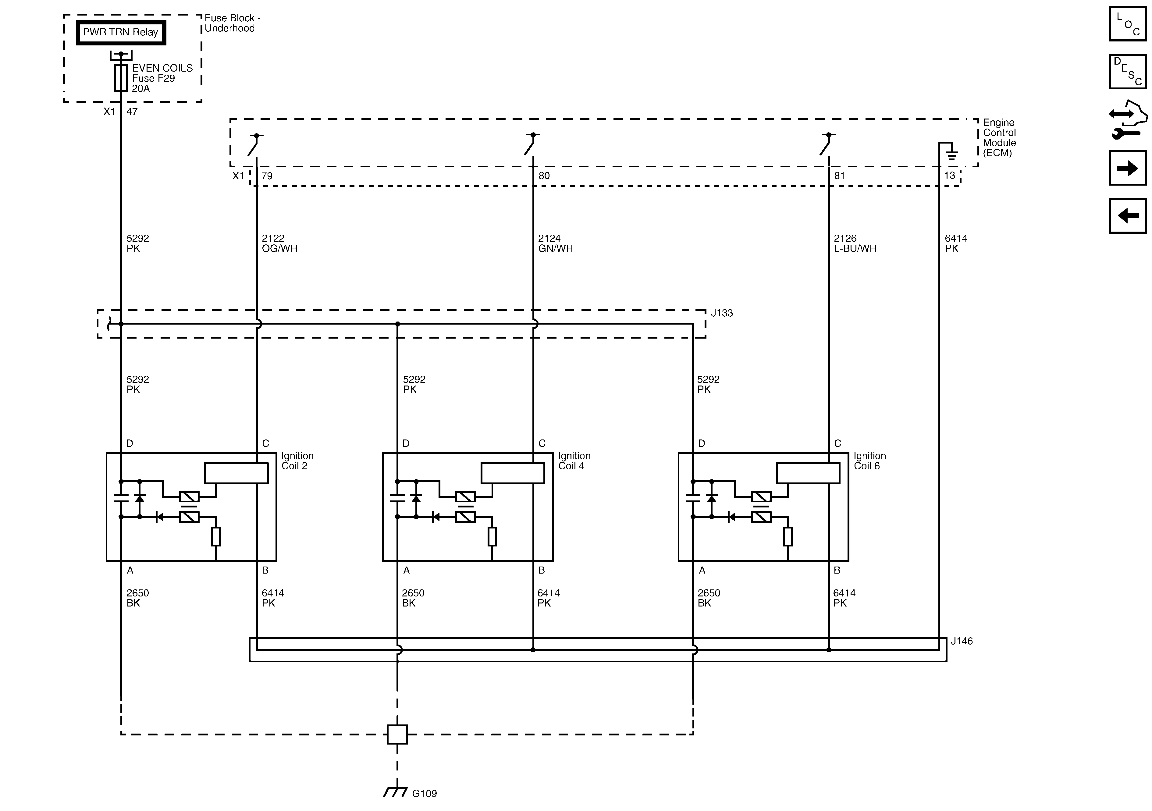
Figure 8:

Ignition Controls - Ignition System Coils 2, 4, and 6


Object Number: 2034164  Size: FS
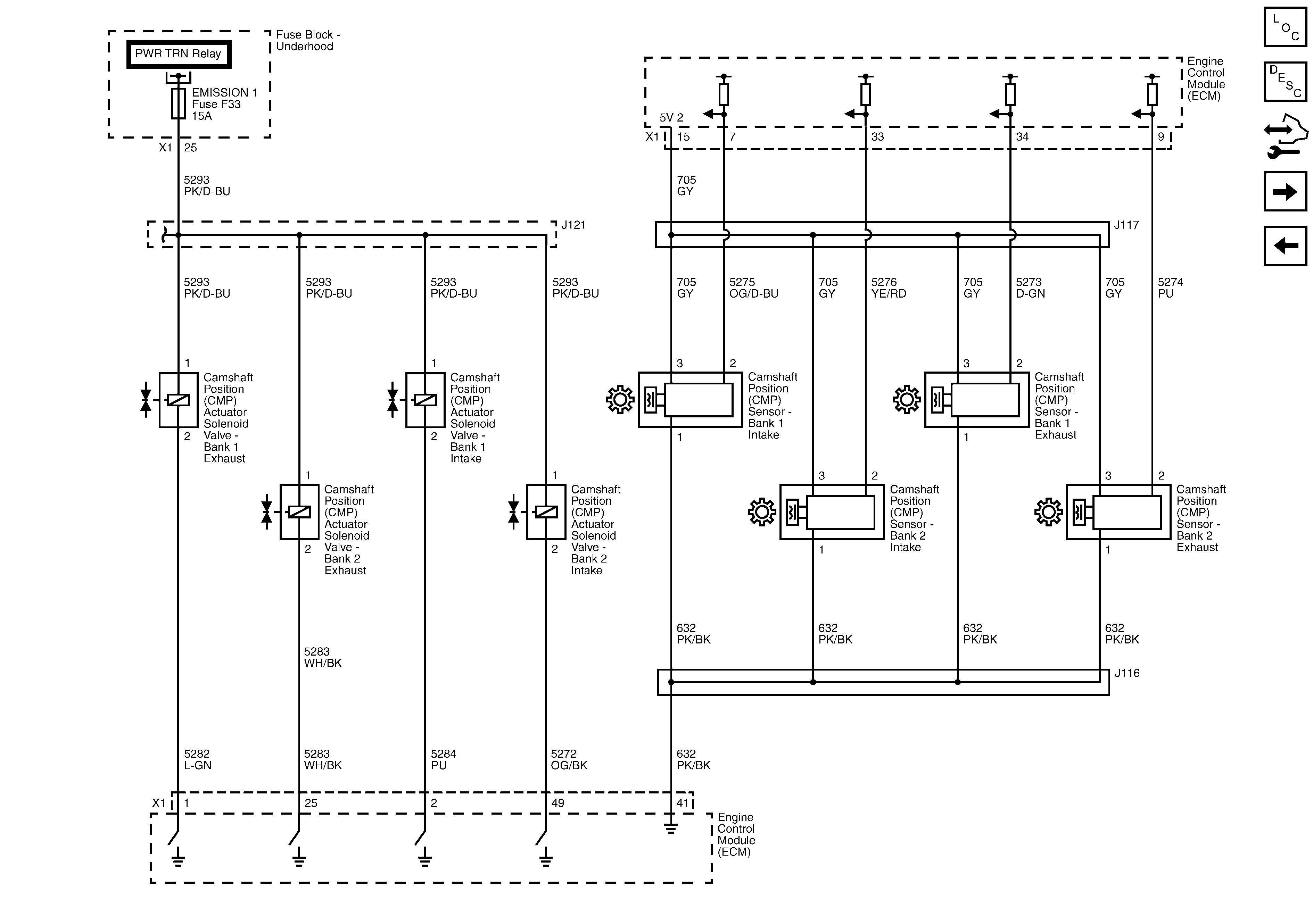
Figure 9:

Ignition Controls - Sensors 1 of 2


Object Number: 2034153  Size: FS
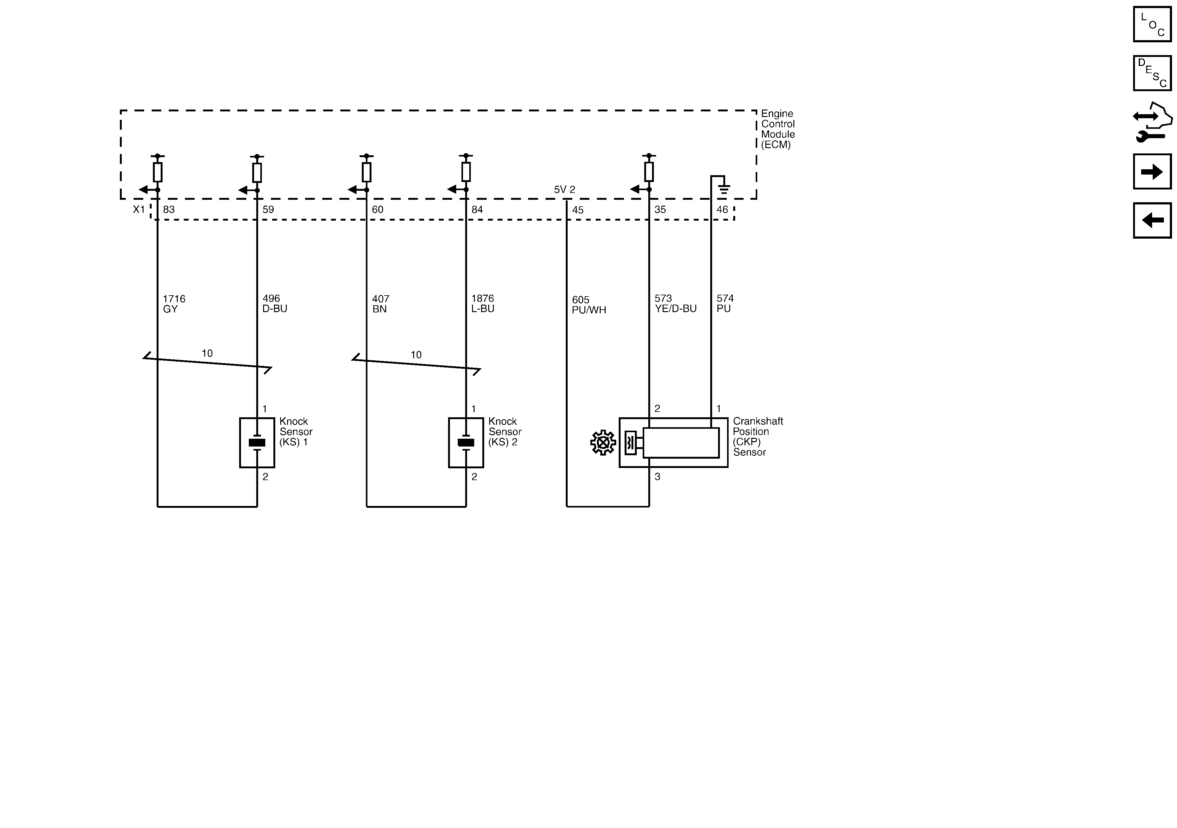
Figure 10:

Ignition Controls - Sensors 2 of 2


Object Number: 2034167  Size: FS
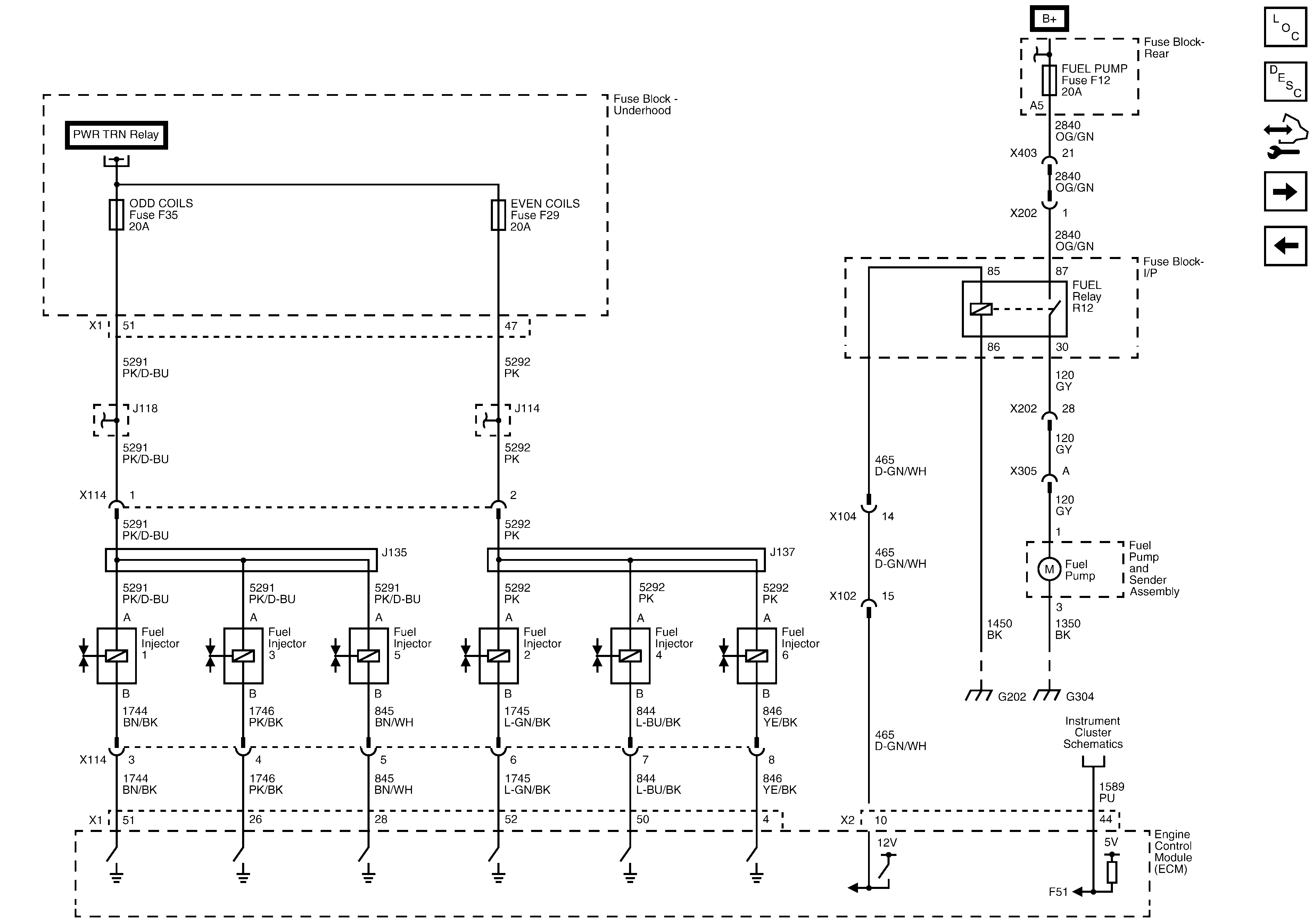
Figure 11:

Fuel Controls - Fuel Pump and Injector Controls


Object Number: 2034161  Size: FS
Figure 12:

Fuel Controls - EVAP Controls


Object Number: 2034159  Size: FS
Figure 13:

Controlled/Monitored Subsystem References


Object Number: 2034139  Size: FS