GM Service Manual Online
For 1990-2009 cars only

Removal Procedure

Tools Required

    • J 41476
    • J 41479
  1. Remove the transmission assembly. Refer to Transmission Replacement.
  2. Remove the flywheel assembly. Refer to Engine Flywheel Removal.

  3. Object Number: 2134379  Size: SH
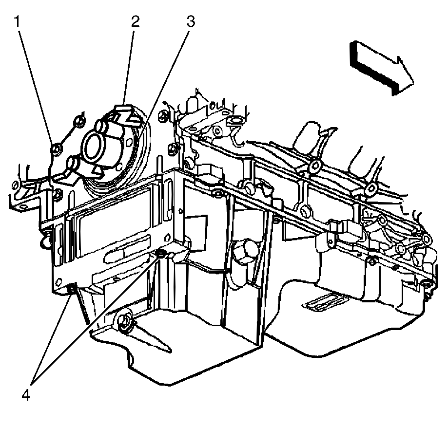
  4. Remove the oil pan to rear oil seal housing bolts (1).

  5. Object Number: 2134380  Size: SH
  6. Remove the rear oil seal housing to engine block bolts (3).
  7. Remove the rear oil seal housing (2) from the engine block (5).
  8. Remove the rear oil seal housing gasket (1) from the engine block (5).
  9. Discard the rear oil seal housing gasket (1).

  10. Remove the rear crankshaft oil seal (4) from the rear oil seal housing (2).
  11. Discard the rear oil seal (4).

Installation Procedure - Cover with Seal


    Object Number: 2134381  Size: SH
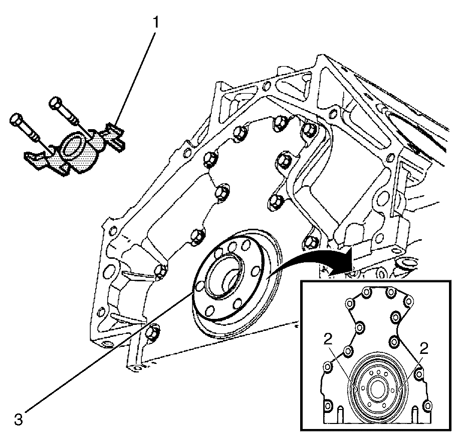
  1. Inspect the rear oil gallery plug (1) for correct installation to the engine block (2).

  2. Object Number: 2134384  Size: SH
  3. Apply a 5 mm (0.2 in) bead of sealant 20 mm (0.8 in) long to the surfaces (1) of the oil pan (2) and engine block (3).

  4. Object Number: 2134386  Size: SH
  5. Install the J 41479  (5) to the crankshaft (6).
  6. Important: Install a new rear oil seal housing gasket (1). Failure to comply may lead to an oil leak.

    Important: Make sure that the rear oil seal housing gasket contact surfaces are clean and dry. Failure to comply may lead to an oil leak.

  7. Install the new rear oil seal housing gasket (1) to the engine block (7).
  8. Important: The rear oil seal housing must be aligned with J 41479 . Failure to comply may cause the rear crankshaft seal to wear prematurely.

  9. Install the rear oil seal housing (2) to the engine block (7).
  10. Notice: Refer to Fastener Notice in the Preface section.

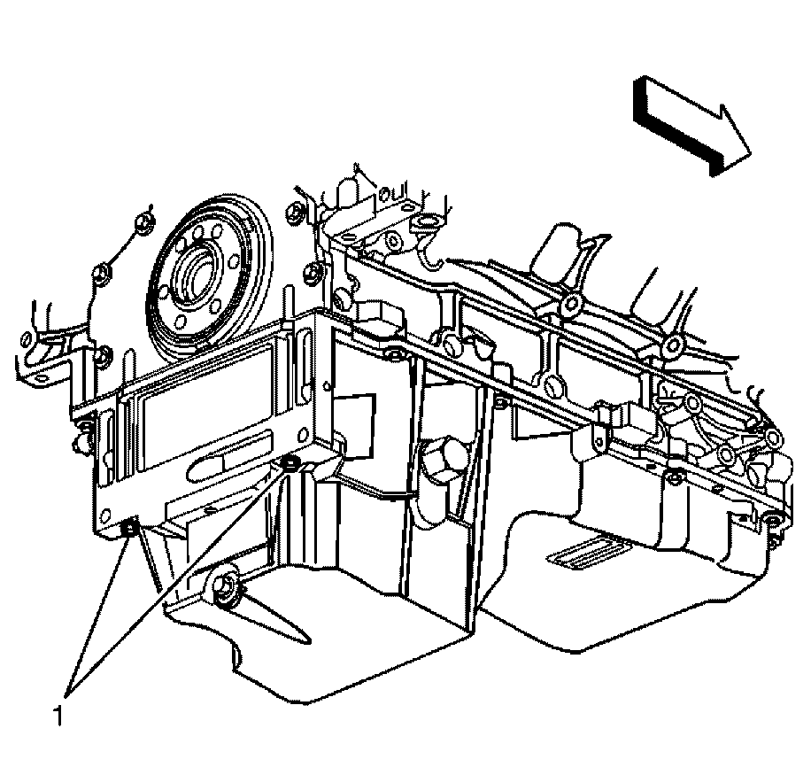
  11. Install the rear oil seal housing to engine block bolts (3). Finger tighten only at this stage.
  12. Install the oil pan to rear oil seal housing bolts (4).
  13. Tighten
    Tighten the bolts to 12 N·m (106 lb in).

  14. Tighten the rear oil seal housing to engine block bolts (3).
  15. Tighten
    Tighten the bolts to 30 N·m (22 lb ft).

  16. Remove the J 41479  (5) from the crankshaft (6).
  17. Install the engine flywheel assembly. Refer to Engine Flywheel Replacement.
  18. Install the transmission assembly. Refer to Transmission Replacement.

Installation Procedure - Cover without Seal


    Object Number: 2134381  Size: SH
  1. Inspect the rear oil gallery plug (1) for correct installation to the engine block (2).

  2. Object Number: 2134384  Size: SH
  3. Apply a 5 mm (0.2 in) bead of sealant 20 mm (0.8 in) long to the surfaces (1) of the oil pan (2) and engine block (3).

  4. Object Number: 2134387  Size: SH

    Important: Install a new rear oil seal housing gasket (1).

    Important: Make sure that the rear oil seal housing gasket contact surfaces are clean and dry.

  5. Install the new rear oil seal housing gasket (1) to the engine block (5).
  6. Install the rear oil seal housing (2) to the engine block (5).
  7. Notice: Refer to Fastener Notice in the Preface section.

  8. Install the rear oil seal housing to engine block bolts (3). Finger tighten only at this stage.
  9. Install the oil pan to rear housing bolts (4). Finger tighten only at this stage.

  10. Object Number: 2134388  Size: SH

    Important: The rear oil seal housing MUST be aligned to the crankshaft using J 41476  (1). Failure to comply may cause the rear crankshaft seal to wear prematurely.

    Important: Align the J 41476 l (1) with the slots (2)

    Important: The legs of the J 41476 l (1) must enter the oil seal bore.

  11. Install the J 41476  (1) to the crankshaft (3).

  12. Object Number: 2134389  Size: SH
  13. Tighten the oil pan to rear housing bolts (4).
  14. Tighten
    Tighten the bolts to 12 N·m (106 lb in).

  15. Tighten the rear oil seal housing to engine block bolts (1).
  16. Tighten
    Tighten the bolts to 30 N·m (22 lb ft).

  17. Remove the J 41476  (2) from the crankshaft (3).
  18. Install a new crankshaft rear oil seal. Refer to Crankshaft Rear Oil Seal Replacement.
  19. Install the engine flywheel assembly. Refer to Engine Flywheel Replacement.
  20. Install the transmission assembly. Refer to Transmission Replacement.