GM Service Manual Online
For 1990-2009 cars only
Makes
🢒
Pontiac
🢒
2008
🢒
G8
🢒
Diagnostic Navigation
🢒
Vehicle Diagnostic Information
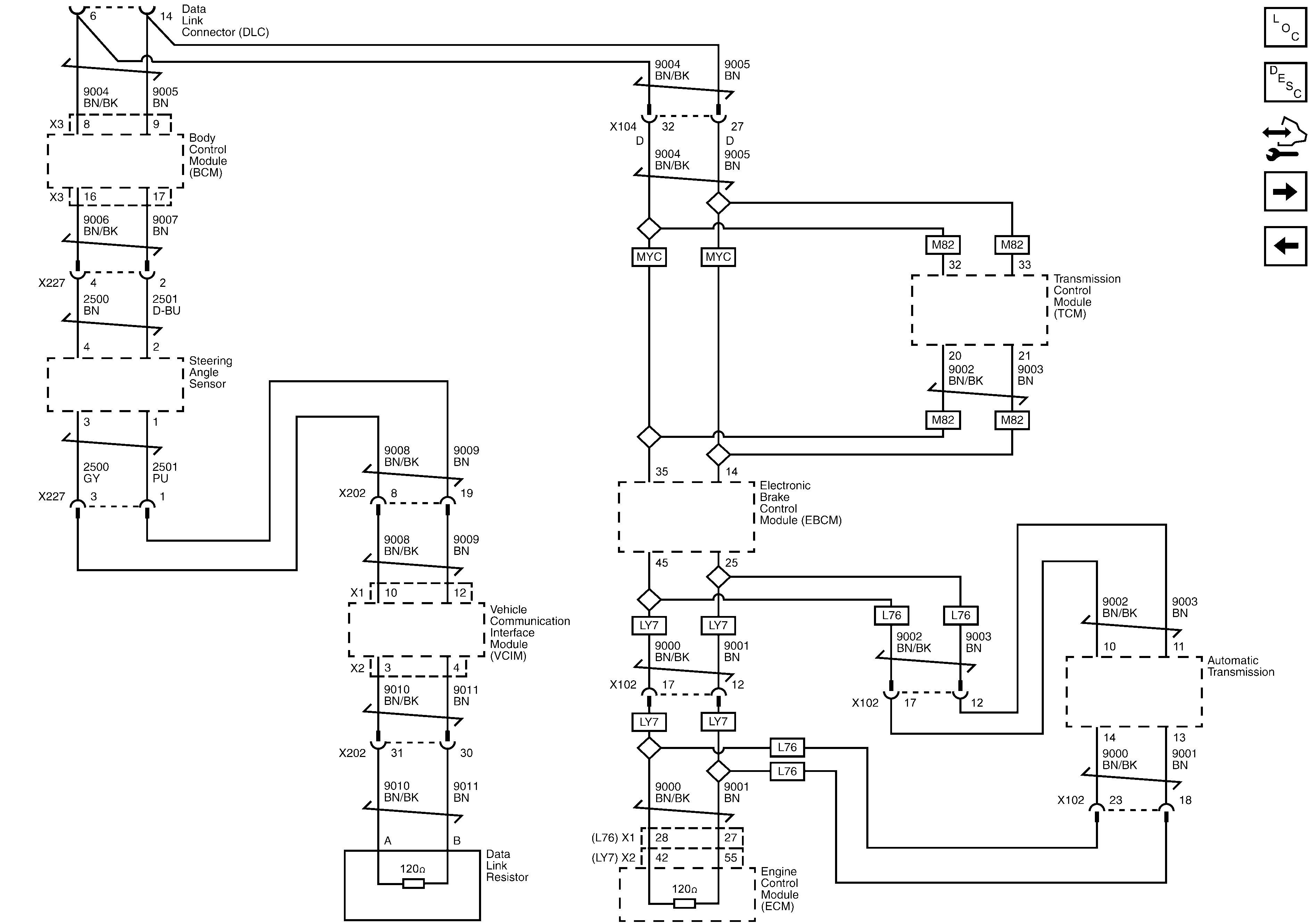
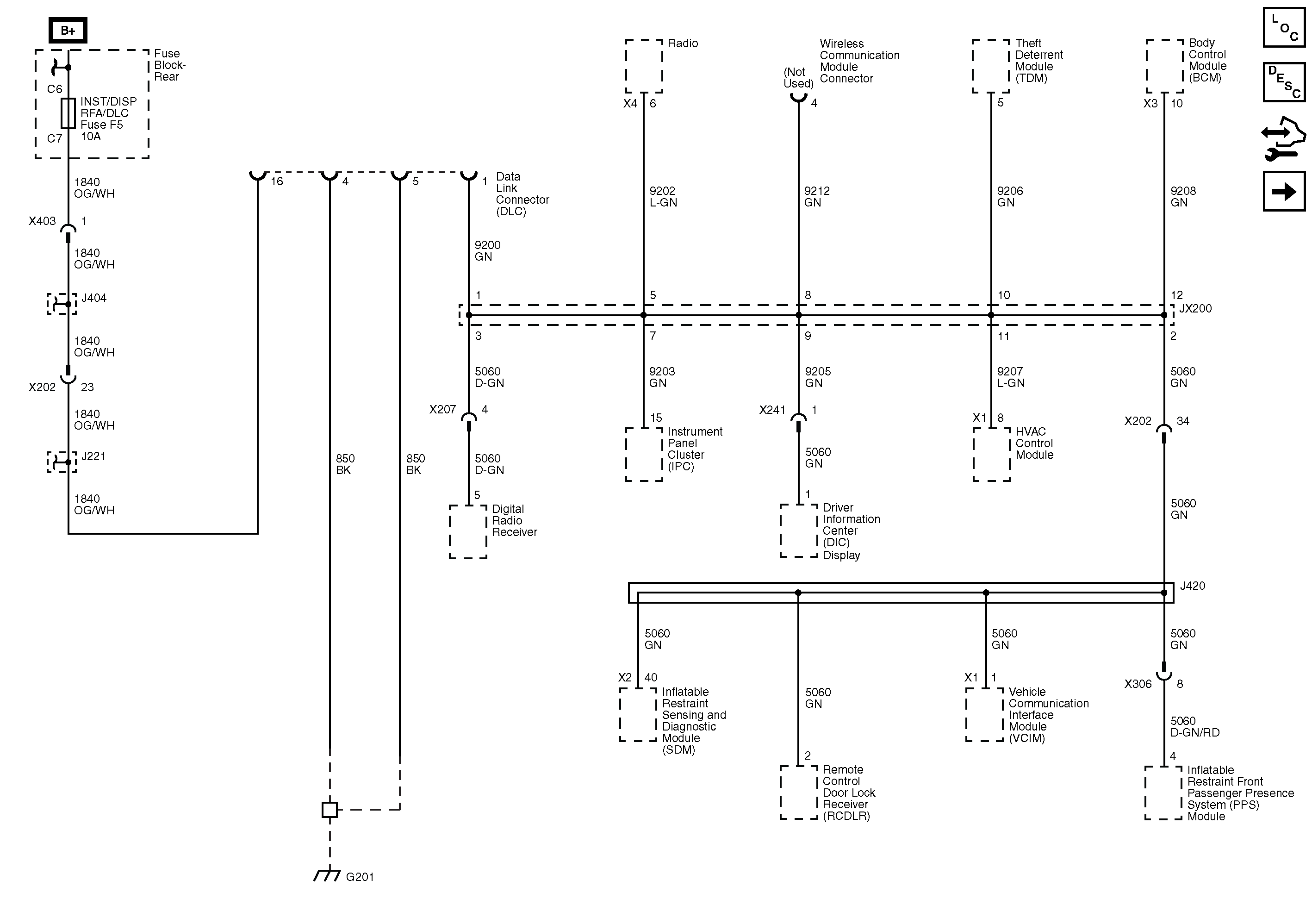
🢒 Data Communication Schematics
Figure
1:
Low Speed Bus
Figure
2:
High Speed Bus
Figure
3:
Accessory Wakeup Serial Data