GM Service Manual Online
For 1990-2009 cars only
Makes
🢒
Pontiac
🢒
2008
🢒
G8
🢒
Diagnostic Navigation
🢒
Vehicle Diagnostic Information
🢒 Power Moding Schematics
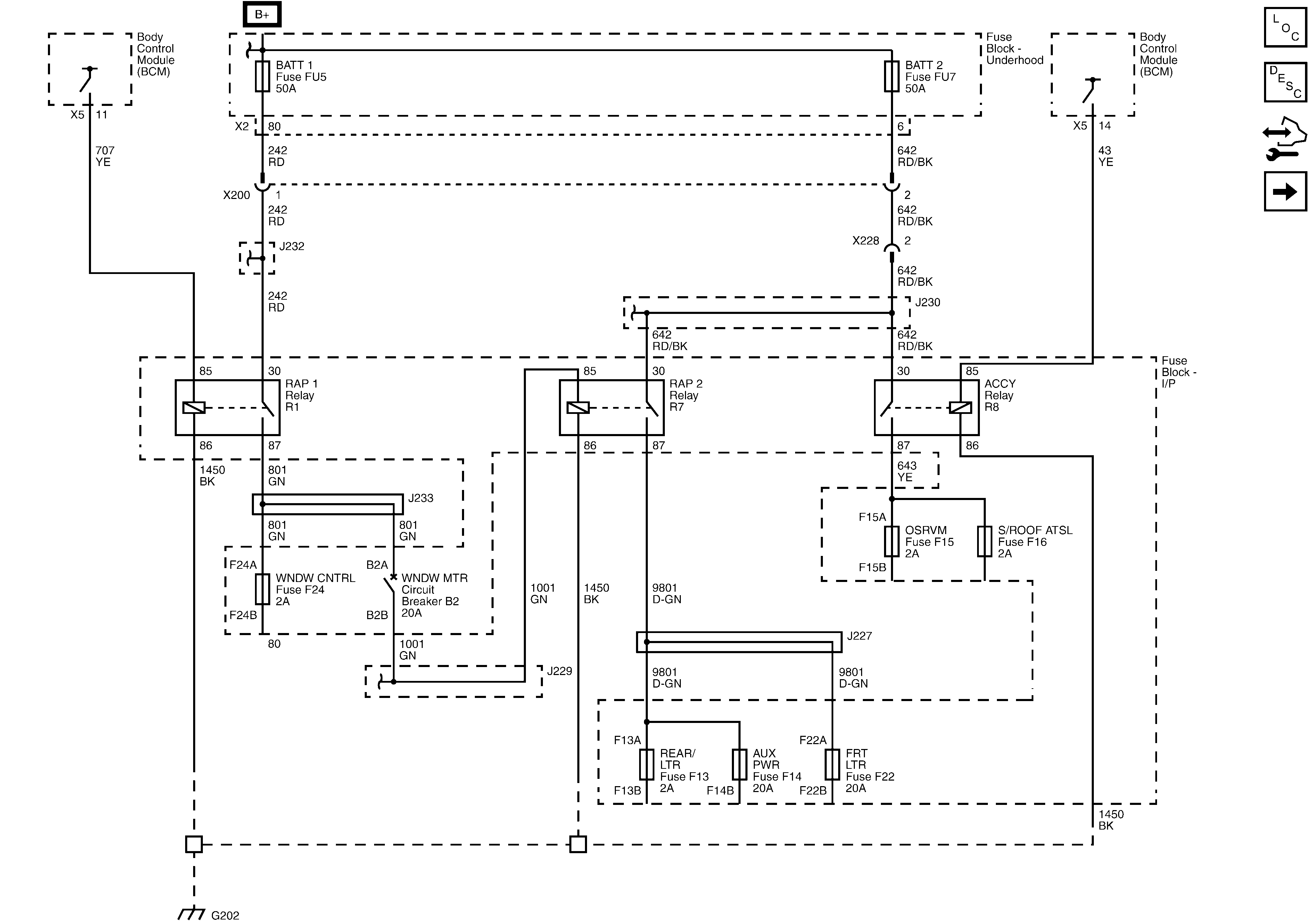
Figure
1:
ACCY, RAP 1, and RAP 2 Control
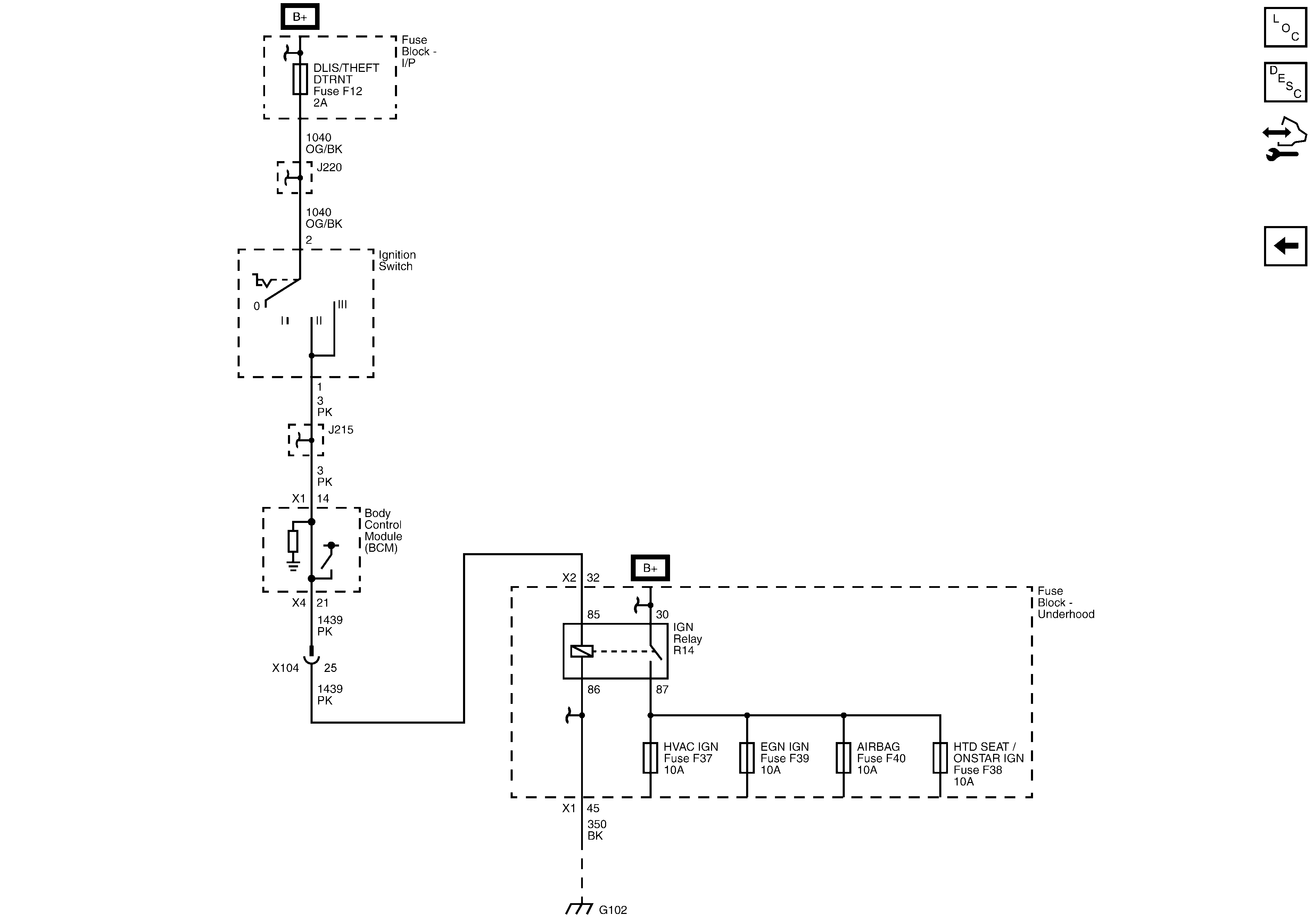
Figure
2:
IGN 1 Control