GM Service Manual Online
For 1990-2009 cars only
Figure 1:

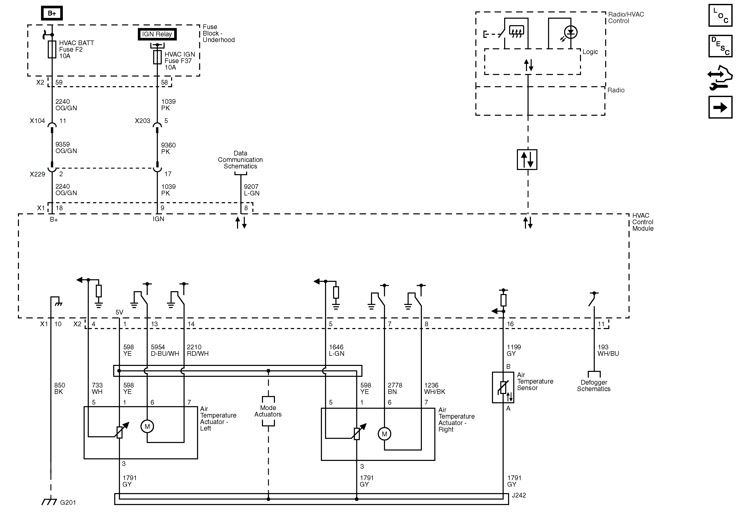
HVAC Module, Power, Ground, Serial Data, and Temperature Controls


Object Number: 2034194  Size: FS
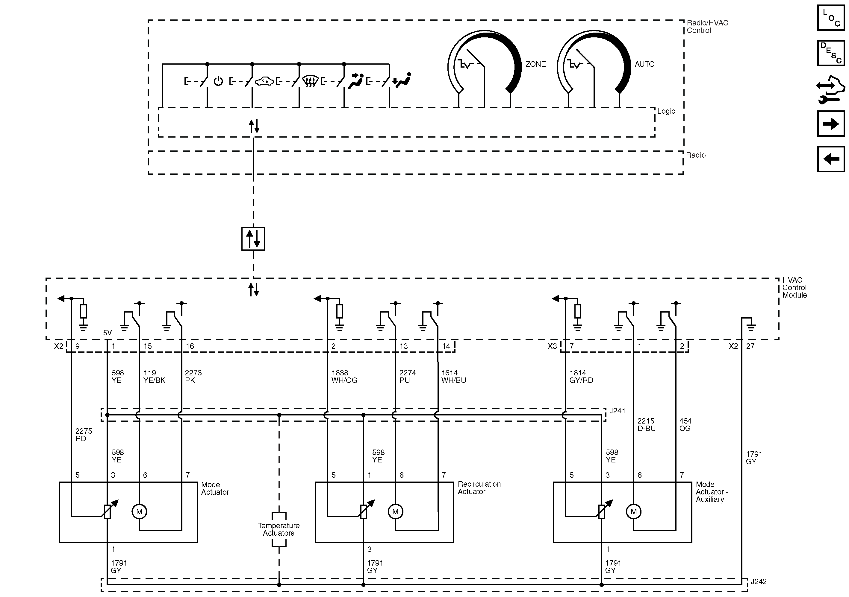
Figure 2:

Mode and Recirculation Actuators


Object Number: 2034192  Size: FS
Figure 3:

Blower and Compressor Controls


Object Number: 2075664  Size: FS