GM Service Manual Online
For 1990-2009 cars only
Makes
🢒
Pontiac
🢒
2008
🢒
G8
🢒
Diagnostic Navigation
🢒
Vehicle Diagnostic Information
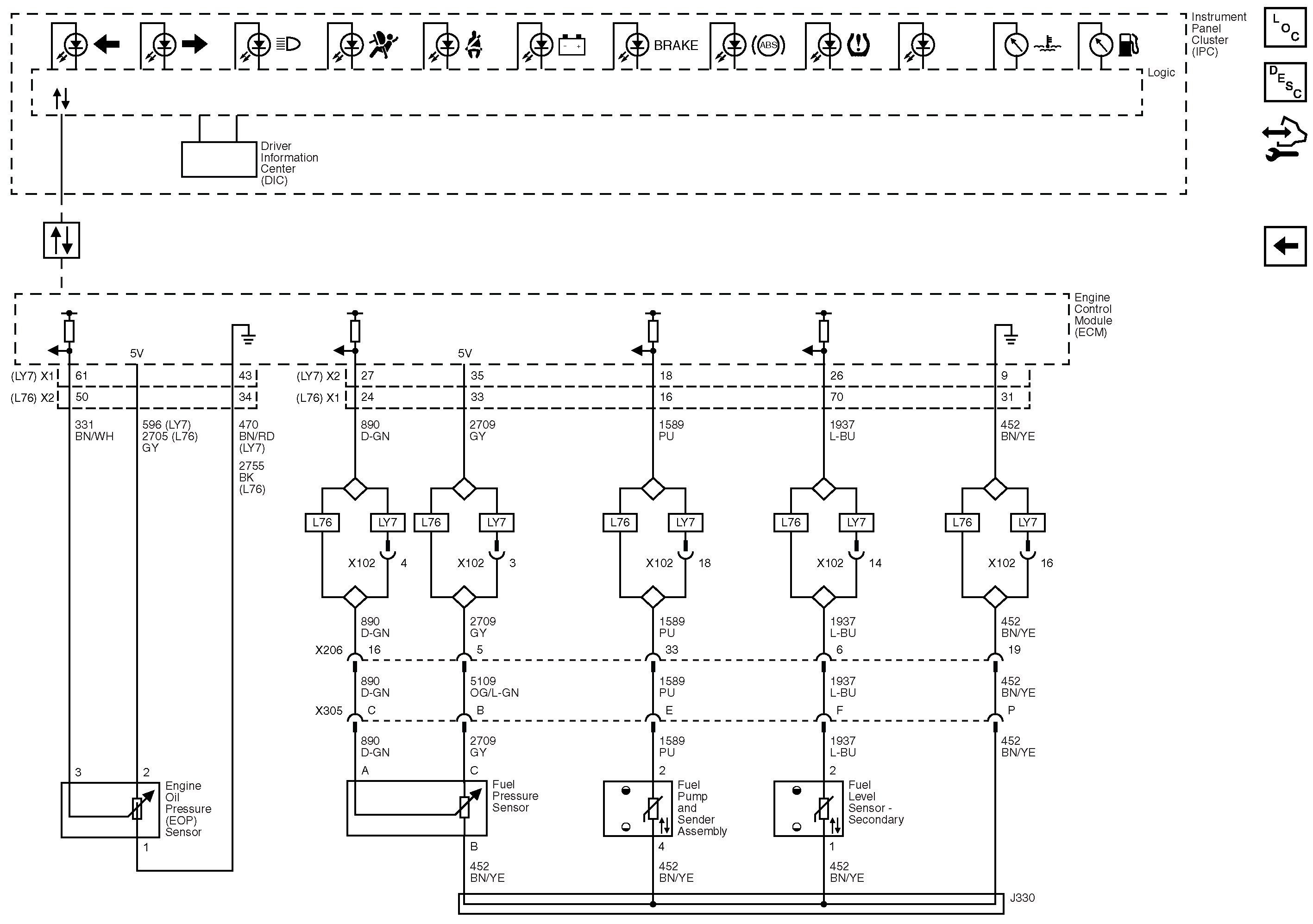
🢒 Instrument Cluster Schematics
Figure
1:
Power, Ground, and System References
Figure
2:
Indicators and Gages