GM Service Manual Online
For 1990-2009 cars only
Makes
🢒
Pontiac
🢒
2008
🢒
G8
🢒
Diagnostic Navigation
🢒
Vehicle Diagnostic Information
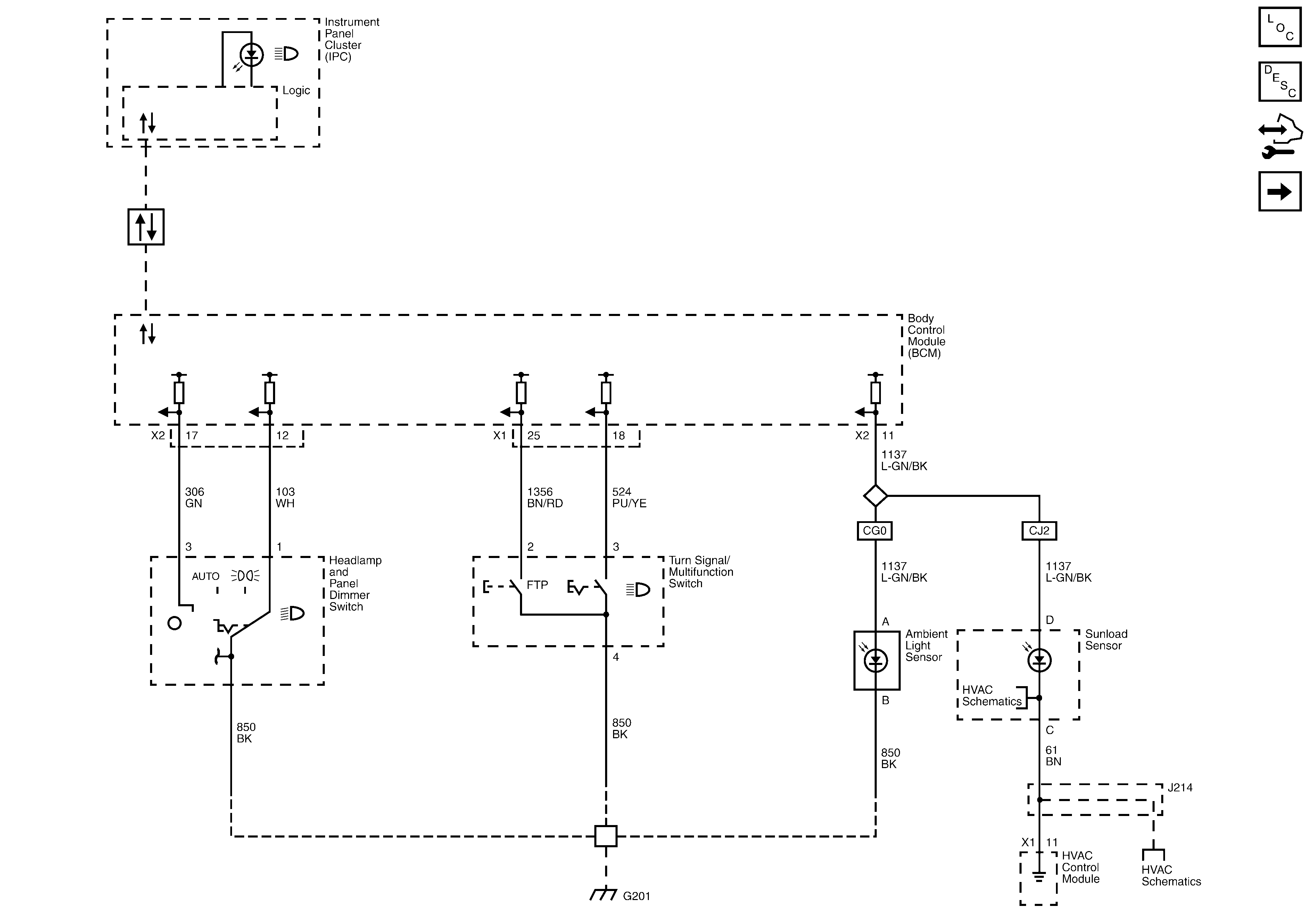
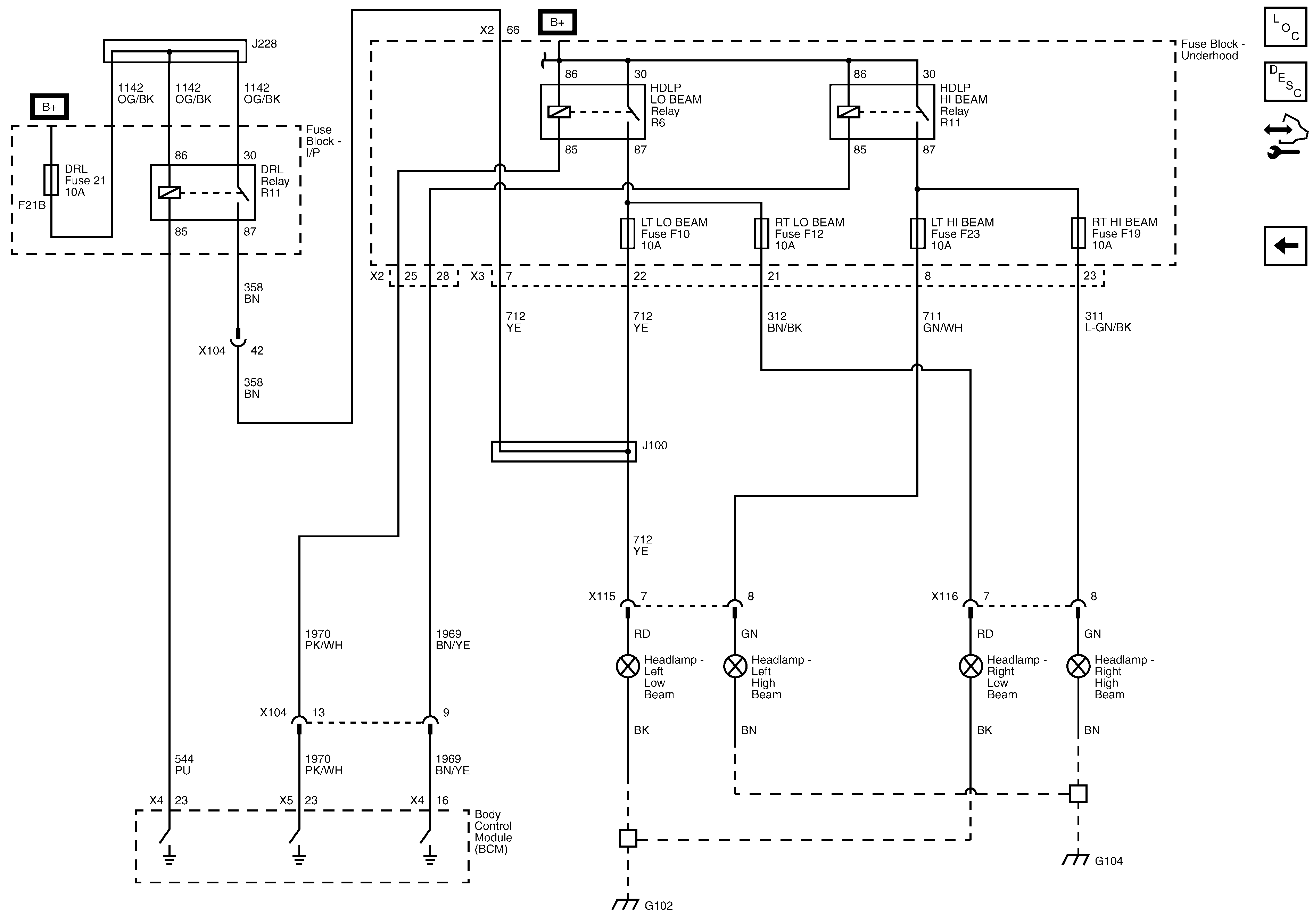
🢒 Headlights/Daytime Running Lights (DRL) Schematics
Figure
1:
Headlamp and Turn Signal Multifunction Switches and Ambient Light Sensors
Figure
2:
Headlamps Power and Ground