GM Service Manual Online
For 1990-2009 cars only
Makes
🢒
Pontiac
🢒
2008
🢒
G8
🢒
Diagnostic Navigation
🢒
Vehicle Diagnostic Information
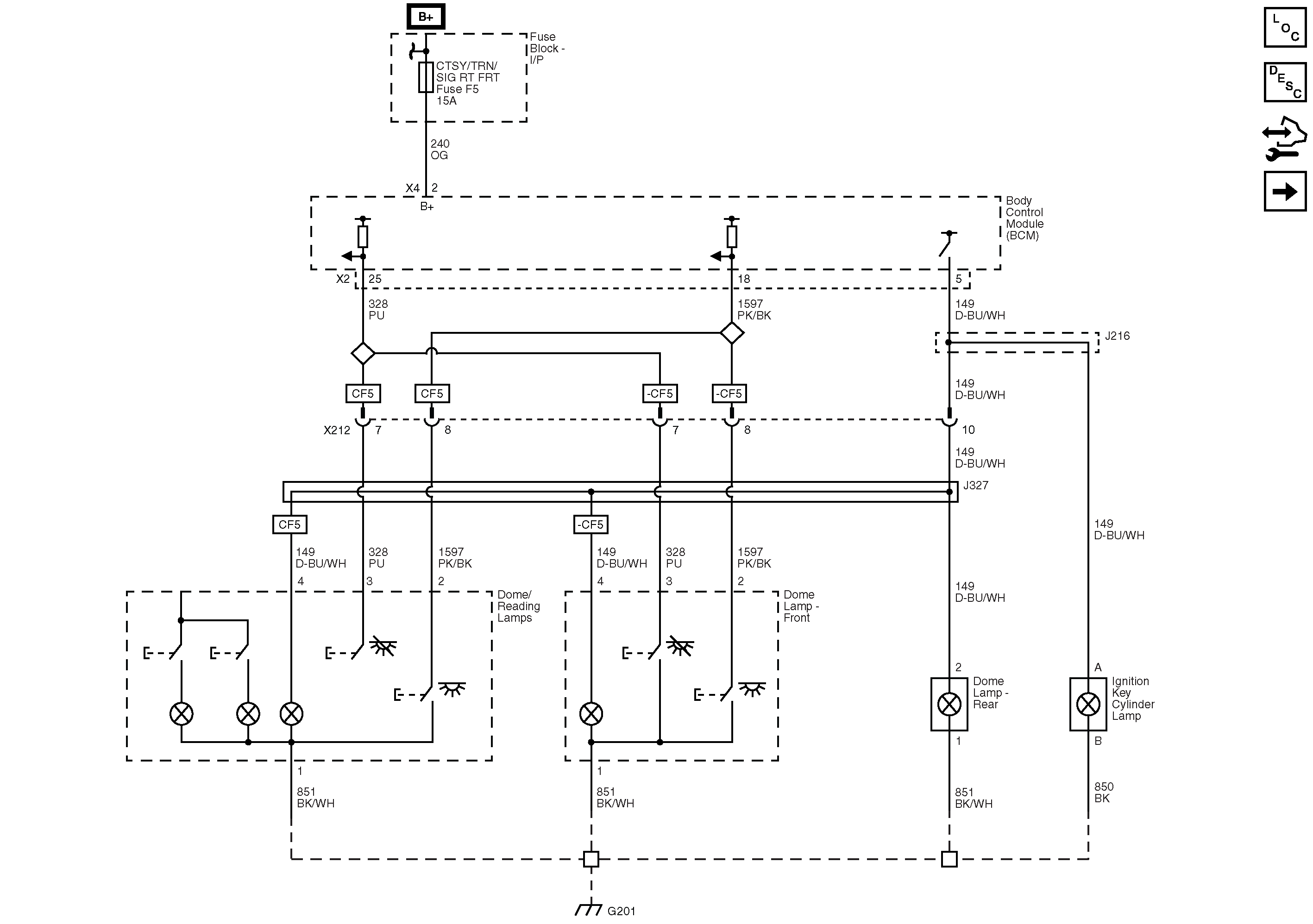
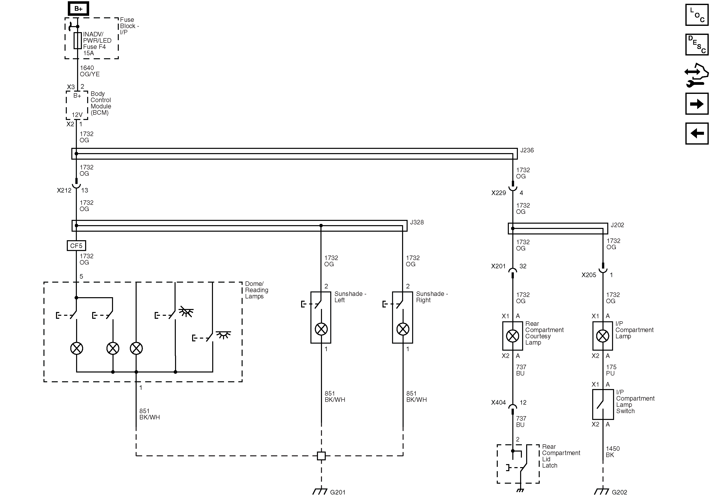
🢒 Interior Lights Schematics
Figure
1:
Courtesy Lamps
Figure
2:
Inadvertent Lamps