GM Service Manual Online
For 1990-2009 cars only
Figure 1:

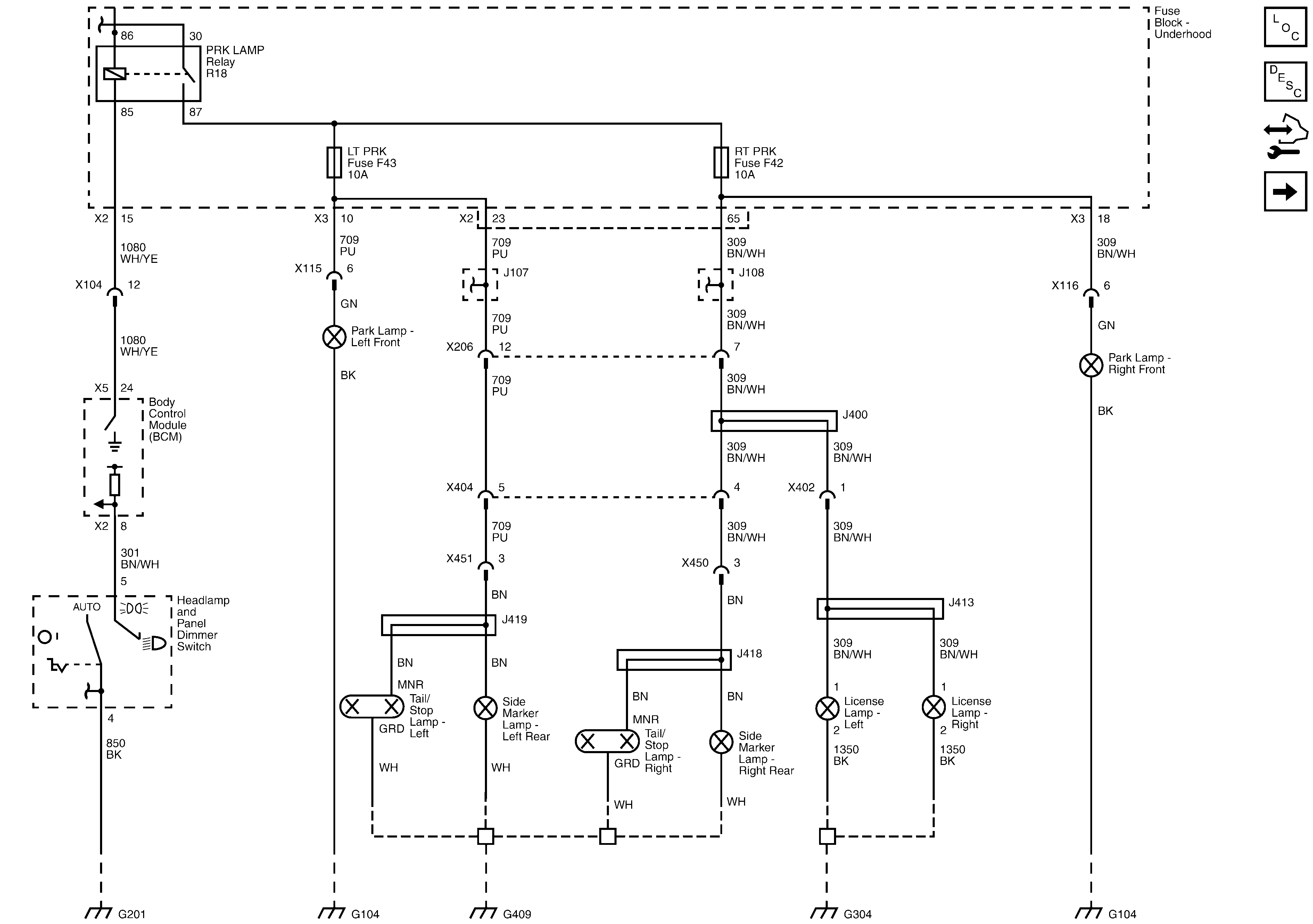
Parklamps, Markerlamps and Licence Plate Lamps


Object Number: 2034173  Size: FS
Figure 2:

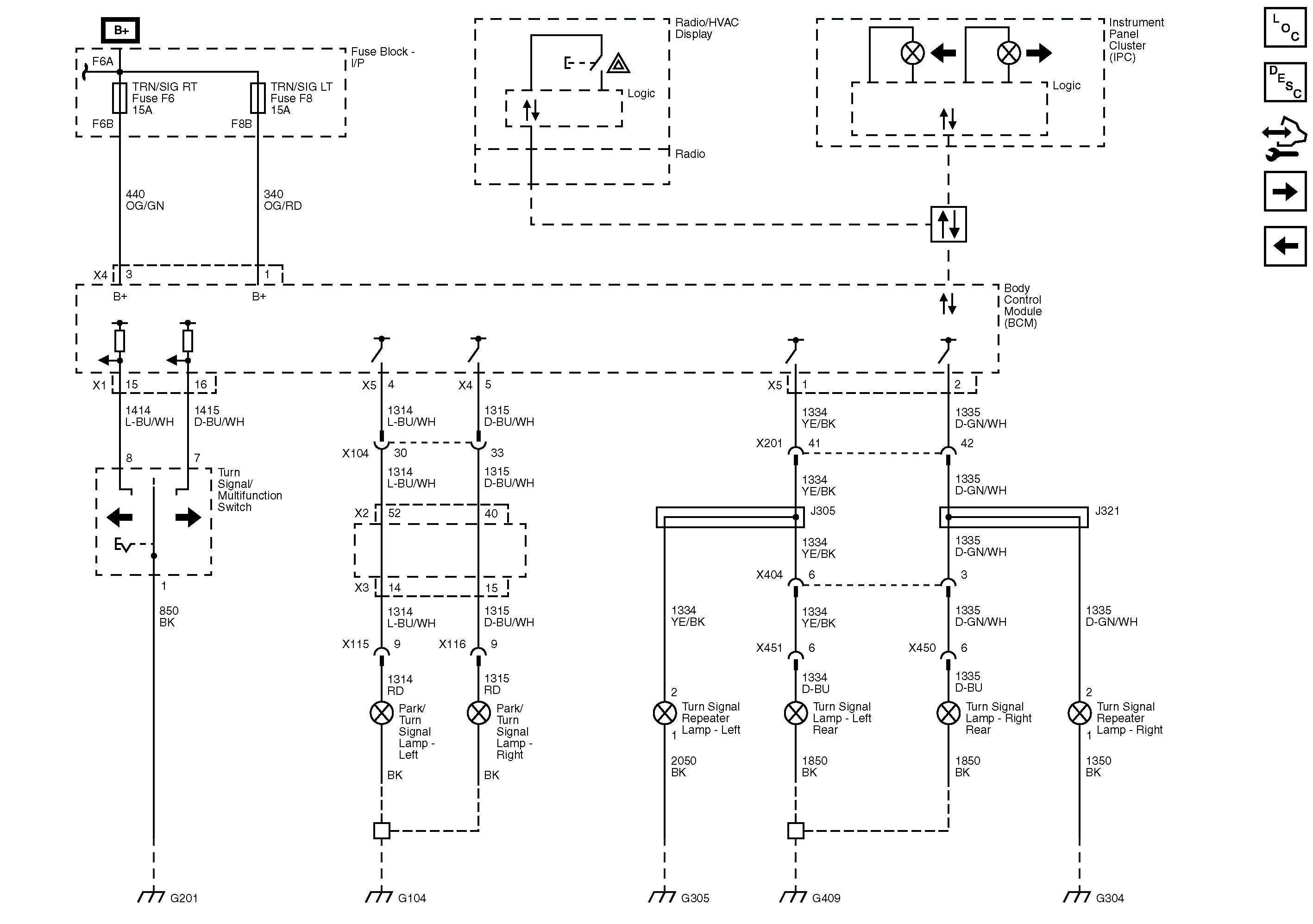
Turn Signal Multifunction Switch, Front, Side and Rear Repeater Lamps


Object Number: 2034175  Size: FS
Figure 3:

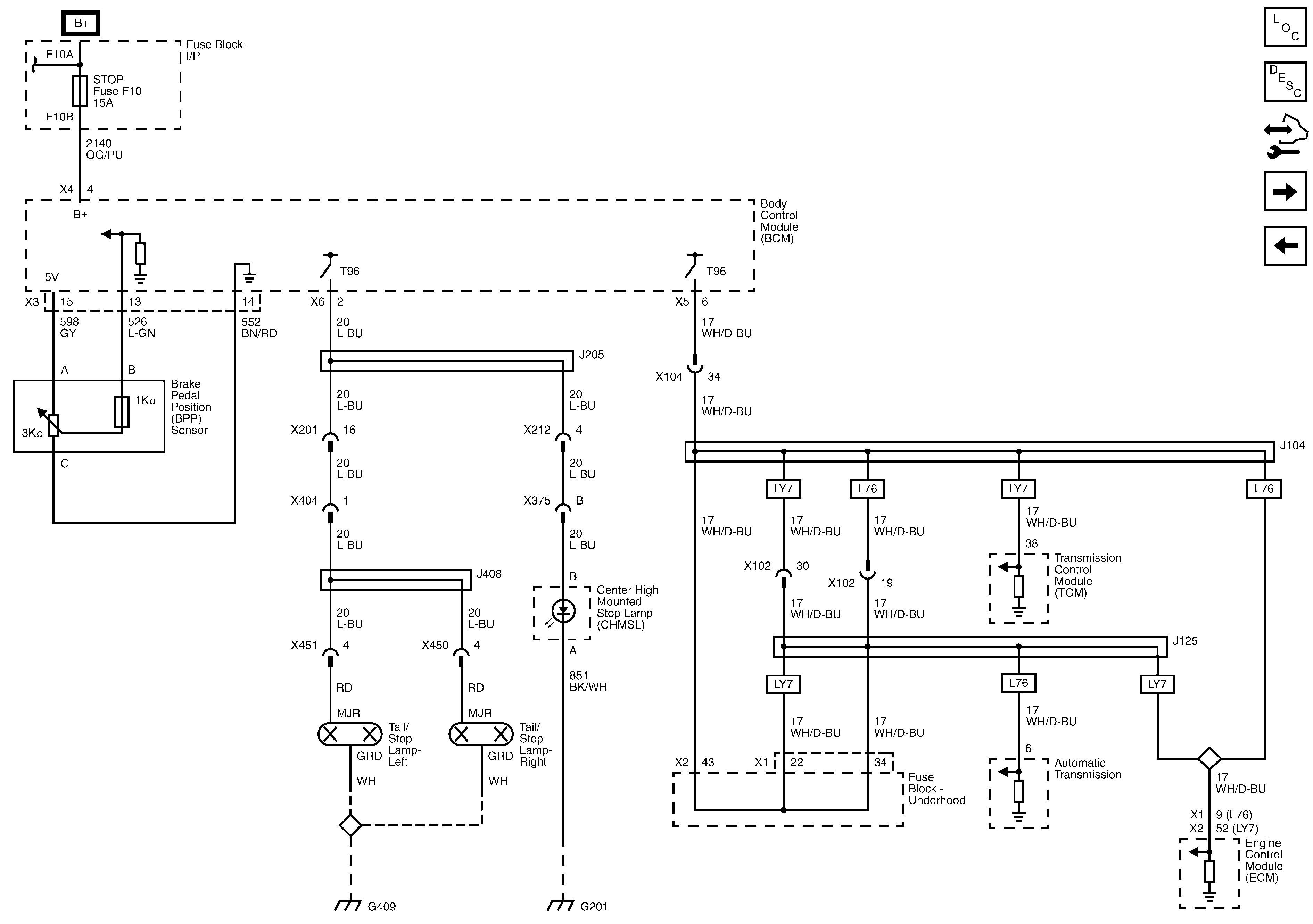
Stop Lamps


Object Number: 2034174  Size: FS
Figure 4:

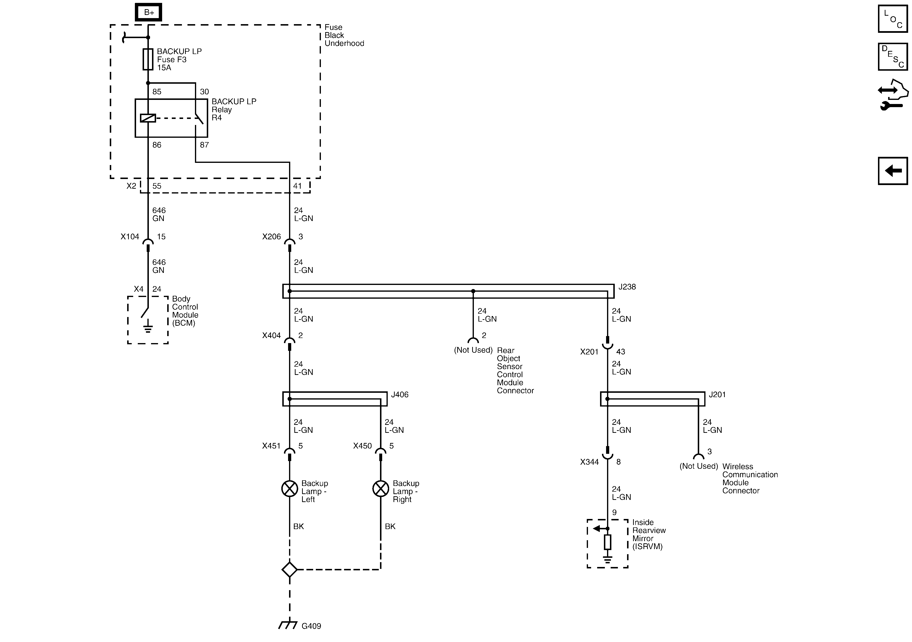
Backup Lamps


Object Number: 2034170  Size: FS