GM Service Manual Online
For 1990-2009 cars only

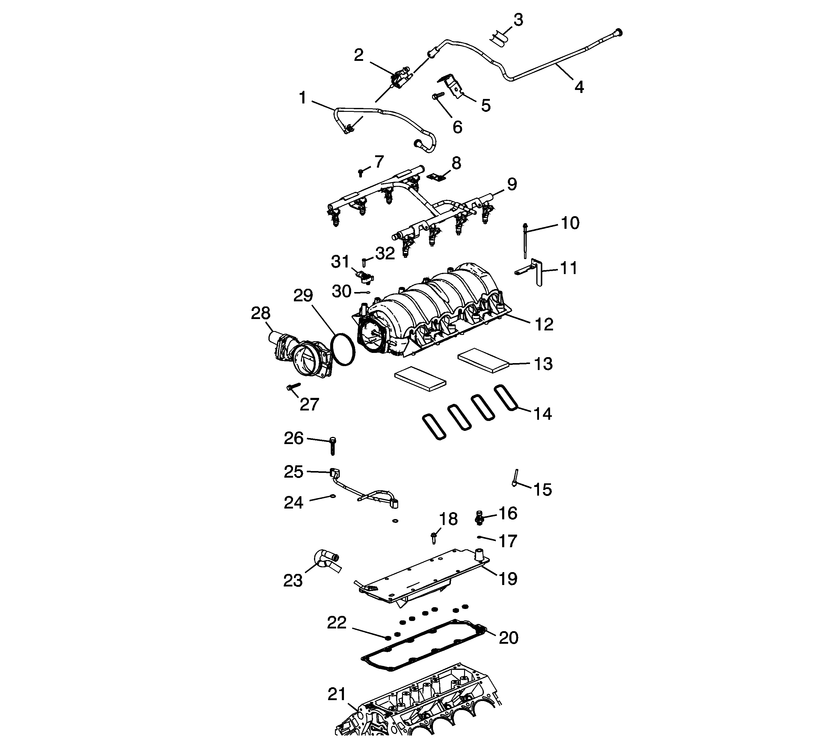
Disassembled Views L76

Figure 1:

Intake Manifold/Upper Engine


Object Number: 2063267  Size: LF
(1)Positive Crankcase Ventilation (PCV) Tube - Dirty Air
(2)Evaporative Emission (EVAP) Canister Purge Tube
(3)EVAP Canister Purge Solenoid Valve
(4)EVAP Canister Purge Tube
(5)EVAP Purge Valve Bracket
(6)Bolt
(7)Fuel Rail Ground Strap
(8)Bolt
(9)Fuel Rail with Injectors
(10)Manifold Absolute Pressure (MAP) Sensor Bolt
(11)Manifold Absolute Pressure (MAP) Sensor
(12)Seal
(13)Bolt
(14)Throttle Body
(15)Throttle Body Gasket
(16)Intake Manifold
(17)Bolt
(18)Fuel Injection Fuel Rail Stop Bracket
(19)Seal
(20)Intake Manifold Gasket
(21)Engine Coolant Air Bleed Plug
(22)Oil Pressure Sensor
(23)Washer
(24)Bolt
(25)Filter
(26)O-Ring
(27)Valve Lifter Oil Manifold (VLOM)
(28)VLOM Gasket
(29)Engine Block
(30)Seal
(31)Engine Coolant Air Bleed Pipe
(32)Bolt
Figure 2:

Cylinder Head/Upper Engine


Object Number: 2063278  Size: LF
(1)Positive Crankcase Ventilation (PCV) Hose - Fresh Air
(2)Oil Fill Cap
(3)O-Ring
(4)Oil Fill Tube
(5)O-Ring
(6)Valve Rocker Arm Cover
(6)Valve Rocker Arm Cover
(7)Valve Rocker Arm Cover Gasket
(7)Valve Rocker Arm Cover Gasket
(8)Ignition Coil Wire Harness Assembly
(9)Bolt
(10)Spark Plug Wire
(11)Ignition Coil
(12)Bolt
(13)Ignition Coil Bracket
(14)Plug
(15)Bolt
(16)Bolt Grommet
(17)Valve Stem Key
(18)Valve Spring Cap
(19)Valve Spring
(20)Valve Stem Oil Seal
(21)Core Hole Plug
(22)Spark Plug
(23)Cylinder Head Bolt - M11
(24)Cylinder Head Bolt - M8
(25)Cylinder Head
(26)Cylinder Head Gasket
(27)Core Hole Plug
(28)Cylinder Head Locating Pin
(29)Cylinder Head Plug
(30)Coolant Temperature Sensor (CTS)
(31)Exhaust Valve
(32)Intake Valve
(33)Exhaust Manifold Gasket
(34)Exhaust Manifold
(35)Exhaust Manifold Heat Shield
(36)Bolt
(37)Stud
(38)Bolt
(39)Engine Block
(40)Valve Lifter - Active Fuel Management
(41)Valve Lifter - Non-Active Fuel Management
(42)Valve Lifter Guide
(43)Bolt
(44)Pushrod
(45)Valve Rocker Arm Pivot Support
(46)Valve Rocker Arm
(47)Bolt
Figure 3:

Front of Engine


Object Number: 2063279  Size: LF
(1)Bolt
(2)Water Inlet Housing
(3)O-Ring
(4)Thermostat
(5)Bolt
(6)Water Pump
(7)Water Pump Gasket
(8)Oil Level Indicator
(9)O-Ring
(10)Bolt
(11)Oil Level Indicator Tube
(12)O-Ring
(13)Engine Block
(14)Camshaft Bearings
(15)Camshaft
(16)Camshaft Sprocket Locating Pin
(17)Crankshaft Sprocket
(18)Camshaft Retainer
(19)Bolt
(20)Camshaft Sprocket
(21)Bolt
(22)Timing Chain
(23)Timing Chain Tensioner
(24)Bolt
(25)Engine Front Cover Gasket
(26)Engine Front Cover
(27)Bolt
(28)Crankshaft Front Oil Seal
(29)Crankshaft Balancer
(30)Crankshaft Balancer Bolt
(31)Bolt
(32)Camshaft Position (CMP) Sensor
(33)O-Ring
(34)CMP Sensor Wire Harness
(35)Bolt
(36)Oil Pump Housing
(37)Bolt
(38)Bolt
(39)Oil Pump Housing Cover
(40)Oil Pump Drive Gear
(41)Oil Pump Driven Gear
(42)Oil Pump Pressure Relief Valve
(43)Spring
(44)Oil Pump Housing Plug
(45)O-Ring
(46)Bolt
(47)Nut
(48)Oil Pump Screen
Figure 4:

Rear of Engine


Object Number: 2063947  Size: LF
(1)Engine Block
(2)Crankshaft Rear Oil Seal Housing Gasket
(3)Crankshaft Rear Oil Seal Housing
(4)Crankshaft Rear Oil Seal Housing Bolt
(5)Crankshaft Rear Oil Seal
(6)Flex Plate - Automatic Transmission
(7)Flywheel Bolt
Figure 5:

Lower Engine Assembly


Object Number: 1908008  Size: LF
(1)Engine Block
(2)Piston Pin Retainer
(3)Piston Pin
(4)Piston Ring Set
(5)Piston
(6)Connecting Rod
(7)Connecting Rod Bearings
(8)Connecting Rod Cap
(9)Connecting Rod Bolt
(10)Transmission Pilot Bearing - Manual Transmission
(11)Plug
(12)Crankshaft Main Bearing
(12)Crankshaft Main Bearing
(13)Crankshaft Thrust Bearing
(13)Crankshaft Thrust Bearing
(14) Crankshaft Balancer Key
(15)Crankshaft
(16)Crankshaft Bearing Cap
(17)Crankshaft Bearing Cap Bolt - M8
(18)Crankshaft Oil Deflector
(19)Crankshaft Oil Deflector Stud - M10
(20)Crankshaft Oil Deflector Bolt - M10
(21)Nut
(22)Oil Pan Gasket
(23)Bolt
(24)Oil Pan Baffle
(25)Active Fuel Management Oil Pressure Relief Valve
(26)Washer
(27)Oil Pan Cover Gasket
(28)Oil Pan Cover
(29)Bolt
(30)Oil Pan Closeout Cover - Left
(31)Bolt
(32)Oil Pan Bolt - M6
(33)Oil Pan Drain Plug
(34)Oil Filter
(35)Oil Filter Fitting
(36)O-Ring
(37)Oil Pan Bolt - M8
(38)Oil Pan
(39)Engine Closeout Cover - Right
(40)Bolt
(41)Oil Pump Screen
(42)O-Ring
(43)Nut
(44)Bolt
Figure 6:

Engine Block Plugs/Sensors


Object Number: 2063952  Size: LF
(1)Engine Block
(1)Engine Block
(2)Washer
(3)Oil Gallery Plug - Side
(4)Bolt
(4)Bolt
(5)Knock Sensor
(5)Knock Sensor
(6)Engine Coolant Heater
(7)Washer
(8)Oil Gallery Plug - Side
(9)Washer
(10)Oil Gallery Plug - Front
(11)Transmission Housing Locating Pin
(12)O-Ring
(13)Oil Gallery Plug - Rear
(14)Engine Block Coolant Drain Hole Plug
(15)Washer
(16)CKP Sensor Bolt
(17)Crankshaft Position (CKP) Sensor
(18)O-Ring
Figure 7:

Oil Pump Assembly


Object Number: 2063957  Size: SF
(1)Bolt
(2)Oil Pump Housing Cover
(3)Oil Pump Drive Gear
(4)Oil Pump Driven Gear
(5)Oil Pump
(6)Oil Pump Pressure Relief Valve
(7)Oil Pump Pressure Relief Valve Spring
(8)Oil Pump Housing Plug

Disassembled Views 6.2L LS3

Figure 1:

Intake Manifold/Upper Engine


Object Number: 2071565  Size: LF
(1)Evaporative Emission (EVAP) Canister Purge Tube
(2)EVAP Canister Purge Solenoid Valve
(3)EVAP Tube Clip
(4)EVAP Canister Purge Tube
(5)EVAP Purge Valve Bracket
(6)Bolt
(7)Bolt
(8)Fuel Rail Ground Strap
(9)Fuel Rail with Injectors
(10)Bolt
(11)Fuel Injection Fuel Rail Stop Bracket
(12)Intake Manifold
(13)Seal
(14)Intake Manifold Gasket
(15)Engine Coolant Air Bleed Plug
(16)Oil Pressure Sensor
(17)Washer
(18)Bolt
(19)Valley Cover
(20)Valley Cover Gasket
(21)Engine Block
(22)Seal
(23)Positive Crankcase Ventilation (PCV) Hose - Dirty Air
(24)Seal
(25)Engine Coolant Air Bleed Pipe
(26)Bolt
(27)Bolt
(28)Throttle Body
(29)Throttle Body Gasket
(30)Seal
(31)Manifold Absolute Pressure (MAP) Sensor
(32)MAP Sensor Bolt
Figure 2:

Cylinder Head/Upper Engine


Object Number: 1408840  Size: LF
(100)Engine Block
(209)Valve Lifter
(210)Valve Lifter Guide
(211)Bolt
(212)Pushrod
(213)Valve Rocker Arm
(214)Bolt
(215)Valve Rocker Arm Pivot Support
(216)Core Hole Plug
(217)Cylinder Head Gasket
(218)Cylinder Head
(220)Cylinder Head Bolt - M11
(221)Cylinder Head Bolt - M8
(222)Valve Stem Oil Seal
(223)Valve Spring
(224)Valve Spring Cap
(225)Valve Stem Key
(226)Core Hole Plug
(227)Intake Valve
(228)Exhaust Valve
(229)Cylinder Head Plug
(230)Cylinder Head Locating Pin
(422)O-Ring
(423)Oil Fill Tube
(424)Oil Fill Cap
(450)O-Ring
(504)Valve Rocker Arm Cover Gasket
(504)Valve Rocker Arm Cover Gasket
(505)Valve Rocker Arm Cover
(505)Valve Rocker Arm Cover
(515)Bolt Grommet
(516)Bolt
(558)Plug
(600)Exhaust Manifold
(601)Exhaust Manifold Gasket
(602)Bolt
(603)Exhaust Manifold Heat Shield
(604)Bolt
(605)Stud
(700)Positive Crankcase Ventilation (PCV) Hose - Fresh Air
(719)Ignition Coil Bracket
(720)Stud
(721)Ignition Coil Wire Harness Assembly
(722)Ignition Coil
(723)Bolt
(724)Spark Plug Wire
(725)Coolant Temperature Sensor (CTS)
(726)Spark Plug
Figure 3:

Front of Engine


Object Number: 1704618  Size: LF
(1)Bolt
(2)Water Inlet Housing
(3)O-Ring
(4)Thermostat
(5)Bolt
(6)Water Pump
(7)Water Pump Gasket
(8)Oil Level Indicator
(9)O-Ring
(10)Bolt
(11)Oil Level Indicator Tube
(12)O-Ring
(13)Engine Block
(14)Camshaft Bearings
(15)Camshaft
(16)Camshaft Sprocket Locating Pin
(17)Crankshaft Sprocket
(18)Crankshaft Balancer Washer
(19)Camshaft Retainer
(20)Bolt
(21)Camshaft Sprocket
(22)Bolt
(23)Timing Chain
(24)Timing Chain Tensioner
(25)Bolt
(26)Engine Front Cover Gasket
(27)Engine Front Cover
(28)Bolt
(29)Crankshaft Front Oil Seal
(30)Crankshaft Balancer
(31)Bolt
(32)Balance Weight - Crankshaft Balancer
(33)Bolt
(34)Camshaft Position (CMP) Sensor
(35)O-Ring
(36)Bolt
(37)CMP Sensor Wire Harness
(38)Bolt
(39)Oil Pump
(40)Bolt
(41)Oil Pump Housing Cover
(42)Oil Pump Drive Gear
(43)Oil Pump Driven Gear
(44)Oil Pump Housing Plug
(45)Oil Pump Pressure Relief Valve Spring
(46)Oil Pump Pressure Relief Valve
(47)Bolt
(48)O-Ring
(49)Nut
(50)Oil Pump Screen
Figure 4:

Rear of Engine


Object Number: 1408842  Size: LF
(100)Engine Block
(123)Transmission Pilot Bearing - Manual Transmission
(132)Flex Plate - Automatic Transmission
(133)Bolt
(134)Flywheel - Manual Transmission
(135)Clutch Driven Plate - Manual Transmission
(136)Clutch Pressure Plate - Manual Transmission
(137)Bolt
(141)Crankshaft Rear Oil Seal
(142)Clutch Pressure Plate Locating Pin - Manual Transmission
(144)Balance Weight - Flywheel
(517)Bolt
(518)Crankshaft Rear Oil Seal Housing
(519)Crankshaft Rear Oil Seal Housing Gasket
Figure 5:

Lower Engine Assembly


Object Number: 1908008  Size: LF
(1)Engine Block
(2)Piston Pin Retainer
(3)Piston Pin
(4)Piston Ring Set
(5)Piston
(6)Connecting Rod
(7)Connecting Rod Bearings
(8)Connecting Rod Cap
(9)Connecting Rod Bolt
(10)Transmission Pilot Bearing - Manual Transmission
(11)Plug
(12)Crankshaft Main Bearing
(12)Crankshaft Main Bearing
(13)Crankshaft Thrust Bearing
(13)Crankshaft Thrust Bearing
(14) Crankshaft Balancer Key
(15)Crankshaft
(16)Crankshaft Bearing Cap
(17)Crankshaft Bearing Cap Bolt - M8
(18)Crankshaft Oil Deflector
(19)Crankshaft Oil Deflector Stud - M10
(20)Crankshaft Oil Deflector Bolt - M10
(21)Nut
(22)Oil Pan Gasket
(23)Bolt
(24)Oil Pan Baffle
(25)Active Fuel Management Oil Pressure Relief Valve
(26)Washer
(27)Oil Pan Cover Gasket
(28)Oil Pan Cover
(29)Bolt
(30)Oil Pan Closeout Cover - Left
(31)Bolt
(32)Oil Pan Bolt - M6
(33)Oil Pan Drain Plug
(34)Oil Filter
(35)Oil Filter Fitting
(36)O-Ring
(37)Oil Pan Bolt - M8
(38)Oil Pan
(39)Engine Closeout Cover - Right
(40)Bolt
(41)Oil Pump Screen
(42)O-Ring
(43)Nut
(44)Bolt
Figure 6:

Engine Block Plugs/Sensors


Object Number: 1401949  Size: LF
(100)Engine Block
(100)Engine Block
(101)Oil Gallery Plug - Front
(110)O-Ring
(111)Oil Gallery Plug - Rear
(112)Oil Gallery Plug - Side
(113)Washer
(114)Engine Coolant Heater
(115)Washer
(116)Oil Gallery Plug - Side
(117)Washer
(130)Transmission Housing Locating Pin
(145)Washer
(146)Engine Block Coolant Drain Hole Plug
(701)Crankshaft Position (CKP) Sensor
(702)O-Ring
(718)Knock Sensor
(718)Knock Sensor
(739)Bolt
(739)Bolt
(750)CKP Sensor Bolt
Figure 7:

Oil Pump Assembly


Object Number: 1272779  Size: SF
(408)Bolt
(409)Oil Pump Housing Cover
(410)Oil Pump Drive Gear
(412)Oil Pump Driven Gear
(413)Oil Pump
(414)Oil Pump Pressure Relief Valve
(415)Oil Pump Pressure Relief Valve Spring
(416)Oil Pump Housing Plug