GM Service Manual Online
For 1990-2009 cars only
Figure 1:

Radio Power, Ground, and Serial Data


Object Number: 2034221  Size: FS
Figure 2:

Speakers (except UWP)


Object Number: 2034222  Size: FS
Figure 3:

Speakers (UWP)


Object Number: 2034224  Size: FS
Figure 4:

Amplifier (UWP)


Object Number: 2034223  Size: FS
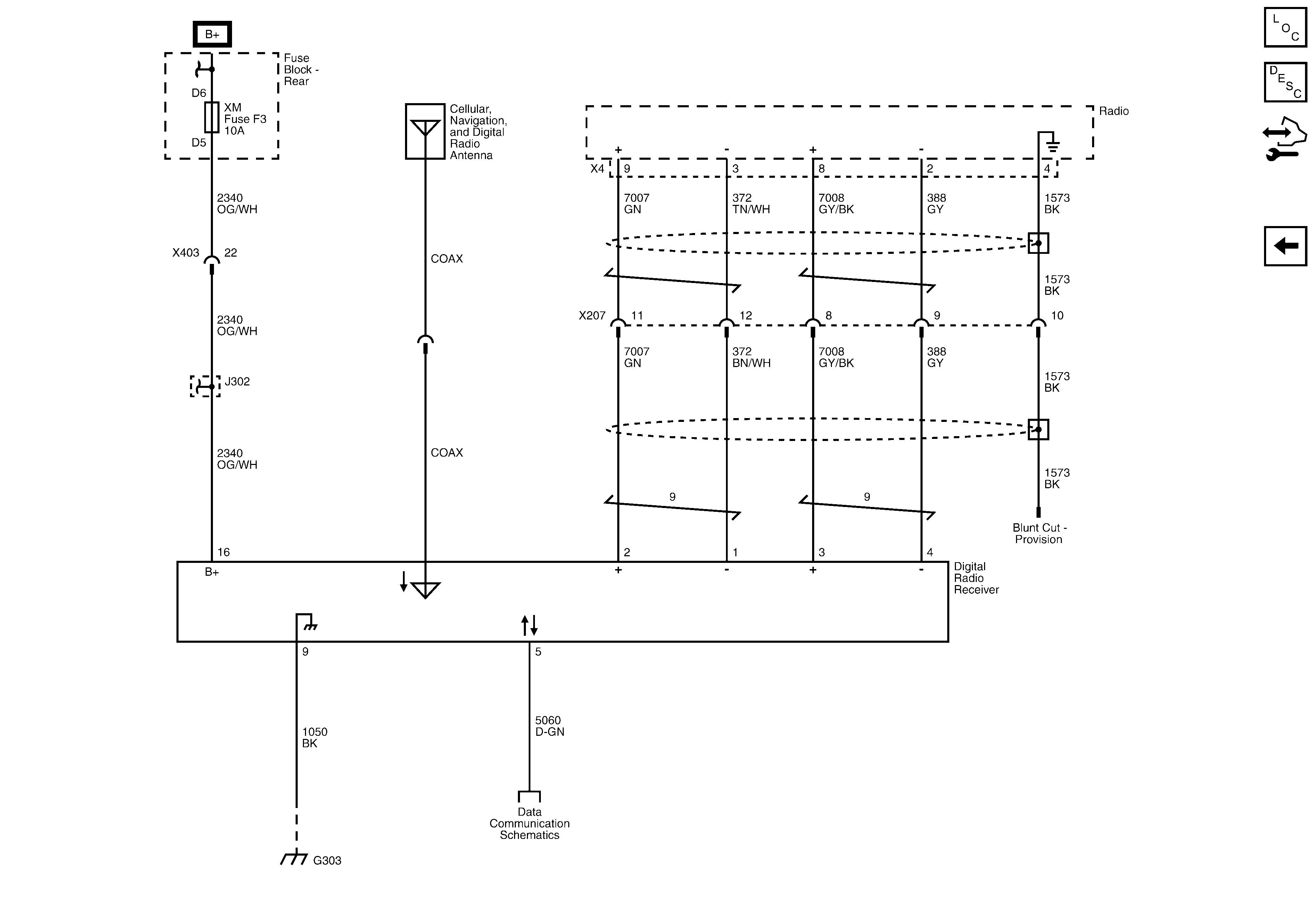
Figure 5:

Digital Radio (U2K)


Object Number: 2108166  Size: FS