GM Service Manual Online
For 1990-2009 cars only

Removal Procedure

  1. Remove the HVAC module assembly. Refer to HVAC Module Assembly Replacement.

  2. Object Number: 2040981  Size: SH
  3. Disconnect the main mode actuator electrical connector (1).
  4. Disconnect the air mix actuator electrical connector (2).
  5. Disconnect the rear mode actuator electrical connector (3).
  6. Detach the wiring harness (5) from the HVAC module assembly (4).

  7. Object Number: 2040983  Size: SH
  8. Detach the wiring harness (1) from the HVAC module assembly (2).

  9. Object Number: 2040995  Size: SH

    Note: Do not damage the foam seal (1).

  10. Remove the foam seal (1) from the HVAC module assembly (2).

  11. Object Number: 2040999  Size: SH
  12. Remove the TX valve positioning bracket to the HVAC module assembly retaining screws (2).
  13. Remove TX valve positioning bracket (3) from the HVAC module assembly (1).

  14. Object Number: 2041000  Size: SH

    Note: Unclip the upper plastic retaining cover (1) to remove.

  15. Remove the upper retaining plastic cover (1) from HVAC module assembly (2).
  16. Remove the evaporator pipe assembly to evaporator retaining bolts (4).
  17. Remove the evaporator pipe assembly (5) from the evaporator (3).

  18. Object Number: 2041004  Size: SH
  19. Remove the HVAC module assembly retaining clips (1) from the HVAC module assembly (2).

  20. Object Number: 2041006  Size: SH
  21. Remove the left side HVAC module assembly housing to right side HVAC module assembly housing retaining screws (1).

  22. Object Number: 2041009  Size: SH

    Note: Make sure the air distribution flaps and linkages are not damaged on removal, otherwise incorrect HVAC operation may result.

  23. Separate the left side HVAC module assembly housing (1) from the right side HVAC module assembly housing (2).

  24. Object Number: 2041011  Size: SH

    Note: Use a suitable tool to remove the evaporator temperature sensor (3) from the evaporator (2).

  25. Remove the evaporator temperature sensor (3) from the evaporator (2).
  26. Note: Remove the evaporator (2) by sliding it out of the HVAC module assembly (1).

  27. Remove the evaporator (2) from the HVAC module assembly (1).

Installation Procedure


    Object Number: 2041011  Size: SH

    Note: DO NOT force the evaporator (2) into the HVAC module assembly (1). Damage to the evaporator temperature sensor (3) can occur.

  1. Install the evaporator (2) to the HVAC module assembly (1).
  2. Note: Install the evaporator temperature sensor (3) to the evaporator (2) 22.2 mm (7/8 in) from the side of the evaporator and 50 mm (2 in) from the bottom of the evaporator.

  3. Install the evaporator temperature sensor (3) to the evaporator (2).

  4. Object Number: 2041009  Size: SH

    Note: Make sure the air distribution flaps and linkages are not damaged on removal, otherwise incorrect HVAC operation may result.

  5. Install the left side HVAC module assembly housing (1) to the right side HVAC module assembly housing (2).
  6. Caution: Refer to Fastener Caution in the Preface section.


    Object Number: 2041006  Size: SH
  7. Install the left side HVAC module assembly housing to right side HVAC module assembly housing retaining screws (1) and tighten to 1 N·m (8 lb in).

  8. Object Number: 2041004  Size: SH
  9. Install the HVAC module assembly retaining clips (1) to the HVAC module assembly (2).

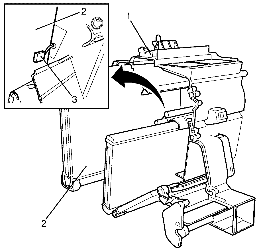
  10. Object Number: 2041013  Size: SH
  11. Install NEW O-rings (1) to the evaporator (2). Refer to O-Ring Replacement.

  12. Object Number: 2041000  Size: SH
  13. Install the evaporator pipe assembly (5) to the evaporator (3).
  14. Install the evaporator pipe assembly to evaporator retaining bolts (4) and tighten to 3.5 N·m (31 lb in)
  15. Install the upper retaining plastic cover (1) to the HVAC module assembly (2).

  16. Object Number: 2040999  Size: SH
  17. Install the TX valve positioning bracket (3) to the HVAC module assembly (1).
  18. Install the TX valve positioning bracket to HVAC module assembly retaining screws (2) and tighten to 1 N·m (9 lb in).

  19. Object Number: 2040995  Size: SH

    Note: Using a commercially available adhesive install the foam seal (1) to the HVAC module assembly (2)

  20. Install the foam seal (1) to the HVAC module assembly (2).

  21. Object Number: 2040983  Size: SH
  22. Install the wiring harness (1) to the HVAC module assembly (2).

  23. Object Number: 2040981  Size: SH
  24. Install the wiring harness (5) to the HVAC module assembly (4).
  25. Connect the main mode actuator electrical connector (1).
  26. Connect the air mix actuator electrical connector (2).
  27. Connect the rear mode actuator electrical connector (3).
  28. Install the HVAC module assembly. Refer to HVAC Module Assembly Replacement.