GM Service Manual Online
For 1990-2009 cars only

Removal Procedure

  1. Remove the glove box assembly. Refer to Instrument Panel Compartment Replacement.
  2. Remove the close out panel. Refer to Instrument Panel Insulator Panel Replacement - Right Side.
  3. Remove the right side floor air outlet duct. Refer to Floor Air Outlet Duct Replacement - Right Side.

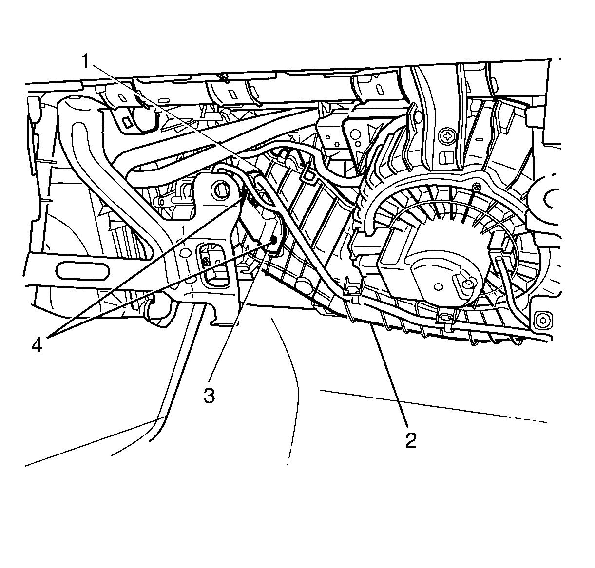
  4. Object Number: 2060239  Size: SH
  5. Disconnect the blower motor control processor electrical connector (1).
  6. Remove the blower motor control processor to HVAC module assembly retaining screws (4).
  7. Remove the blower motor control processor (3) from the HVAC module assembly (2).

Installation Procedure


    Object Number: 2060239  Size: SH
  1. Install the blower motor control processor (3) to the HVAC module assembly (2).
  2. Caution: Refer to Fastener Caution in the Preface section.

  3. Install the blower motor control processor to HVAC module assembly retaining screws (4) and tighten to 1 N·m (9 lb in).
  4. Connect the blower motor control processor electrical connector (1).
  5. Install the right side floor air outlet duct. Refer to Floor Air Outlet Duct Replacement - Right Side.
  6. Install the close out panel. Refer to Instrument Panel Insulator Panel Replacement - Right Side.
  7. Install the glove box assembly. Refer to Instrument Panel Compartment Replacement.