GM Service Manual Online
For 1990-2009 cars only
Makes
🢒
Pontiac
🢒
2004
🢒
GTO
🢒
Engine
🢒
Engine Mechanical - 5.7L
🢒 Disassembled Views
Figure
1:
Intake Manifold/Upper Engine
(307)
Engine Coolant Air Bleed Pipe
(308)
Engine Coolant Air Bleed Pipe/Cover Gasket
(308)
Engine Coolant Air Bleed Pipe/Cover Gasket
(309)
Engine Coolant Air Bleed Pipe Stud
(310)
Engine Coolant Air Bleed Hose Clamp
(311)
Engine Coolant Air Bleed Hose
(312)
Engine Coolant Air Bleed Cover Bolt
(313)
Engine Coolant Air Bleed Cover
(500)
Intake Manifold
(506)
Valley Cover Bolt
(507)
Throttle Body Bolt
(508)
Throttle Body
(509)
Throttle Body Gasket
(510)
Fuel Rail with Injectors
(511)
Fuel Rail Bolt
(512)
Intake Manifold Bolt
(513)
Intake Manifold Insulator
(514)
Intake Manifold Gaskets
(520)
Knock Sensor Oil Seals
(546)
Idle Air Control (IAC) Valve
(547)
IAC Bolt
(548)
Throttle Position Sensor (TPS) Bolt
(549)
TPS Sensor
(550)
Fuel Rail Ground Strap
(554)
IAC Valve O-Ring
(555)
Valley Cover
(556)
Valley Cover Gasket
(708)
EVAP Purge Valve
(712)
Fuel Rail Stop Bracket
(713)
Intake Manifold Bolt
(714)
Manifold Absolute Pressure (MAP) Sensor
(715)
MAP Sensor Grommet
(716)
Positive Crankcase Ventilation (PCV) Hose
(717)
Knock Sensor Wire Harness
(718)
Knock Sensor
(729)
EVAP Purge Valve Hose
(730)
EVAP Purge Valve Bracket
(731)
EVAP Purge Valve Hose
Figure
2:
Cylinder Head/Upper Engine
(209)
Valve Lifter
(210)
Valve Lifter Guide
(211)
Valve Lifter Guide Bolt
(212)
Pushrod
(213)
Rocker Arm
(214)
Rocker Arm Bolt
(215)
Rocker Arm Pedestal
(216)
Expansion Plug
(217)
Cylinder Head Gasket
(218)
Cylinder Head
(219)
Cylinder Head Bolt - M8 Short
(220)
Cylinder Head Bolt - M11 Medium
(221)
Cylinder Head Bolt - M11 Long - First Design
(222)
Valve Stem Oil Seal and Shim
(222)
Valve Stem Oil Seal and Shim
(223)
Valve Spring
(223)
Valve Spring
(224)
Valve Spring Cap
(224)
Valve Spring Cap
(225)
Valve Stem Key
(226)
Expansion Plug
(227)
Intake Valve
(228)
Exhaust Valve
(229)
Cylinder Head Coolant Plug
(230)
Cylinder Head Locating Pin
(422)
Oil Fill Tube O-Ring
(423)
Oil Fill Tube
(424)
Oil Fill Cap
(450)
Oil Fill Cap O-Ring
(504)
Valve Cover Gasket
(504)
Valve Cover Gasket
(505)
Valve Cover
(505)
Valve Cover
(515)
Valve Cover Bolt Grommet
(516)
Valve Cover Bolt
(557)
Valve Cover Grommet
(558)
Valve Cover Grommet Plug
(600)
Exhaust Manifold
(601)
Exhaust Manifold Gasket
(602)
Exhaust Manifold Bolt
(603)
Exhaust Manifold Heat Shield
(604)
Exhaust Manifold Heat Shield Bolt
(700)
Fresh Air Hose
(719)
Ignition Coil and Bracket Assembly
(720)
Ignition Coil and Bracket Assembly Bolt
(721)
Ignition Coil Wire Harness
(722)
Ignition Coil
(723)
Ignition Coil Bolt
(724)
Spark Plug Wire
(725)
Coolant Temperature Sensor
(726)
Spark Plug
Figure
3:
Front of Engine
(100)
Engine Block
(138)
Crankshaft Balancer
(139)
Crankshaft Balancer Bolt
(140)
Crankshaft Front Oil Seal
(200)
Camshaft
(201)
Camshaft Bearings
(202)
Camshaft Sprocket Locating Pin
(203)
Camshaft Retainer Plate
(204)
Camshaft Retainer Plate Bolt
(205)
Camshaft Sprocket
(206)
Camshaft Sprocket Bolt
(207)
Crankshaft Sprocket
(208)
Timing Chain
(231)
Timing Chain Guide Bolt
(232)
Timing Chain Guide
(300)
Water Pump
(301)
Water Pump Bolt
(302)
Thermostat Housing Bolt
(303)
Thermostat Housing
(304)
O-Ring
(305)
Thermostat
(306)
Water Pump Gaskets
(404)
Crankshaft Oil Deflector Nut
(405)
Oil Pump Screen Bolt
(406)
Oil Pump Screen O-Ring
(407)
Oil Pump Screen
(408)
Oil Pump Cover Bolt
(409)
Oil Pump Cover
(410)
Drive Gear
(411)
Oil Pump Bolt
(412)
Driven Gear
(413)
Oil Pump Assembly
(414)
Pressure Relief Valve
(415)
Pressure Relief Valve Spring
(416)
Plug
(417)
Oil Level Indicator O-Ring
(418)
Oil Level Indicator
(419)
Oil Level Indicator Tube Bolt
(420)
Oil Level Indicator Tube
(421)
Oil Level Indicator Tube O-Ring
(501)
Engine Front Cover Bolt
(502)
Engine Front Cover
(503)
Engine Front Cover Gasket
Figure
4:
Rear of Engine
(100)
Engine Block
(123)
Clutch Pilot Bearing - Manual Transmission
(132)
Flywheel - Automatic Transmission
(133)
Flywheel Bolt
(134)
Flywheel - Manual Transmission
(135)
Clutch Disc - Manual Transmission
(136)
Pressure Plate - Manual Transmission
(137)
Pressure Plate Bolt - Manual Transmission
(141)
Crankshaft Rear Oil Seal
(142)
Pressure Plate Locating Pin - Manual Transmission
(517)
Rear Cover Bolt
(518)
Rear Cover
(519)
Rear Cover Gasket
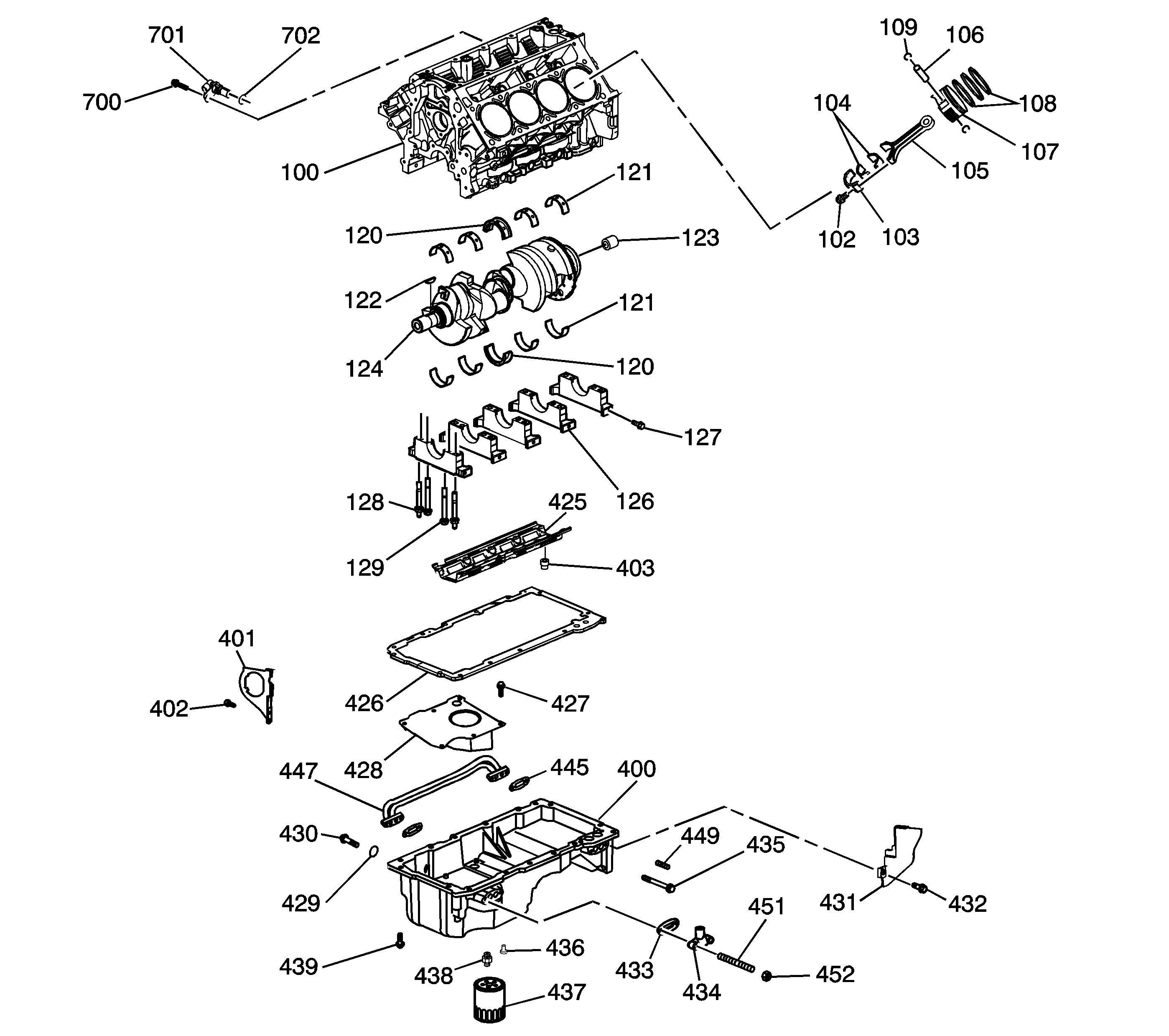
Figure
5:
Lower Engine Assembly
(100)
Engine Block
(102)
Connecting Rod Bolt
(103)
Connecting Rod Cap
(104)
Connecting Rod Bearings
(105)
Connecting Rod
(106)
Piston Pin
(107)
Piston
(108)
Piston Rings
(109)
Piston Pin Clip - Second Design with Full-Floating Pin
(120)
Crankshaft Thrust Bearing
(120)
Crankshaft Thrust Bearing
(121)
Crankshaft Main Bearing
(121)
Crankshaft Main Bearing
(122)
Crankshaft Sprocket Key
(123)
Clutch Pilot Bearing - Manual Transmission
(124)
Crankshaft
(126)
Bearing Cap
(127)
Bearing Cap Side Bolt
(128)
Bearing Cap Bolt/Stud
(129)
Bearing Cap Bolt
(400)
Oil Pan
(401)
Closeout Cover - Right
(402)
Closeout Cover Bolt - Right
(403)
Crankshaft Oil Deflector Nut
(425)
Crankshaft Oil Deflector
(426)
Oil Pan Gasket
(427)
Oil Pan Baffle Bolt
(428)
Oil Pan Baffle
(429)
Oil Pan Drain Plug O-Ring
(430)
Oil Pan Drain Plug
(431)
Closeout Cover - Left
(432)
Closeout Cover Bolt - Left
(433)
Oil Pan Cover Gasket
(434)
Oil Pan Cover
(435)
Oil Transfer Tube Bolt
(436)
Oil Filter Bypass Valve
(437)
Oil Filter
(438)
Oil Filter Adapter
(439)
Oil Pan Bolt
(445)
Oil Transfer Tube Gasket
(447)
Oil Transfer Tube
(449)
Oil Pan Plug
(451)
Oil Pan Cover Stud
(452)
Oil Pan Cover Nut
(700)
Crankshaft Position Sensor Bolt
(701)
Crankshaft Position Sensor
(702)
Crankshaft Position Sensor O-Ring
Figure
6:
Engine Block Plugs/Sensors
(100)
Engine Block
(101)
Oil Gallery Plug - Front
(110)
O-Ring
(110)
O-Ring
(111)
Oil Gallery Plug - Rear
(111)
Oil Gallery Plug - Rear
(112)
Oil Gallery Plug - Side
(113)
Washer
(114)
Engine Block Coolant Heater
(115)
Washer
(116)
Oil Gallery Plug - Side
(117)
Washer
(130)
Transmission Housing Locating Pin
(145)
Washer
(146)
Coolant Drain Hole Plug - Right
(700)
Crankshaft Position (CKP) Sensor Bolt
(701)
CKP Sensor
(702)
CKP Sensor O-Ring
(703)
Camshaft Position (CMP) Sensor
(704)
CMP Sensor O-Ring
(705)
CMP Sensor Bolt
(706)
Oil Pressure Sensor
(707)
Washer
Figure
7:
Oil Pump Assembly
(408)
Cover Bolt
(409)
Cover
(410)
Drive Gear
(412)
Driven Gear
(413)
Oil Pump
(414)
Pressure Relief Valve
(415)
Pressure Relief Valve Spring
(416)
Plug