GM Service Manual Online
For 1990-2009 cars only
Makes
🢒
Pontiac
🢒
2004
🢒
GTO
🢒
Engine
🢒
Engine Cooling
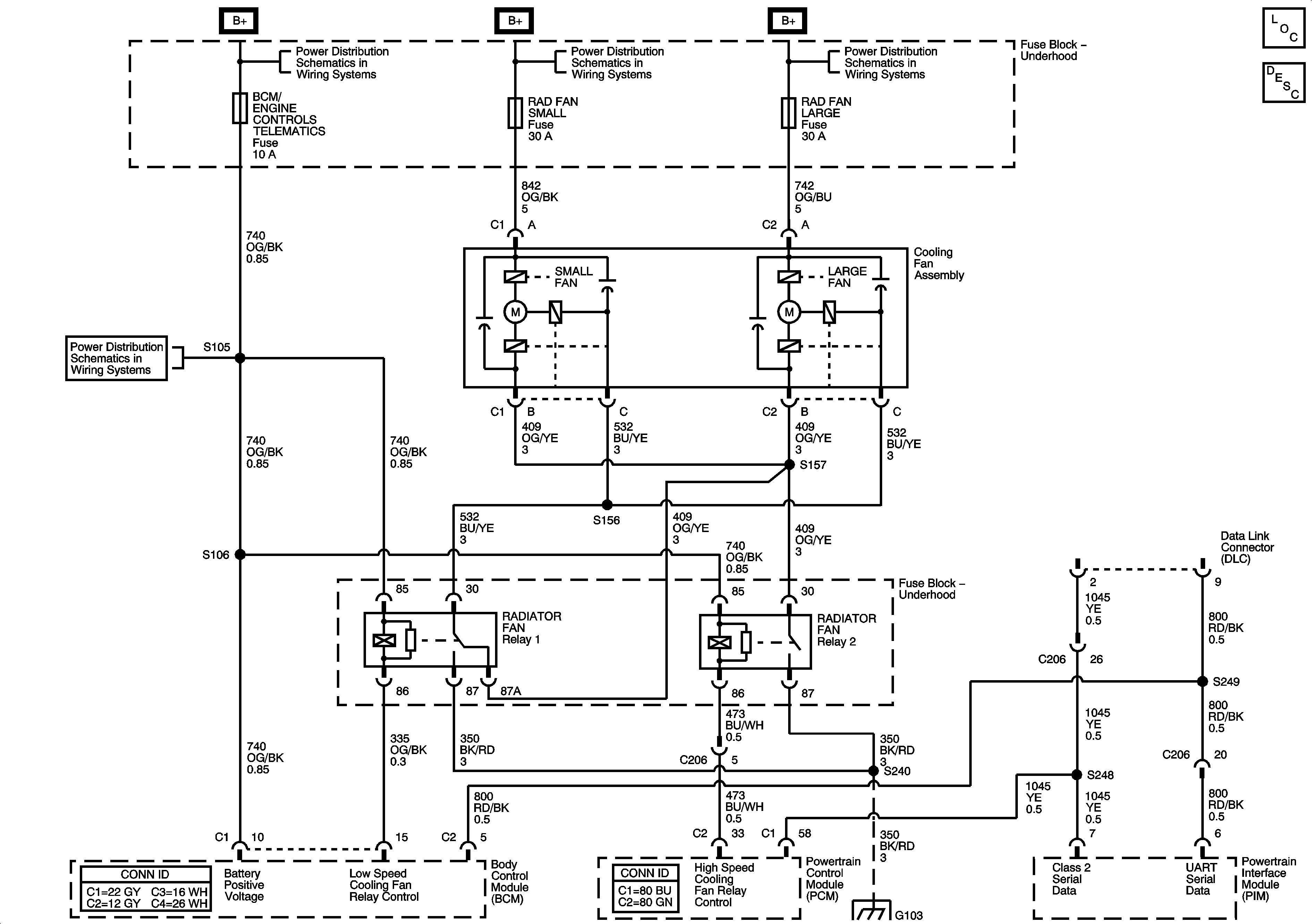
🢒 Engine Cooling Schematics
Master Electrical Component List
Cooling System Description and Operation
Engine, Fuel Pump, BCM/Engine Control Telematics Fuses
Main, Blower, Rad Fan Small, Power Door Locks, Theft, Horn, Power Windows Fuses
Engine, Fuel Pump, BCM/Engine Control Telematics Fuses
Engine, Fuel Pump, BCM/Engine Control Telematics Fuses
SP100 and G102, G103, G200