GM Service Manual Online
For 1990-2009 cars only
Makes
🢒
Pontiac
🢒
2004
🢒
GTO
🢒
Engine
🢒
Engine Electrical
🢒 Starting and Charging Schematics
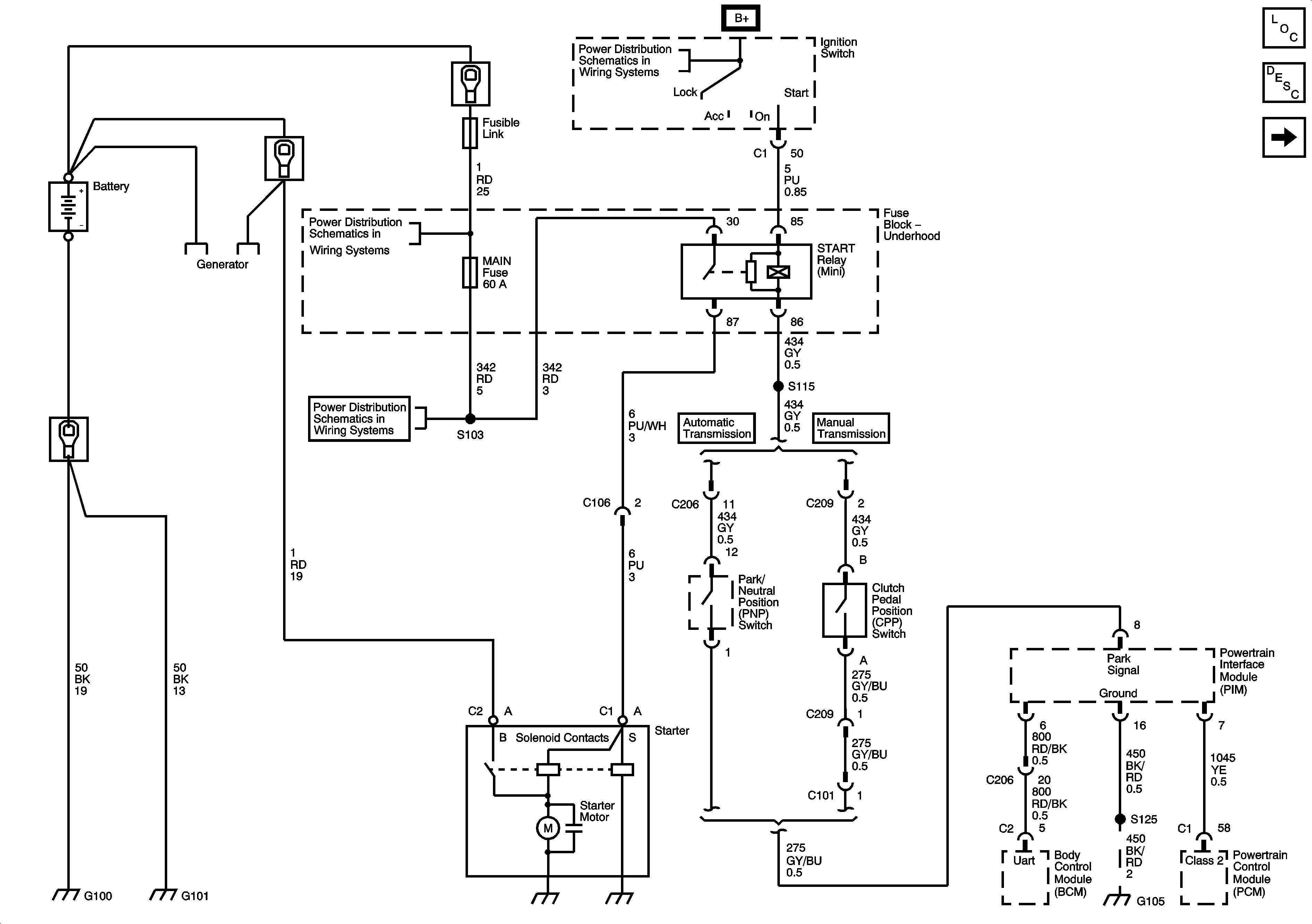
Figure
1:
Starting System
Master Electrical Component List
Charging Schematic
Ignition Switch
Main, Blower, Rad Fan Small, Power Door Locks, Theft, Horn, Power Windows Fuses
Main, Blower, Rad Fan Small, Power Door Locks, Theft, Horn, Power Windows Fuses
G100, G101, SP100 and G102
G100, G101, SP100 and G102
G104 and G105
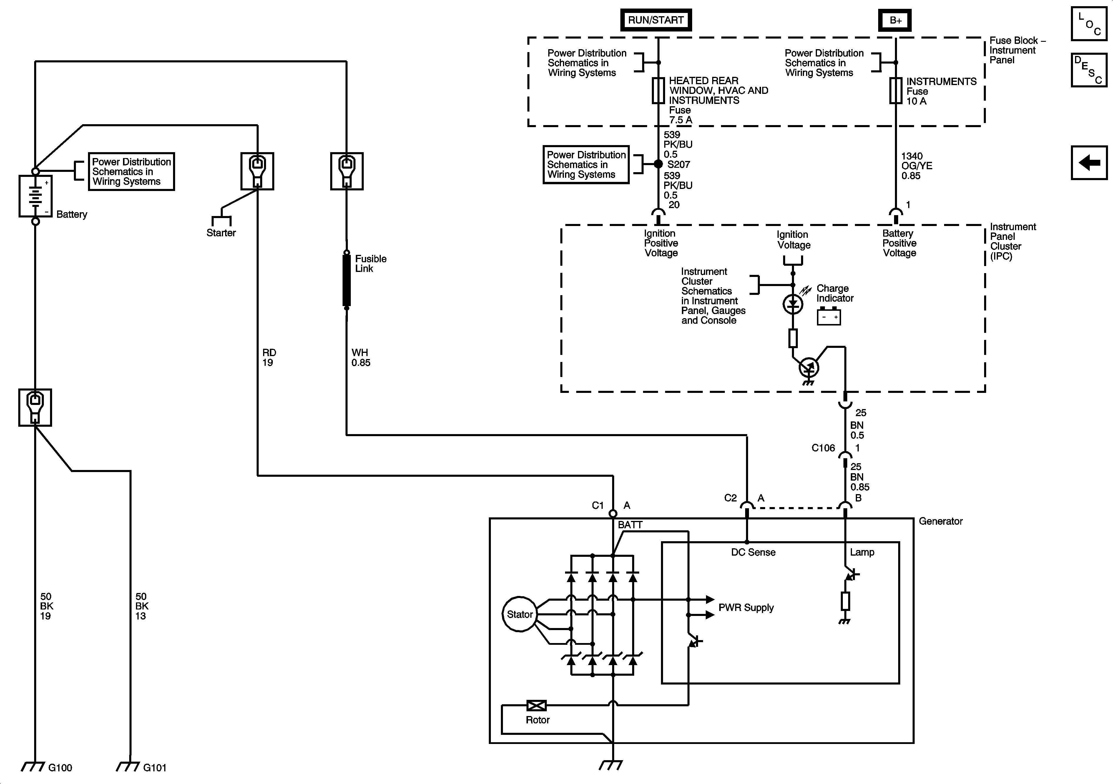
Figure
2:
Charging System
Master Electrical Component List
Charging System Description and Operation
Battery, Rad Fan Large, Lighting, ABS Fuses
G100, G101, SP100 and G102
G100, G101, SP100 and G102
Turn Signals, Heated Rear Window, HVAC and Instruments Fuses
Turn Signals, Heated Rear Window, HVAC and Instruments Fuses
Main, Blower, Rad Fan Small, Power Door Locks, Theft, Horn, Power Windows Fuses
Charge, DRL, Hi Beam, Fog Lamps, Turn Indicators