GM Service Manual Online
For 1990-2009 cars only
Figure 1:

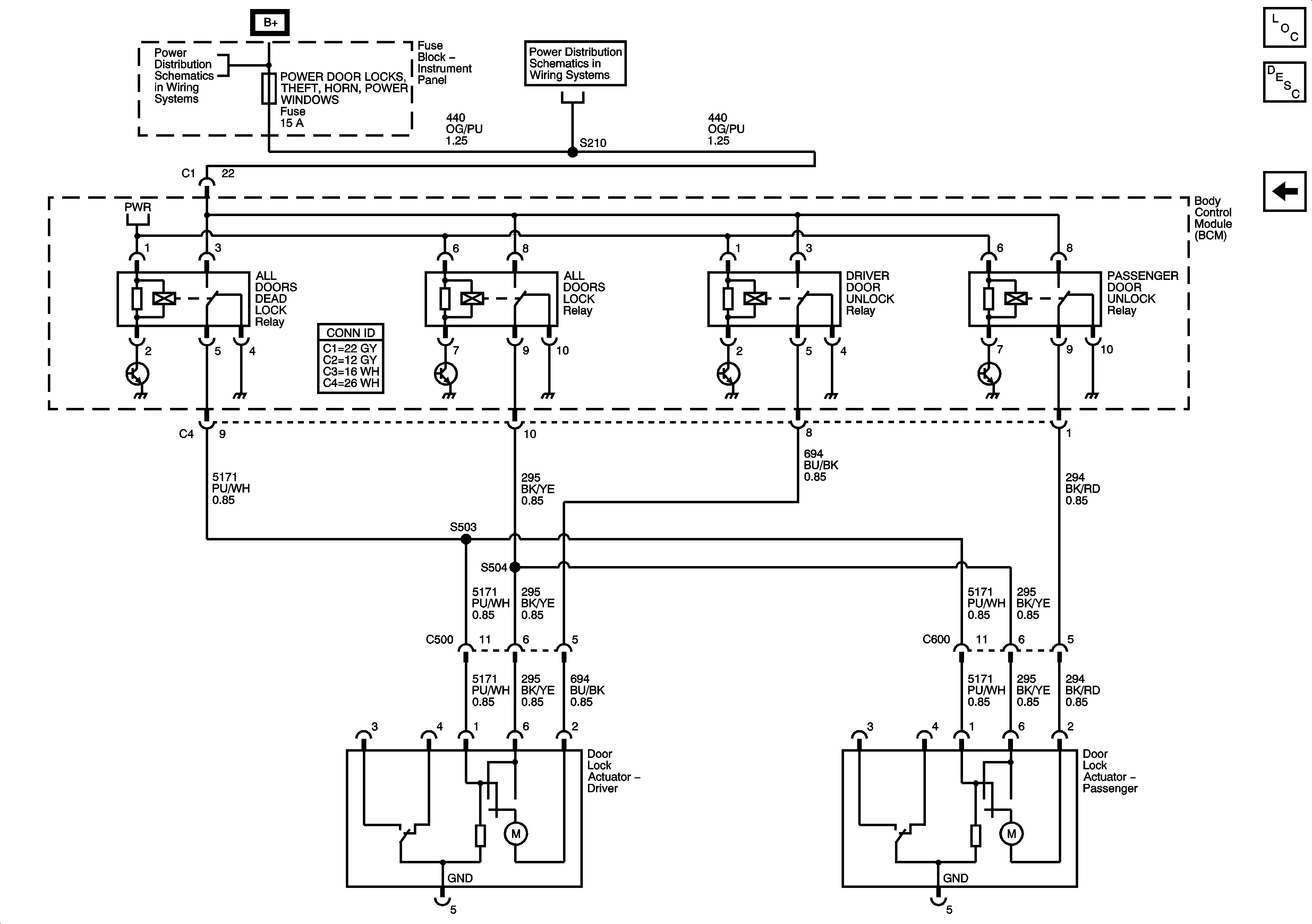
Door Lock Switch, Body Control Module (BCM), Door Lock Actuators


Object Number: 1357144  Size: FS
Master Electrical Component List
Theft Systems Description and Operation
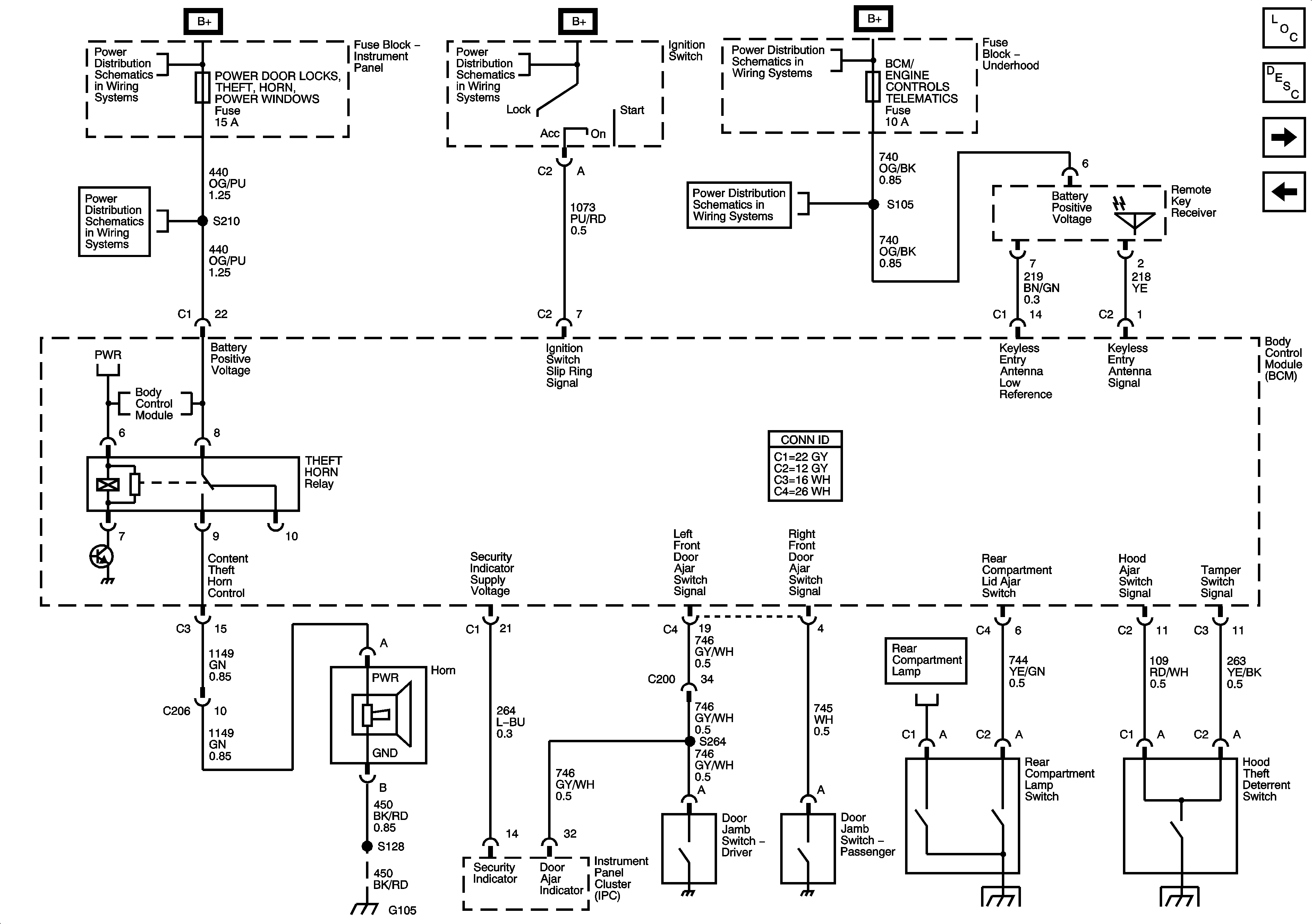
Theft/Horn Relay, Rear Compartment Lamp Switch, Hood Theft Deterent Switch, BCM
Engine, Fuel Pump, BCM/Engine Control Telematics Fuses
Engine, Fuel Pump, BCM/Engine Control Telematics Fuses
G300, G301, G400
Figure 2:

Theft/Horn Relay, Rear Compartment Lamp Switch, Hood Theft Deterrent Switch, BCM


Object Number: 1361093  Size: FS
Master Electrical Component List
Theft Systems Description and Operation
Door Lock Relays, BCM, Door Lock Actuators
Door Lock Switch, BCM, Door Lock Actuators
Main, Blower, Rad Fan Small, Power Door Locks, Theft, Horn, Power Windows Fuses
Main, Blower, Rad Fan Small, Power Door Locks, Theft, Horn, Power Windows Fuses
Ignition Switch
Figure 3:

Door Lock Relays, Body Control Module (BCM), Door Lock Actuators


Object Number: 1357145  Size: FS
Master Electrical Component List
Theft Systems Description and Operation
Theft/Horn Relay, Rear Compartment Lamp Switch, Hood Theft Deterent Switch, BCM
Main, Blower, Rad Fan Small, Power Door Locks, Theft, Horn, Power Windows Fuses
Main, Blower, Rad Fan Small, Power Door Locks, Theft, Horn, Power Windows Fuses