GM Service Manual Online
For 1990-2009 cars only
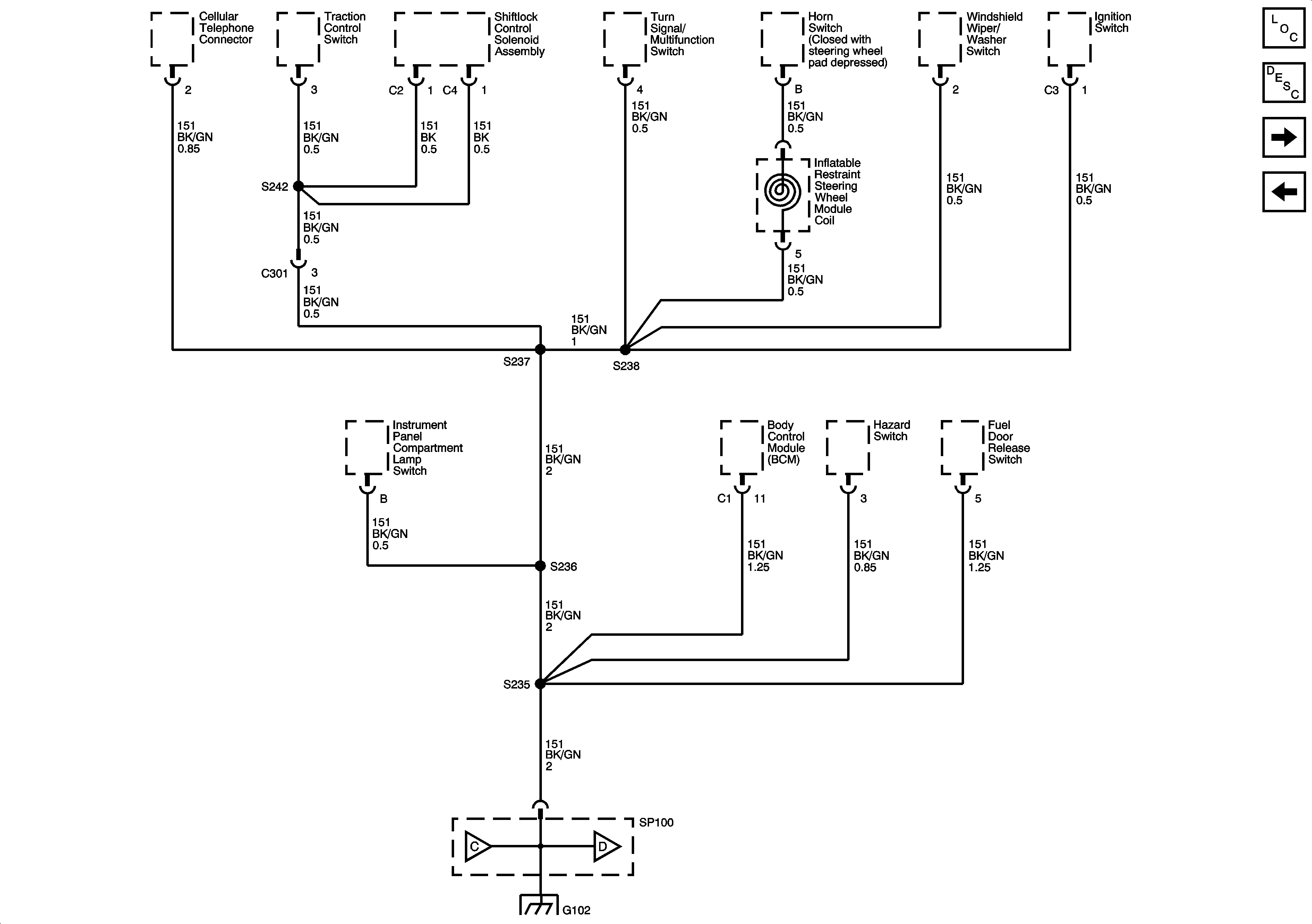
Figure 1:

G100, G101, SP100 and G102


Object Number: 1211754  Size: FS
Master Electrical Component List
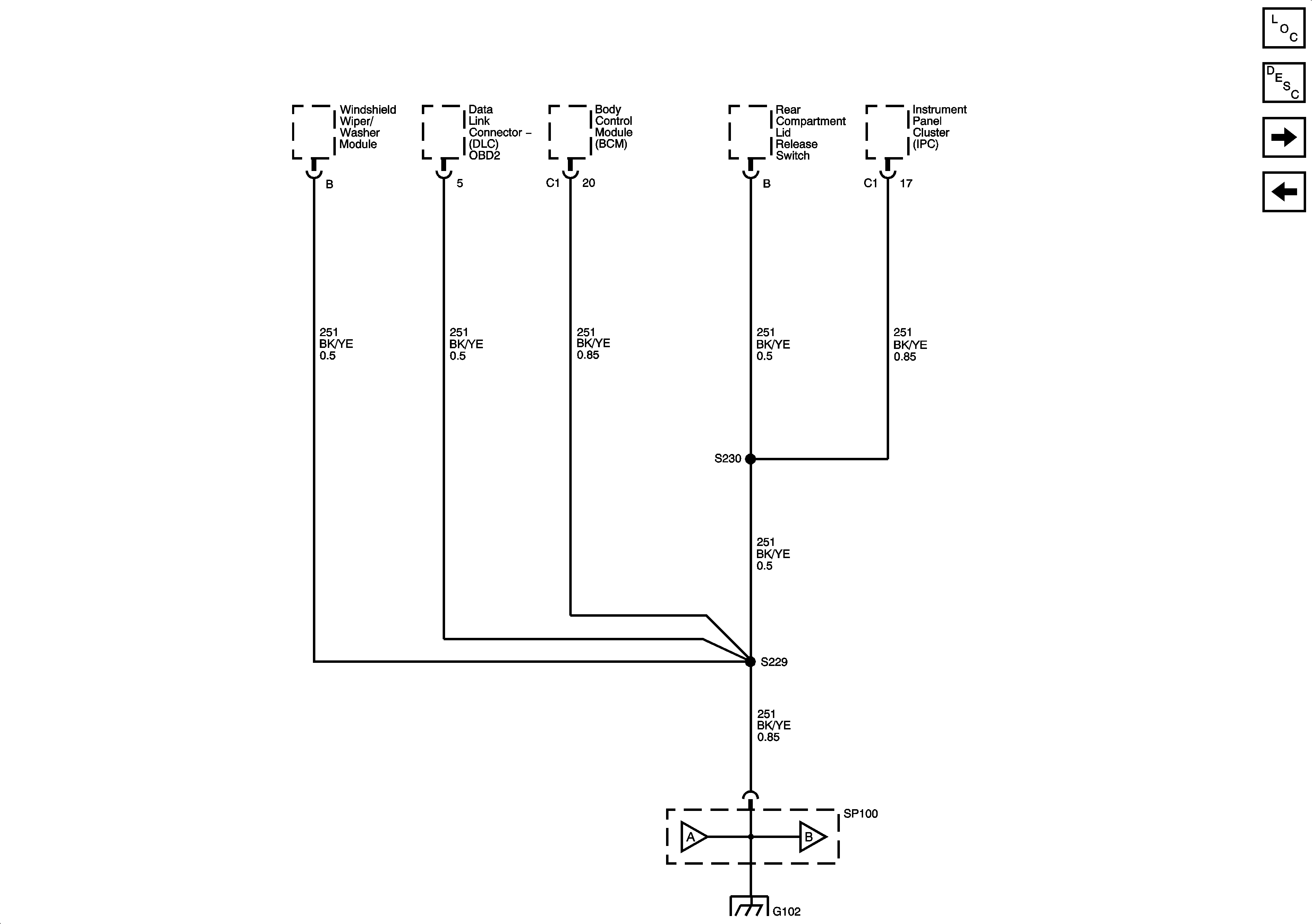
SP100 and G102
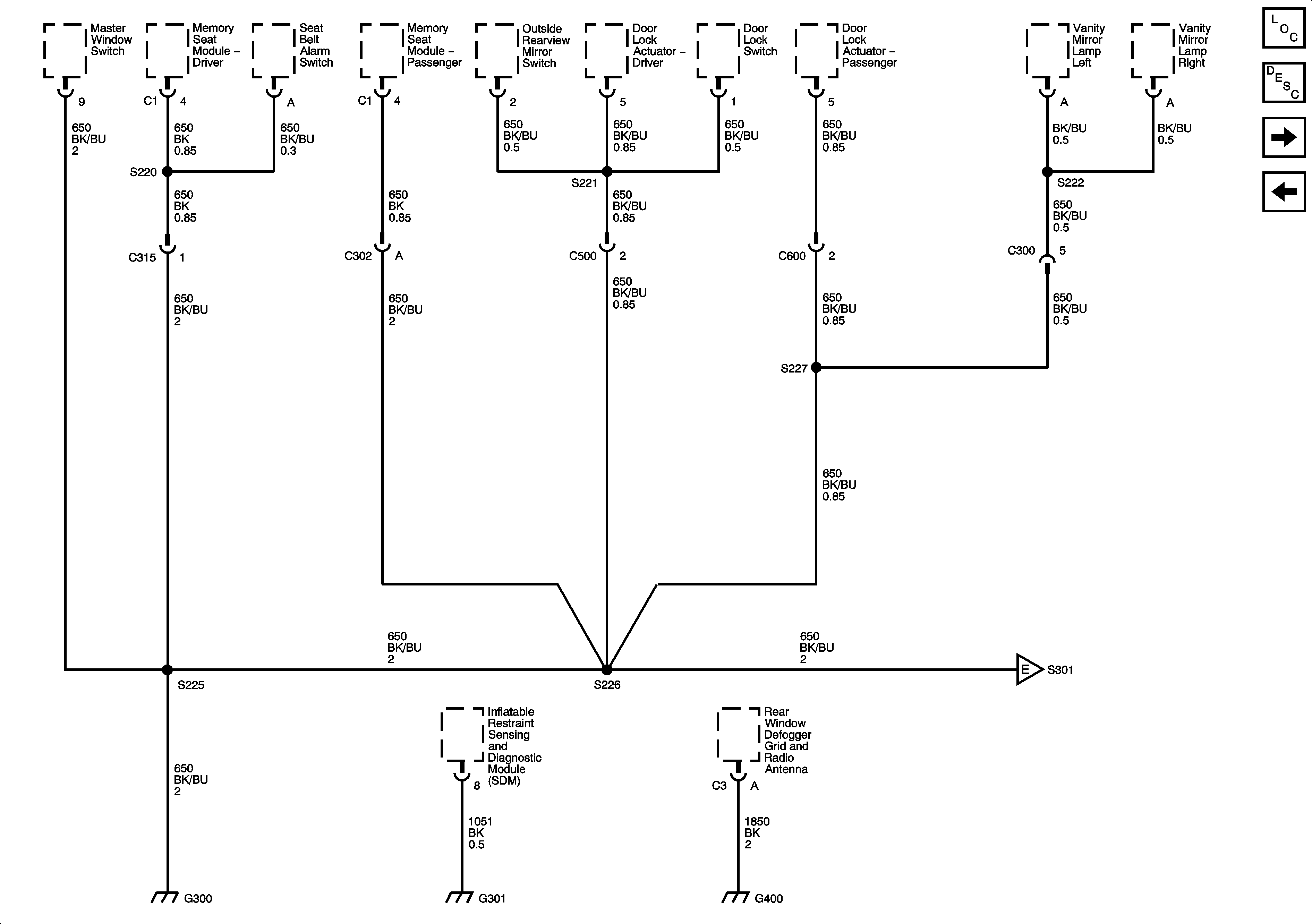
Figure 2:

SP100 and G102


Object Number: 1211756  Size: FS
Master Electrical Component List
SP100 and G102
G100, G101, SP100 and G102
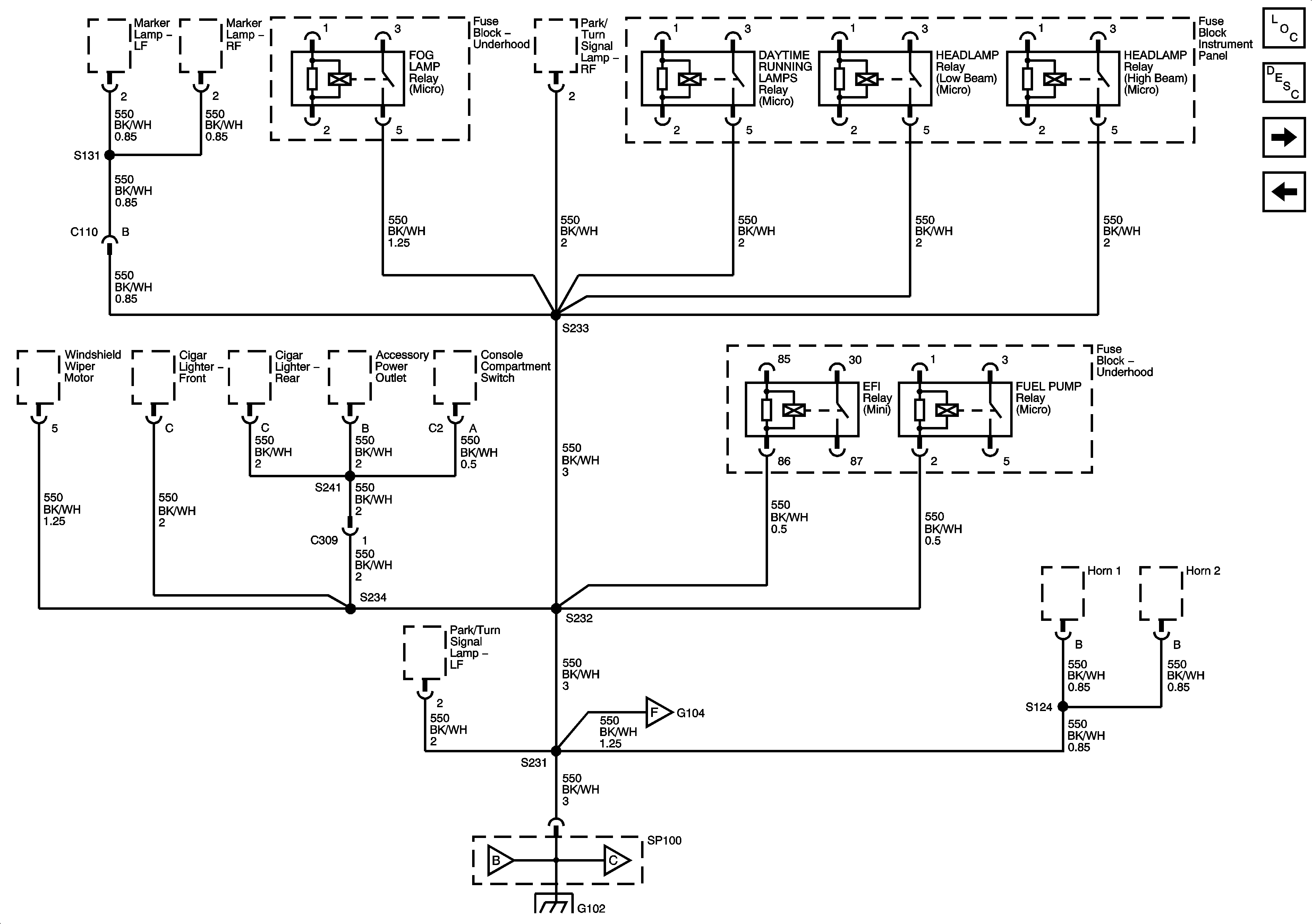
Figure 3:

SP100 and G102


Object Number: 1211757  Size: FS
Master Electrical Component List
SP100 and G102
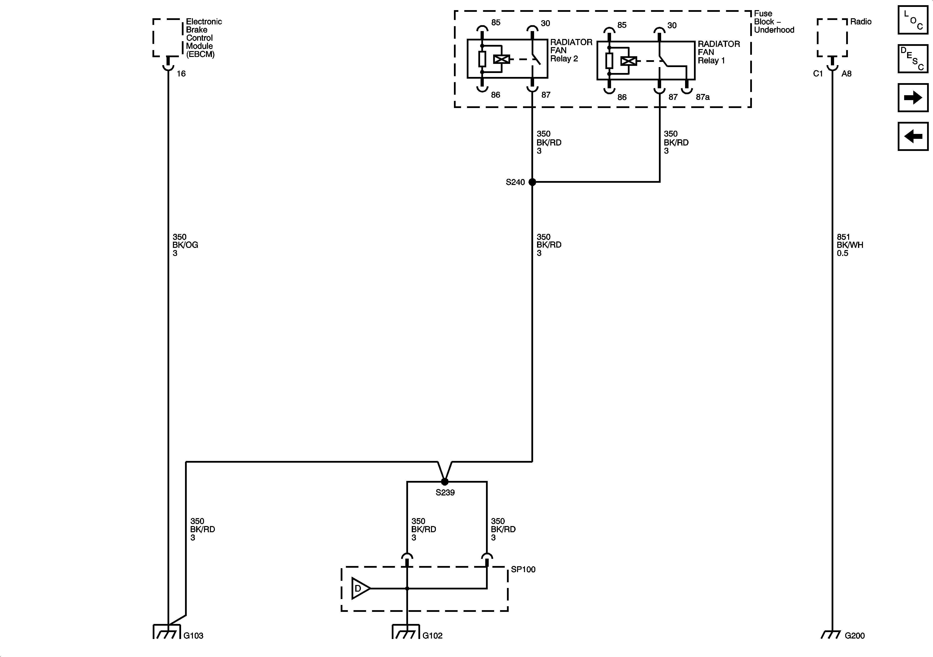
SP100 and G102
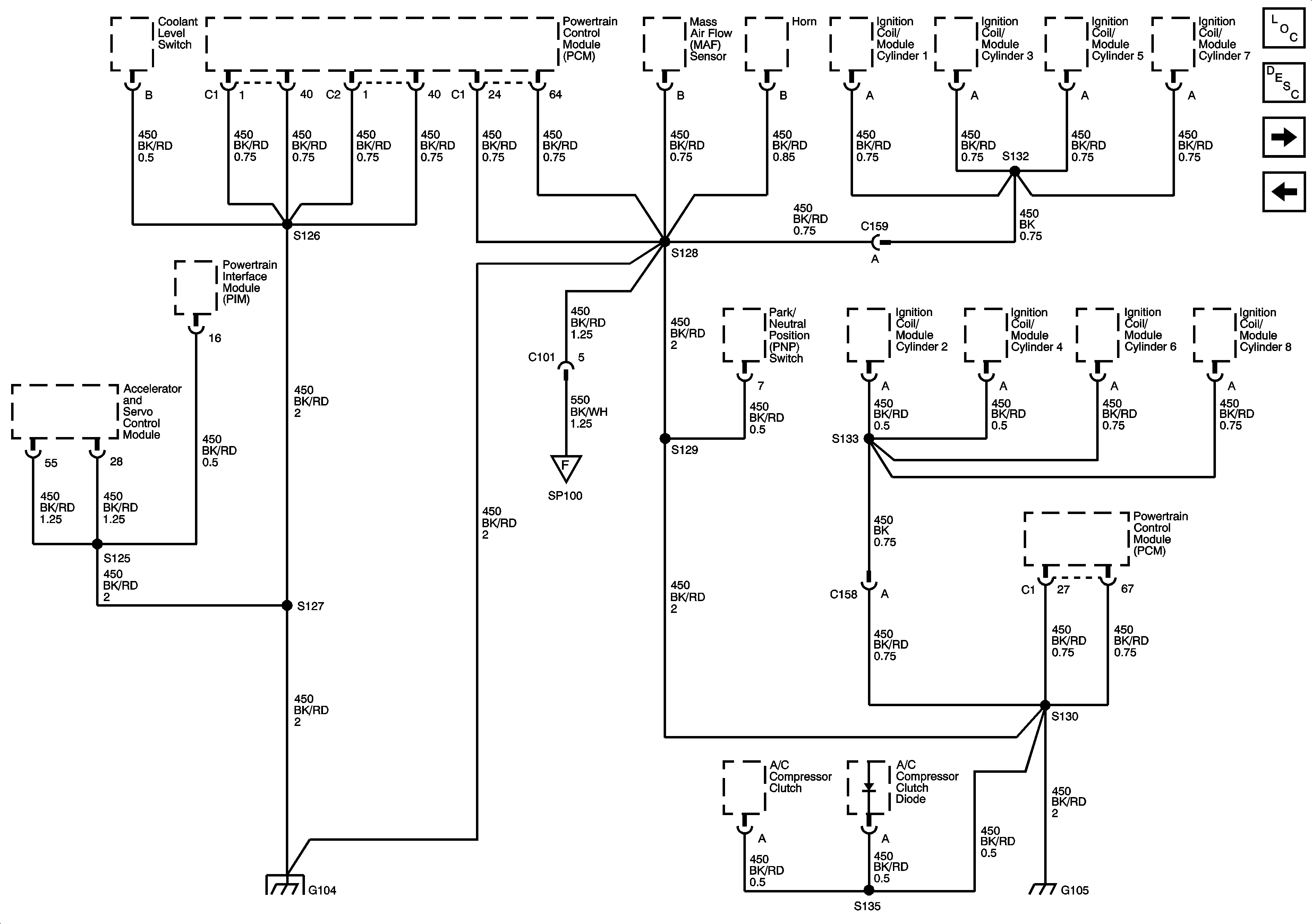
Figure 4:

SP100 and G102


Object Number: 1211758  Size: FS
Master Electrical Component List
SP100 and G102, G103, G200
SP100 and G102
Figure 5:

SP100 and G102, G103, G200


Object Number: 1211759  Size: FS
Master Electrical Component List
G104 and G105
SP100 and G102
Figure 6:

G104 and G105


Object Number: 1211762  Size: FS
Master Electrical Component List
G300, G301, G400
SP100 and G102, G103, G200
Figure 7:

G300, G301 and G400


Object Number: 1211760  Size: FS
Master Electrical Component List
G900 and G901
G104 and G105
Figure 8:

G900 and G901


Object Number: 1211761  Size: FS
Master Electrical Component List
G300, G301, G400