GM Service Manual Online
For 1990-2009 cars only
Makes
🢒
Pontiac
🢒
2004
🢒
GTO
🢒
Transmission/Transaxle
🢒
Manual Transmission - Tremec 6-Speed
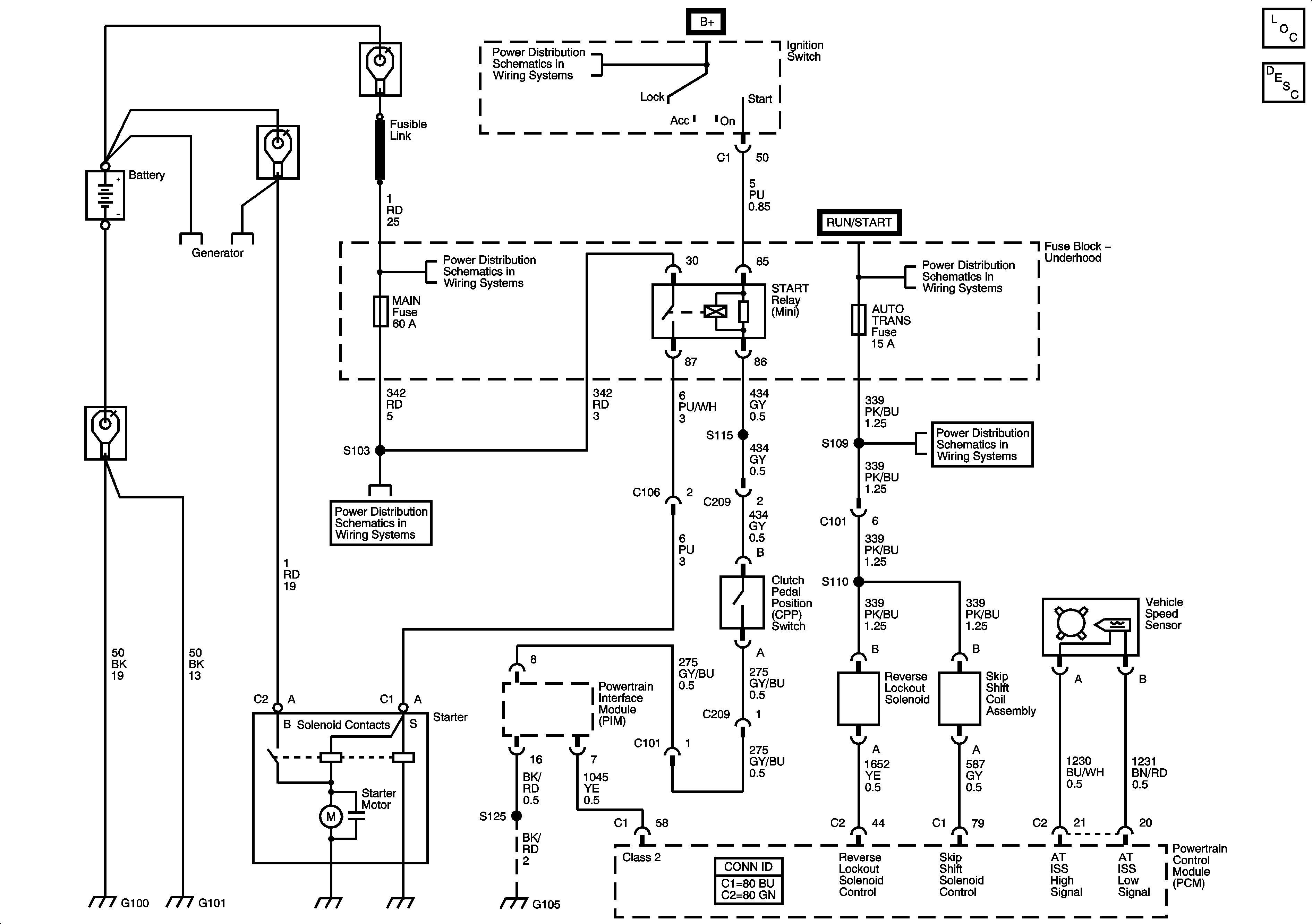
🢒 Manual Transmission Schematics
Master Electrical Component List
Manual Transmission Description and Operation
Ignition Switch
Main, Blower, Rad Fan Small, Power Door Locks, Theft, Horn, Power Windows Fuses
Main, Blower, Rad Fan Small, Power Door Locks, Theft, Horn, Power Windows Fuses
G100, G101, SP100 and G102
G100, G101, SP100 and G102
G104 and G105
EFI Relay, Auto Trans, Engine Sensors Fuses
EFI Relay, Auto Trans, Engine Sensors Fuses