GM Service Manual Online
For 1990-2009 cars only
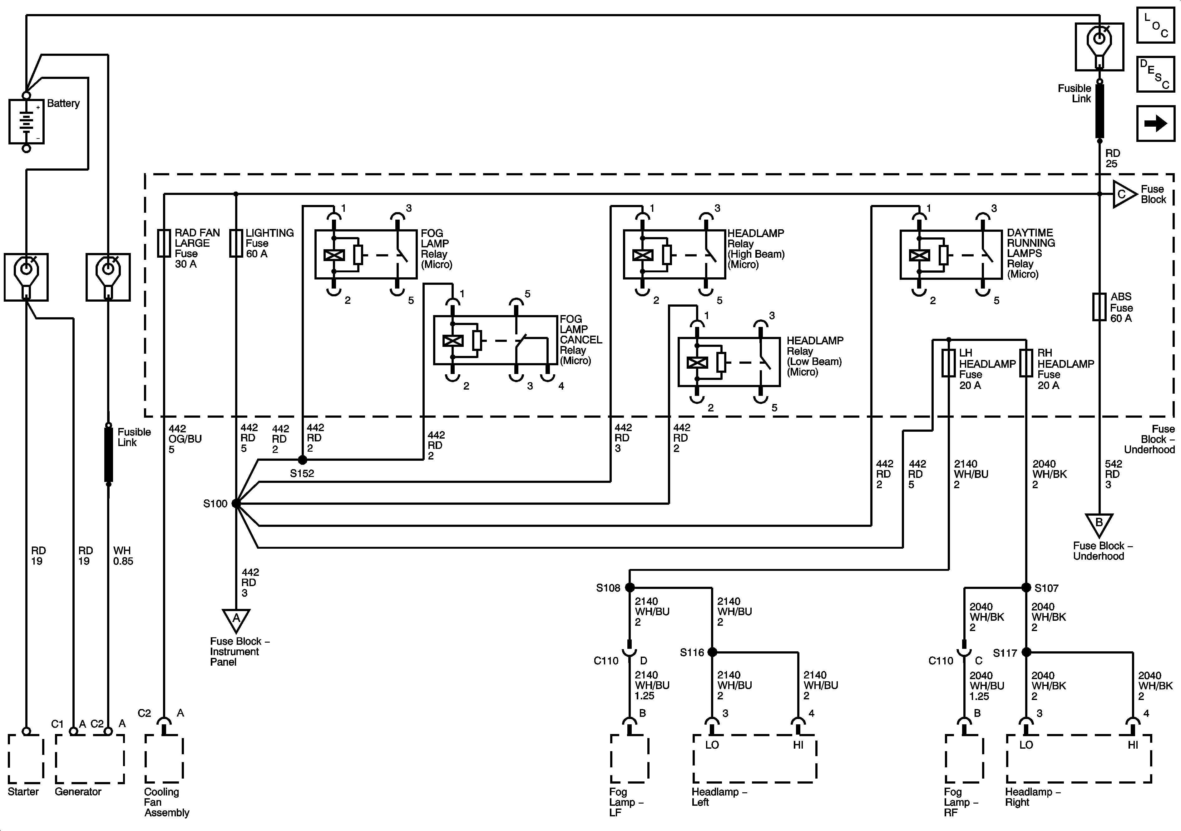
Figure 1:

Battery, RAD FAN LARGE, LIGHTING, ABS Fuses


Object Number: 1211944  Size: FS
Master Electrical Component List
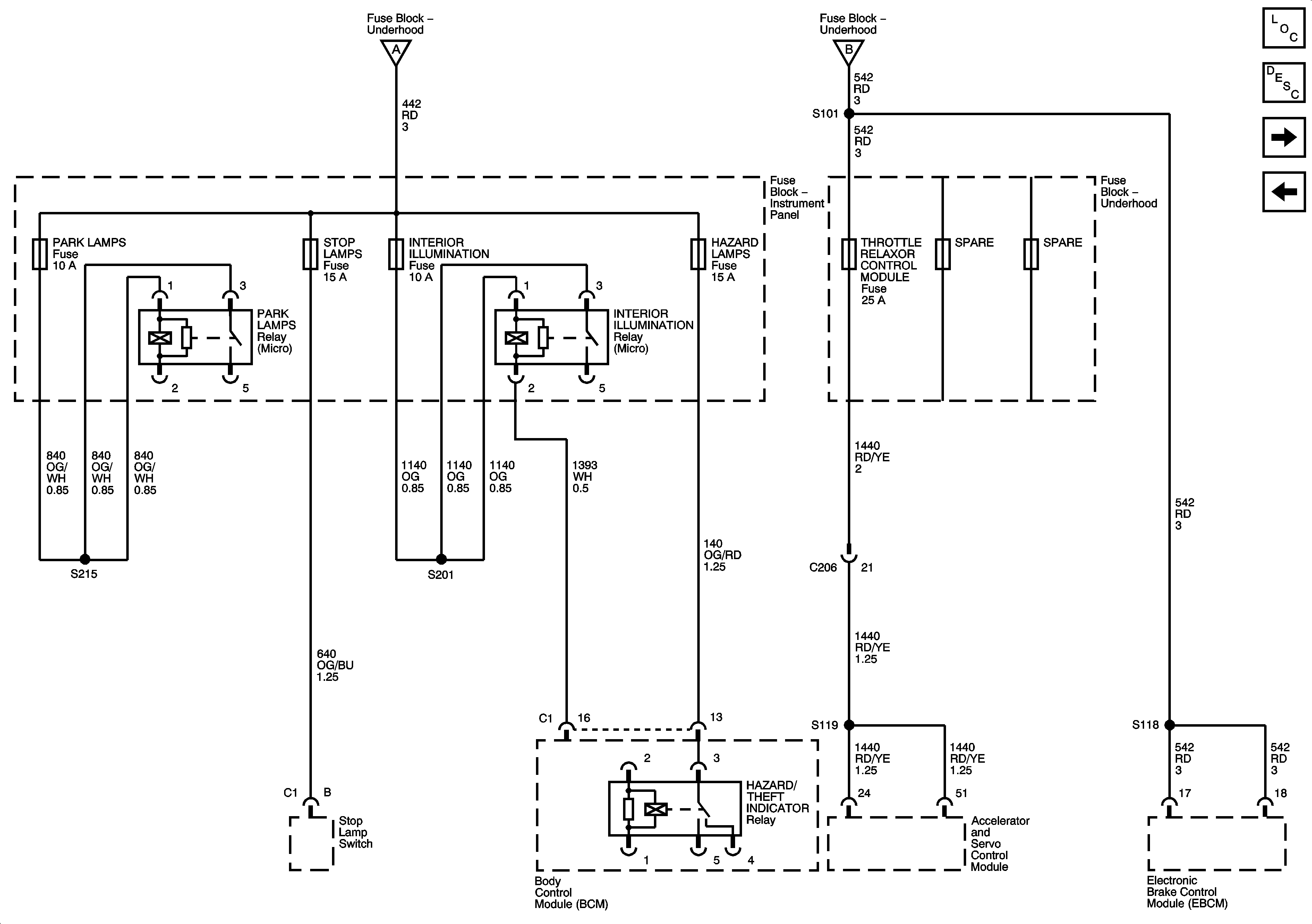
Park Lamps, Stoplamps, Interior Illumination, Hazard Lamps, Throttle Fuses
Figure 2:

PARK LAMPS, STOP LAMPS, INTERIOR ILLUMINATION, HAZARD LAMPS, THROTTLE RELAXER CONTROL Fuses


Object Number: 1211946  Size: FS
Master Electrical Component List
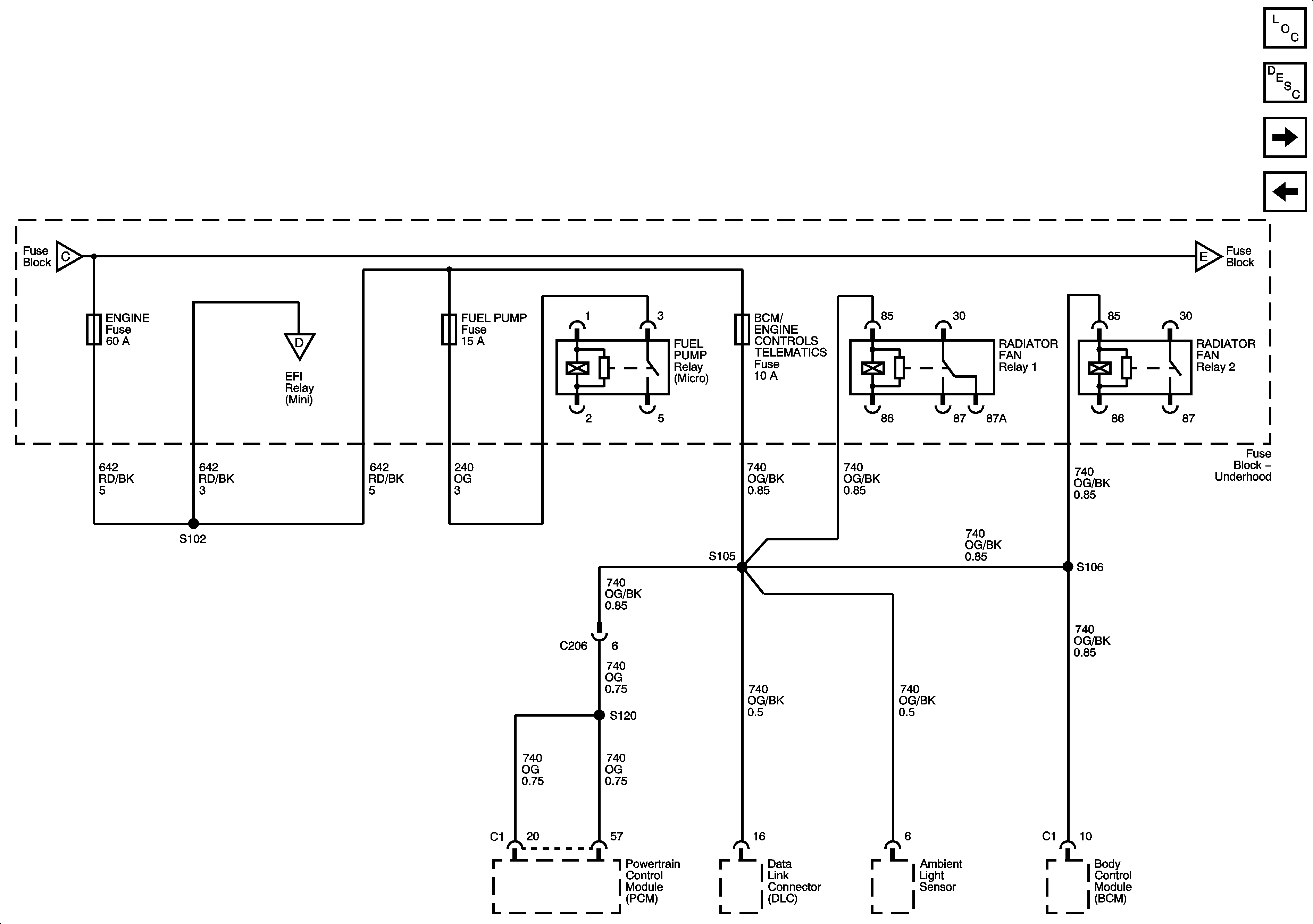
Engine, Fuel Pump, BCM/Engine Control Telematics Fuses
Battery, Rad Fan Large, Lighting, ABS Fuses
Figure 3:

ENGINE, FUEL PUMP, BCM/ENGINE CONTROL TELEMATICS Fuses


Object Number: 1211947  Size: FS
Master Electrical Component List
Main, Blower, Rad Fan Small, Power Door Locks, Theft, Horn, Power Windows Fuses
Park Lamps, Stoplamps, Interior Illumination, Hazard Lamps, Throttle Fuses
Figure 4:

MAIN, BLOWER FAN, RAD FAN SMALL, INSTRUMENTS, POWER DOOR LOCKS, THEFT, HORN, POWER WINDOWS Fuses


Object Number: 1211956  Size: FS
Master Electrical Component List
Heated Rear Window, Radio, Cell Phone, Amplifier, Ignition Switch, Horn Fuses
Engine, Fuel Pump, BCM/Engine Control Telematics Fuses
Figure 5:

HEATED REAR WINDOW, RADIO, CELLULAR PHONE, SUB-WOOFER, AMPLIFIER, IGNITION SWITCH, HORN Fuses


Object Number: 1211949  Size: FS
Master Electrical Component List
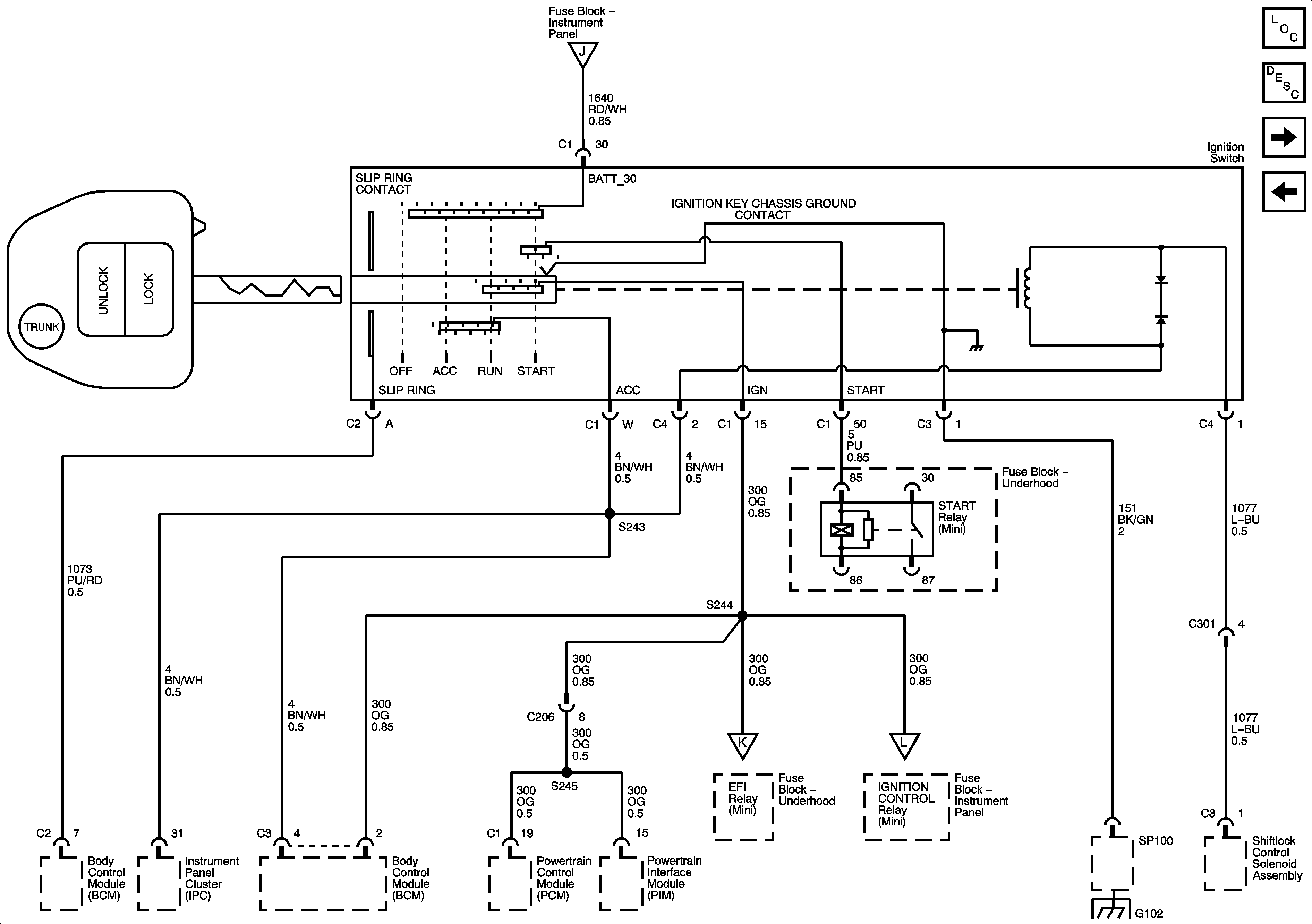
Ignition Switch
Main, Blower, Rad Fan Small, Power Door Locks, Theft, Horn, Power Windows Fuses
Figure 6:

Ignition Switch


Object Number: 1211951  Size: FS
Master Electrical Component List
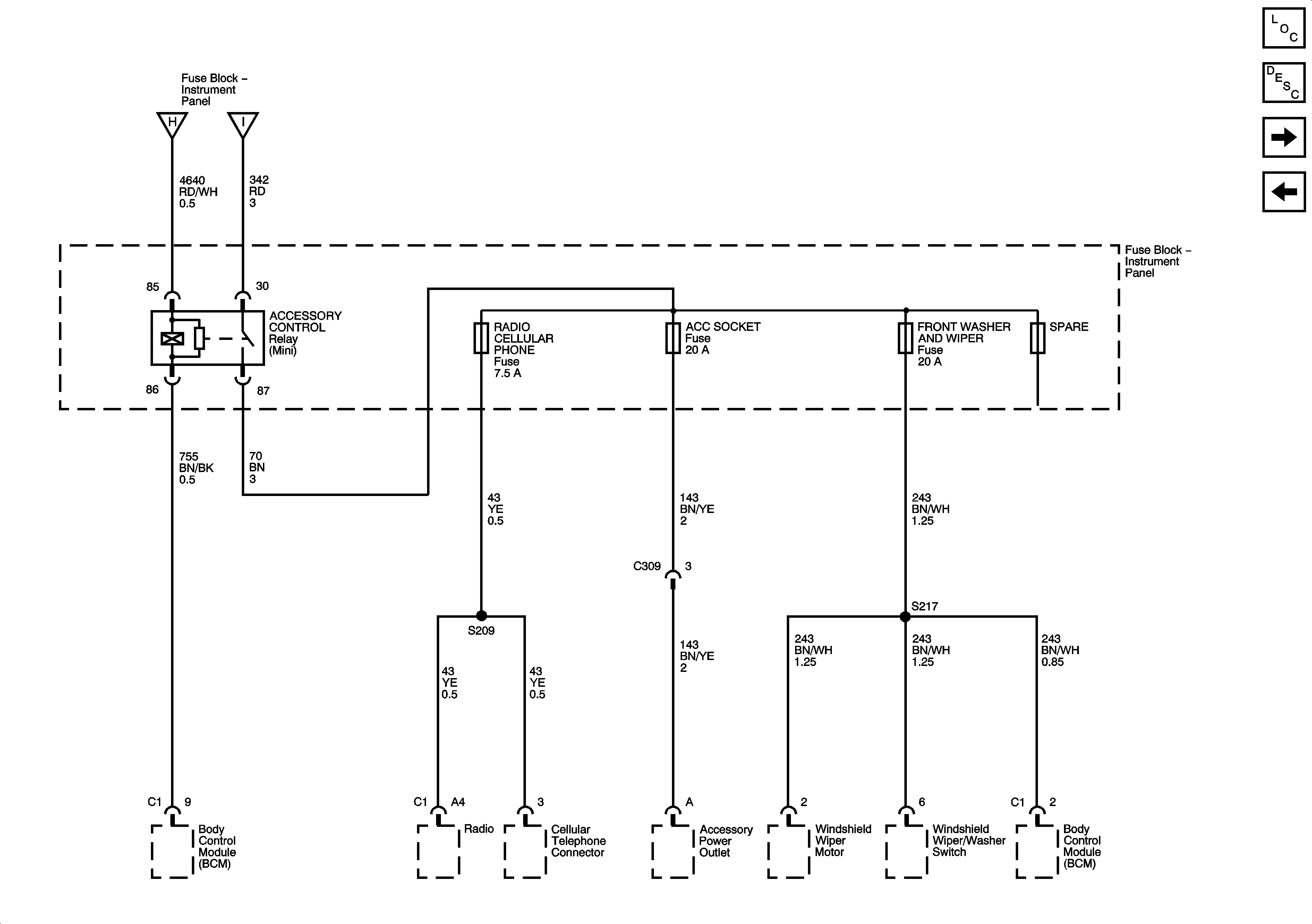
Accessory Control relay, Radio/Phone, ACC Socket, Front Washer/Wiper Fuses
Heated Rear Window, Radio, Cell Phone, Amplifier, Ignition Switch, Horn Fuses
Figure 7:

Accessory Control Relay, RADIO CELLULAR PHONE, ACC SOCKET, FRONT WASHER and WIPER Fuses


Object Number: 1347617  Size: FS
Master Electrical Component List
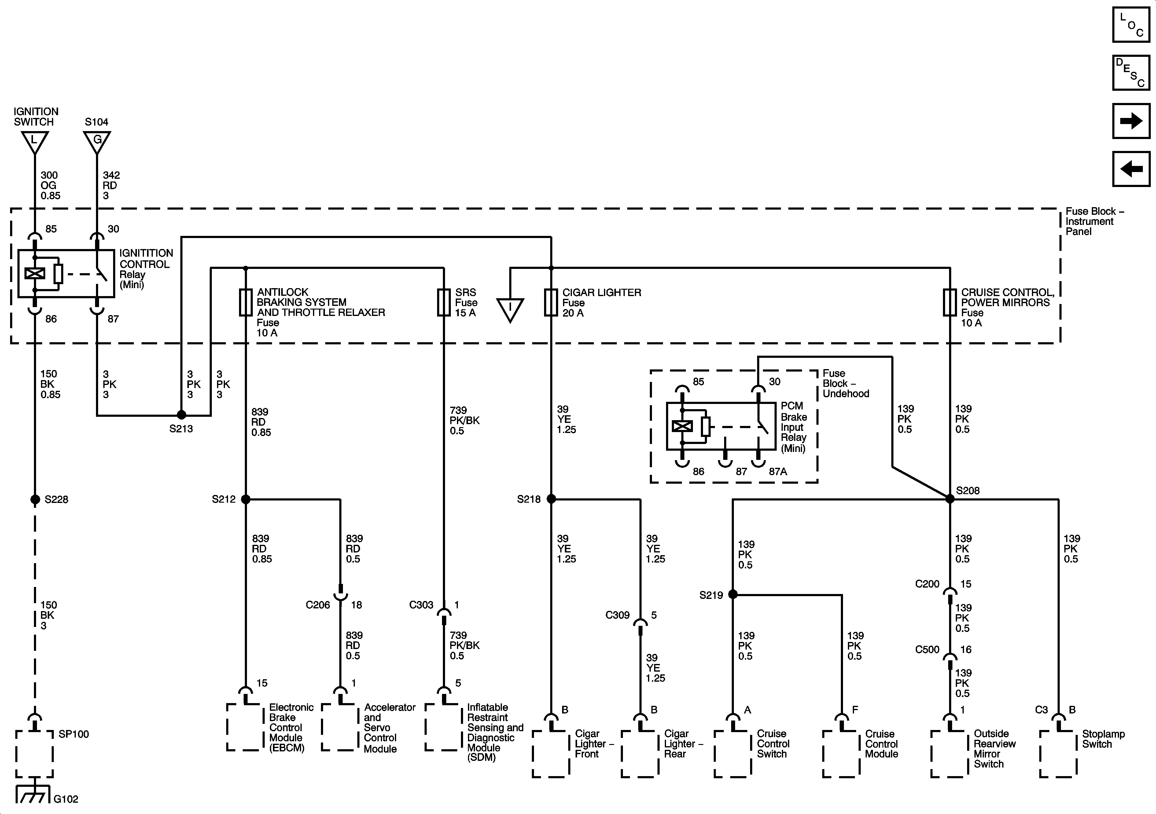
Ignition Control Relay, ABS, Throttle Relaxer, SRS, Cigar Lighter, Cruise Fuses
Ignition Switch
Figure 8:

Ignition Control Relay, ABS and THROTTLE RELAXER, SRS, CIGAR LIGHTER, CRUISE CONTROL, POWER MIRROR Fuses


Object Number: 1334190  Size: FS
Master Electrical Component List
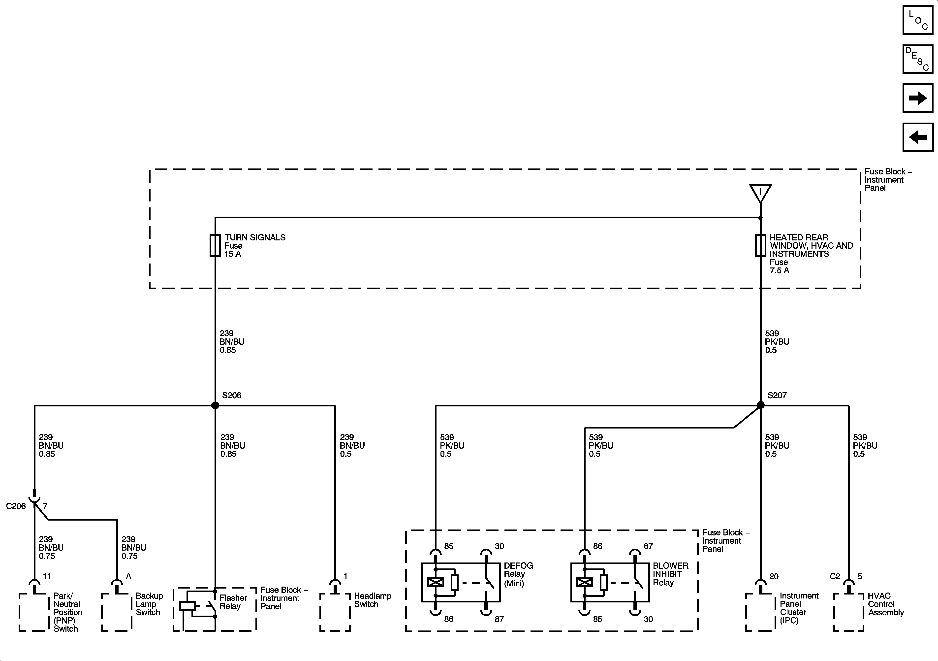
Turn Signals, Heated Rear Window, HVAC and Instruments Fuses
Accessory Control relay, Radio/Phone, ACC Socket, Front Washer/Wiper Fuses
Figure 9:

TURN SIGNALS, HEATED REAR WINDOW, HVAC, and INSTRUMENTS Fuses


Object Number: 1334189  Size: FS
Master Electrical Component List
EFI Relay, Auto Trans, Engine Sensors Fuses
Ignition Control Relay, ABS, Throttle Relaxer, SRS, Cigar Lighter, Cruise Fuses
Figure 10:

EFI Relay, AUTO TRANS, ENGINE SENSORS Fuses


Object Number: 1364449  Size: FS
Master Electrical Component List
Fuel Injectors and Ignition Module Fuses
Turn Signals, Heated Rear Window, HVAC and Instruments Fuses
Figure 11:

Fuel Injectors and Ignition Module Fuses


Object Number: 1364450  Size: FS
Master Electrical Component List
EFI Relay, Auto Trans, Engine Sensors Fuses