GM Service Manual Online
For 1990-2009 cars only
Makes
🢒
Pontiac
🢒
2004
🢒
GTO
🢒
HVAC
🢒
HVAC Systems - Manual
🢒 HVAC Schematics
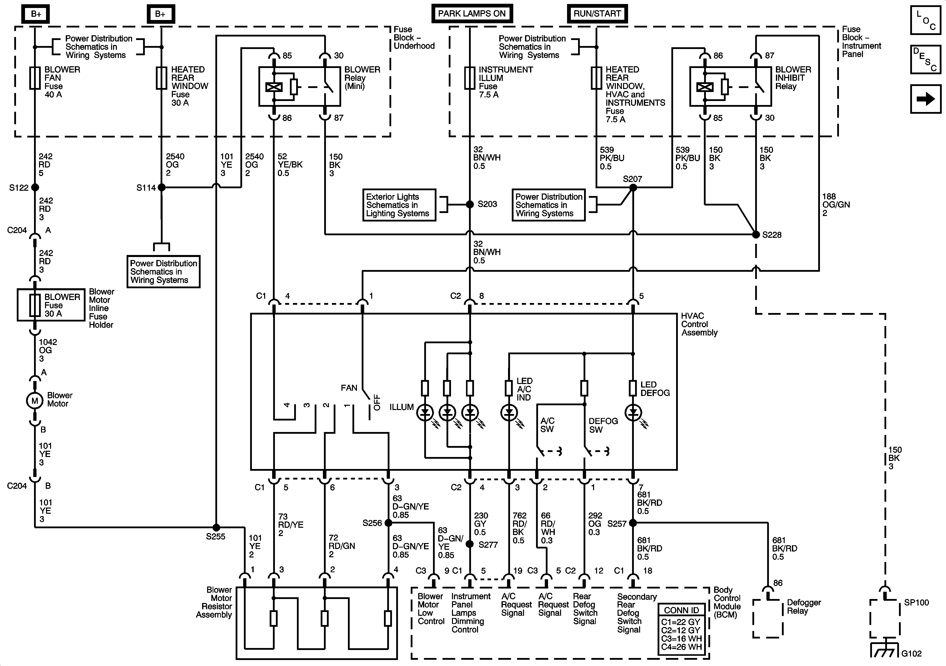
Figure
1:
Blower Control
Master Electrical Component List
Air Delivery Description and Operation
A/C Control
Main, Blower, Rad Fan Small, Power Door Locks, Theft, Horn, Power Windows Fuses
Heated Rear Window, Radio, Cell Phone, Amplifier, Ignition Switch, Horn Fuses
Heated Rear Window, Radio, Cell Phone, Amplifier, Ignition Switch, Horn Fuses
Headlamp Switch, Hazard Switch and Flasher
Turn Signals, Heated Rear Window, HVAC and Instruments Fuses
Turn Signals, Heated Rear Window, HVAC and Instruments Fuses
G100, G101, SP100 and G102
Knock Sensors, MAP, Engine Oil Pressure (EOP), IAT, A/C Pressure SensorsKnock Sensors, MAP, Engine Oil Pressure (EOP), IAT, A/C Pressure Sensors
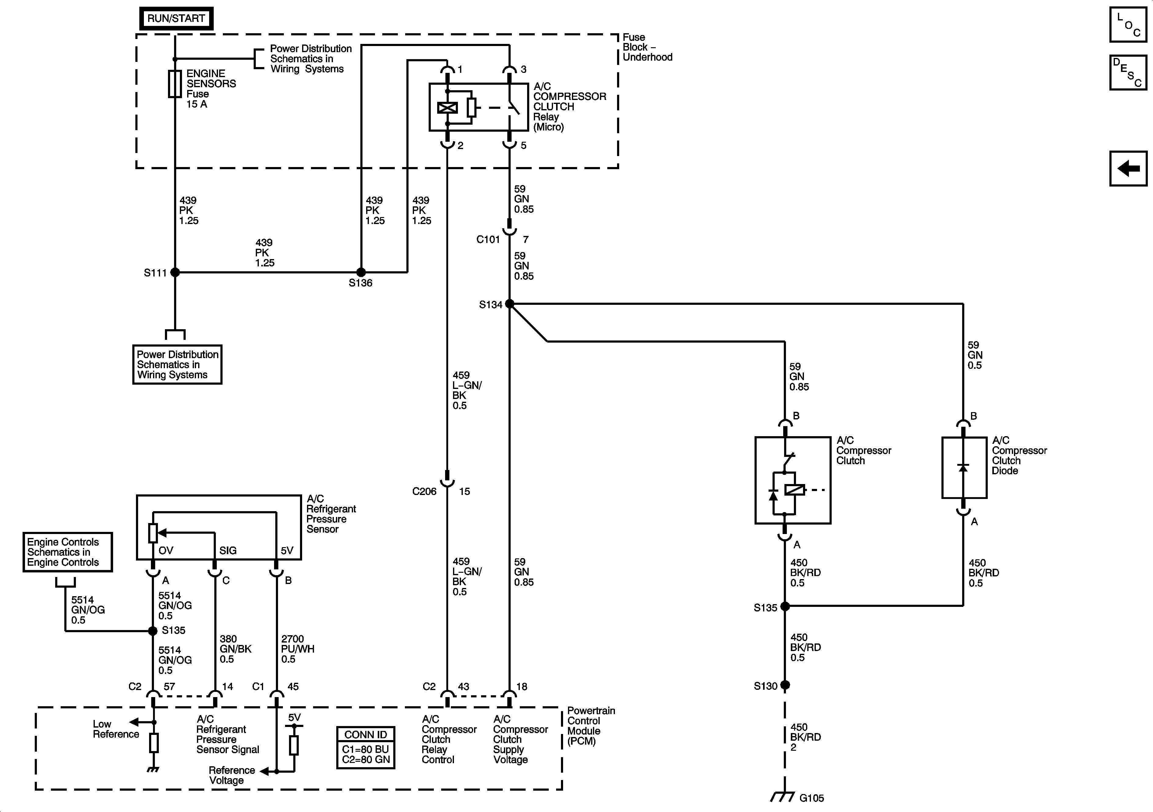
Figure
2:
A/C Compressor Control
Master Electrical Component List
Air Temperature Description and Operation
Blower Motor Control
EFI Relay, Auto Trans, Engine Sensors Fuses
EFI Relay, Auto Trans, Engine Sensors Fuses
G104 and G105
Knock Sensors, MAP, Engine Oil Pressure (EOP), IAT, A/C Pressure SensorsKnock Sensors, MAP, Engine Oil Pressure (EOP), IAT, A/C Pressure Sensors