GM Service Manual Online
For 1990-2009 cars only
Makes
🢒
Pontiac
🢒
2004
🢒
GTO
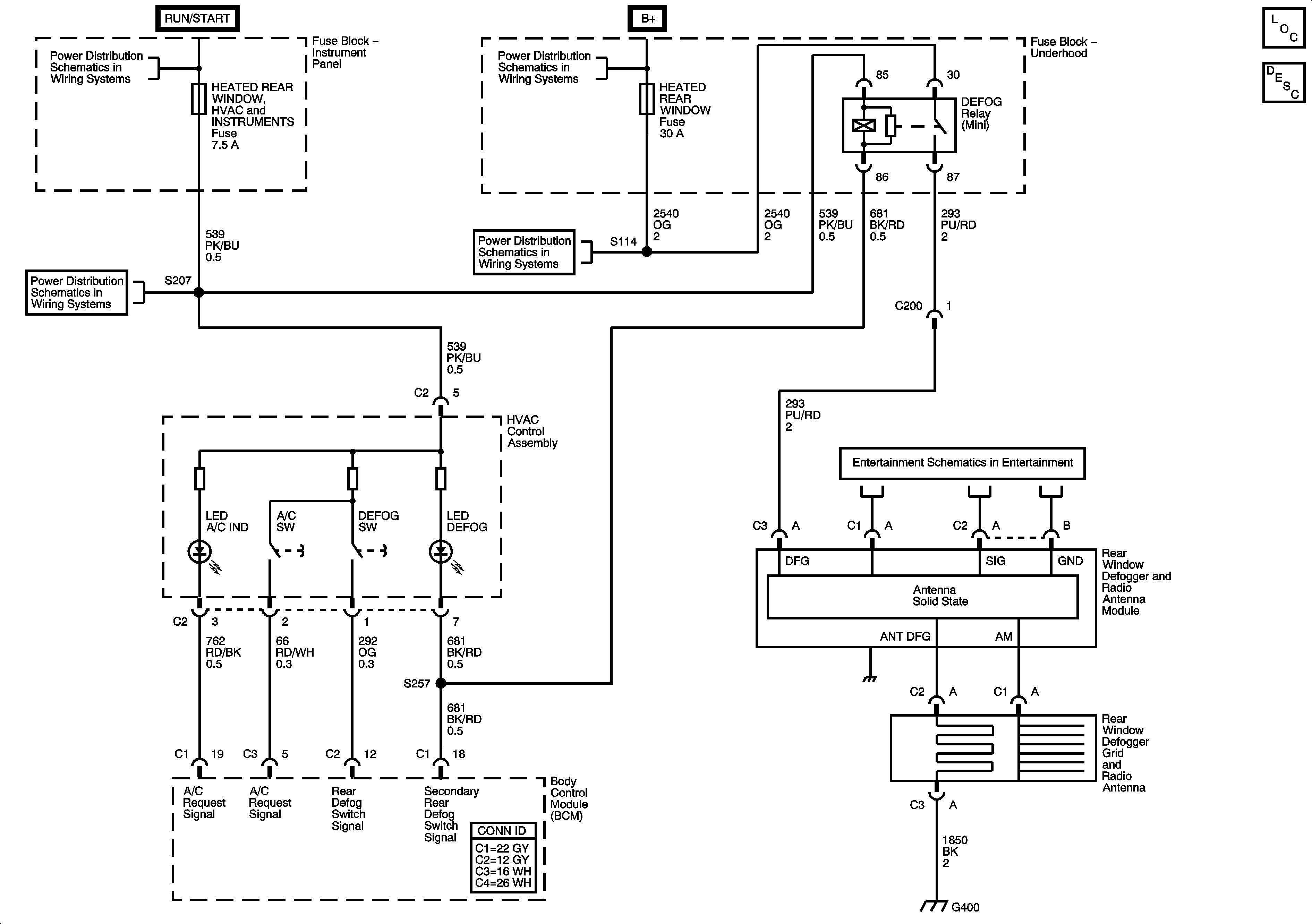
🢒 Defogger Schematic
Defogger Schematic
Master Electrical Component List
Rear Window Defogger Description and Operation
Turn Signals, Heated Rear Window, HVAC and Instruments Fuses
Turn Signals, Heated Rear Window, HVAC and Instruments Fuses
Heated Rear Window, Radio, Cell Phone, Amplifier, Ignition Switch, Horn Fuses
Heated Rear Window, Radio, Cell Phone, Amplifier, Ignition Switch, Horn Fuses
Radio Antenna and Radio Steering Wheel Controls
G300, G301, G400