GM Service Manual Online
For 1990-2009 cars only
Makes
🢒
Pontiac
🢒
2004
🢒
GTO
🢒 Stoplamps
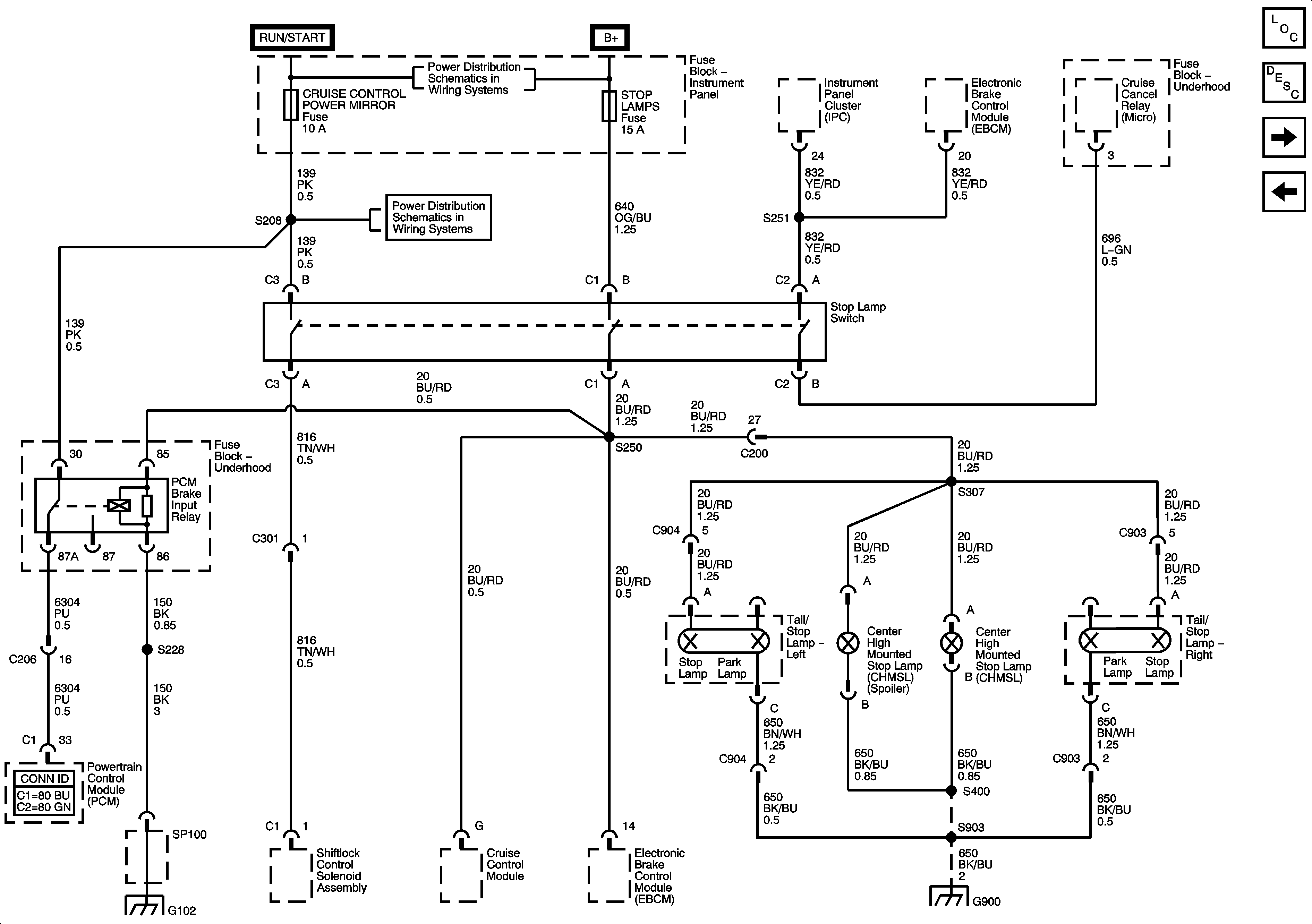
Stoplamps
Stop Lamps
Master Electrical Component List
Exterior Lighting Systems Description and Operation
Backup Lamps
Turn Signal Switch and Lamps
Turn Signals, Heated Rear Window, HVAC and Instruments Fuses
Park Lamps, Stoplamps, Interior Illumination, Hazard Lamps, Throttle Fuses
G100, G101, SP100 and G102
G900 and G901
Turn Signals, Heated Rear Window, HVAC and Instruments Fuses