GM Service Manual Online
For 1990-2009 cars only
Figure 1:

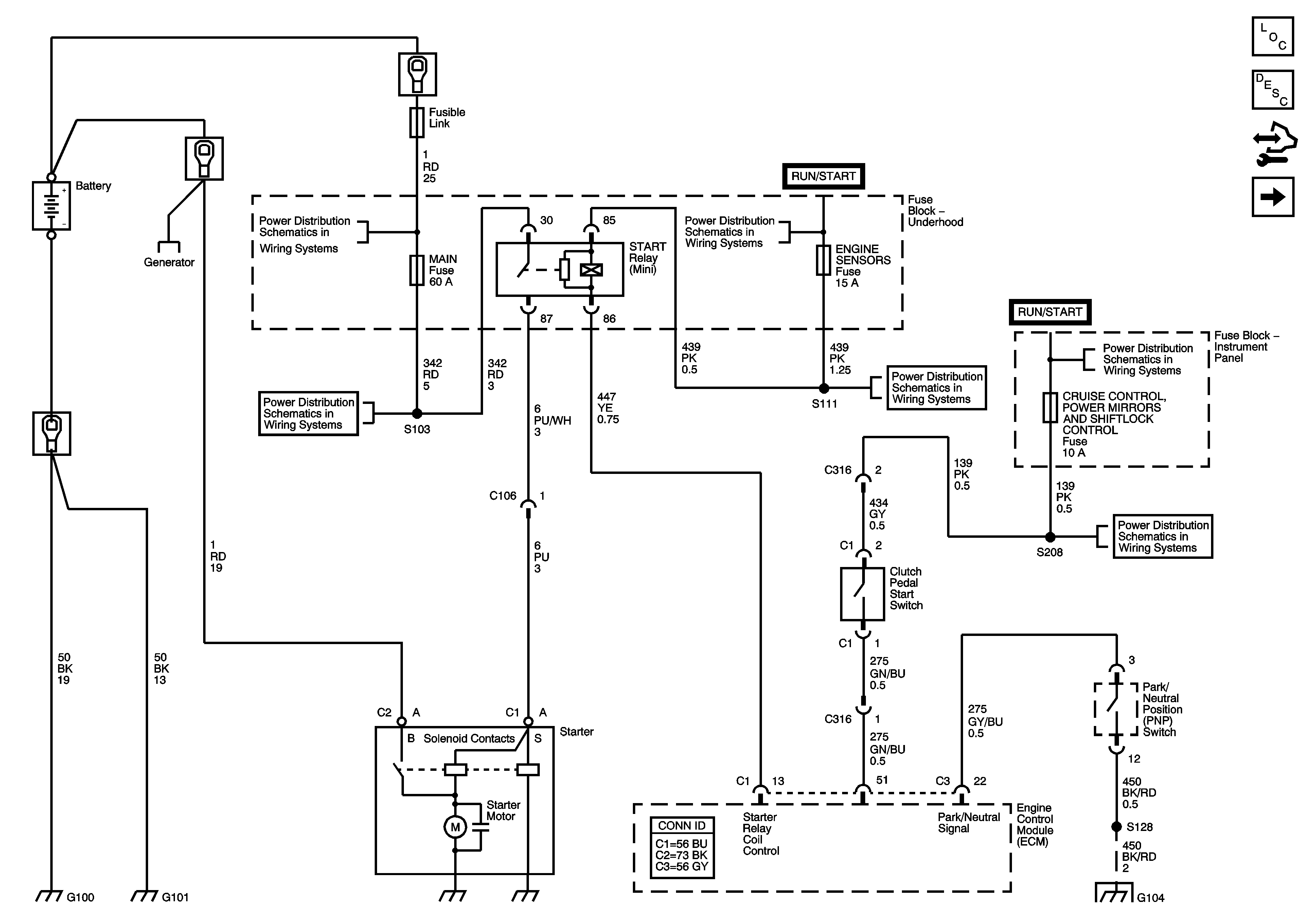
Starting System


Object Number: 1519368  Size: FS
Master Electrical Component List
Control Module References
ECM/TCM Control Relays
MAIN, BLOWER FAN, RAD FAN SMALL, INSTRUMENTS, POWER DOOR LOCKS, THEFT, HORN and POWER WINDOW Fuses
MAIN, BLOWER FAN, RAD FAN SMALL, INSTRUMENTS, POWER DOOR LOCKS, THEFT, HORN and POWER WINDOW Fuses
EFI Relay, AUTO TRANS and ENGINE SENSORS Fuses
EFI Relay, AUTO TRANS and ENGINE SENSORS Fuses
Ignition Control Relay, ABS and TCS, SRS, CIGAR LIGHTER, CRUISE CONTROL, POWER MIRROR and SHIFTLOCK CONTROL Fuses
Ignition Control Relay, ABS and TCS, SRS, CIGAR LIGHTER, CRUISE CONTROL, POWER MIRROR and SHIFTLOCK CONTROL Fuses
G104 and G105
Figure 2:

ECM/TCM Control Relays


Object Number: 1519358  Size: FS
Master Electrical Component List
Control Module References
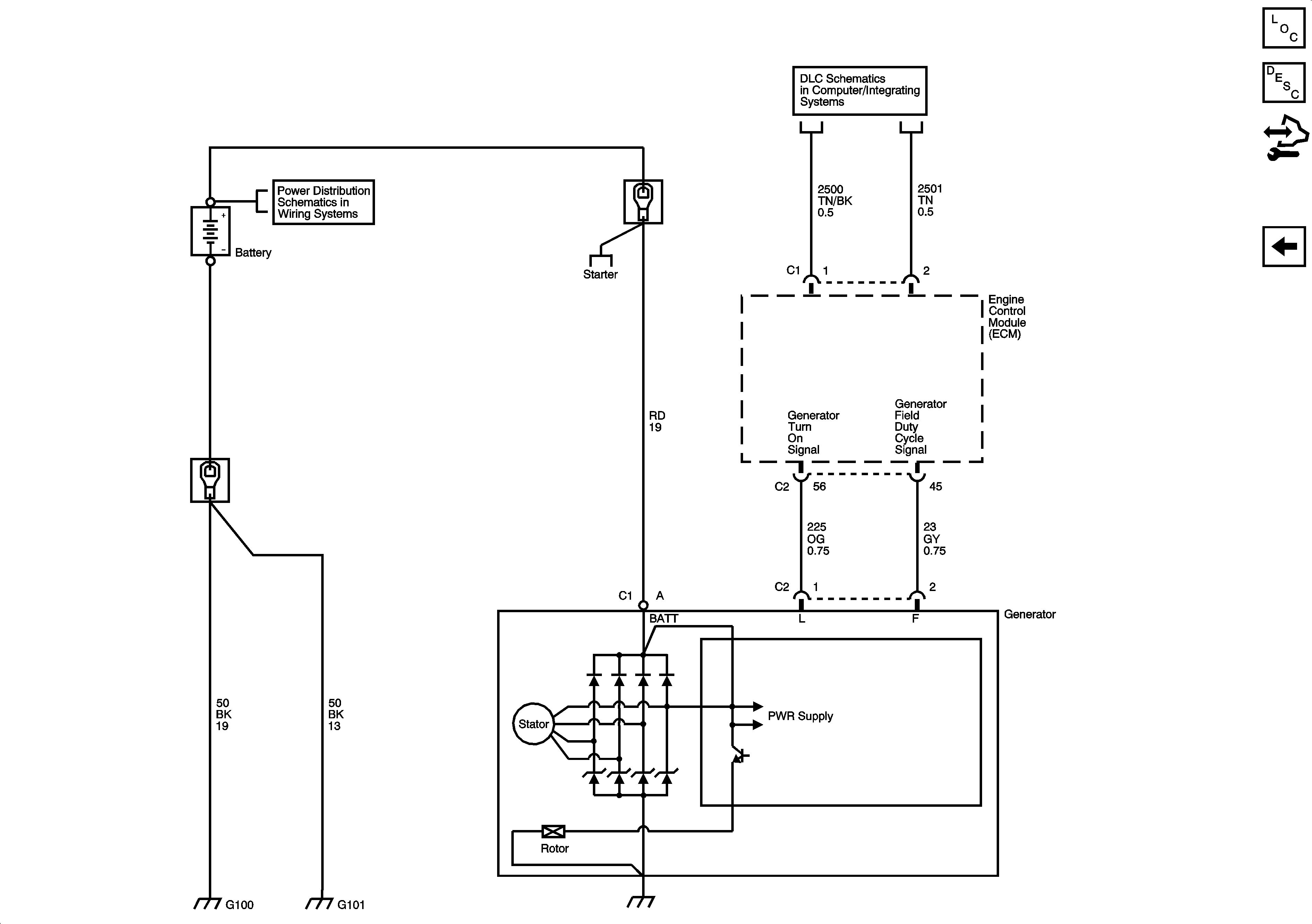
Charging System
Starting System
OBD II Symbol Description Notice
Ignition Switch
Accessory Control Relay, RADIO CELLULAR PHONE, ACC SOCKET, ECM SIGNAL Fuses
G100, G101, SP100 and G102 1 of 5
Figure 3:

Charging System


Object Number: 1519369  Size: FS
Master Electrical Component List
Control Module References
ECM/TCM Control Relays
Battery, RAD FAN LARGE, LIGHTING, and ABS Fuses
Data Link Connector - 2 of 2