GM Service Manual Online
For 1990-2009 cars only
Figure 1:

Radio Power and Ground


Object Number: 1519688  Size: FS
Master Electrical Component List
Radio/Audio System Description and Operation
Control Module References
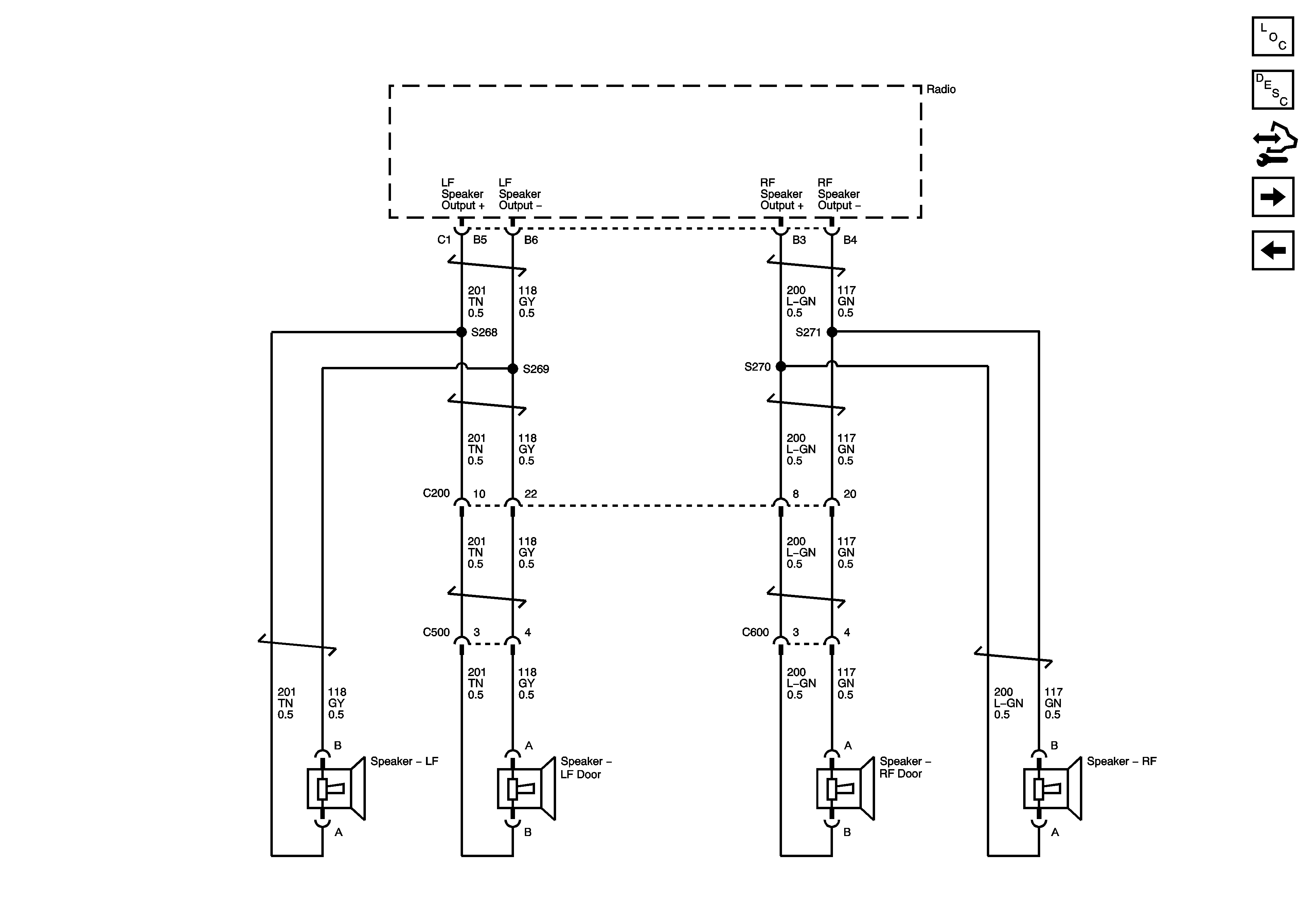
Radio and Speakers
Accessory Control Relay, RADIO CELLULAR PHONE, ACC SOCKET, ECM SIGNAL Fuses
HEATED REAR WINDOW, RADIO, CELLULAR PHONE, SUB-WOOFER, AMPLIFIER, IGNITION SWITCH and HORN Fuses
SP100 and G102 4 of 5
Steering Wheel Controls
Data Link Connector - 2 of 2
Interior Dimming Lights
Figure 2:

Radio and Speakers


Object Number: 1519689  Size: FS
Master Electrical Component List
Radio/Audio System Description and Operation
Control Module References
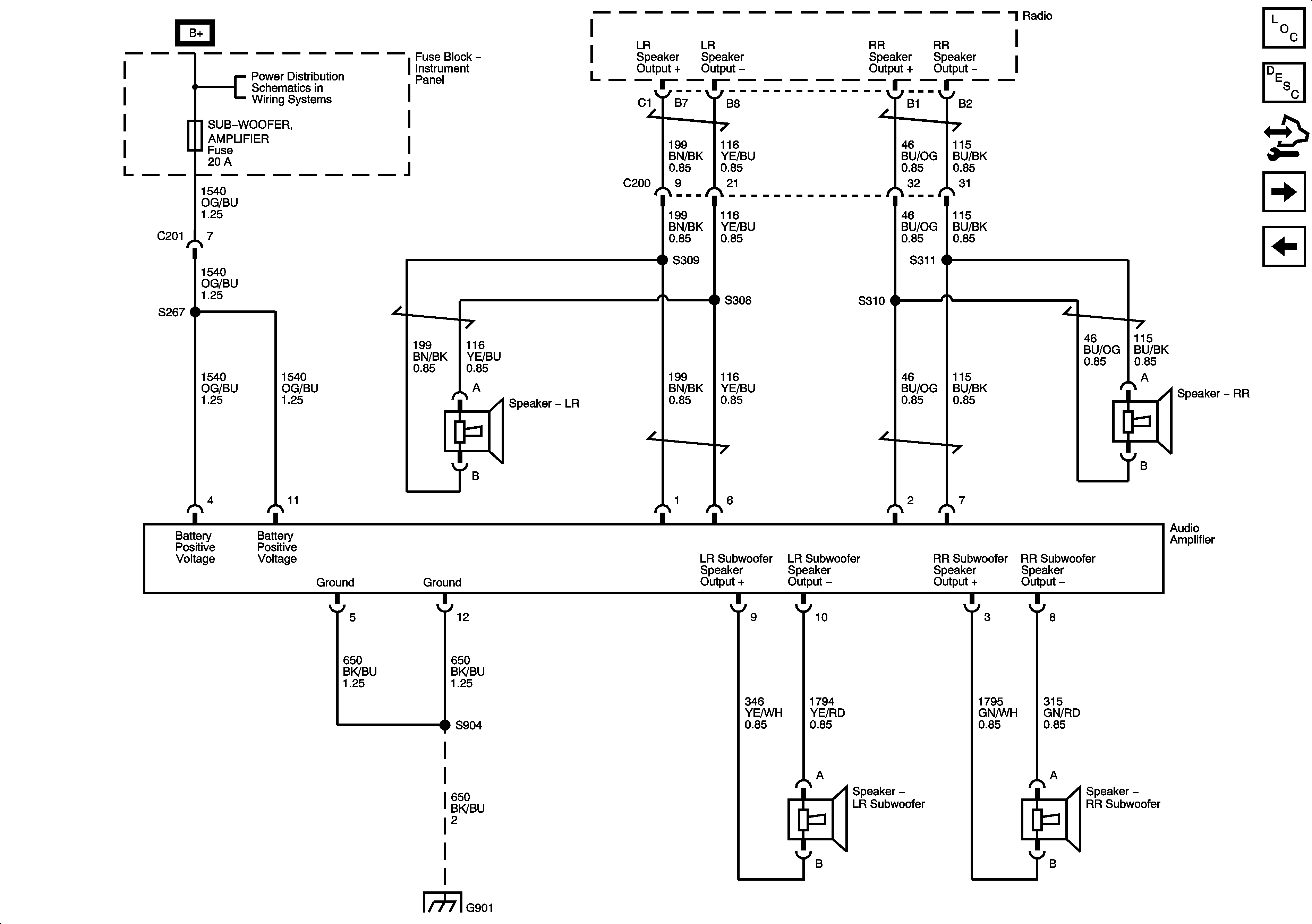
Radio and Amplifier
Radio Power and Ground
Radio and Amplifier
Figure 3:

Radio and Amplifier


Object Number: 1519690  Size: FS
Master Electrical Component List
Radio/Audio System Description and Operation
Control Module References
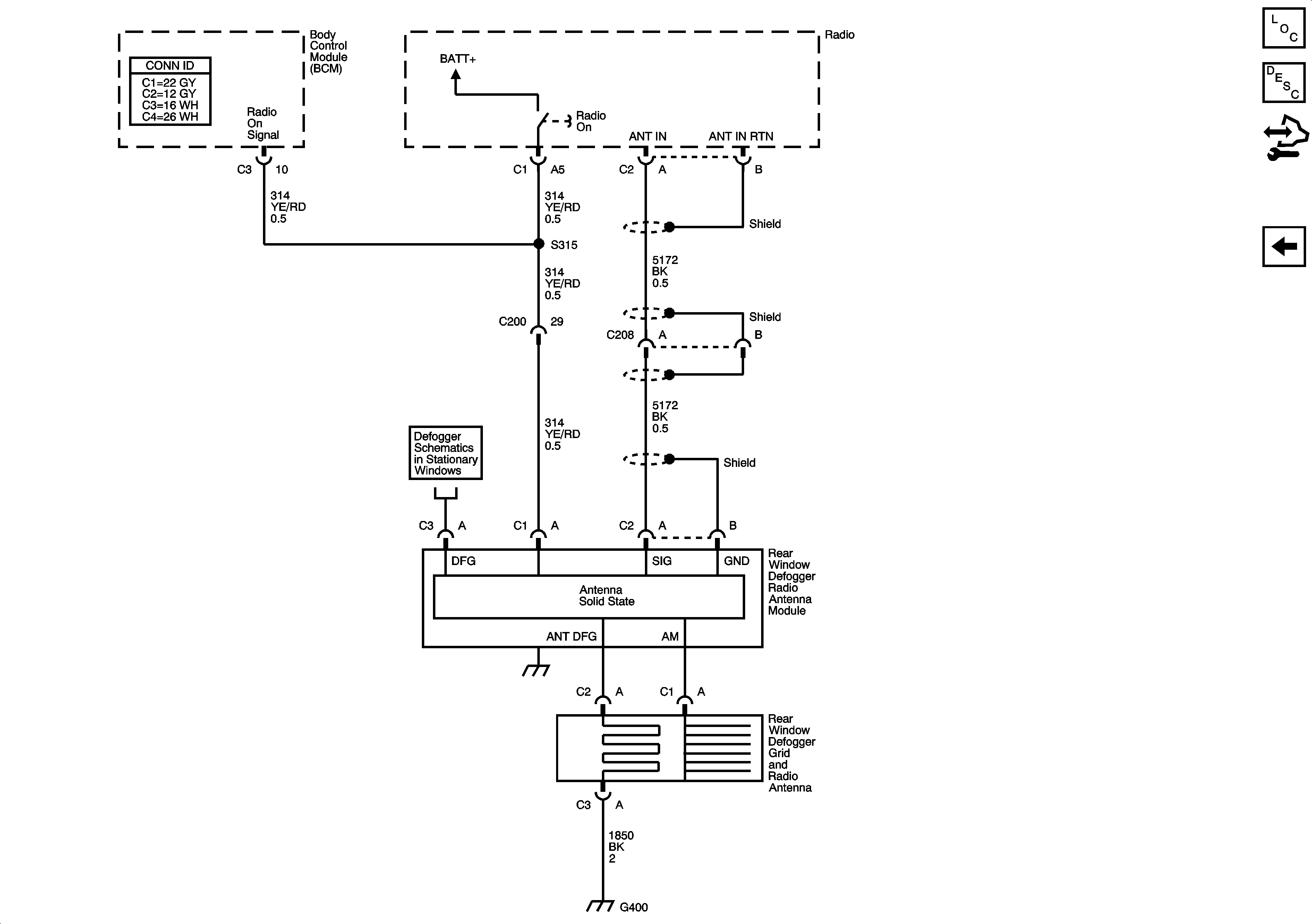
Radio and Antenna
Radio and Speakers
HEATED REAR WINDOW, RADIO, CELLULAR PHONE, SUB-WOOFER, AMPLIFIER, IGNITION SWITCH and HORN Fuses
G900 and G901
Figure 4:

Radio and Antenna


Object Number: 1519692  Size: FS
Master Electrical Component List
Radio/Audio System Description and Operation
Control Module References
Radio and Amplifier
Defogger