GM Service Manual Online
For 1990-2009 cars only
Makes
🢒
Pontiac
🢒
2006
🢒
GTO
🢒
Vehicle Control Systems
🢒
Computer/Integrating Systems
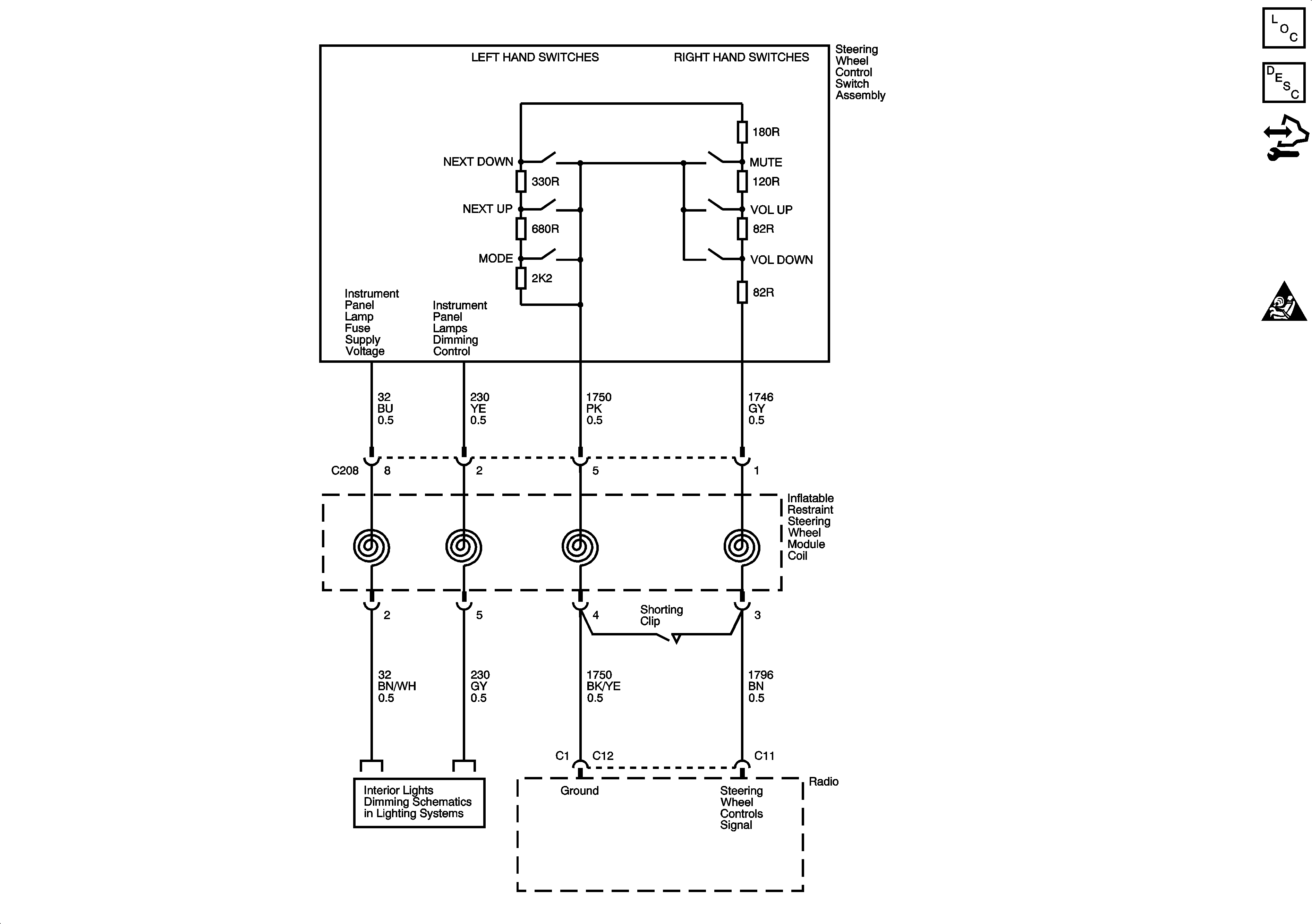
🢒 Steering Wheel Controls Schematics
Master Electrical Component List
Radio/Audio System Description and Operation
Control Module References
SIR Handling Caution
Interior Dimming Lights