GM Service Manual Online
For 1990-2009 cars only
Makes
🢒
Pontiac
🢒
2006
🢒
GTO
🢒
Vehicle Control Systems
🢒
Computer/Integrating Systems
🢒 Retained Accessory Power (RAP) Schematics
Figure
1:
1 of 2
Master Electrical Component List
Retained Accessory Power (RAP) Description and Operation
Control Module References
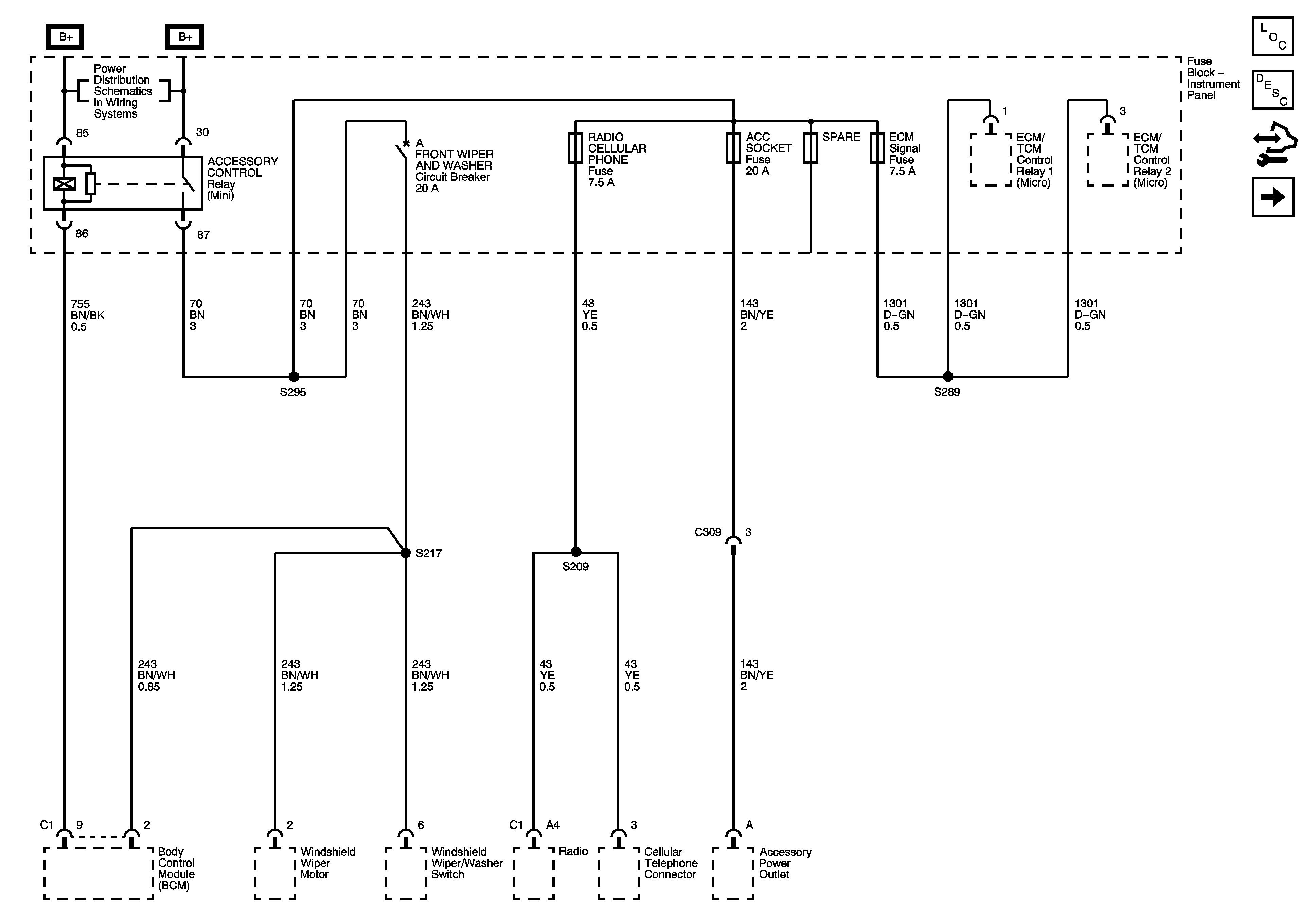
Retained Accessory Power - 2 of 2
HEATED REAR WINDOW, RADIO, CELLULAR PHONE, SUB-WOOFER, AMPLIFIER, IGNITION SWITCH and HORN Fuses (Late Build)
Figure
2:
2 of 2
Master Electrical Component List
Retained Accessory Power (RAP) Description and Operation
Control Module References
Retained Accessory Power - 1 of 2
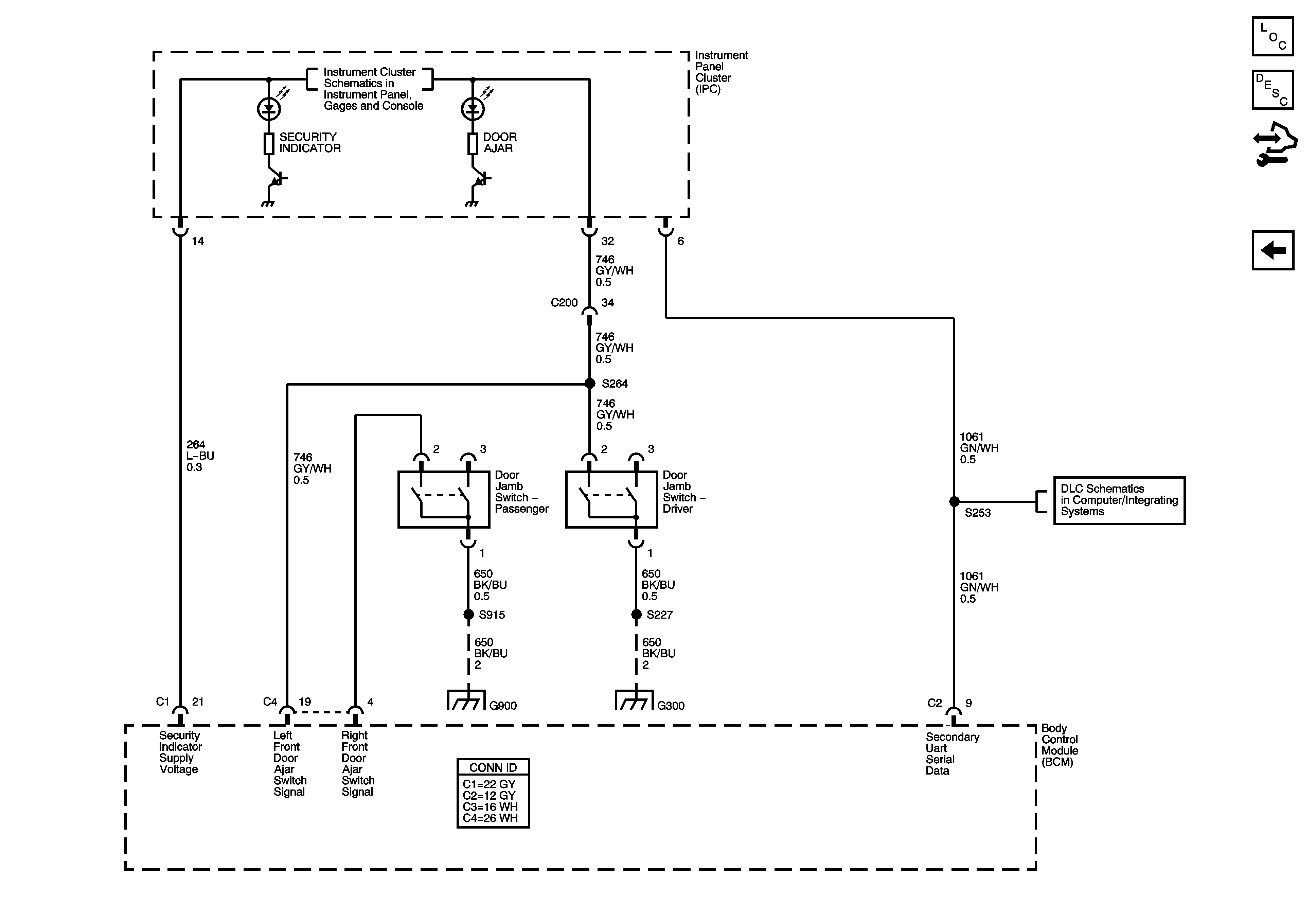
MIL, Brake, Security, Door Ajar, and Seat Belt Indicators
Data Link Connector - 2 of 2