GM Service Manual Online
For 1990-2009 cars only
Figure 1:

Instrument Panel Cluster (IPC) Power and Ground, Serial Data


Object Number: 1519474  Size: FS
Master Electrical Component List
Instrument Cluster Description and Operation
Control Module References
MIL, Brake, Security, Door Ajar, and Seat Belt Indicators
MAIN, BLOWER FAN, RAD FAN SMALL, INSTRUMENTS, POWER DOOR LOCKS, THEFT, HORN and POWER WINDOW Fuses
TURN SIGNALS and BACKUP LAMPS, HEATED REAR WINDOW, HVAC, and INSTRUMENT Fuses
TURN SIGNALS and BACKUP LAMPS, HEATED REAR WINDOW, HVAC, and INSTRUMENT Fuses
Interior Dimming Lights
Ignition Switch
Ignition Switch
SP100 and G102 2 of 5
Data Link Connector - 2 of 2
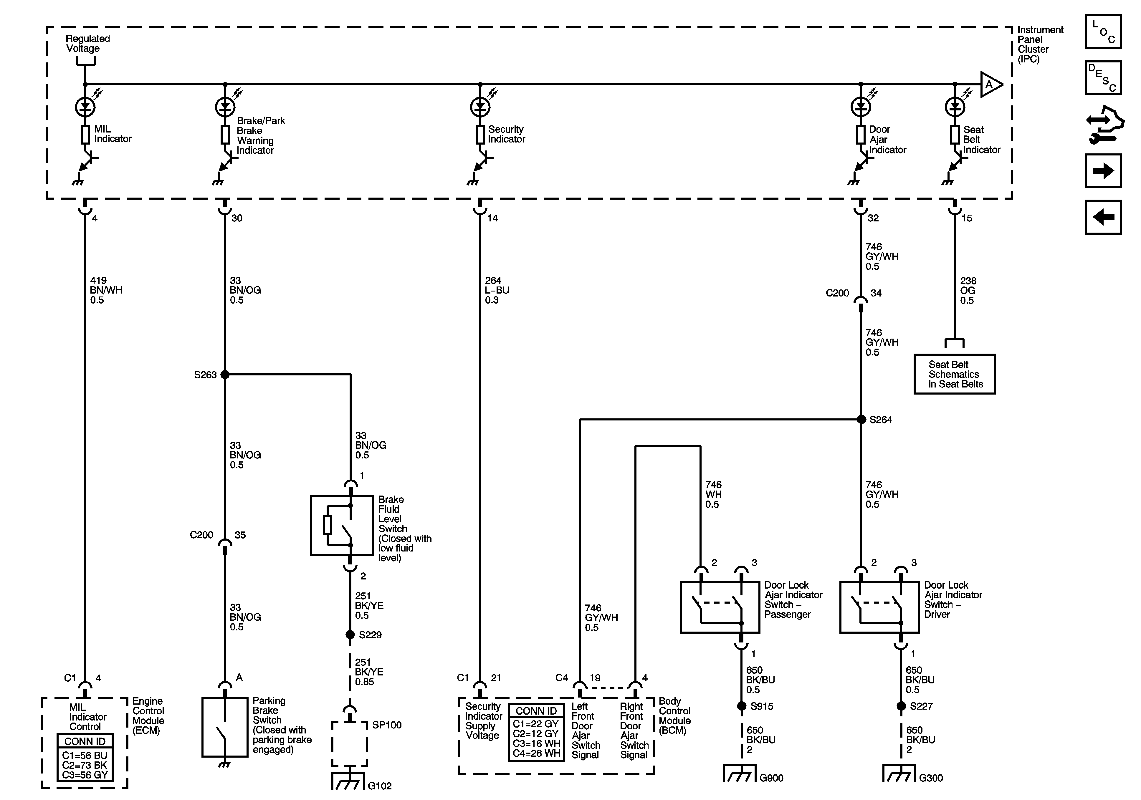
Figure 2:

MIL, Brake, Security, Door Ajar, and Seat Belt Indicators


Object Number: 1519570  Size: FS
Master Electrical Component List
Instrument Cluster Description and Operation
Control Module References
Trip Odometer, Engine/Vehicle Speed, SRS, ABS, DRL, Hi Beam, Fog Lamps, Turn Indicators
Instrument Panel Cluster (IPC) Power and Ground, Serial Data
SP100 and G102 2 of 5
G900 and G901
G300, G301 and G400
Seat Belt Schematics
Figure 3:

Trip Odometer, Engine/Vehicle Speed, SRS, ABS, DRL, HI Beam, Fog Lamps, and Turn Indicators


Object Number: 1519573  Size: FS
Master Electrical Component List
Instrument Cluster Description and Operation
Control Module References
MIL, Brake, Security, Door Ajar, and Seat Belt Indicators
Interior Dimming Lights
Headlights/DRL
Fog Lights
Turn Signal Switch and Lamps