GM Service Manual Online
For 1990-2009 cars only
Figure 1:

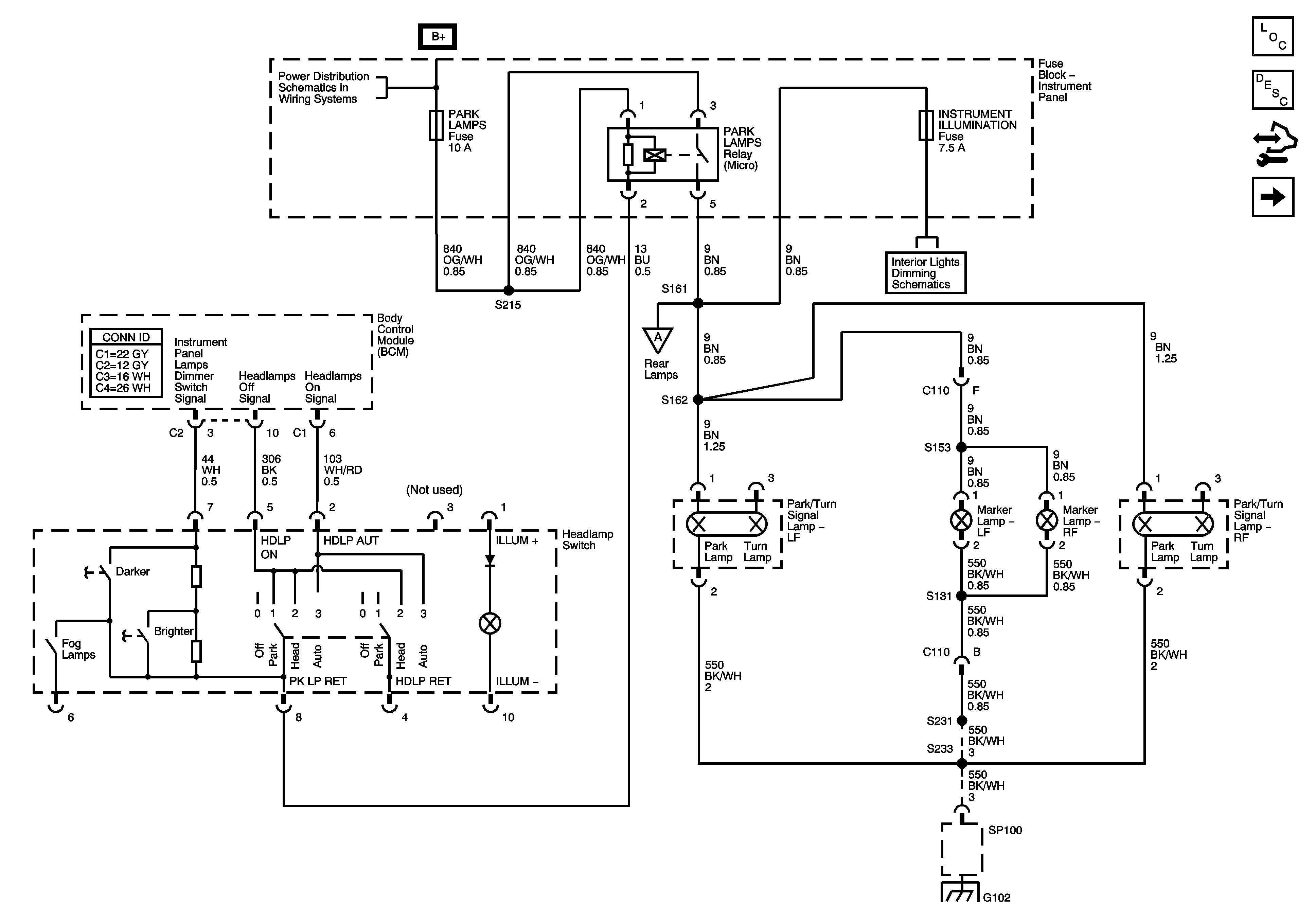
Front Marker Lamps


Object Number: 1519596  Size: FS
Master Electrical Component List
Exterior Lighting Systems Description and Operation
Control Module References
Rear Marker Lamps
PARK LAMPS, STOP LAMPS, INTERIOR ILLUMINATION, HAZARD LAMPS Fuses
Interior Dimming Lights
SP100 and G102 3 of 5
Figure 2:

Rear Marker Lamps


Object Number: 1519598  Size: FS
Master Electrical Component List
Exterior Lighting Systems Description and Operation
Control Module References
Headlamp Switch, Hazard Switch and Flasher
Front Marker Lamps
G900 and G901
Figure 3:

Headlamp Switch, Hazard Switch and Flasher


Object Number: 1519599  Size: FS
Master Electrical Component List
Exterior Lighting Systems Description and Operation
Control Module References
Turn Signal Switch and Lamps
Rear Marker Lamps
Interior Dimming Lights
TURN SIGNALS and BACKUP LAMPS, HEATED REAR WINDOW, HVAC, and INSTRUMENT Fuses
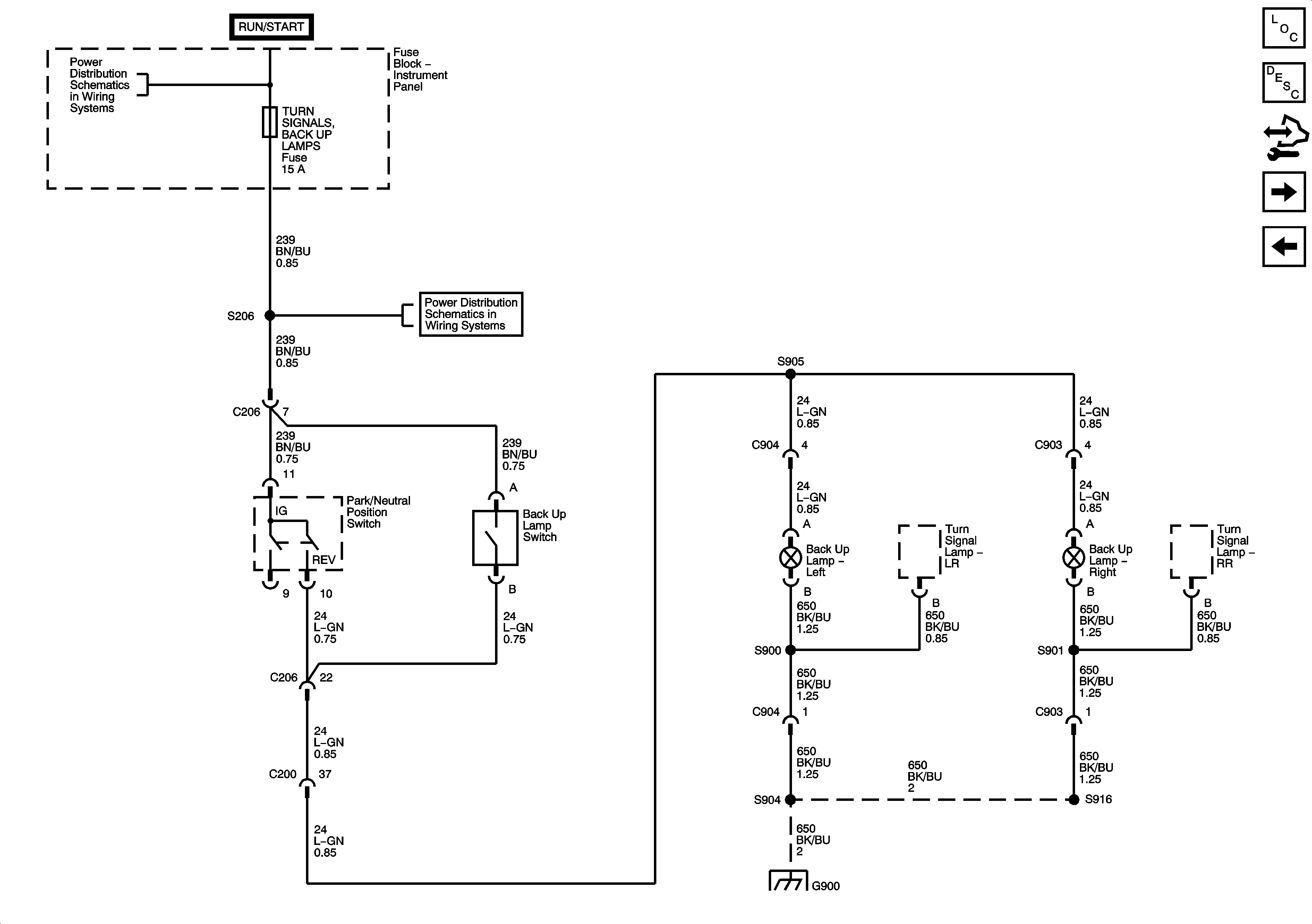
Backup Lamps
SP100 and G102 4 of 5
Figure 4:

Turn Signal Switch and Lamps


Object Number: 1519601  Size: FS
Master Electrical Component List
Exterior Lighting Systems Description and Operation
Control Module References
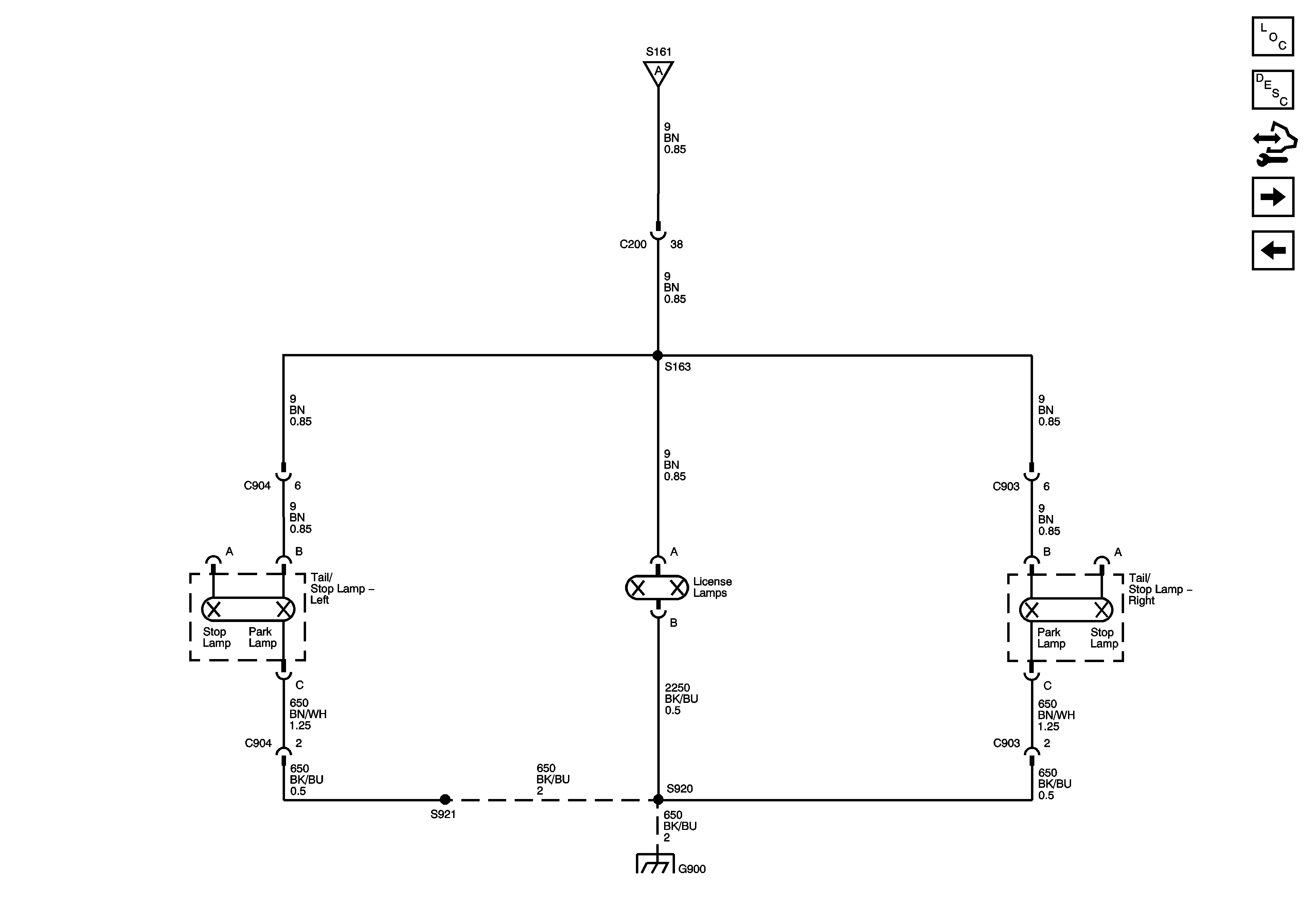
Stop Lamps
Headlamp Switch, Hazard Switch and Flasher
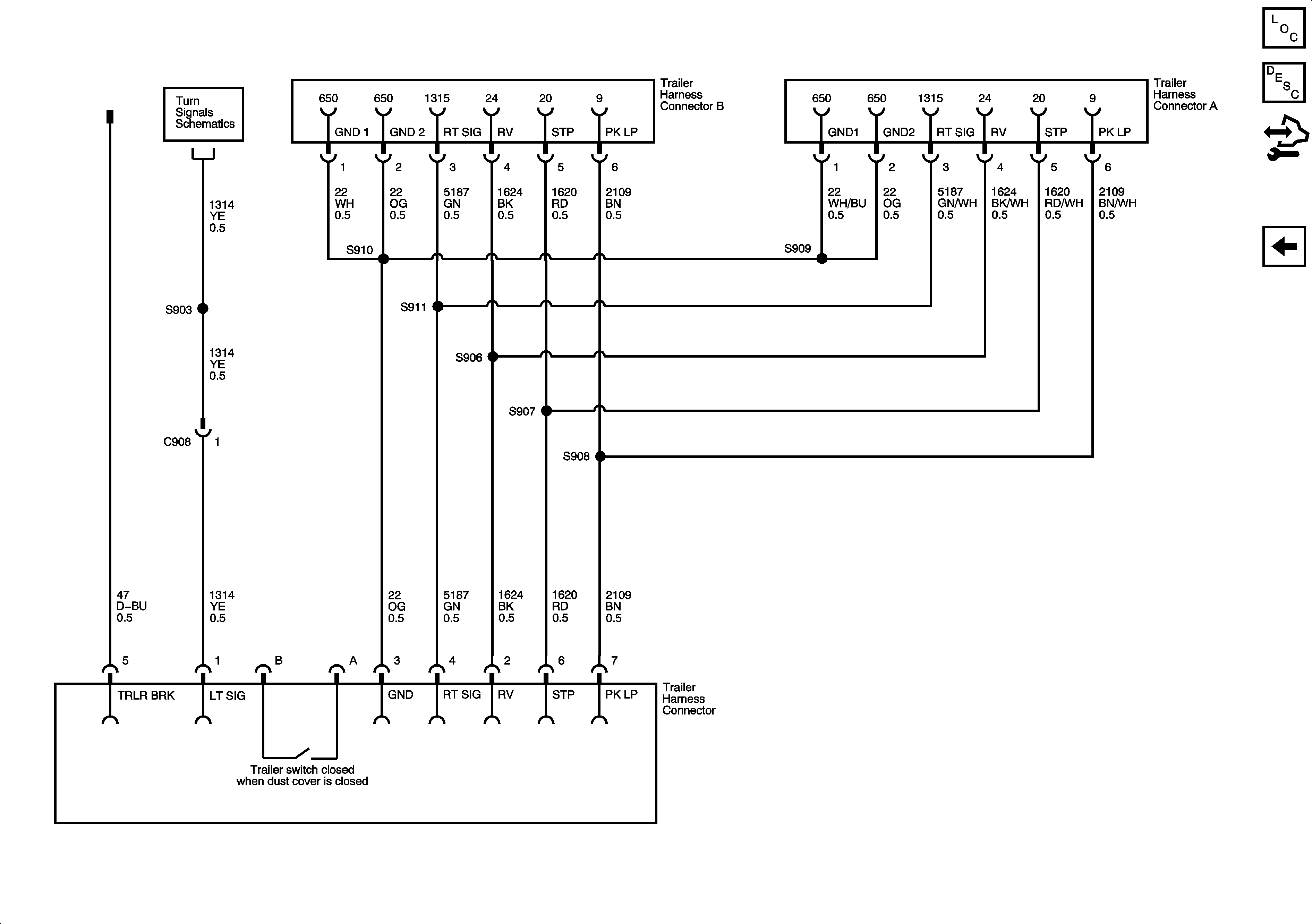
Trailer Lighting
G900 and G901
Backup Lamps
SP100 and G102 3 of 5
PARK LAMPS, STOP LAMPS, INTERIOR ILLUMINATION, HAZARD LAMPS Fuses
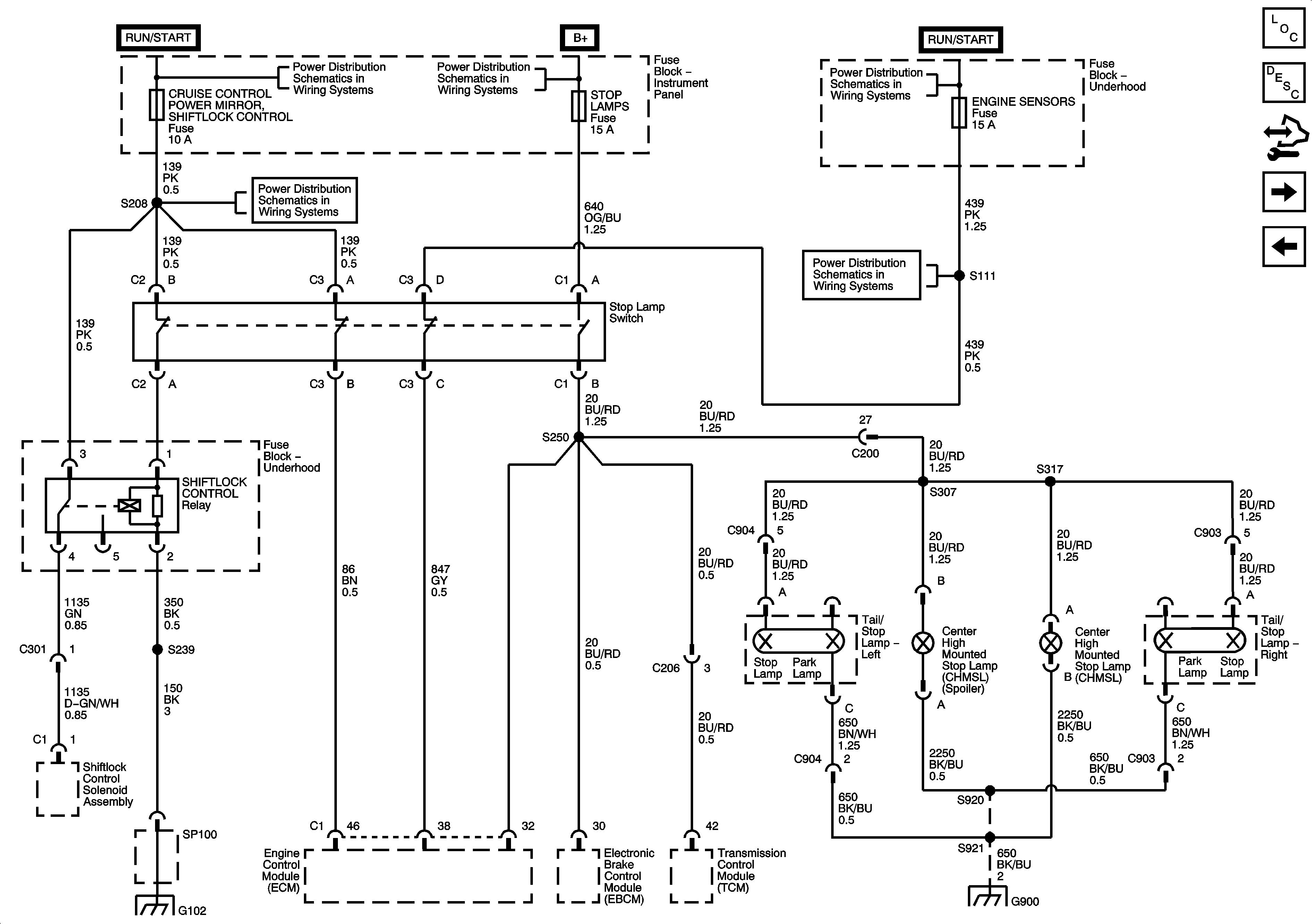
Figure 5:

Stop Lamps


Object Number: 1519602  Size: FS
Master Electrical Component List
Exterior Lighting Systems Description and Operation
Control Module References
Backup Lamps
Turn Signal Switch and Lamps
Ignition Control Relay, ABS and TCS, SRS, CIGAR LIGHTER, CRUISE CONTROL, POWER MIRROR and SHIFTLOCK CONTROL Fuses
Ignition Control Relay, ABS and TCS, SRS, CIGAR LIGHTER, CRUISE CONTROL, POWER MIRROR and SHIFTLOCK CONTROL Fuses
SP100 and G102 - 5 of 5, G103 and G200
PARK LAMPS, STOP LAMPS, INTERIOR ILLUMINATION, HAZARD LAMPS Fuses
EFI Relay, AUTO TRANS and ENGINE SENSORS Fuses
EFI Relay, AUTO TRANS and ENGINE SENSORS Fuses
G900 and G901
Figure 6:

Backup Lamps


Object Number: 1519603  Size: FS
Master Electrical Component List
Exterior Lighting Systems Description and Operation
Control Module References
Trailer Lighting
Stop Lamps
TURN SIGNALS and BACKUP LAMPS, HEATED REAR WINDOW, HVAC, and INSTRUMENT Fuses
TURN SIGNALS and BACKUP LAMPS, HEATED REAR WINDOW, HVAC, and INSTRUMENT Fuses
G900 and G901
Figure 7:

Trailer Lighting


Object Number: 1519604  Size: FS
Master Electrical Component List
Exterior Lighting Systems Description and Operation
Control Module References
Backup Lamps
Turn Signal Switch and Lamps