GM Service Manual Online
For 1990-2009 cars only
Makes
🢒
Pontiac
🢒
2006
🢒
GTO
🢒
Body
🢒
Lighting Systems
🢒 Interior Lights Schematics
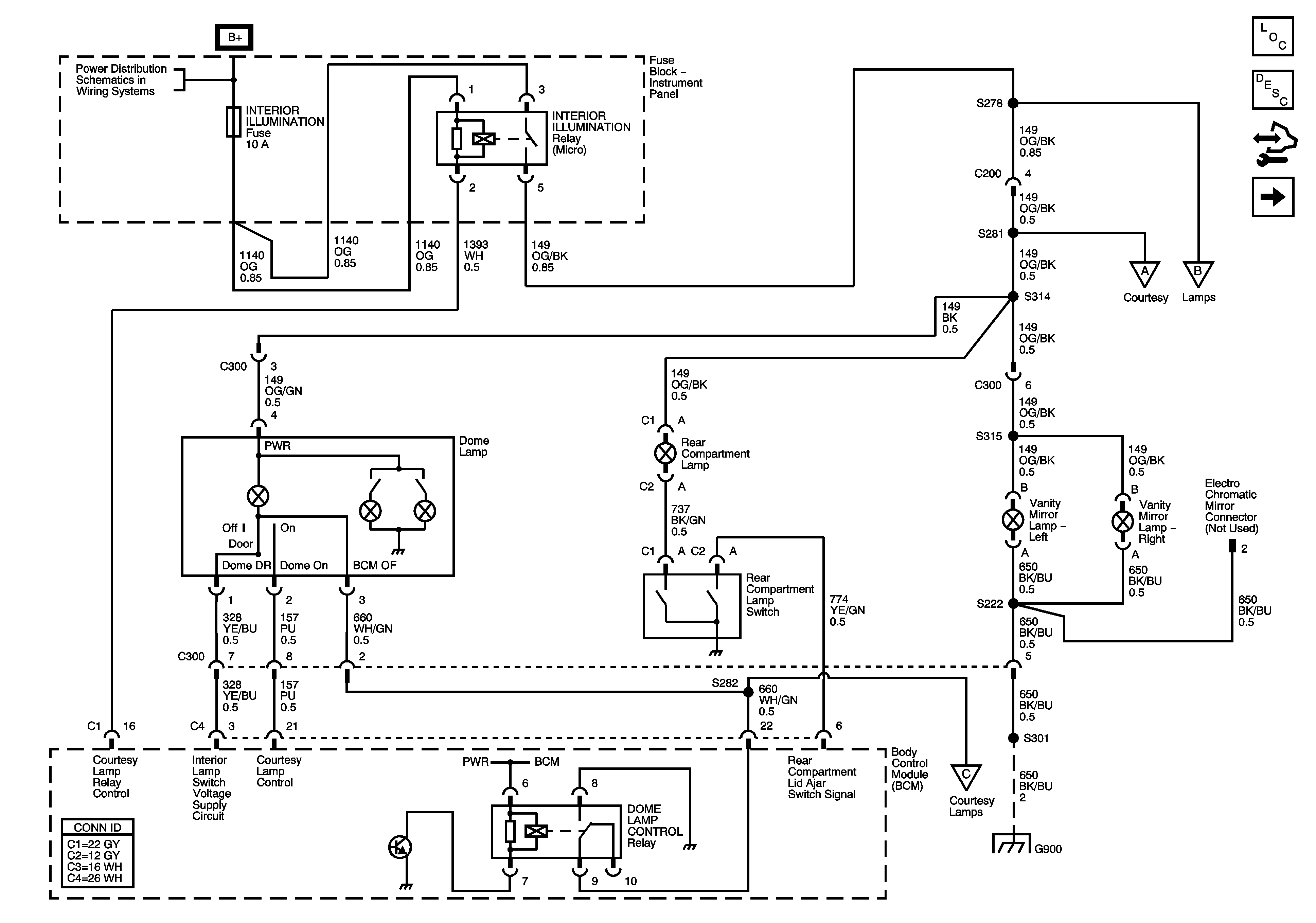
Figure
1:
Dome Lamp
Master Electrical Component List
Interior Lighting Systems Description and Operation
Control Module References
Courtesy Lamps
PARK LAMPS, STOP LAMPS, INTERIOR ILLUMINATION, HAZARD LAMPS Fuses
G900 and G901
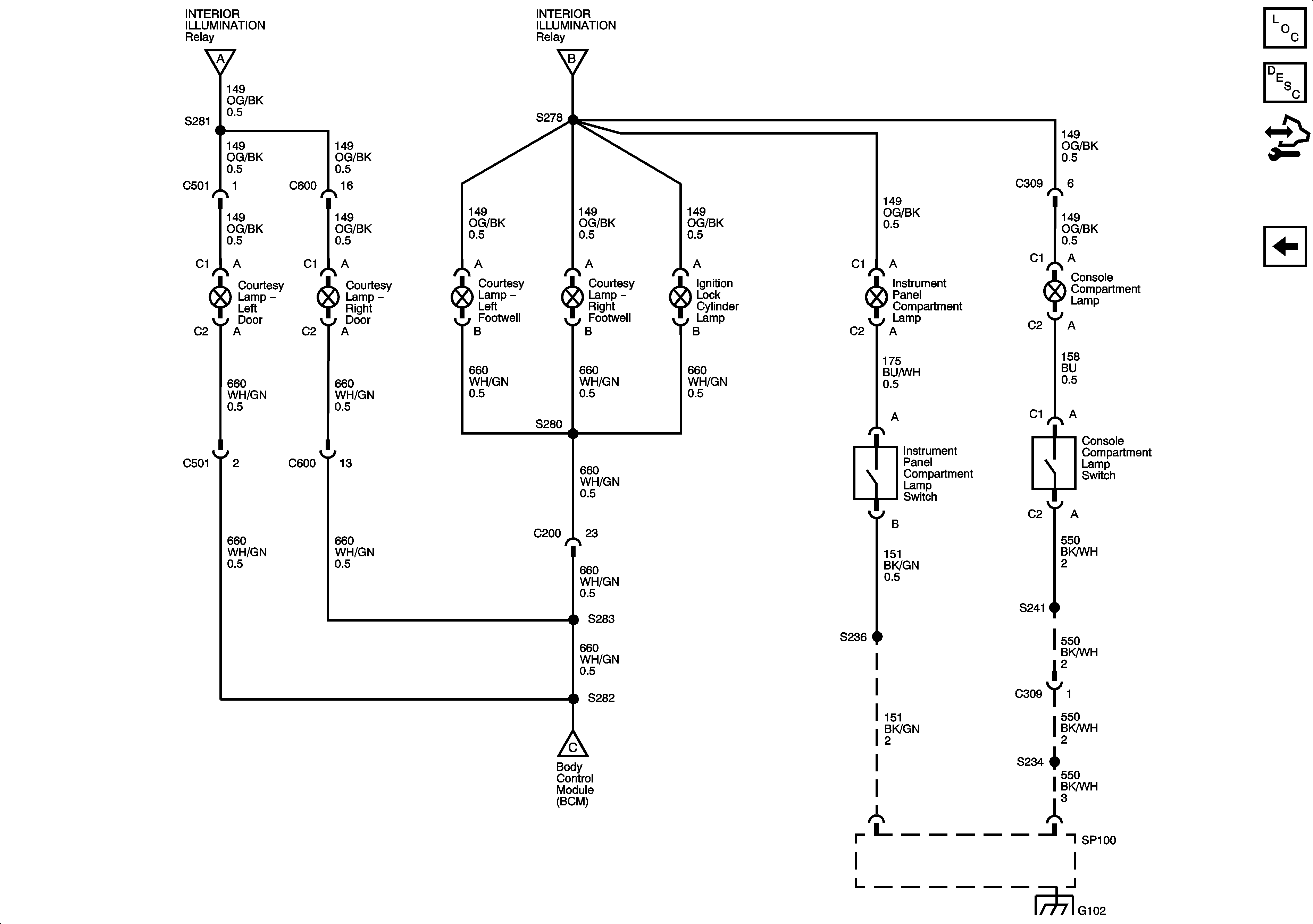
Figure
2:
Courtesy Lamps
Master Electrical Component List
Interior Lighting Systems Description and Operation
Control Module References
Dome Lamp
SP100 and G102 3 of 5