GM Service Manual Online
For 1990-2009 cars only
Figure 1:

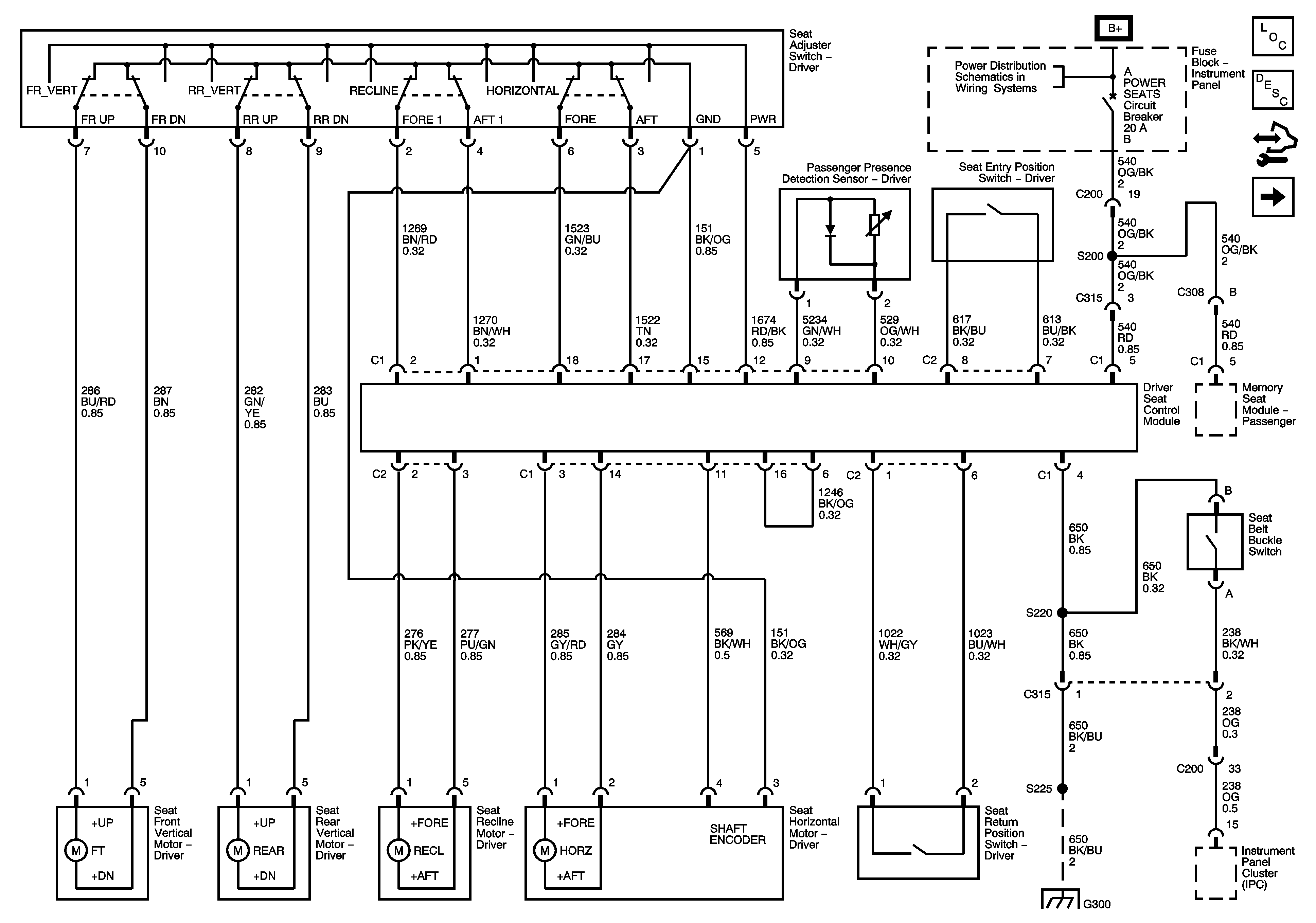
Power Seat - Driver


Object Number: 1519399  Size: FS
Master Electrical Component List
Power Seats System Description and Operation
Control Module References
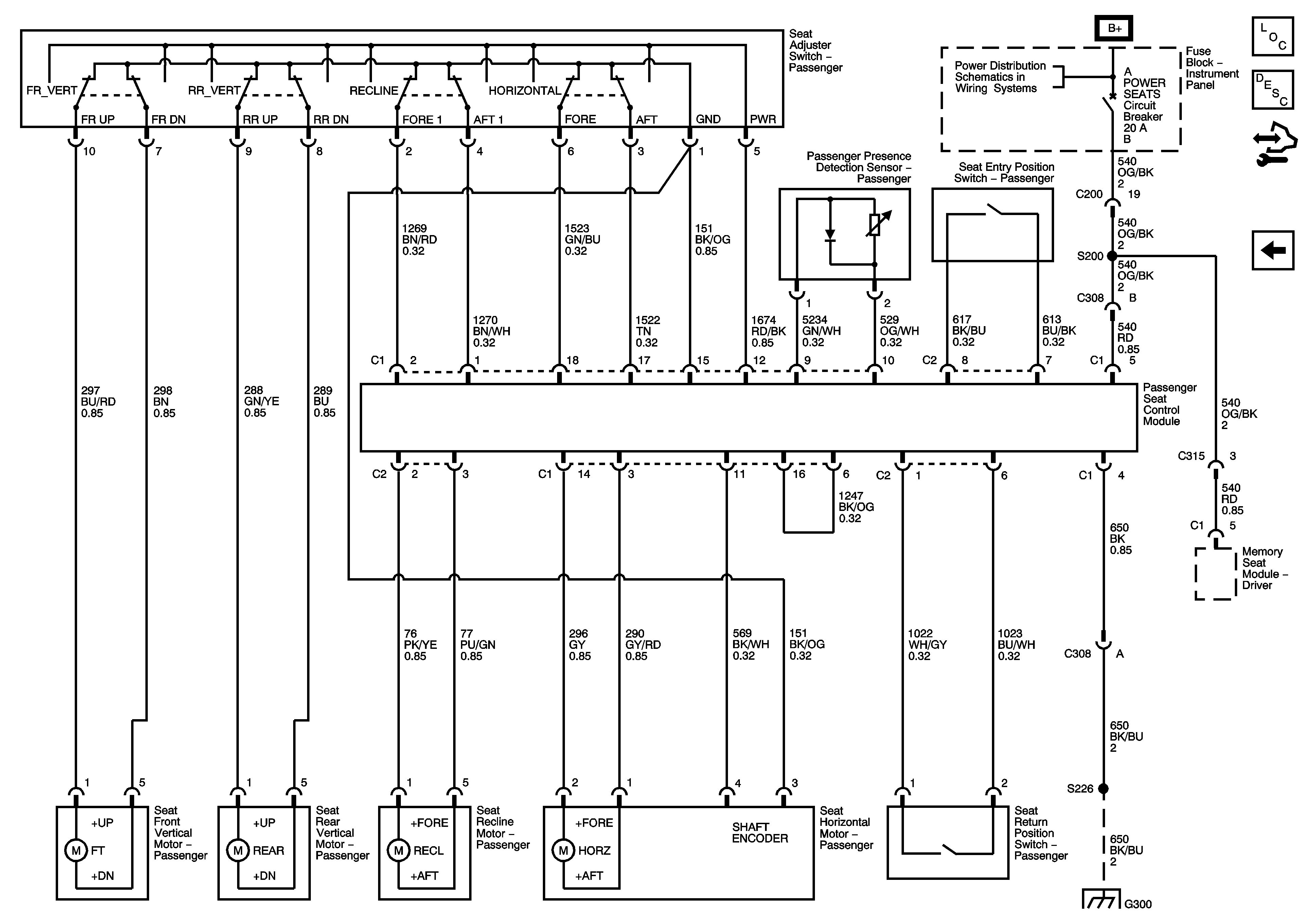
Power Seat - Passenger
MAIN, BLOWER FAN, RAD FAN SMALL, INSTRUMENTS, POWER DOOR LOCKS, THEFT, HORN and POWER WINDOW Fuses
G300, G301 and G400
Figure 2:

Power Seat - Passenger


Object Number: 1519430  Size: FS
Master Electrical Component List
Power Seats System Description and Operation
Control Module References
Power Seat - Driver
MAIN, BLOWER FAN, RAD FAN SMALL, INSTRUMENTS, POWER DOOR LOCKS, THEFT, HORN and POWER WINDOW Fuses
G300, G301 and G400