GM Service Manual Online
For 1990-2009 cars only
Makes
🢒
Pontiac
🢒
2006
🢒
GTO
🢒
Body
🢒
Wipers/Washer Systems
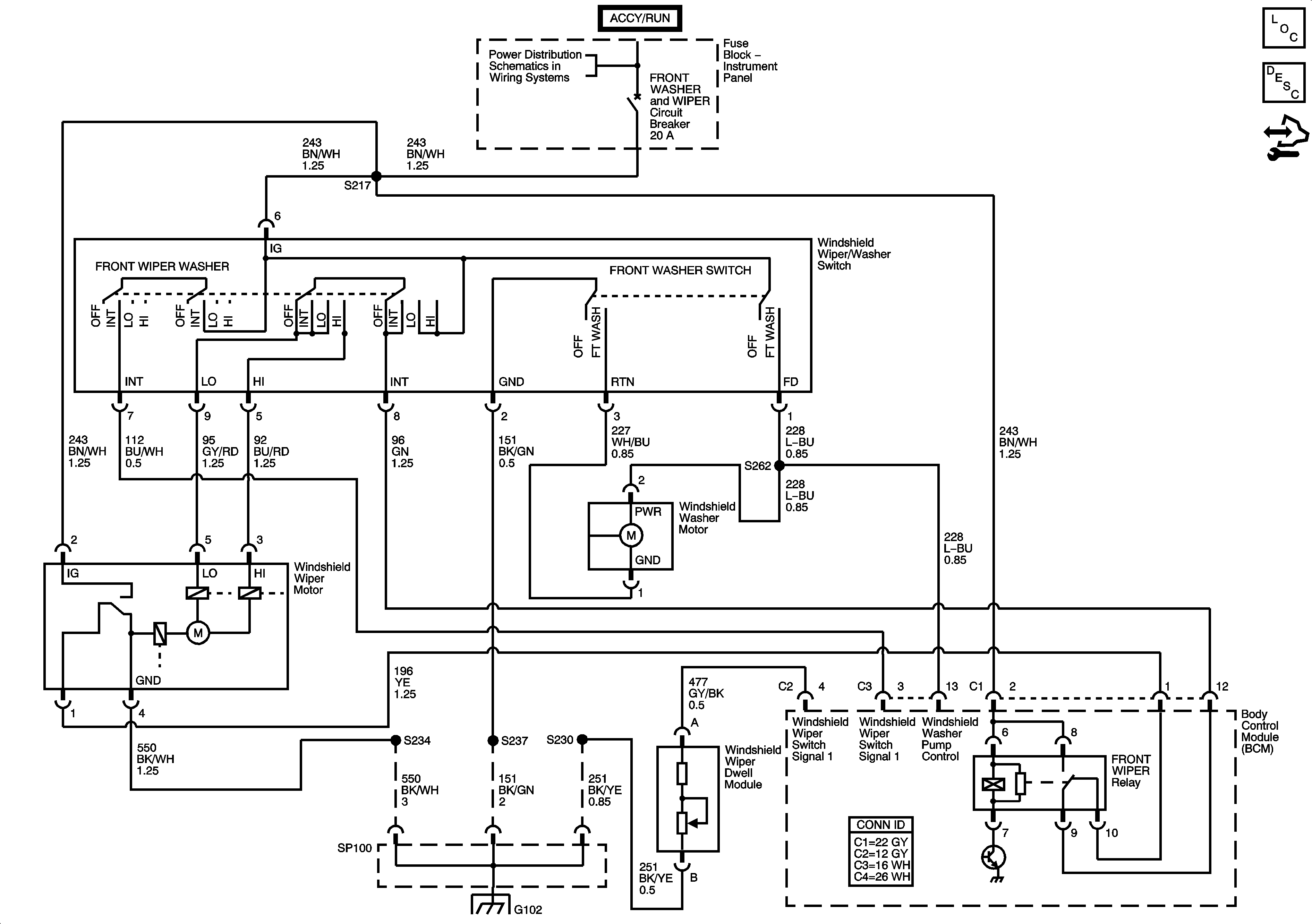
🢒 Wiper/Washer Schematics
Master Electrical Component List
Control Module References
MAIN, BLOWER FAN, RAD FAN SMALL, INSTRUMENTS, POWER DOOR LOCKS, THEFT, HORN and POWER WINDOW Fuses
SP100 and G102 2 of 5