GM Service Manual Online
For 1990-2009 cars only
Figure 1:

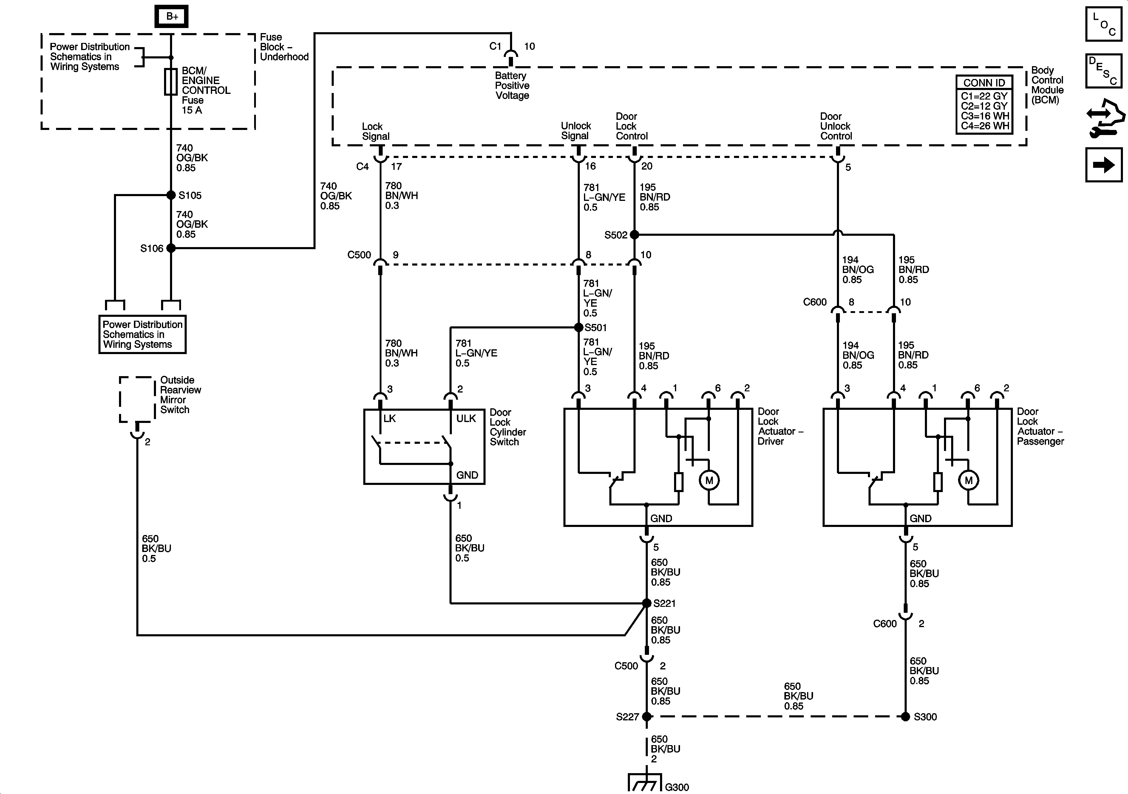
Door Lock Switch, Body Control Module (BCM) and Door Lock Actuators


Object Number: 1519680  Size: FS
Master Electrical Component List
Keyless Entry System Description and Operation
Control Module References
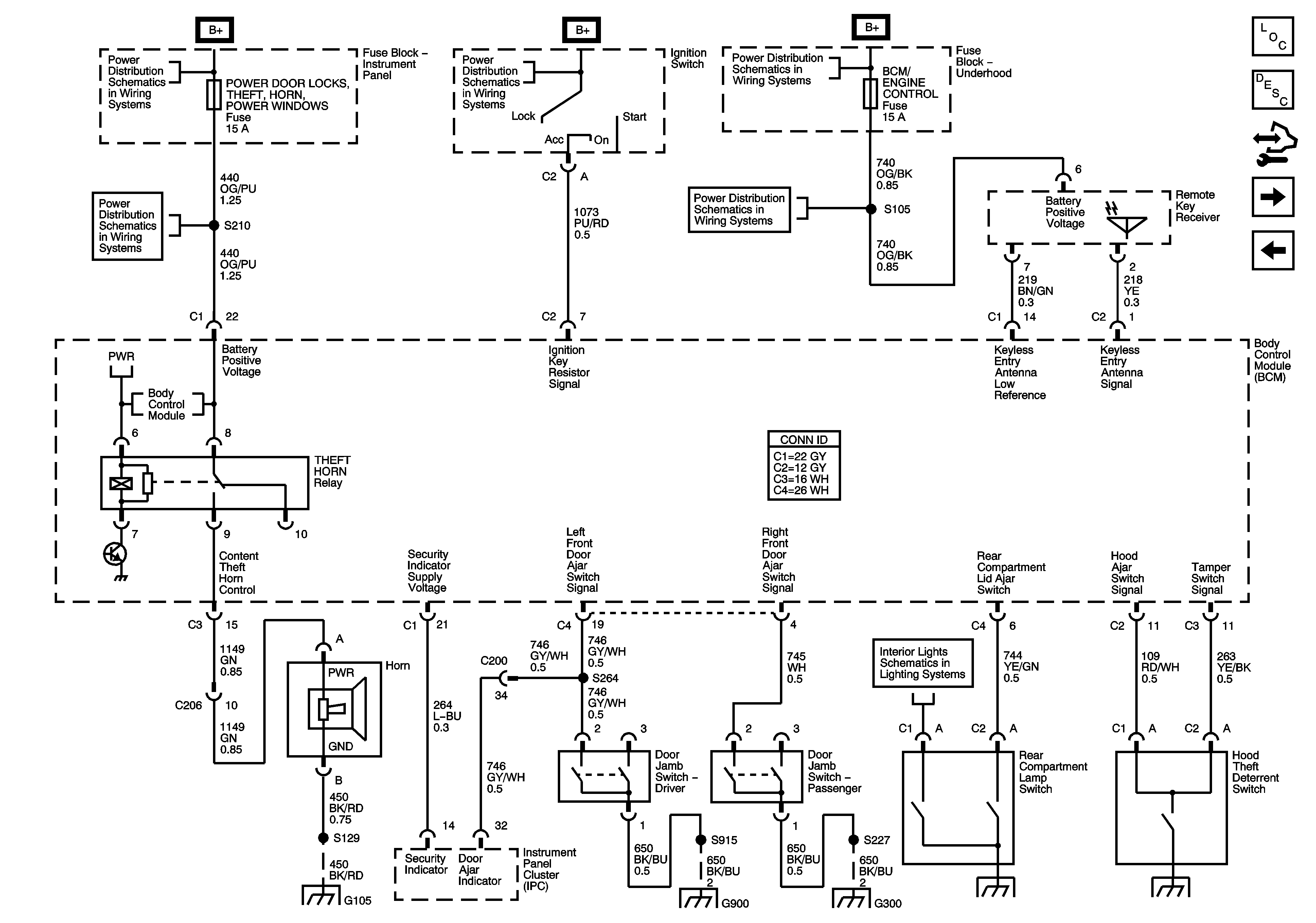
Theft/Horn Relay, Rear Compartment Lamp Switch, Hood Theft Deterrent Switch, and BCM
ENGINE, FUEL PUMP, and BCM/ENGINE CONTROL Fuses
ENGINE, FUEL PUMP, and BCM/ENGINE CONTROL Fuses
G300, G301 and G400
Figure 2:

Theft/Horn Relay, Rear Compartment Lamp Switch, Hood Theft Deterrent Switch, and BCM


Object Number: 1519687  Size: FS
Master Electrical Component List
Keyless Entry System Description and Operation
Control Module References
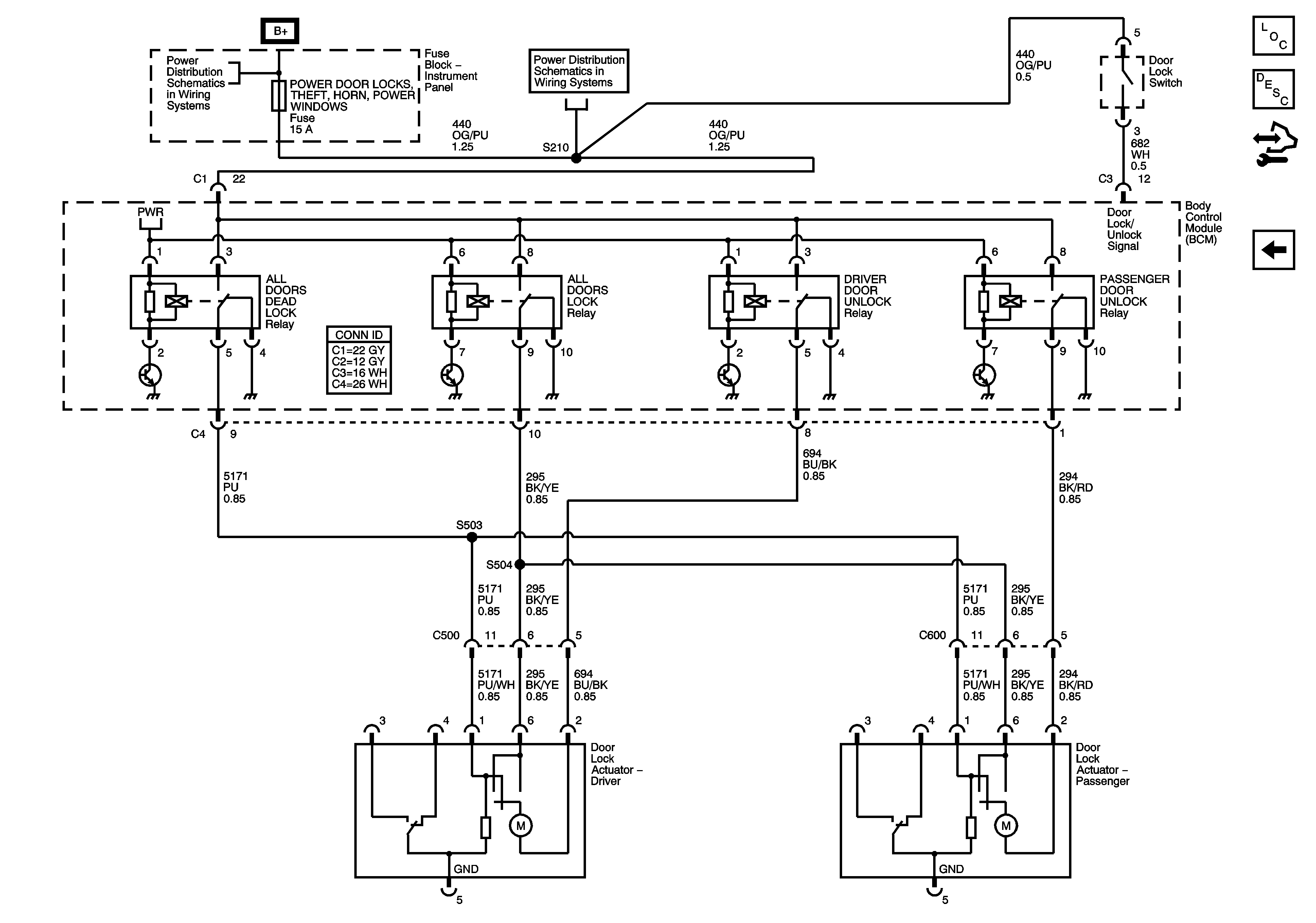
Door Lock Relays, Body Control Module (BCM), and Door Lock Actuators
Door Lock Switch, Body Control Module (BCM), and Door Lock Actuators
MAIN, BLOWER FAN, RAD FAN SMALL, INSTRUMENTS, POWER DOOR LOCKS, THEFT, HORN and POWER WINDOW Fuses
MAIN, BLOWER FAN, RAD FAN SMALL, INSTRUMENTS, POWER DOOR LOCKS, THEFT, HORN and POWER WINDOW Fuses
Ignition Switch
ENGINE, FUEL PUMP, and BCM/ENGINE CONTROL Fuses
ENGINE, FUEL PUMP, and BCM/ENGINE CONTROL Fuses
G104 and G105
G900 and G901
G300, G301 and G400
Dome Lamp
Figure 3:

Door Lock Relays, Body Control Module (BCM) and Door Lock Actuators


Object Number: 1519683  Size: FS
Master Electrical Component List
Keyless Entry System Description and Operation
Control Module References
Theft/Horn Relay, Rear Compartment Lamp Switch, Hood Theft Deterrent Switch, and BCM
MAIN, BLOWER FAN, RAD FAN SMALL, INSTRUMENTS, POWER DOOR LOCKS, THEFT, HORN and POWER WINDOW Fuses
MAIN, BLOWER FAN, RAD FAN SMALL, INSTRUMENTS, POWER DOOR LOCKS, THEFT, HORN and POWER WINDOW Fuses