GM Service Manual Online
For 1990-2009 cars only
Makes
🢒
Pontiac
🢒
2006
🢒
GTO
🢒
Accessories
🢒
Power Outlets
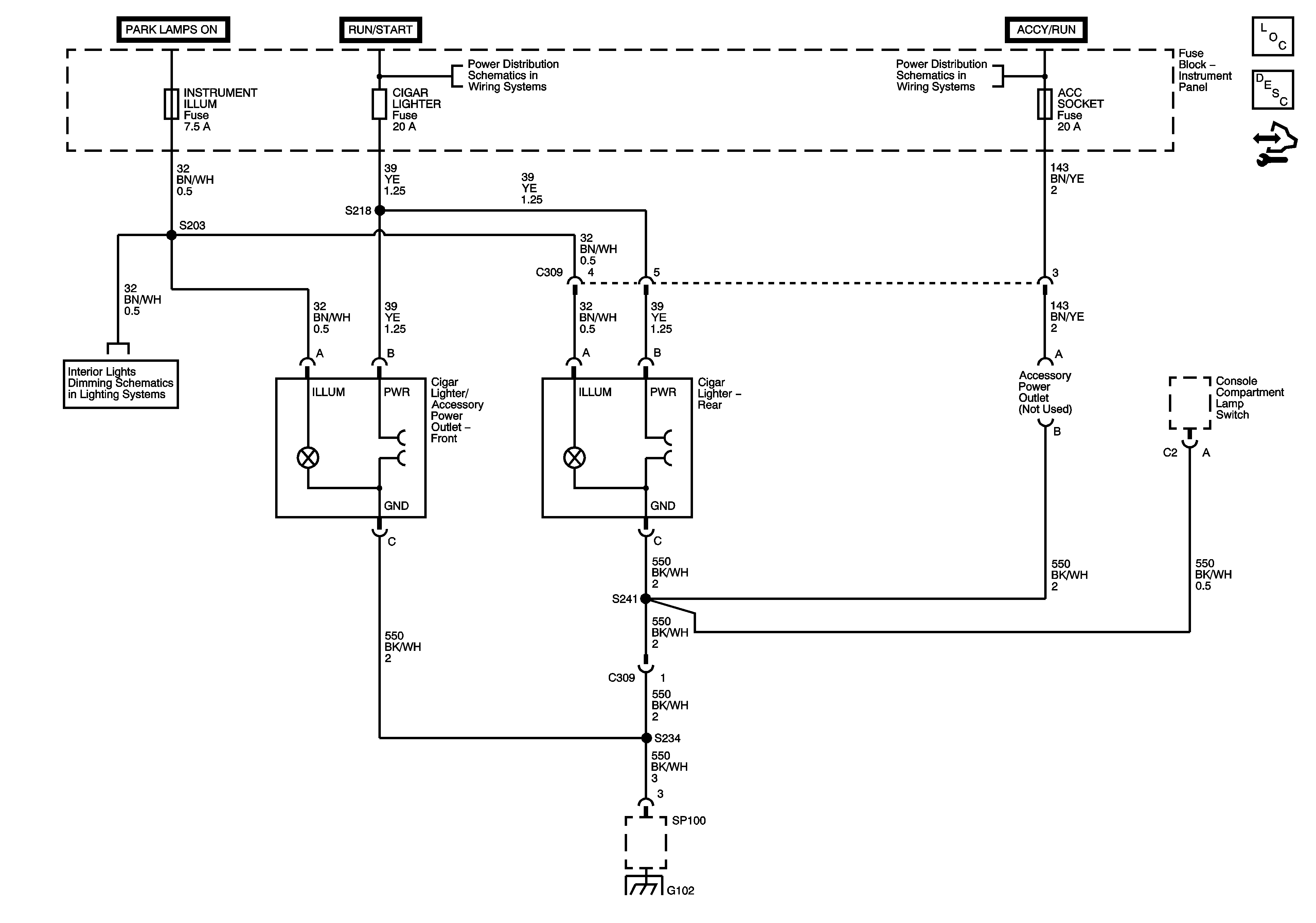
🢒 Cigar Lighter/Power Outlet Schematics
Master Electrical Component List
Control Module References
Interior Dimming Lights
Ignition Control Relay, ABS and TCS, SRS, CIGAR LIGHTER, CRUISE CONTROL, POWER MIRROR and SHIFTLOCK CONTROL Fuses
Accessory Control Relay, RADIO CELLULAR PHONE, ACC SOCKET, ECM SIGNAL Fuses
SP100 and G102 3 of 5