GM Service Manual Online
For 1990-2009 cars only
Figure 1:

G100, G101, SP100, and G102 1 of 5


Object Number: 1519238  Size: FS
Master Electrical Component List
Control Module References
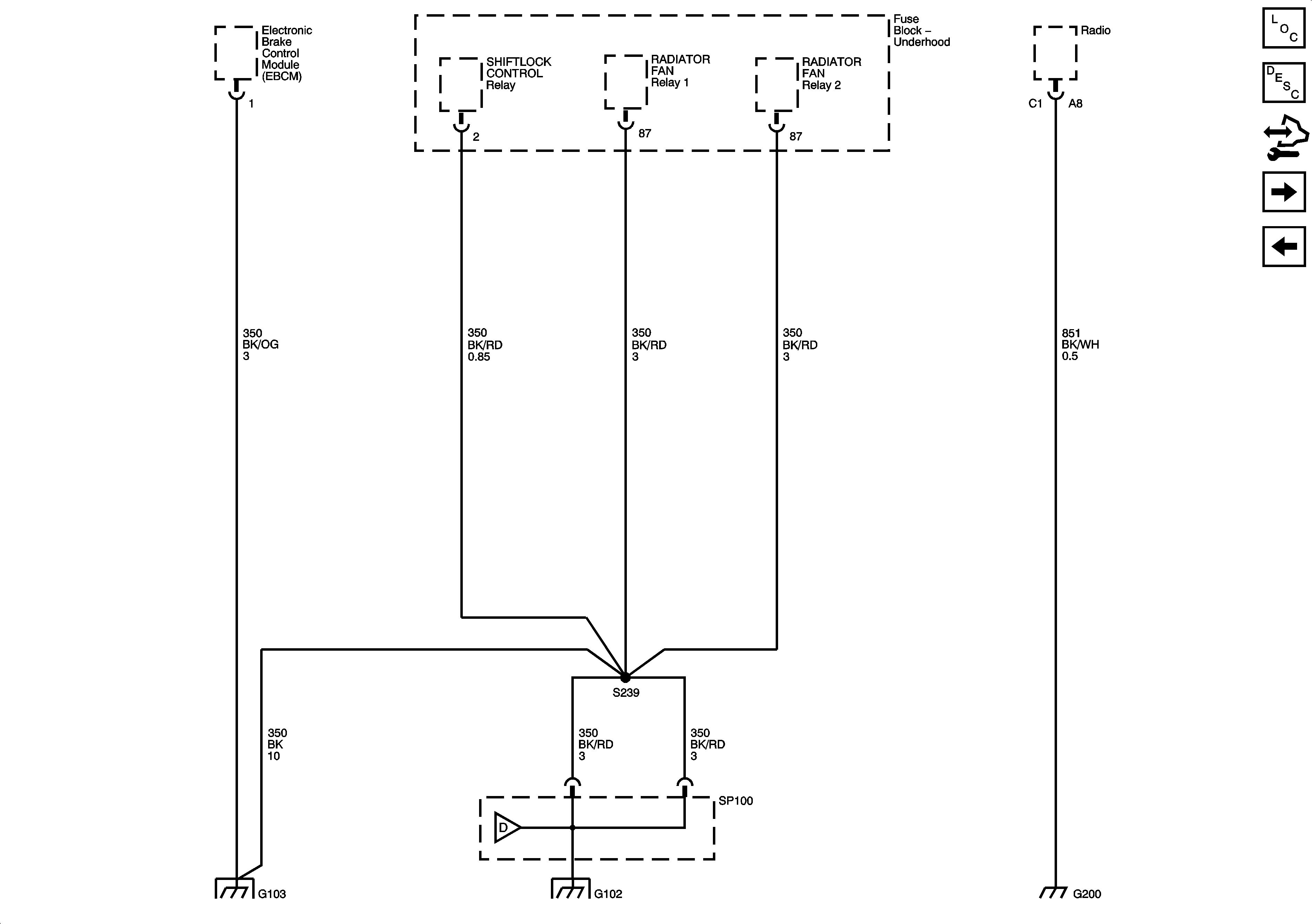
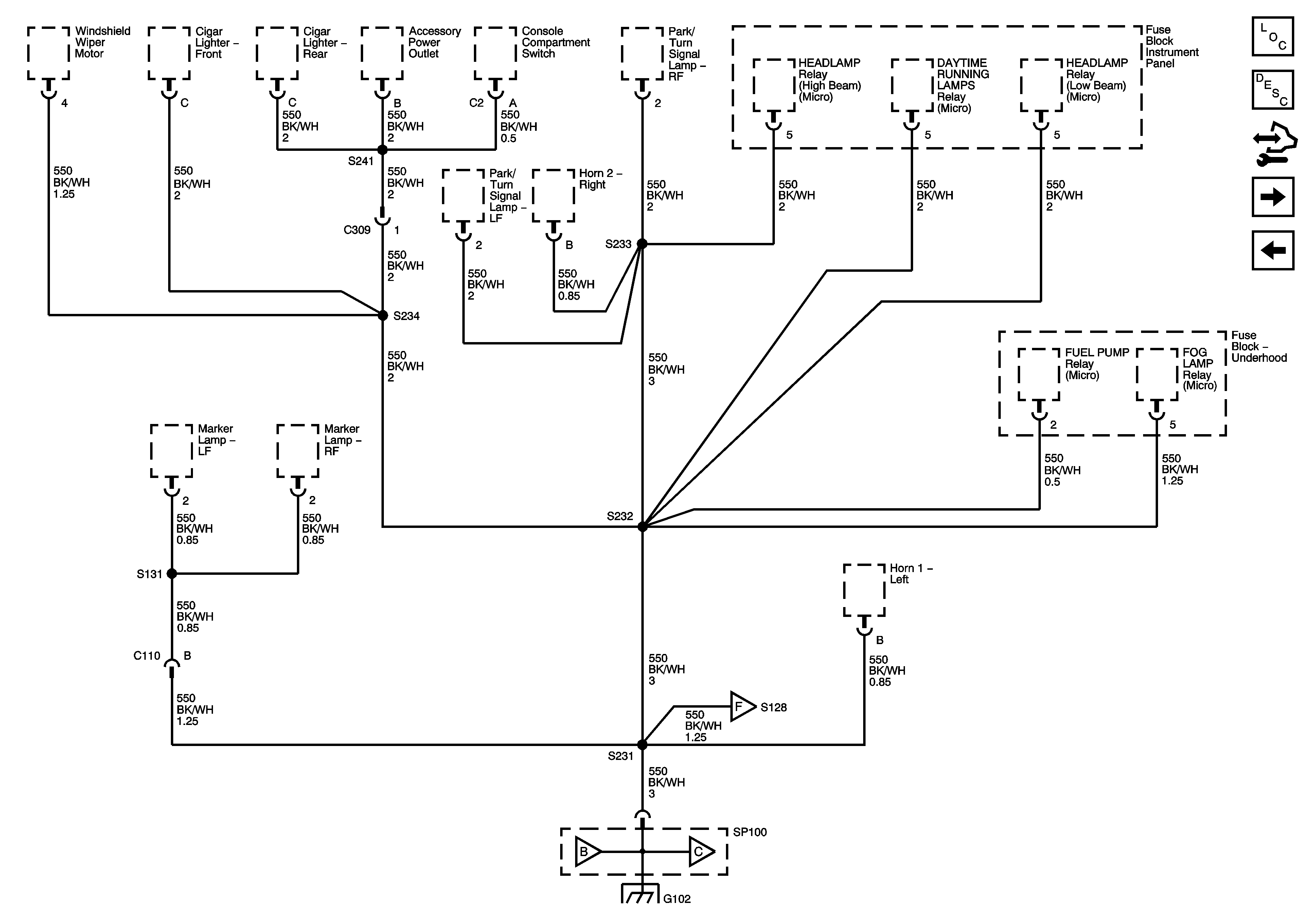
SP100 and G102 2 of 5
Figure 2:

SP100 and G102 2 of 5


Object Number: 1519239  Size: FS
Master Electrical Component List
Control Module References
SP100 and G102 3 of 5
G100, G101, SP100 and G102 1 of 5
Figure 3:

SP100 and G102 3 of 5


Object Number: 1519241  Size: FS
Master Electrical Component List
Control Module References
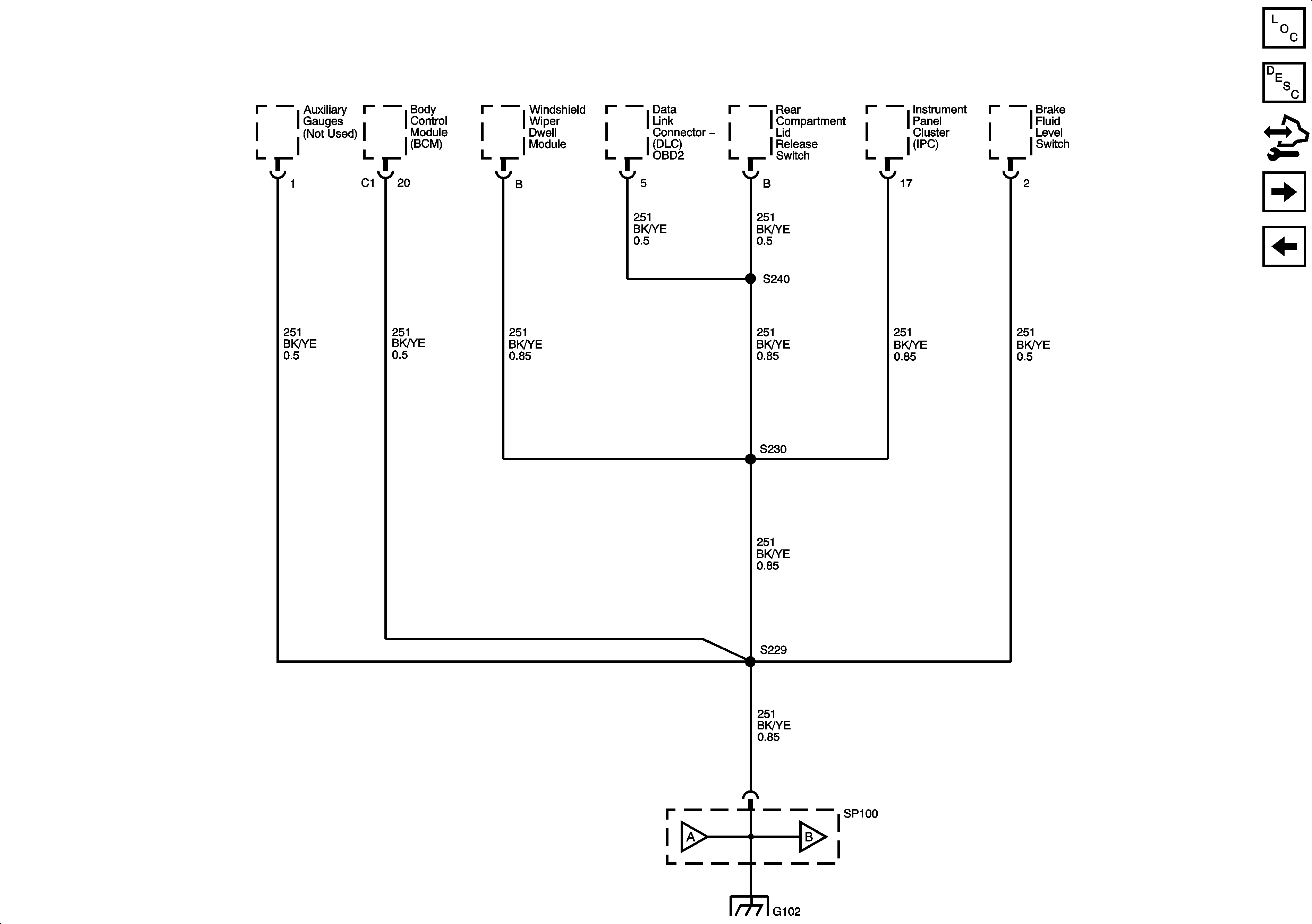
SP100 and G102 4 of 5
SP100 and G102 2 of 5
Figure 4:

SP100 and G102 4 of 5


Object Number: 1519281  Size: FS
Master Electrical Component List
Control Module References
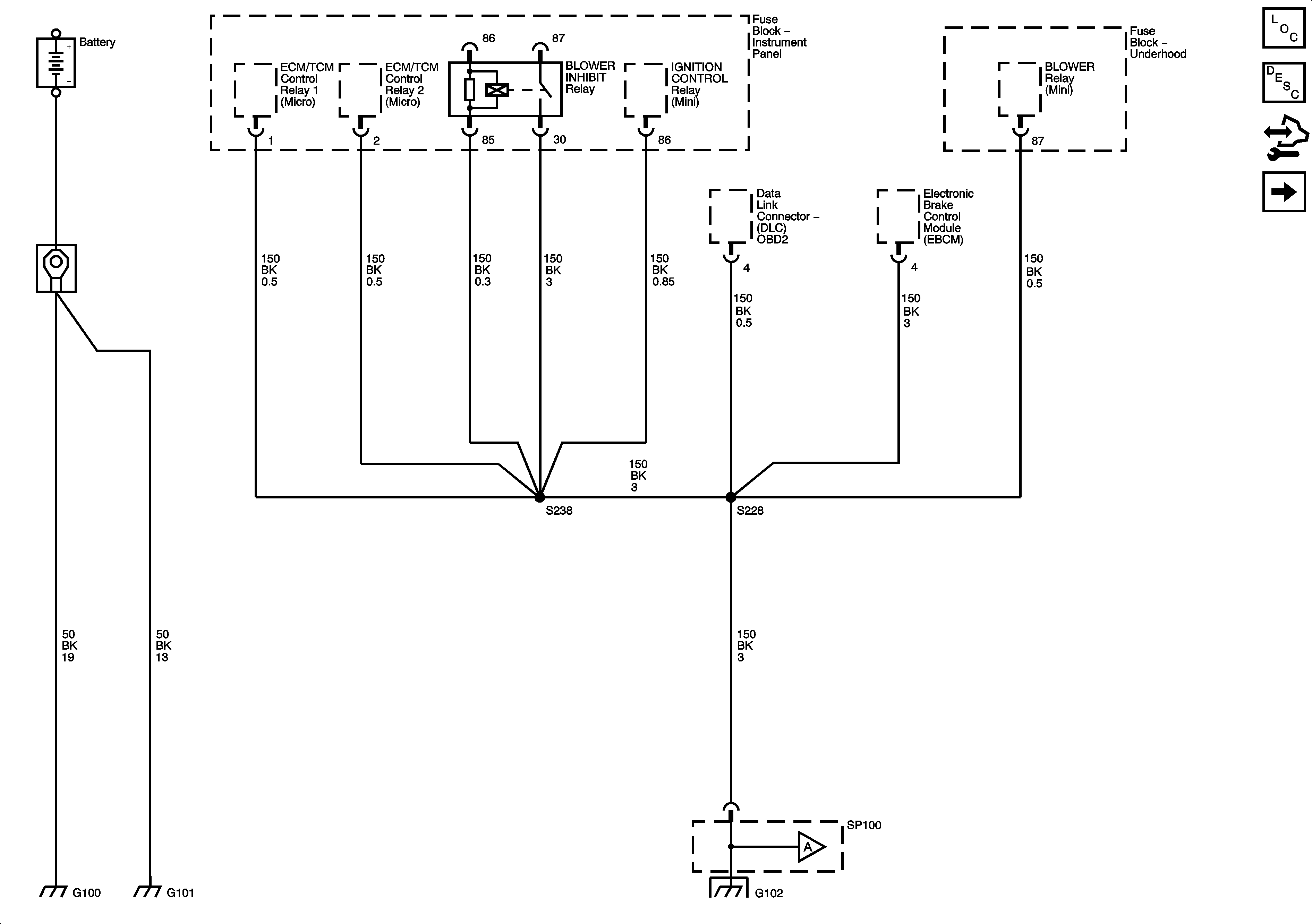
SP100 and G102 - 5 of 5, G103 and G200
SP100 and G102 3 of 5
Figure 5:

SP100 and G102 - 5 of 5, G103 and G200


Object Number: 1519293  Size: FS
Master Electrical Component List
Control Module References
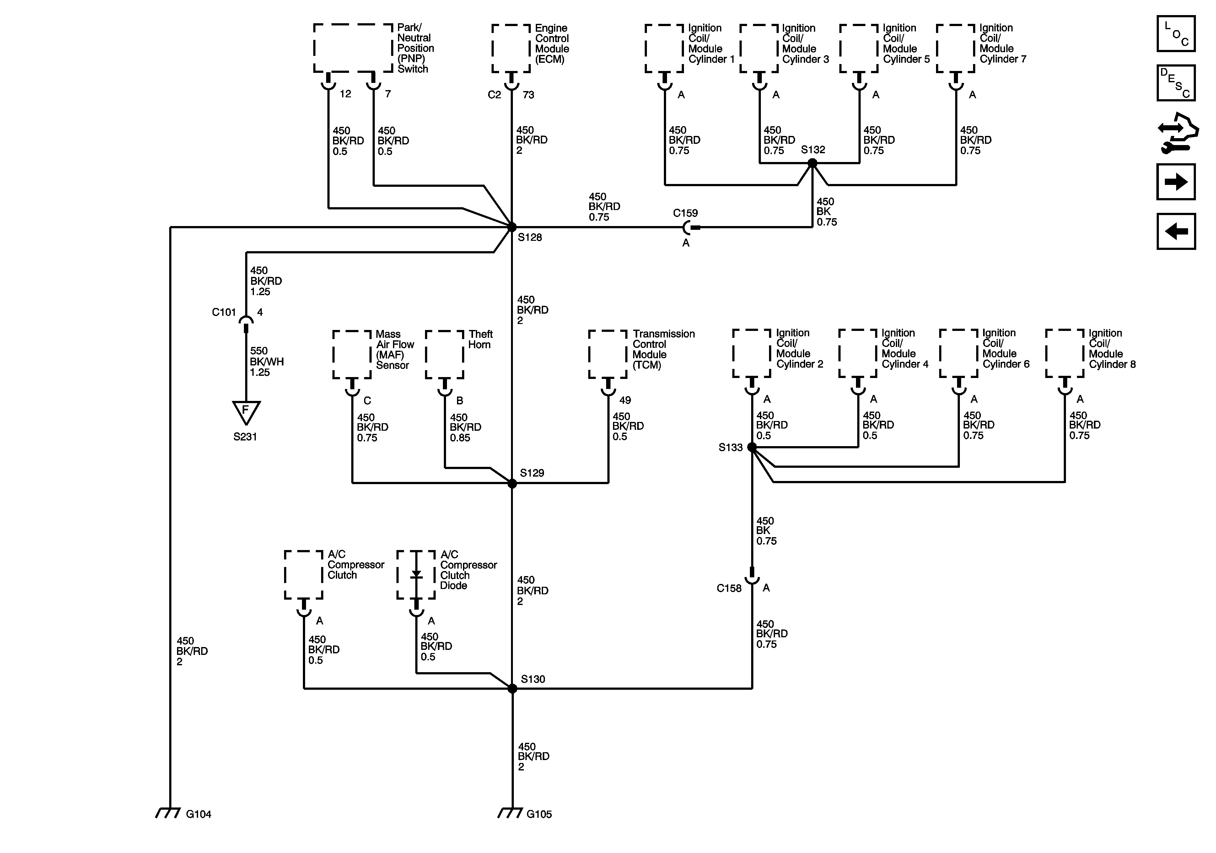
G104 and G105
SP100 and G102 4 of 5
Figure 6:

G104 and G105


Object Number: 1519295  Size: FS
Master Electrical Component List
Control Module References
G300, G301 and G400
SP100 and G102 - 5 of 5, G103 and G200
Figure 7:

G300, G301, and G400


Object Number: 1519298  Size: FS
Master Electrical Component List
Control Module References
G900 and G901
G104 and G105
Figure 8:

G900 and G901


Object Number: 1519301  Size: FS
Master Electrical Component List
Control Module References
G300, G301 and G400