GM Service Manual Online
For 1990-2009 cars only

SERVICE MANUAL UPDATE SEC. 8A MISLABELED BLOCK HTR./VENT HTR

Subject: SERVICE MANUAL UPDATE - SECTION 8A (MISLABELED BLOCK HEATER SHOULD BE VENT HEATER)

Models Affected: 1992 GRAND AM MODELS WITH 2.3L ENG (RPO LGO AND LD2)

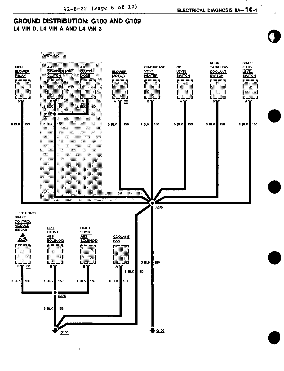
In Section 8A of the 1992 Grand Am Service Manual, the component engine vent heater or engine block heater is mislabeled. It should read crankcase vent heater in all 1992 Grand Am Service Manuals. Please correct this condition by changing the label of engine vent heater/ engine block heater to crankcase vent heater on the following pages:

GRAND AM MODELS

8A - CONTENTS 8A - 1 - 0 8A - 11 - 1 8A - 11 - 6 8A - 14 - 1 8A - 32 - 0 8A - 32 - 1 8A - 200 - 0 8A - 200 - 1

SECTION 8A ELECTRICAL DIAGNOSIS GRAND AM

Cell Cell

1 Index 64 HVAC: Compressor Controls 2 Introduction 65 HVAC: Air Delivery 3 Symbols 76 Audible Warnings: Chime 4 Troubleshooting Procedures 80 Instrument Panel: Base Cluster 5 Repair Procedures 81 Instrument Panel: w/ Gages Cluster 10 Power Distribution 85 Electronic PRNDL 11 Fuse Block Details 90 Wiper/Washer 12 Light Switch Details 91 Wiper/Washer: Pulse 14 Ground Distribution 100 Headlights and Fog Lights 21 Engine: Multi-port Fuel Injection, 102 Headlights: Daytime Running Lights V6 VIN N (T61) 23 Engine: Multi-port Fuel Injection, 110 Exterior Lights L4 VIN D, L4 VIN A and L4 VIN 3 112 Back Up Lights 30 Starter and Charging System 114 Interior Lights 31 Coolant Fan 117 Interior Lights Dimming 32 Crankcase Vent Heater 120 Power Windows 33 Vehicle Speed Sensor 131 Automatic Door Locks 34 Cruise Control 138 Brake Transaxle Shift Interlock 40 Horns (BTSI) 41 Brake Warning 140 Power Seats 44 Antilock Brake 141 Power Mirrors 45 Variable Effort Steering 146 Automatic Seat Belts 60 Heater 150 Radio/ Audio Systems 61 Rear Defogger 200 Service Parts Information 62 HVAC: System Check 201 Component Location Views 63 HVAC: Blower Controls 202 Harness Connector Faces 203 Harness Routing Views


Object Number: 78907  Size: FS


Object Number: 92429  Size: FS


Object Number: 90704  Size: FS


Object Number: 81300  Size: FS


Object Number: 76830  Size: FS


Object Number: 87888  Size: FS


Object Number: 83202  Size: FS


Object Number: 78906  Size: FS


Object Number: 86395  Size: FS


Object Number: 93304  Size: SF


Object Number: 91803  Size: MF

General Motors bulletins are intended for use by professional technicians, not a "do-it-yourselfer". They are written to inform those technicians of conditions that may occur on some vehicles, or to provide information that could assist in the proper service of a vehicle. Properly trained technicians have the equipment, tools, safety instructions and know-how to do a job properly and safely. If a condition is described, do not assume that the bulletin applies to your vehicle, or that your vehicle will have that condition. See a General Motors dealer servicing your brand of General Motors vehicle for information on whether your vehicle may benefit from the information.