GM Service Manual Online
For 1990-2009 cars only
Makes
🢒
Pontiac
🢒
1996
🢒
Grand Am
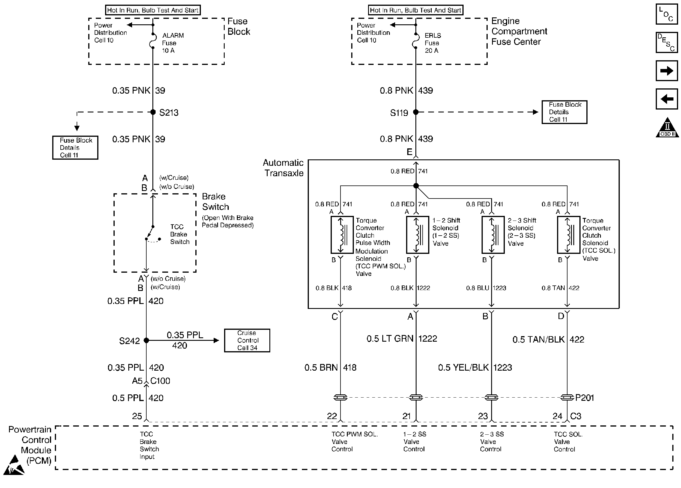
🢒 Transaxle Controls
Transaxle Controls
Transaxle Controls
Engine Controls Components
Powertrain Control Module (PCM) General Description
A/C Controls
VSS and Cruise Control
OBD II Symbol Description Notice
Handling ESD Sensitive Parts Notice