GM Service Manual Online
For 1990-2009 cars only

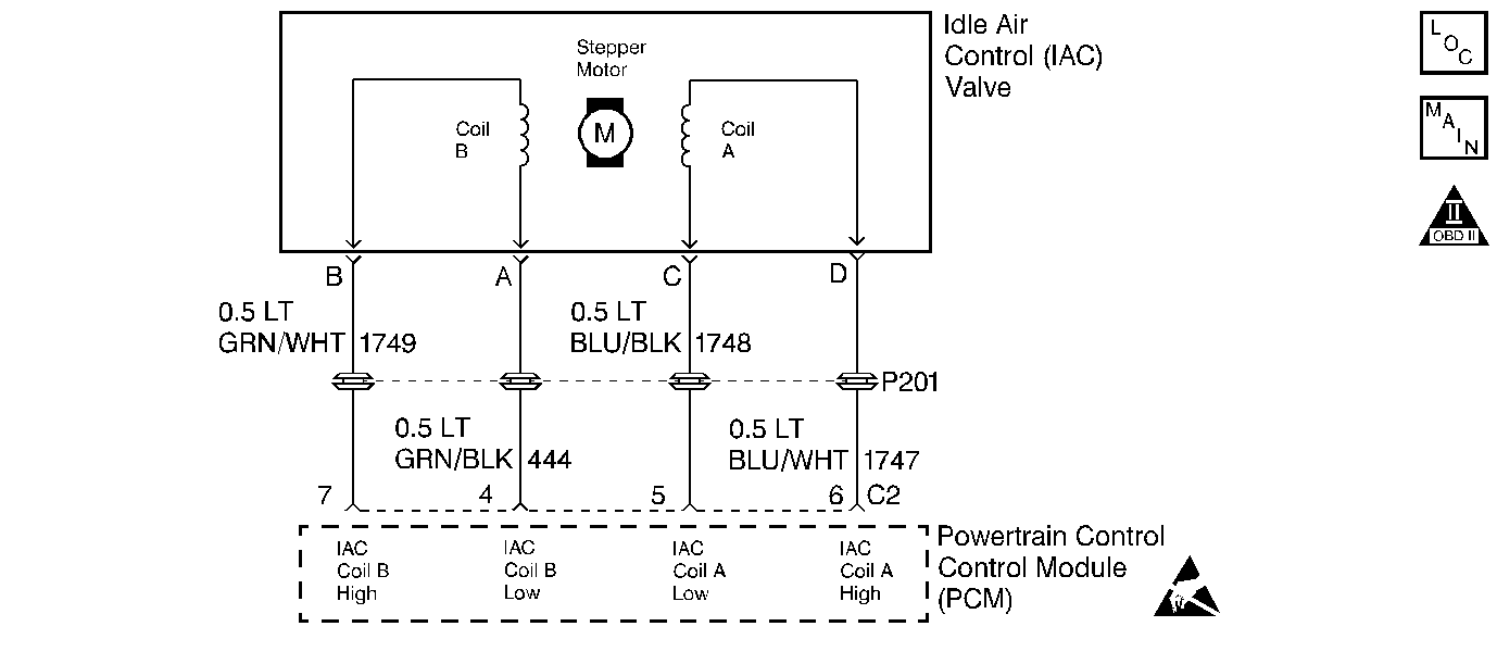
Object Number: 28010  Size: SF
Engine Controls Components
IAC Valve, Generator, TR, Oil and Coolant Switches
OBD II Symbol Description Notice
Handling ESD Sensitive Parts Notice

Circuit Description

The Powertrain Control Module (PCM) controls the air entering into the engine with an idle air control (IAC) valve. To increase the idle RPM, the PCM commands the pintle inside of the IAC valve away from the throttle body seat. This allows more air to bypass through the throttle blade. To decrease the RPM, the PCM commands the pintle towards the throttle body seat. This reduces the amount of air bypassing the throttle blade. A scan tool will read the IAC valve pintle position in counts. The higher the counts, the greater the airflow that bypasses the throttle blade.

Conditions for Setting the DTC

    • DTC(s) P0106, P0107, P0108, P0112, P0113, P0117, P0118, P0121, P0122, P0123, P0125, P0131, P0132, P0133, P0134, P0200, P0335, P0341, P0342, P0401, P0440, P0442, P0446, P0502, P0503, P1133, P1406 and P1441 not set
    • BARO is greater than 72 kPa.
    • Engine Coolant Temperature (ECT) is greater than 40° C (104° F).
    • Engine RPM is above desired RPM by more than 60 RPM for 13 seconds.
    • Engine has been running more than 20 seconds.
    • Throttle Position (TP) angle is less than 1 %.
    • IAC command is less than 2 counts.

Action Taken When the DTC Sets

    • The malfunction indicator lamp (MIL) will illuminate after two consecutive ignition cycles in which the diagnostic runs with the malfunction present.
    • The PCM will record the operating conditions at the time that the diagnostic fails. This information will store in the Freeze Frame and Failure Records buffers.
    • A history DTC stores.
    • The coolant fan turns ON.

Conditions for Clearing the MIL/DTC

    • The MIL will turn OFF after three consecutive ignition cycles in which the diagnostic runs without a fault.
    • A history DTC will clear after 40 consecutive warm-up cycles without a fault.
    • The MIL/DTCs can be cleared by using the scan tool.

Diagnostic Aids

    • Inspect the IAC valve electrical connection for proper mating.
    • Inspect the wiring harness for damage.
    • Inspect for a disconnected, cracked or cut vacuum hoses.
    • Inspect for the proper installation of the crankcase ventilation valve.
    • Inspect the intake manifold and throttle body for leaks.
    • Inspect the intake manifold for cracks.
    • Refer to Rough, Unstable, or Incorrect Idle and Stalling .

Test Description

Number(s) below refer to the step number(s) on the Diagnostic Table.

  1. The Powertrain OBD System Check prompts the technician to complete some basic checks and store the freeze frame and failure records data on the scan tool if applicable. This creates an electronic copy of the data taken when the fault occurred. The information is then stored on the scan tool for later reference.

  2. A normally operating IAC system will be able to be extended and retracted by a scan tool and change the engine idle RPM. Valve movement is verified by an engine RPM change.

  3. If the scan tool was able to command the IAC valve smoothly, a fault may still exist internally within the IAC valve. This can be checked by checking the IAC valves internal resistance.

  4. The IAC circuits always have ground or voltage signals on them in pairs. If the test light illuminates on more or less than 2 terminals, 1 of the circuits is shorted to voltage or open.

  5. The IAC circuits always have ground or voltage signals on them in pairs. If the test light illuminates on more or less than 2 terminals, 1 of the circuits is shorted to ground or open.

  6. The IAC circuits are constantly switched between ground and voltage so the test light should blink on all circuits when connected to ground.

  7. Any circuitry, that is suspected as causing the intermittent complaint, should be thoroughly checked for backed out terminals, improper mating, broken locks, improperly formed or damaged terminals, poor terminal to wiring connections or physical damage to the wiring harness.

  8. A test light that remains ON constantly indicates that the circuit is shorted to voltage.

  9. Replacement PCM's must be reprogrammed. Refer to the latest Techline information for programming procedures.

  10. If no faults have been found at this point and no additional DTC's were set, refer to Diagnostic Aids for additional checks and information.

DTC P0507 Idle Air Control (IAC) System High RPM

Step

Action

Value(s)

Yes

No

1

Was the Powertrain On-Board Diagnostic (OBD) System Check performed?

--

Go to Step 2

Go to Powertrain On Board Diagnostic (OBD) System Check

2

  1. Turn the ignition switch ON, with the engine OFF.
  2. Engine at operating temperature.
  3. Transmission in park or neutral and the parking brake set.
  4. A/C OFF.
  5. Install a scan tool and command the IAC valve between the specified values.

Does the engine RPM change smoothly when commanded by the scan tool?

900-2000 RPM

Go to Step 3

Go to Step 5

3

  1. Turn the ignition switch OFF.
  2. Disconnect the IAC valve electrical connector.
  3. Remove the IAC valve.
  4. Measure the resistance across the IAC valve terminals A and B.
  5. Measure the resistance across the IAC terminals C and D.

Are the resistance's across terminals A and B, C and D within the specified valve.

40-80 ohms

Go to Step 4

Go to Step 13

4

  1. Measure the resistance across the IAC valve terminals B and C.
  2. Measure the resistance across the IAC valve terminals A and D.

Are the resistance's across terminals B and C and terminals A and D infinite?

--

Go to Step 15

Go to Step 13

5

  1. Turn the ignition switch ON, with the engine OFF.
  2. Disconnect the IAC valve electrical connector.
  3. With a test light connected to ground, probe the IAC electrical connector terminals.

Does the test light illuminate on 2 terminals?

--

Go to Step 6

Go to Step 7

6

With a test light connected to B+, probe the IAC valve electrical connector terminals.

Does the test light illuminate on 2 terminals?

--

Go to Step 8

Go to Step 9

7

Check for an open or a short to ground in the IAC valve hi and lo circuits and repair as necessary.

Was a repair necessary?

--

Go to Step 15

Go to Step 10

8

  1. Engine idling.
  2. With a test light connected to ground, probe the IAC valve electrical connector terminals.

Does the test light flash ON and OFF for all terminals?

--

Go to Step 11

Go to Step 12

9

Check for an open or a short to voltage in the IAC valve hi and lo circuits and repair as necessary.

Was a repair necessary?

--

Go to Step 15

Go to Step 10

10

Check the PCM electrical connector for poor connections and repair as necessary.

Was a repair necessary?

--

Go to Step 15

Go to Step 14

11

Inspect the IAC passages.

Was a problem found?

--

Go to Step 15

Go to Step 13

12

Did the test light remain ON constantly for the terminals that did not blink?

--

Go to Step 9

Go to Step 7

13

Replace the IAC valve.

Is the action complete?

--

Go to Step 15

--

14

Replace the PCM.

Is the action complete?

--

Go to Step 15

--

15

  1. Using the scan tool, clear the DTC's.
  2. Start the engine and idle at normal operating temperature.
  3. Operate the vehicle within the conditions for setting this DTC as specified in the supporting text.

Does the scan tool indicate that this diagnostic has ran and passed?

--

Go to Step 16

Go to Step 2

16

Check if any additional DTC's are set.

Are any DTC's displayed that have not been diagnosed?

 

Go to applicable DTC table

System OK

Refer to Diagnostic Aids