GM Service Manual Online
For 1990-2009 cars only

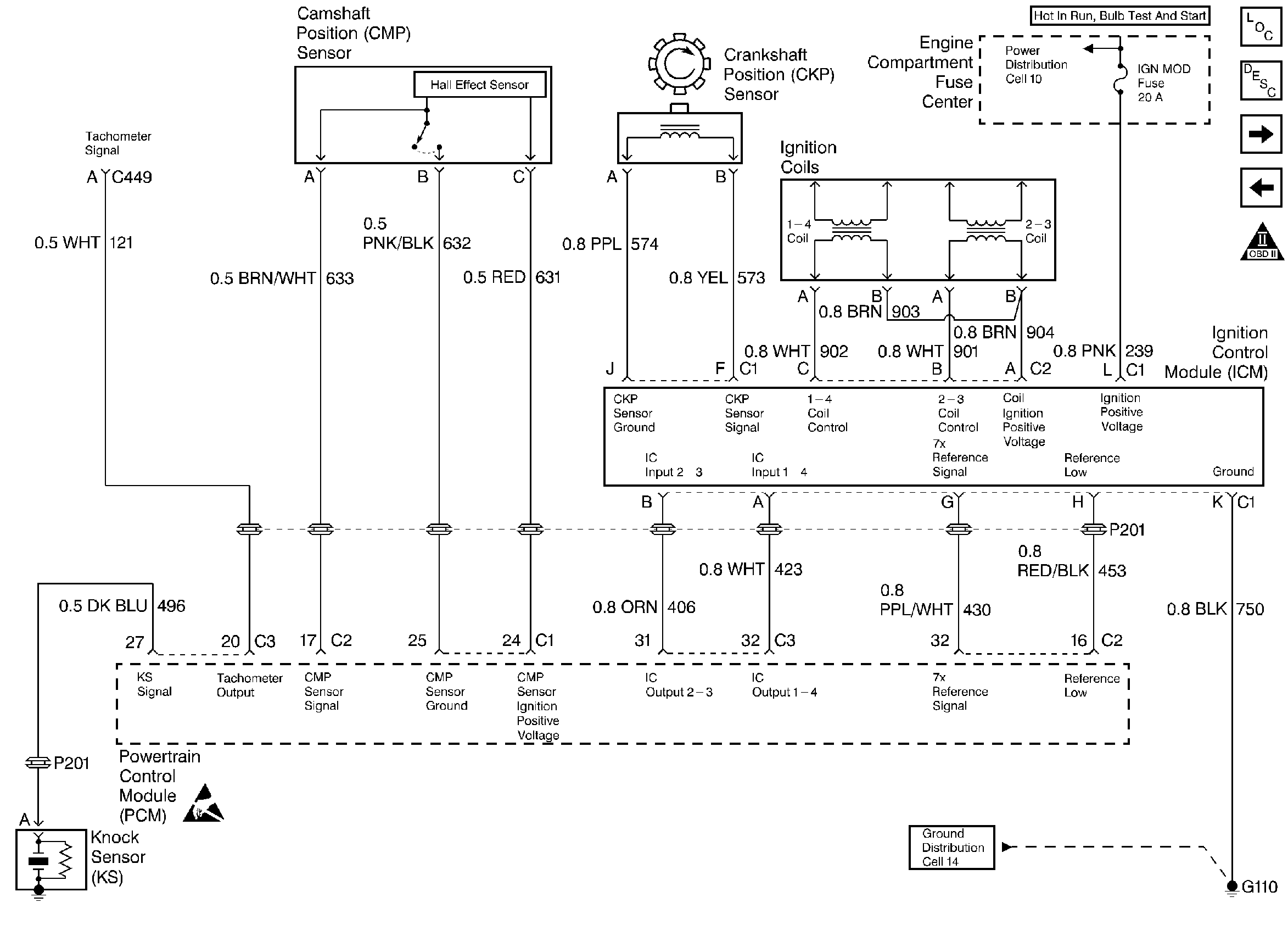
Refer to

Ignition Controls


Object Number: 28045  Size: FS
Engine Controls Components
Powertrain Control Module (PCM) General Description
Fuel Controls
Power, Ground, MIL, and DLC
OBD II Symbol Description Notice
Handling ESD Sensitive Parts Notice
.

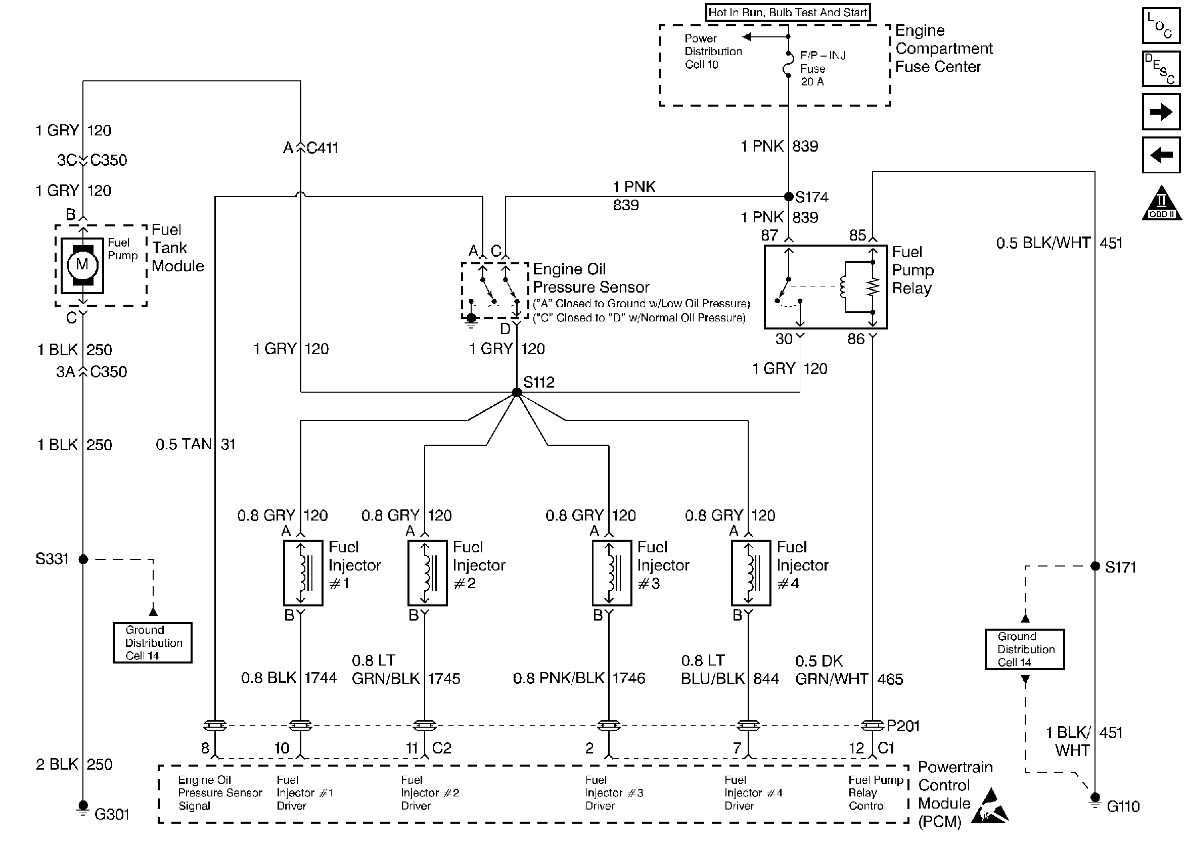
Refer to

Fuel Controls


Object Number: 28049  Size: FS
Engine Controls Components
Powertrain Control Module (PCM) General Description
Engine Data Sensors
Ignition Controls
OBD II Symbol Description Notice
Handling ESD Sensitive Parts Notice
.

Circuit Description

The electronic ignition control module (ICM) sends a reference signal to the powertrain control module (PCM). The ICM sends this signal 7  times per crankshaft revolution in order to indicate the crankshaft position and the RPM. This enables the PCM to determine when to pulse the ignition coils and control the ignition timing. This signal is called the medium resolution or 7X reference. The ICM applies 5 volts through the 7X reference circuit to the PCM. This, in effect, switches this circuit to ground for a very short period of time. The seventh pulse is the sync pulse and is used for crankshaft position reference.

Conditions for Setting the DTC

The PCM sees more than 15 CKP sensor resyncs in 255 seconds (4 minutes and 15 seconds).

Action Taken When the DTC Sets

    • The malfunction indicator lamp (MIL) illuminates.
    • The PCM records the operating conditions at the time when the diagnostic fails. This information stores in the Freeze Frame and Failure Records buffers.
    • A history DTC stores.
    • The coolant fan turns ON.

Conditions for Clearing the MIL/DTC

    • The MIL will turn OFF after three consecutive ignition cycles in which the diagnostic runs without a fault.
    • A history DTC will clear after 40 consecutive warm-up cycles without a fault.
    • The MIL/DTCs can be cleared by using the scan tool.

Diagnostic Aids

    • If the complaint was Cranks But Will Not Run, you may set a DTC P0335 when attempting to start the engine more than 15 times and the ignition is not turned OFF between attempts.
    • An intermittent problem may be caused by the following conditions:
       - Rubbed through wire insulation
       - Poor electrical connection
       - Broken wire inside of the insulation
    • Thoroughly check any suspected circuitry for the following conditions:
       - Backed out terminals
       - Improper mating
       - Broken locks
       - Improperly formed
       - Damaged terminals
       - Poor terminal to wiring connections
       - Physical damage to the wiring harness
    • An intermittent can also be the result of a defective reluctor wheel. Remove the crankshaft sensor and inspect the reluctor wheel through the hole. Check for the porosity and the condition of the wheel. Refer to Crankshaft Balancer Clean and Inspect .

Test Description

Number(s) below refer to the step number(s) on the Diagnostic Table.

  1. The Powertrain OBD System Check prompts the technician to complete some basic checks and store the freeze frame and failure records data on the scan tool if applicable. This creates an electronic copy of the data taken when the fault occurred. The information is then stored on the scan tool for later reference.

  2. This step determines if the PCM is recognizes a problem. If the DTC doesn't reset at this point, the problem may be intermittent.

  3. When a Med. Resolution Resync occurs, engine stumble should also occur. If a component connection or wire is at fault, an engine stumble or a medium resolution resync may be induced by wiggling the circuit or connector.

  4. Operating faulty non-engine related electronic components may emit Electromagnetic Interference (EMI) which may cause a resync. This step will determine if the medium resolution resync's are being caused by an outside source.

  5. Any circuitry, that is suspected as causing the complaint, should be thoroughly checked for backed out terminals, improper mating, broken locks, improperly formed or damaged terminals, poor terminal to wiring connections or physical damage to the wiring harness.

  6. An intermittent problem may be caused by a rubbed through wire insulation or a poor connection.

DTC P0335-Crankshaft Position (CKP) Sensor Circuit

Step

Action

Value(s)

Yes

No

1

Was the Powertrain On-Board Diagnostic (OBD) System Check performed?

--

Go to Step 2

Go to Powertrain On Board Diagnostic (OBD) System Check

2

Will engine start?

--

Go to Step 3

Go to DTC P0133 HO2S Slow Response Sensor 1

3

  1. Install a scan tool.
  2. Clear the DTC's.
  3. Idle the engine for the specified minutes or until the Malfunction Indictor Lamp (MIL) turns ON.

Did the MIL illuminate?

5

Go to Step 4

Go to Step 5

4

With the engine running, wiggle the connectors of the PCM, ICM and CKP sensors and related circuits, while listening for engine stumble.

Caution:  Avoid contact with moving parts and hot surfaces while working around a running engine in order to prevent physical injury.

Does the engine stumble?

--

Go to Step 6

Go to Step 7

5

Operate any non-engine related electronic component on the vehicle.

Does the Med. Resolution Resync Cntr on the scan tool resync while operating any non-engine related electronic components?

--

Go to Step 9

Go to Step 4

6

Check for a poor connection or replace the terminal in the circuit which caused the engine to stumble and repair as necessary

Is the action complete?

--

Go to Step 13

--

7

Did the MIL illuminate in Step 3?

--

Go to Step 8

Go to Step 13

8

Check the wiring to the PCM, ICM, and CKP sensor for rubbed through wire insulation or for being pinched and repair as necessary.

--

Go to Step 13

Go to Step 10

9

Repair the circuitry of the faulty or interfering component.

Is the action complete?

--

Go to Step 13

--

10

  1. Replace the CKP sensor.
  2. Idle the engine for the specified minutes or until the Malfunction Indicator Lamp (MIL) turns ON.

Did the MIL illuminate?

5

Go to Step 11

Go to Step 13

11

  1. Replace the PCM.
  2. Idle the engine for the specified minutes or until the Malfunction Indicator Lamp (MIL) turns ON.

Did the MIL illuminate?

5

Go to Step 12

Go to Step 13

12

  1. Replace the ICM.
  2. Idle the engine for the specified minutes or until the Malfunction Indicator Lamp turns ON.

Did the MIL illuminate?

5

Go to Diagnostic Aids

Go to Step 13

13

  1. Using the scan tool, clear the DTC's.
  2. Start the engine and idle at normal operating temperature.
  3. Operate the vehicle within the conditions for setting this DTC as specified in the supporting text.

Does the scan tool indicate that this diagnostic has ran and passed?

--

Go to Step 14

Go to step 3

14

Check if any additional DTC's are set.

Are any DTC's displayed that have not been diagnosed?

--

Go to applicable DTC table

System OK