GM Service Manual Online
For 1990-2009 cars only

Refer to

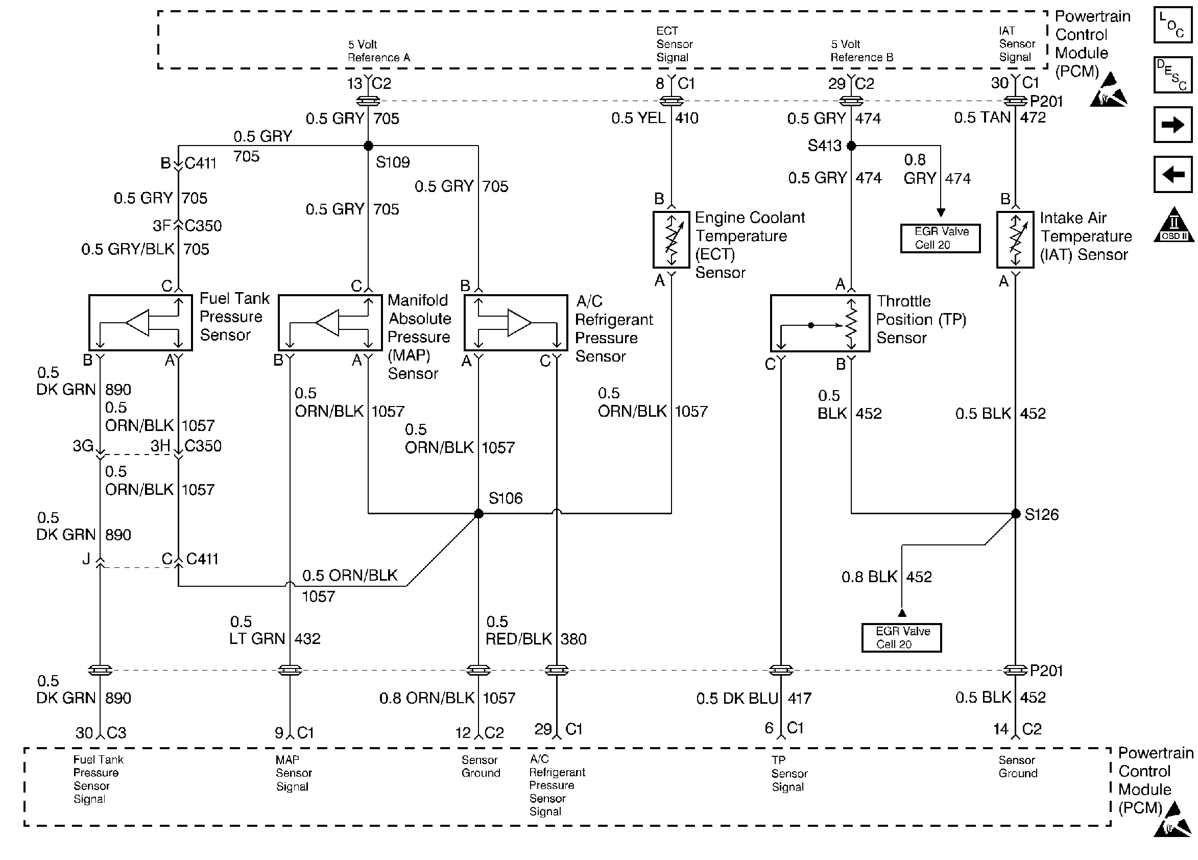
Engine Data Sensors


Object Number: 28050  Size: FS
Engine Controls Components
Powertrain Control Module (PCM) General Description
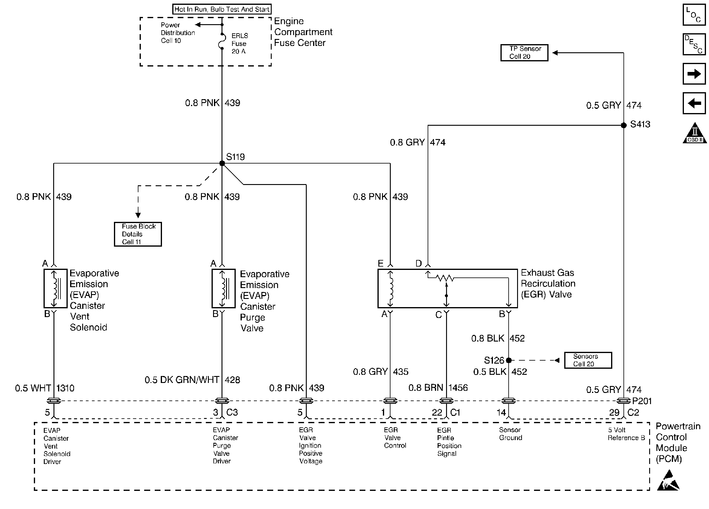
EVAP and EGR Controls
Fuel Controls
OBD II Symbol Description Notice
Handling ESD Sensitive Parts Notice
Handling ESD Sensitive Parts Notice
and

EVAP and EGR Controls


Object Number: 28051  Size: FS
Engine Controls Components
Powertrain Control Module (PCM) General Description
Oxygen Sensors
Engine Data Sensors
OBD II Symbol Description Notice
Handling ESD Sensitive Parts Notice
for wiring view.

Circuit Description

The evaporative system includes the following components:

    • The fuel tank
    • The EVAP vent solenoid
    • The fuel tank pressure sensor
    • The fuel pipes and hoses
    • The fuel vapor lines
    • The fuel cap
    • The EVAP canister
    • The purge lines
    • The EVAP canister purge valve
    • The EVAP service port

The evaporative emission system is checked by applying vacuum to the EVAP system and by monitoring for a vacuum decay. The PCM monitors the vacuum level through the fuel tank pressure sensor signal. At an appropriate time, the EVAP canister purge valve and the EVAP vent solenoid are turned ON, allowing the engine to draw a small vacuum on the entire evaporative emission system. Once the desired vacuum level has been achieved, the EVAP canister purge valve turns OFF, sealing the system. Detect for any leaks by monitoring for a decrease in the vacuum level over a given time period when all of the other variables remain constant. A small leak in the system will cause DTC P0442 to set.

Conditions for Setting the DTC

    • DTCs P0106, P0107, P0108, P0112, P0113, P0117, P0118, P0121, P0122, P0123, P0125, P0131, P0132, P0133, P0134 and P1133 are not set.
    • The BARO is greater than 75 kPa.
    • The intake air temperature is between 5°C and 29°C (41°F and 84°F) at the engine start up.
    • The engine coolant temperature is between 5°C and 29°C (41°F and 84°F) at the engine start up.
    • The Intake Air Temperature is not more than 1°C (2°F) greater than the Engine Coolant Temperature at the engine start up.
    • The Engine Coolant Temperature is not more than 7°C (12°F) greater than the Intake Air Temperature at the engine start up.
    • The fuel tank level is between 26 percent and 74 percent.
    • The TP sensor is between 9 percent and 35 percent.
    • The EVAP solenoid is at 50 percent PWM within 65 seconds of the engine run time.
    • A vacuum decay condition indicating a small leak is detected during the diagnostic test.

Action Taken When the DTC Sets

    • The malfunction indicator lamp (MIL) illuminates.
    • The PCM records the operating conditions at the time when the diagnostic fails. This information stores in the Freeze Frame and Failure Records buffers.
    • A history DTC stores.
    • The coolant fan turns ON.

Conditions for Clearing the MIL/DTC

    • The MIL will turn OFF after three consecutive ignition cycles in which the diagnostic runs without a fault.
    • A history DTC will clear after 40 consecutive warm up cycles without a fault.
    • DTC(s) can be cleared by disconnecting the battery.

Diagnostic Aids

Although this DTC is considered a type A diagnostic (refer to Powertrain Control Module (Serial Data Communication) ), it acts like a type B diagnostic under certain conditions. Whenever this diagnostic reports the system has passed, or if the battery is disconnected, the diagnostic must fail twice before setting a DTC. The initial failure is not reported to the diagnostic executive or displayed on a scan tool. A passing system always reports to the diagnostic executive immediately.

If a DTC P0460 is set along with an EVAP System DTC, the EVAP DTC can not be considered valid until DTC P0460 is repaired and cleared.

Check for the following conditions:

    • Missing or damaged O-rings at fuel vapor and EVAP purge line canister fittings.
    • Cracked or punctured EVAP canister.
    • Damaged source vacuum line, EVAP purge line, EVAP vent hose or fuel tank vapor line.
    • Poor connection at PCM. Inspect harness connectors for the following conditions:
       - Backed out terminals
       - Improper mating
       - Broken locks
       - Improperly formed
       - Damaged terminals
       - Poor terminal to wire connection
    • Damaged harness. Inspect the wiring harness to the EVAP vent solenoid EVAP canister purge valve and the fuel tank vapor pressure sensor for an intermittent open or short circuit.
    • Refer to Carbon Particle Removal from EVAP System for further procedure.

Test Description

Number(s) below refer to the step number(s) on the Diagnostic Table.

  1. The Powertrain OBD System Check prompts the technician to complete some basic checks and store the freeze frame and failure records data on the scan tool if applicable. This creates an electronic copy of the data taken when the fault occurred. The information is then stored on the scan tool for later reference.

  2. If a vent solenoid or EVAP canister purge valve electrical fault is present, the purge system will not operate correctly. Repairing the electrical fault will very likely correct the condition that set DTC P0442.

  3. Checks the fuel tank pressure sensor at ambient pressure.

  4. Forces the fuel tank pressure sensor to re-zero.

  5. Verifies that the fuel tank pressure sensor accurately reacts to EVAP system pressure changes.

  6. Insures proper system integrity.

DTC P0442-Evaporative Emission (EVAP) Control System - Small Leak Detected

Step

Action

Value(s)

Yes

No

1

Was the Powertrain On-Board Diagnostic (OBD) System Check performed?

--

Go to Step 2

Go to Powertrain On Board Diagnostic (OBD) System Check

2

Is DTC P0460 also set?

--

Go to DTC P0460 Fuel Level Sensor Circuit

Go to Step 3

3

  1. Install a scan tool.
  2. Command the EVAP canister purge valve and vent solenoid ON and OFF with the scan tool.

Does the purge valve and vent solenoid click ON and OFF?

--

Go to Step 4

Go to Powertrain Control Module Outputs Diagnosis

4

  1. Turn the ignition switch OFF.
  2. Remove the fuel cap.
  3. Turn the ignition switch ON.

Is the Fuel Tank Pressure at the specified value?

0 in. H2O (± 1 in. H2O)

Go to Step 7

Go to Step 5

5

Has the battery been disconnected?

--

Go to Evaporative Emission Control System Diagnosis

Go to Step 6

6

Disconnect the battery.

Is the action complete?

--

Go to Step 4

--

7

Important: : Before continuing with this diagnosis, zero the EVAP Pressure and Vacuum gauges on the EVAP pressure/purge cart J 41413. Also read the temperature variation instruction card (refer to tool operating instructions).

  1. Reinstall the fuel cap
  2. Using the scan tool, command the EVAP vent solenoid ON (closed).
  3. Connect the EVAP pressure/purge cart J 41413 to the EVAP service port.
  4. Pressurize the EVAP system to the specified value using the EVAP pressure/purge cart J 41413 (monitor the pressure using the gauge on the cart with the switch in the HOLD position).
  5. Observe the Fuel Tank Pressure on the scan tool.

Is the Fuel Tank Pressure at the specified value?

5 in. H2O

5 in. H2O (± 2 in. H2O)

Go to Step 8

Go to Evaporative Emission Control System Diagnosis

8

Important: Review the temperature variation instructions included with the J 41413 before performing this step.

  1. Turn the ignition switch ON, with the engine OFF.
  2. Using the scan tool, command the EVAP vent solenoid ON (closed).
  3. Pressurize the EVAP system to the specified value using the EVAP pressure/purge cart J 41413 (monitor the pressure using the gauge on the cart).
  4. Switch the rotary switch on the cart to HOLD and observe the EVAP pressure gauge.

Does the pressure decrease to less than the specified value within 2 minutes?

15 in. H2O

10 in. H2O

Go to Step 9

Refer to Diagnostic Aids

9

  1. Disconnect the fuel tank vapor line and the EVAP purge line from the EVAP canister.
  2. Block the fuel tank vapor line fitting on the canister.
  3. Connect a hand vacuum pump to the EVAP purge line fitting on the canister.
  4. Ensure that the EVAP vent solenoid is still commanded ON (closed).
  5. Attempt to apply vacuum to the canister.

Can the specified vacuum be maintained?

5 in. Hg

Go to Step 12

Go to Step 10

10

  1. Visually/physically check for the following conditions:
  2. • Vent hose disconnected or damaged.
    • EVAP canister damaged.
  3. If a problem is found, repair as necessary.

Was a repair necessary?

--

Go to Step 14

Go to Step 11

11

Replace the EVAP vent solenoid. Refer to Diagnostic Aids .

Is the action complete?

--

Go to Step 14

--

12

  1. Visually/physically check for the following conditions:
  2. • Faulty fuel cap.
    • Leaking fuel tank vapor line.
    • Damaged EVAP purge line.
  3. If a problem is found, repair as necessary.

Was a problem found?

--

Go to Step 14

Go to Step 13

13

  1. Using the scan tool, command the EVAP vent solenoid ON (closed).
  2. With the EVAP pressure/purge cart J 41413 connected to the EVAP system by leaving the cart control knob in the pressurized position.
  3. Using the ultrasonic leak detector J 41416, locate and repair the leak in the EVAP system (it may be necessary to partially lower the fuel tank to examine the top tank connections).

Is the action complete?

--

Go to Step 14

--

14

Important: Review the temperature variation instructions included with the J 41413 before performing this step.

  1. Turn the ignition switch ON, with engine OFF.
  2. Using the scan tool, command the EVAP vent solenoid ON (closed).
  3. Pressurize the EVAP system to the specified value using the EVAP pressure/purge cart J 41413 (monitor the pressure using the gauge on the cart).
  4. Switch the rotary switch on the cart to HOLD and observe the EVAP pressure gauge.

Does the pressure decrease to less than the specified value within 2 minutes?

15 in. H2O

10 in. H2O

Go to Step 15

Go to Step 3

15

Clear the DTCs using the Battery Disconnect method found in Conditions for Clearing the DTC/MIL.

Is the action complete?

System OK

--