GM Service Manual Online
For 1990-2009 cars only

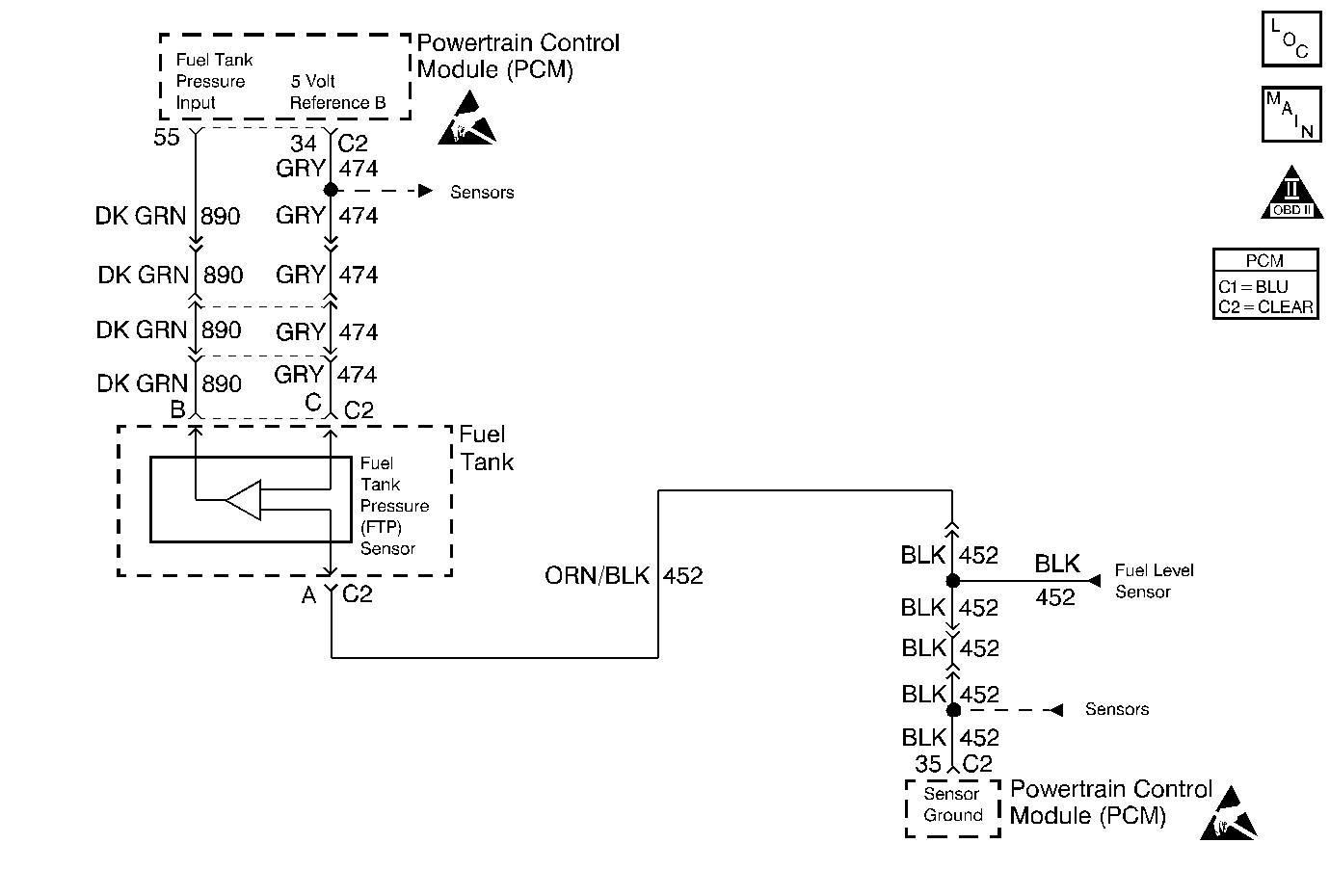
Object Number: 240494  Size: MF

Circuit Description

The Fuel Tank Pressure sensor responds to changes in fuel tank pressure or vacuum. The fuel tank pressure sensor signal voltage to the PCM varies from a minimum of about 0.2 volts with pressure in the fuel tank to above 4 volts with a high vacuum situation in the fuel tank (EVAP canister vent valve stuck closed). The fuel tank pressure sensor is used to detect vacuum decay and excess vacuum during the enhanced EVAP diagnostic routine.

The Fuel Tank Pressure Sensor Diagnosis table is intended to isolate and diagnose electrical problems with the sensor wiring or the sensor.

Diagnostic Aids

Check for the following conditions:

    •  Inspect PCM harness connectors for backed out terminals, improper mating, broken locks, improperly formed or damaged terminals, and poor terminal to wire connection.
    •  Inspect the wiring harness for damage.
    •  If the harness appears to be OK, observe the Fuel Tank Pressure display on the scan tool while moving connectors and wiring harnesses related to the sensor. A change in the display will indicate the location of the malfunction.

Test Description

Number(s) below refer to the step number(s) on the Diagnostic Table:

  1. This vehicle is equipped with a PCM which utilizes an Electrically Erasable Programmable Read Only Memory (EEPROM). When the PCM is being replaced, the new PCM must be programmed. Refer to PCM Replacement/Programming .

Step

Action

Value(s)

Yes

No

1

Was the Powertrain OBD System Check performed?

--

Go to Step 2

Go to A Powertrain On Board Diagnostic (OBD) System Check

2

  1. Disconnect the fuel tank pressure sensor electrical connector.
  2. Using a J 39200 Digital Multimeter, measure voltage between the 5 Volt Reference A circuit and the sensor ground circuit at the fuel tank pressure sensor harness connector.

Is voltage near the specified value?

5.0 V

Go to Step 5

Go to Step 3

3

Check the 5 Volt Reference A circuit for a poor terminal connection at the PCM.

Was a problem found?

--

Go to Step 11

Go to Step 4

4

Check for an open or a faulty connection in the 5 Volt Reference A circuit to the fuel tank pressure sensor harness connector.

Was a problem found?

--

Go to Step 12

Go to Step 8

5

  1. Remove the fuel cap.
  2. Disconnect the Fuel Tank Pressure Sensor harness connector.
  3. Using the correct test adapter from connector test adapter kit, connect a jumper between Fuel Tank Pressure Sensor signal connector.
  4. Connect a second jumper between the 5 Volt Reference B.
  5. Using a digital multimeter, measure voltage at terminal B at the fuel tank pressure sensor pigtail.

Is voltage between the specified values?

1.3 V-1.7 V

Go to Step 6

Go to Step 13

6

Check the fuel tank pressure sensor signal circuit for a poor terminal connection at the PCM.

Was a problem found?

--

Go to Step 11

Go to Step 7

7

Check the fuel tank pressure signal circuit between the fuel tank pressure sensor connector and the PCM for an open, short to ground, or short to voltage.

Was a problem found?

--

Go to Step 12

Go to Step 14

8

Check the sensor ground circuit for a poor terminal connection at the PCM.

Was a problem found?

--

Go to Step 11

Go to Step 9

9

Check for an open or a faulty splice in the sensor ground circuit.

Was a problem found?

--

Go to Step 12

Go to Step 14

10

Check for a poor circuit terminal connection at the fuel tank pressure sensor connector.

Was a problem found?

--

Go to Step 11

Go to Step 13

11

Replace the faulty harness connector terminals as necessary. Refer to Connector Repairs in Wiring Systems.

Is the action complete?

--

Go to Step 15

--

12

Locate and repair open/short circuit in wiring harness as necessary. Refer to Wiring Repairs in Wiring Systems.

Is the action complete?

--

Go to Step 15

--

13

Replace the fuel tank pressure sensor. Refer to Fuel Tank Pressure Sensor Replacement .

Is the action complete?

--

Go to Step 15

--

14

  1. Important:
  2. The replacement PCM must be programmed.
  3. Replace the PCM. Refer to PCM Replacement/Programming .

Is the action complete?

--

Go to Step 15

--

15

  1. Turn off the ignition switch.
  2. Remove the fuel cap.
  3. Turn on the ignition switch.
  4. Observe Fuel Tank Pressure on the scan tool.

Is Fuel Tank Pressure at the specified value?

0 in. H2O

Go to Step 16

Go to Step 2

16

  1. Connect the
    Object Number: 20803  Size: SH
    (1)Main Valve
    (2)Evaporative Emission System Purge/Presure Diagnostic Station J 41413
    (3)Nitrogen Cylinder
    (4)Black Connecting Hose
    (5)Threaded Fitting
    (6)Gauge Set
    EVAP pressure/purge diagnostic station to the EVAP service port.
  2. Using the scan tool, command the EVAP vent solenoid on (Closed).
  3. Pressurize the EVAP system to 5 inches of H2O using the
    Object Number: 20803  Size: SH
    (1)Main Valve
    (2)Evaporative Emission System Purge/Presure Diagnostic Station J 41413
    (3)Nitrogen Cylinder
    (4)Black Connecting Hose
    (5)Threaded Fitting
    (6)Gauge Set
    EVAP pressure/purge diagnostic station (monitor pressure using gauge on the EVAP pressure gauge on the EVAP pressure/purge diagnostic station).
  4. Observe Fuel Tank Pressure on the scan tool.

Is Fuel Tank Pressure at the specified value?

5 in. H2O

System OK

Go to Step 2