GM Service Manual Online
For 1990-2009 cars only
Makes
🢒
Pontiac
🢒
1999
🢒
Grand Am
🢒
Body and Accessories
🢒
Wiring Systems
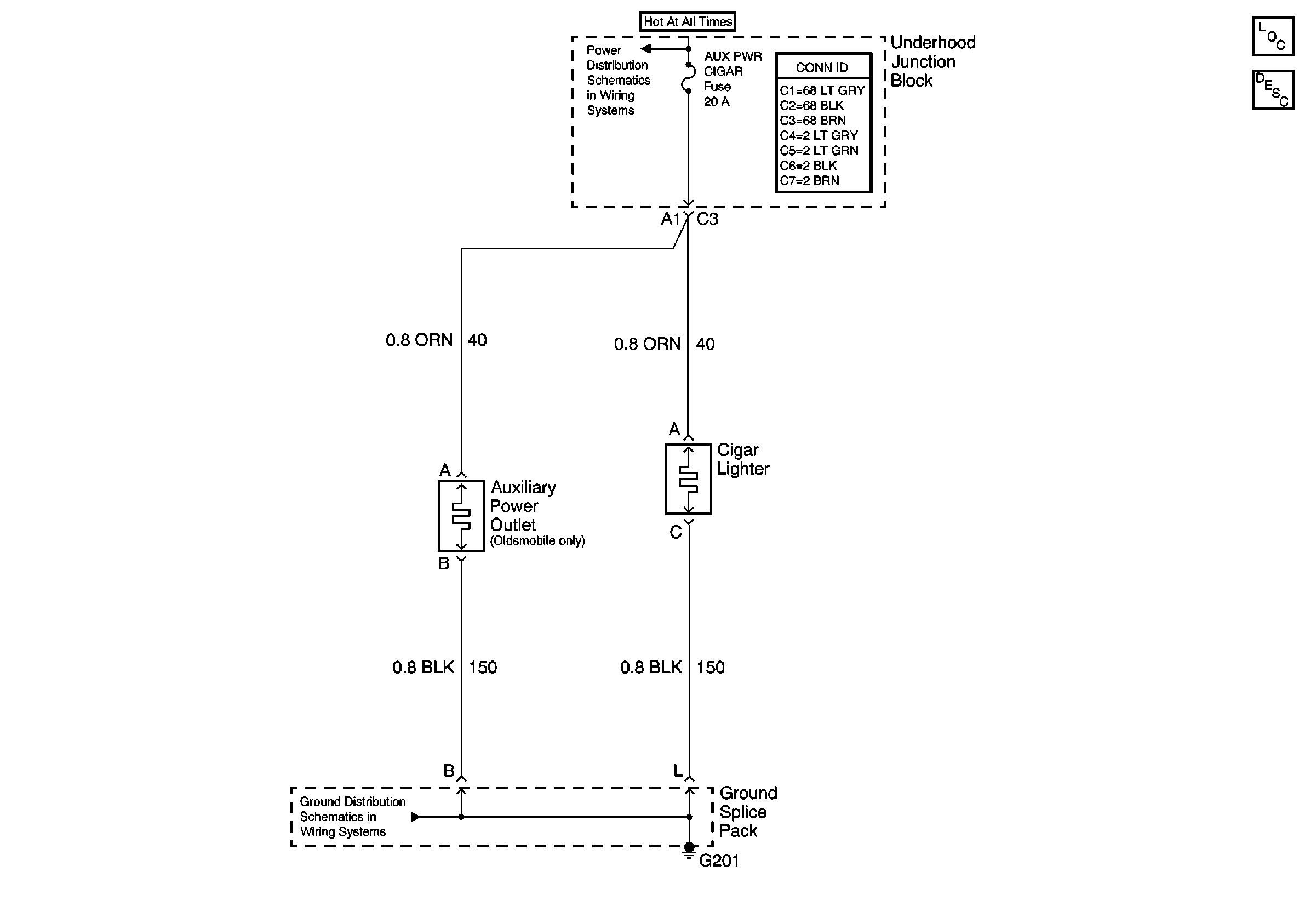
🢒 Cigar Lighter/Power Outlet Schematics
Cell 19
Power and Grounding Components
Cigar Lighter/Auxiliary Outlet Circuit Description
Cell 10: AIR BAG, TURN LPS, RDO ACC, WIPER, PCM ACC and IPC/BFC ACC FusEs
Cell 14: G201