GM Service Manual Online
For 1990-2009 cars only
Makes
🢒
Pontiac
🢒
1999
🢒
Grand Am
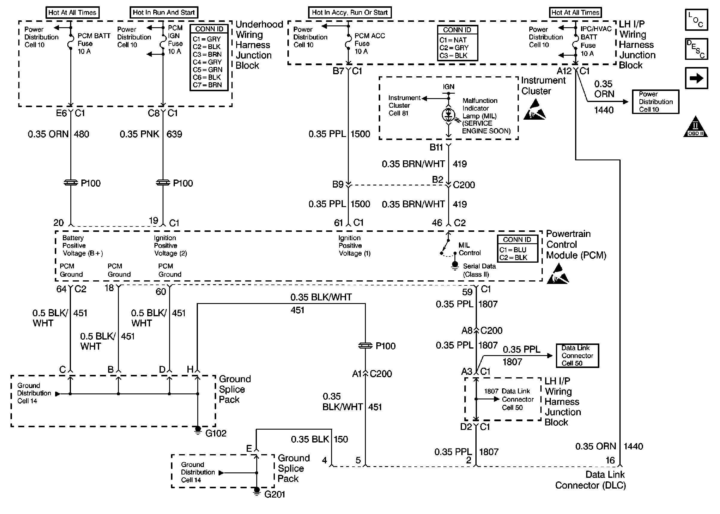
🢒 Cell 23: Power, Ground, MIL, and DLC
Cell 23: Power, Ground, MIL, and DLC
Cell 23: Power, Ground, MIL, and DLC
Engine Controls Components
Information Sensors/Switches Description
Cell 23: Ignition Controls
OBDII Symbol Description Notice
Handling Electrostatic Discharge Sensitive Parts Notice
Handling Electrostatic Discharge Sensitive Parts Notice