GM Service Manual Online
For 1990-2009 cars only
Makes
🢒
Pontiac
🢒
1999
🢒
Grand Am
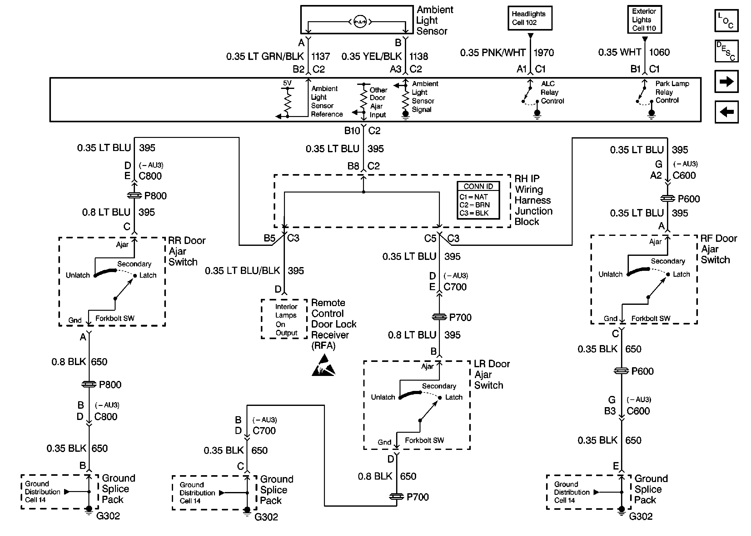
🢒 Cell 76: Remote Control Door Lock Receiver and Right Rear, Left Rear, RiGht Front Door Ajar Switches
Cell 76: Remote Control Door Lock Receiver and Right Rear, Left Rear, RiGht Front Door Ajar Switches
Cell 76: Remote Control Door Lock Receiver and Right Rear, Left Rear, Right Front Door Ajar Switches
Audible Warnings Circuit Description
Cell 76: Fuel Tank Module, Instrument Cluster and Passlock ™ Cylinder
Cell 76: Ignition Switch and Left Front Door Ajar Switch
Handling ESD Sensitive Parts Notice
Headlights/Daytime Running Lights (DRL) Schematics
Exterior Lights Schematics
Ground Distribution Schematics
Ground Distribution Schematics
Ground Distribution Schematics